白光LED電荷泵的電路板布局指南
發布時間:2023-06-27 責任編輯:lina
【導讀】對於許多白光LED電荷泵IC來說,印刷電路板(PCB)布局很簡單。但大電流電荷泵和具有許多引腳的電荷泵(如MAX1576)有更嚴格的要求。討論了PCB布局和設計指南。
對於許多白光LED電荷泵IC來說,印刷電路板(PCB)布局很簡單。但大電流電荷泵和具有許多引腳的電荷泵(如MAX1576)有更嚴格的要求。討論了PCB布局和設計指南。
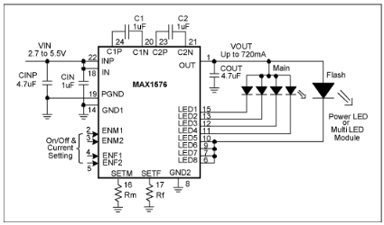
具有許多引腳或使用大電流電荷泵的白光LED驅動器在布置印刷電路板(PCB)時需要格外小心。本應用筆記以MAX1576為例,提供基準和電路板布局。


在為MAX1576白光LED電荷泵布置PCB圖稿時,請遵循以下準則:
將所有 GND 和 PGND 引腳連接到 IC 正下方的裸露焊盤 (EP)。
輸入、輸出和跨接電容器僅使用具有 X5R 電介質或更好電介質的陶瓷電容器。低ESR對於高輸出電流驅動、低輸入/輸出紋波和穩定運行非常重要。
為防止開關噪聲擾亂IC的偏置電路,請將輸入電容(CIN和CINP)盡可能靠近輸入和接地引腳放置,最好在電容和IC之間不要過孔。
如果有單獨的GND和PGND和/或IN和PIN引腳,則IC包括單獨的電源和偏置輸入。如果這些引腳不靠得很近,則應使用兩個輸入電容:從PIN到PGND的CINP,以及從IN到GND的CIN電容,每個電容都盡可能靠近IC。在這種情況下,PIN和PGND應連接到係統電源和接地層,而IN和GND在IC上保持本地安靜。首先將PCB電源路由到CINP和INP,然後通過一些過孔路由到CIN和IN,以在IN處提供一些輸入噪聲濾波。PGND 和 GND 隻能通過裸露的槳葉相互連接。
為確保電荷泵調節穩定性,應將輸出電容COUT放置在盡可能靠近OUT引腳的位置。將COUT的接地端子連接到最近的PGND或GND引腳或裸露的焊盤(EP)。
為確保電荷泵的低輸出阻抗,將跨接電容C1和C2放置在盡可能靠近IC的位置。如果無法避免過孔,最好將它們與C1和/或C2串聯,而不是與CIN或CINM串聯,因為跨接電容對穩壓器穩定性沒有影響。
將任何基準旁路電容(MAX1576上沒有)或設置電阻(MAX1576上的RM和RF)的接地端子連接到GND引腳(與PGND相對)。這減少了耦合到IC模擬模塊中的噪聲。
裸露焊盤(EP)中的可選大通孔可用於檢查焊點,也便於使用烙鐵將IC從PCB上取下。
根據需要將邏輯輸入走線和連接路由到 LED。zhexiexianlushangdeguokongbuhuiyinqirenhewenti,yinweizhexieshuchushangdedianliushiwendingde。raner,ruguobuxiantaikaojinmingandewuxiandiandianlu,zhexiexianlushangdewenbokenenghuiyingxiangshepindianlu。
免責聲明:本文為轉載文章,轉載此文目的在於傳遞更多信息,版權歸原作者所有。本文所用視頻、圖片、文字如涉及作品版權問題,請聯係小編進行處理。
推薦閱讀:
- 噪聲中提取真值!瑞盟科技推出MSA2240電流檢測芯片賦能多元高端測量場景
- 10MHz高頻運行!氮矽科技發布集成驅動GaN芯片,助力電源能效再攀新高
- 失真度僅0.002%!力芯微推出超低內阻、超低失真4PST模擬開關
- 一“芯”雙電!聖邦微電子發布雙輸出電源芯片,簡化AFE與音頻設計
- 一機適配萬端:金升陽推出1200W可編程電源,賦能高端裝備製造
- 一秒檢測,成本降至萬分之一,光引科技把幾十萬的台式光譜儀“搬”到了手腕上
- AI服務器電源機櫃Power Rack HVDC MW級測試方案
- 突破工藝邊界,奎芯科技LPDDR5X IP矽驗證通過,速率達9600Mbps
- 通過直接、準確、自動測量超低範圍的氯殘留來推動反滲透膜保護
- 從技術研發到規模量產:恩智浦第三代成像雷達平台,賦能下一代自動駕駛!
- 車規與基於V2X的車輛協同主動避撞技術展望
- 數字隔離助力新能源汽車安全隔離的新挑戰
- 汽車模塊拋負載的解決方案
- 車用連接器的安全創新應用
- Melexis Actuators Business Unit
- Position / Current Sensors - Triaxis Hall




