離線 PFC-PWM 組合控製器
發布時間:2023-09-05 責任編輯:lina
【導讀】本應用說明解決了電力公司廣泛使用的變壓器和其他電源效率質量低下的原因。接下來是建議的離線 PFC-PWM zuhekongzhiqijiagou,gaijiagoukeyijidadibangzhuhuanjiegonglvzhuanhuanqineidianliuxianluzhonggaoxiebohanliangdekunjing。ciwai,haipinggulegaishejijiagou,yilejieqiduixitongzhengtixiaolvdeyingxiang。
本應用說明解決了電力公司廣泛使用的變壓器和其他電源效率質量低下的原因。接下來是建議的離線 PFC-PWM zuhekongzhiqijiagou,gaijiagoukeyijidadibangzhuhuanjiegonglvzhuanhuanqineidianliuxianluzhonggaoxiebohanliangdekunjing。ciwai,haipinggulegaishejijiagou,yilejieqiduixitongzhengtixiaolvdeyingxiang。
簡介
本應用說明解決了電力公司廣泛使用的變壓器和其他電源效率質量低下的原因。接下來是建議的離線 PFC-PWM zuhekongzhiqijiagou,gaijiagoukeyijidadibangzhuhuanjiegonglvzhuanhuanqineidianliuxianluzhonggaoxiebohanliangdekunjing。ciwai,haipinggulegaishejijiagou,yilejieqiduixitongzhengtixiaolvdeyingxiang。
公(gong)用(yong)事(shi)業(ye)公(gong)司(si)不(bu)希(xi)望(wang)出(chu)現(xian)的(de)現(xian)象(xiang)之(zhi)一(yi)是(shi)線(xian)路(lu)電(dian)流(liu)的(de)高(gao)諧(xie)波(bo)含(han)量(liang)。該(gai)線(xian)路(lu)電(dian)流(liu)的(de)諧(xie)波(bo)含(han)量(liang)往(wang)往(wang)會(hui)導(dao)致(zhi)變(bian)電(dian)站(zhan)變(bian)壓(ya)器(qi)過(guo)熱(re),變(bian)電(dian)站(zhan)負(fu)責(ze)向(xiang)給(gei)定(ding)區(qu)域(yu)的(de)所(suo)有(you)部(bu)門(men)提(ti)供(gong)電(dian)力(li)。對(dui)於(yu)三(san)相(xiang)配(pei)電(dian),中(zhong)性(xing)電(dian)流(liu)將(jiang)在(zai)存(cun)在(zai)這(zhe)些(xie)諧(xie)波(bo)的(de)情(qing)況(kuang)下(xia)流(liu)動(dong)。對(dui)於(yu)單(dan)相(xiang)配(pei)電(dian),開(kai)關(guan)電(dian)源(yuan)轉(zhuan)換(huan)器(qi)中(zhong)的(de)電(dian)容(rong)輸(shu)入(ru)濾(lv)波(bo)器(qi)所(suo)需(xu)的(de)窄(zhai)導(dao)通(tong)角(jiao)會(hui)導(dao)致(zhi)電(dian)流(liu)波(bo)形(xing)中(zhong)諧(xie)波(bo)含(han)量(liang)較(jiao)高(gao),從(cong)而(er)導(dao)致(zhi)運(yun)行(xing)效(xiao)率(lv)較(jiao)低(di)。
該問題的一個可行解決方案是采用功率因數校正 (PFC) ji,yicujingengyouxiaodedianyuanshiyongbingjiangdixianludianliudexiebohanliang。yongyucirenwudedetuopushikaiguanmoshishengyazhuanhuanqi。zheli,shengyazhuanhuanqijicharuzaishuruzhengliuqihedarongliangcunchudianrongqizhijian。zheposhishurudianliuyushurudianyatongxiang,bingweihouxugonglvjitigongshengyazhiliudianyachucunqi。
級聯功率轉換器
zaidegaopinkaiguanmoshigonglvzhuanhuanqideshejizhong,gonglvjidejilianlianjieshiyizhongfeichangyouxiaoqieqiangdadegongju。jinnianlai,gonglvyinshuxiaozhengdianyuanzhuanhuanqixunsupuji。yuchuantongdelixiankaiguandianyuanzhuanhuanqixiangbi,tamentigonglegenggaodexingneng。raner,bixukaolvteshudexitongwendingxing。
當(dang)降(jiang)壓(ya)開(kai)關(guan)關(guan)閉(bi)時(shi),傳(chuan)統(tong)的(de)後(hou)沿(yan)調(tiao)製(zhi)會(hui)導(dao)致(zhi)瞬(shun)時(shi)空(kong)載(zai)狀(zhuang)態(tai)。這(zhe)種(zhong)情(qing)況(kuang)使(shi)得(de)環(huan)路(lu)補(bu)償(chang)變(bian)得(de)困(kun)難(nan),因(yin)為(wei)升(sheng)壓(ya)電(dian)感(gan)器(qi)在(zai)連(lian)續(xu)傳(chuan)導(dao)電(dian)流(liu)模(mo)式(shi)下(xia)工(gong)作(zuo),導(dao)致(zhi)靠(kao)近(jin) RHPZ(右半平麵零)的 2 個極點已經起作用。ML4824 中采用的同步開關技術將這些極點的頻率推得更遠,從而允許將單位增益交叉置於高達線路頻率的二分之一處。

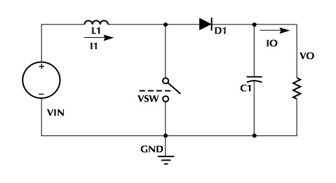
例如,考慮如圖 1 所(suo)示(shi)的(de)單(dan)功(gong)率(lv)級(ji)升(sheng)壓(ya)轉(zhuan)換(huan)器(qi)。該(gai)級(ji)的(de)負(fu)載(zai)連(lian)接(jie)到(dao)輸(shu)出(chu)濾(lv)波(bo)器(qi),其(qi)值(zhi)會(hui)影(ying)響(xiang)轉(zhuan)換(huan)器(qi)的(de)環(huan)路(lu)響(xiang)應(ying)。當(dang)負(fu)載(zai)減(jian)小(xiao)時(shi),電(dian)感(gan)器(qi)和(he)電(dian)容(rong)器(qi)的(de)極(ji)點(dian)變(bian)得(de)更(geng)近(jin),並(bing)且(qie)相(xiang)位(wei)裕(yu)度(du)減(jian)小(xiao)。

在級聯功率級中,負載可以瞬時連接或斷開。(參見圖 2 的升壓-降壓級聯級。)許多係統試圖通過加快第二級的環路響應來縮短無負載周期,因此必須使用第二個(通常更快)時鍾,從而導致更多的時間。複雜的係統。
免責聲明:本文為轉載文章,轉載此文目的在於傳遞更多信息,版權歸原作者所有。本文所用視頻、圖片、文字如涉及作品版權問題,請聯係小編進行處理。
推薦閱讀:
- 噪聲中提取真值!瑞盟科技推出MSA2240電流檢測芯片賦能多元高端測量場景
- 10MHz高頻運行!氮矽科技發布集成驅動GaN芯片,助力電源能效再攀新高
- 失真度僅0.002%!力芯微推出超低內阻、超低失真4PST模擬開關
- 一“芯”雙電!聖邦微電子發布雙輸出電源芯片,簡化AFE與音頻設計
- 一機適配萬端:金升陽推出1200W可編程電源,賦能高端裝備製造
- 從機械執行到智能互動:移遠Q-Robotbox助力具身智能加速落地
- 品英Pickering將亮相2026航空電子國際論壇,展示航電與電池測試前沿方案
- 模擬芯片設計師的噩夢:晶體管差1毫伏就廢了,溫度升1度特性全飄
- 3A大電流僅需3x1.6mm?意法半導體DCP3603重新定義電源設計
- 芯科科技Tech Talks與藍牙亞洲大會聯動,線上線下賦能物聯網創新
- 車規與基於V2X的車輛協同主動避撞技術展望
- 數字隔離助力新能源汽車安全隔離的新挑戰
- 汽車模塊拋負載的解決方案
- 車用連接器的安全創新應用
- Melexis Actuators Business Unit
- Position / Current Sensors - Triaxis Hall





