三電平電路原理及常見的電路拓撲分析
發布時間:2024-01-12 來源:英飛淩工業半導體 責任編輯:lina
【導讀】隨著對逆變器的功率密度、效率、輸出波形質量等性能要求逐漸增加,中點鉗位型(Neutral Point Clamped,NPC)的三電平拓撲逆變器已經得到了廣泛的應用,典型的三電平拓撲有二極管型NPC(NPC1)、Conergy NPC(NPC2)、有源NPC(ANPC),如下圖所示。
隨著對逆變器的功率密度、效率、輸出波形質量等性能要求逐漸增加,中點鉗位型(Neutral Point Clamped,NPC)的三電平拓撲逆變器已經得到了廣泛的應用,典型的三電平拓撲有二極管型NPC(NPC1)、Conergy NPC(NPC2)、有源NPC(ANPC),如下圖所示。
相對於傳統的兩電平逆變器,三電平逆變器有以下優點:
輸出波形的諧波成分少:三電平逆變器相對兩電平逆變器,增加了一個零電平通路,相電壓可輸出三個電平,即+Vdc/2、0、-Vdc/2,根據下圖可以看到三電平逆變器輸出的電壓波形更加接近正弦波,具有更低的THD。
2. 損耗減小,開關頻率提升,係統成本降低:如NPC1拓tuo撲pu中zhong開kai關guan器qi件jian的de電dian壓ya可ke減jian小xiao為wei原yuan來lai的de一yi半ban,器qi件jian開kai關guan損sun耗hao大da幅fu降jiang低di,因yin此ci可ke提ti高gao開kai關guan頻pin率lv減jian小xiao輸shu出chu濾lv波bo器qi的de體ti積ji和he成cheng本ben,如ru果guo在zai功gong率lv等deng級ji不bu變bian的de情qing況kuang下xia,可ke通tong過guo提ti高gao母mu線xian電dian壓ya減jian小xiao輸shu出chu端duan的de電dian流liu,減jian少shao輸shu出chu線xian纜lan的de成cheng本ben。
3. 器件可靠性提升:在同樣電壓等級的係統中,三電平拓撲中器件承受的阻斷電壓降低,器件的可靠性得以提升。
4. 改善電磁幹擾EMI:由於開關過程中器件的dv/dt大幅降低,係統電磁幹擾得到改善。
當然三電平拓撲也存在一些劣勢,例如器件成本增加、控製算法複雜度提升、損耗分布不均衡和中點電位波動等問題,但由於三電平拓撲的獨特優勢,在光伏、儲能、UPS、APF等眾多場合得以廣泛使用,下麵就常見的三電平拓撲進行介紹。
NPC1
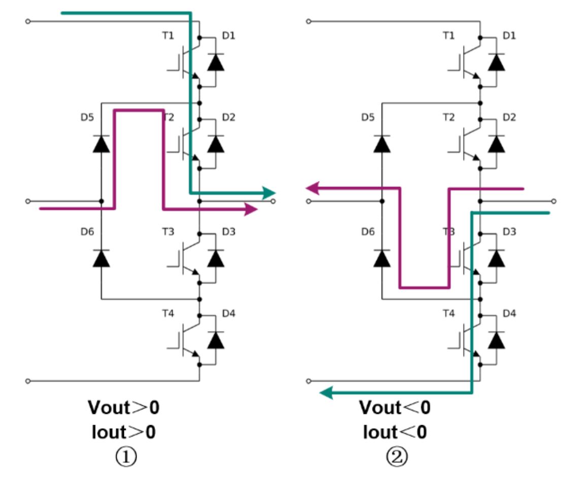
1.1. 電流路徑
上圖中藍綠色線條為導通電流路徑,紫色線條為對應的零電平換流路徑,功率因數為+1對應①和②兩種模態,功率因數為-1對應③和④兩種模態;
1.2. 損耗分布
以F3L225R12W3H3器件(NPC1)在100kW PCS的仿真為例,仿真條件為Vdc=1000V,Vac=380V,Fsw=16kHz,Fout=50Hz,在逆變工況時,NPC1的損耗主要集中在T1/T4管,包括導通損耗和開關損耗;T2/T3為常開狀態,損耗主要為導通損耗;D5/D6在換流時導通,其損耗包括導通損耗和反向恢複損耗。
在整流工況下,損耗主要集中在D1/D4管和T2/T3管,D1/D4存在導通損耗和反向恢複損耗,T2/T3在換流時產生導通損耗和開關損耗,而D2/D3和D5/D6僅存在導通損耗。
NPC2
在NPC2拓撲中,用一對共射極或共集電極的IGBT和反並聯二極管代替NPC1二極管鉗位的功能,減少了兩個二極管器件,其中T1/T4管承受全母線電壓,T2/T3管承受半母線電壓。
2.1. 電流路徑
NPC2的工作模態和NPC1類似,在逆變工況下,正半周期時,T2保持常開狀態,T1和D3換流;負半周期時,T3保持常開狀態,T4和D2換流。在整流工況下,正半周期時,T2仍保持常開狀態,由D1換流至T3/D2;負半周期時,由D4換流至T2/D3。
2.2. 損耗分布
以F3L500R12W3H7器件(NPC2)在100kW PCS的仿真為例,仿真條件為Vdc=1000V,Vac=380V,Fsw=16kHz,Fout=50Hz,在NPC2拓撲中T1/T4為高壓器件,開關損耗較大些,但由於電流路徑上的開關器件數量減少,導通損耗更小,因此NPC2拓撲在中低開關頻率的係統中效率更優。而NPC1tuopuzhongdianliulujingshangdeqijianshuliangzengjia,huichanshenggengdadedaotongsunhao,danmeigeqijianzhichengshoubanmuxiandianya,kaiguansunhaodafujiangdi,yincizaigaopinshigengyouyoushi。
以Irms=150A,Vdc=730V,PF=1,M=1的工況為例進行仿真,使用相同電流等級,不同耐壓的模塊組成兩電平、NPC1和NPC2拓撲,各拓撲產生的總損耗隨開關頻率變化的曲線如上圖所示,可以看到兩電平拓撲僅在低頻時總損耗較小,NPC1和NPC2拓撲的總損耗在16kHz時存在交叉點,交叉點前NPC2拓撲整體損耗低於NPC1拓撲,效率更優,在交叉點後NPC1拓撲的總損耗的上升速率低於NPC2拓撲,高頻下NPC1拓撲的效率更優,值得注意的是交叉點的頻率也隨應用工況和具體器件特性不同而略有差異。
ANPC
將NPC1中的鉗位二極管更換為IGBT和反並聯二極管就形成了ANPC拓撲,其拓展了兩條零電平換流路徑,通過對零電平換流路徑的選擇和控製可以實現更均衡的損耗分布和更小的換流回路雜感。
3.1. 電流路徑
ANPC在每個模態時的零電平換流有多條路徑可供選擇,根據調製算法的不同分為ANPC-1和ANPC-2以及ANPC-1-00等,三種調製算法的狀態表如下所示。
可以看出在ANPC-1中,采用短換流回路進行換流,T2和T3以輸出電壓基波分量的頻率進行開關動作,其餘均以開關頻率進行開關動作(表中以深灰色標記)。
在ANPC-2中,采用長換流回路進行換流,T2和T3以開關頻率進行開關動作,其餘均以輸出電壓基波分量的頻率進行開關動作。
ANPC-1-00是在ANPC-1的基礎上增加了‘0’狀態,此時0+和0-充當P至0和N至0轉換時的中間切換態,ANPC-1-00調製算法通過兩條並聯的換流路徑減小了零電平時的導通損耗,以上不同的調製算法會產生不同的損耗分布。
本文主要和大家討論了三電平逆變器拓撲的優勢、常見三電平拓撲的換流路徑、損耗分布,後續會針對三電平的雙脈衝測試、阻斷態均壓問題、調製策略等內容和大家討論,敬請期待。
(作者:Hou Henry,來源:英飛淩工業半導體)
免責聲明:本文為轉載文章,轉載此文目的在於傳遞更多信息,版權歸原作者所有。本文所用視頻、圖片、文字如涉及作品版權問題,請聯係小編進行處理。
推薦閱讀:
基於 GaN 的高效率 1.6kW CrM 圖騰柱PFC參考設計 TIDA-00961 FAQ
- 噪聲中提取真值!瑞盟科技推出MSA2240電流檢測芯片賦能多元高端測量場景
- 10MHz高頻運行!氮矽科技發布集成驅動GaN芯片,助力電源能效再攀新高
- 失真度僅0.002%!力芯微推出超低內阻、超低失真4PST模擬開關
- 一“芯”雙電!聖邦微電子發布雙輸出電源芯片,簡化AFE與音頻設計
- 一機適配萬端:金升陽推出1200W可編程電源,賦能高端裝備製造
- 突破工藝邊界,奎芯科技LPDDR5X IP矽驗證通過,速率達9600Mbps
- 通過直接、準確、自動測量超低範圍的氯殘留來推動反滲透膜保護
- 從技術研發到規模量產:恩智浦第三代成像雷達平台,賦能下一代自動駕駛!
- 從機械執行到智能互動:移遠Q-Robotbox助力具身智能加速落地
- 品英Pickering將亮相2026航空電子國際論壇,展示航電與電池測試前沿方案
- 車規與基於V2X的車輛協同主動避撞技術展望
- 數字隔離助力新能源汽車安全隔離的新挑戰
- 汽車模塊拋負載的解決方案
- 車用連接器的安全創新應用
- Melexis Actuators Business Unit
- Position / Current Sensors - Triaxis Hall


