運算放大器參數的簡易測量“指南”
發布時間:2024-12-20 來源:亞德諾半導體 責任編輯:lina
【導讀】運算放大器是差分輸入、單端輸出的極高增益放大器,常用於高精度模擬電路,因此必須精確測量其性能。但在開環測量中,其開環增益可能高達107或更高,而拾取、雜散電流或塞貝克(熱電偶)效應可能會在放大器輸入端產生非常小的電壓,這樣誤差將難以避免。
運算放大器是差分輸入、單端輸出的極高增益放大器,常用於高精度模擬電路,因此必須精確測量其性能。但在開環測量中,其開環增益可能高達107或更高,而拾取、雜散電流或塞貝克(熱電偶)效應可能會在放大器輸入端產生非常小的電壓,這樣誤差將難以避免。
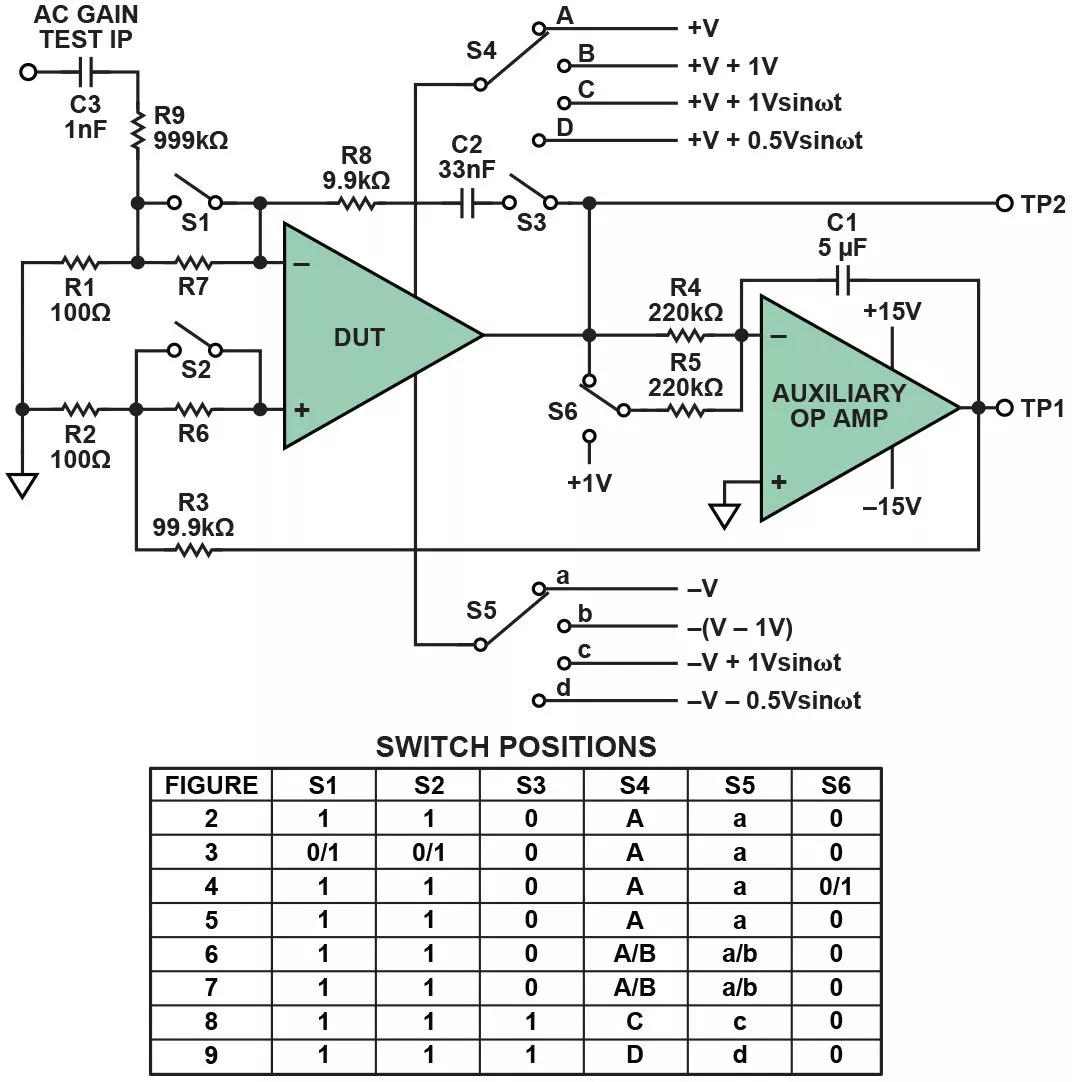
通過使用伺服環路,可以大大簡化測量過程,強製放大器輸入調零,使得待測放大器能夠測量自身的誤差。圖1顯xian示shi了le一yi個ge運yun用yong該gai原yuan理li的de多duo功gong能neng電dian路lu,它ta利li用yong一yi個ge輔fu助zhu運yun放fang作zuo為wei積ji分fen器qi,來lai建jian立li一yi個ge具ju有you極ji高gao直zhi流liu開kai環huan增zeng益yi的de穩wen定ding環huan路lu。開kai關guan為wei執zhi行xing下xia麵mian所suo述shu的de各ge種zhong測ce試shi提ti供gong了le便bian利li。

圖1. 基本運算放大器測量電路
圖1所示電路能夠將大部分測量誤差降至最低,支持精確測量大量直流和少量交流參數。附加的“輔助”運算放大器無需具有比待測運算放大器更好的性能,其直流開環增益最好能達到106或更高。如果待測器件(DUT)的失調電壓可能超過幾mV,則輔助運放應采用±15 V電源供電(如果DUT的輸入失調電壓可能超過10 mV,則需要減小99.9 kΩ電阻R3的阻值。)
DUT的電源電壓+V和–V幅度相等、極性相反。總電源電壓理所當然是2 × V。該電路使用對稱電源,即使“單電源”運放也是如此,因為係統的地以電源的中間電壓為參考。
作為積分器的輔助放大器在直流時配置為開環(最高增益),但其輸入電阻和反饋電容將其帶寬限製為幾Hz。這意味著,DUT輸出端的直流電壓被輔助放大器以最高增益放大,並通過一個1000:1衰減器施加於DUT的同相輸入端。負反饋將DUT輸出驅動至地電位。(事實上,實際電壓是輔助放大器的失調電壓,更精確地說是該失調電壓加上輔助放大器的偏置電流在100 kΩ電阻上引起的壓降,但它非常接近地電位,因此無關緊要,特別是考慮到測量期間此點的電壓變化不大可能超過幾mV)
測試點TP1上的電壓是施加於DUT輸入端的校正電壓(與誤差在幅度上相等)的1000倍,約為數十mV或更大,因此可以相當輕鬆地進行測量。
理想運算放大器的失調電壓(Vos)為0,即(ji)當(dang)兩(liang)個(ge)輸(shu)入(ru)端(duan)連(lian)在(zai)一(yi)起(qi)並(bing)保(bao)持(chi)中(zhong)間(jian)電(dian)源(yuan)電(dian)壓(ya)時(shi),輸(shu)出(chu)電(dian)壓(ya)同(tong)樣(yang)為(wei)中(zhong)間(jian)電(dian)源(yuan)電(dian)壓(ya)。現(xian)實(shi)中(zhong)的(de)運(yun)算(suan)放(fang)大(da)器(qi)則(ze)具(ju)有(you)幾(ji)微(wei)伏(fu)到(dao)幾(ji)毫(hao)伏(fu)不(bu)等(deng)的(de)失(shi)調(tiao)電(dian)壓(ya),因(yin)此(ci)必(bi)須(xu)將(jiang)此(ci)範(fan)圍(wei)內(nei)的(de)電(dian)壓(ya)施(shi)加(jia)於(yu)輸(shu)入(ru)端(duan),使(shi)輸(shu)出(chu)處(chu)於(yu)中(zhong)間(jian)電(dian)位(wei)。
圖2給出了最基本測試——失調電壓測量的配置。當TP1上的電壓為DUT失調電壓的1000倍時,DUT輸出電壓處於地電位。

圖2. 失調電壓測量
理想運算放大器具有無限大的輸入阻抗,無電流流入其輸入端。但在現實中,會有少量“偏置”電流流入反相和同相輸入端(分別為Ib–和Ib+),它們會在高阻抗電路中引起顯著的失調電壓。根據運算放大器類型的不同,這種偏置電流可能為幾fA(1 fA= 10–15 A,每隔幾微秒流過一個電子)至幾nA;在某些超快速運算放大器中,甚至達到1 - 2 μA。圖3顯示如何測量這些電流。

圖3. 失調和偏置電流測量
該電路與圖2的失調電壓電路基本相同,隻是DUT輸入端增加了兩個串聯電阻R6和R7。這些電阻可以通過開關S1和S2短路。當兩個開關均閉合時,該電路與圖2完全相同。當S1斷開時,反相輸入端的偏置電流流入Rs,電壓差增加到失調電壓上。
通過測量TP1的電壓變化(=1000 Ib–×Rs),可以計算出Ib–。同樣,當S1閉合且S2斷開時,可以測量Ib+。如果先在S1和S2均閉合時測量TP1的電壓,然後在S1和S2均斷開時再次測量TP1的電壓,則通過該電壓的變化可以測算出“輸入失調電流”Ios,即Ib+與Ib–之差。R6和R7的阻值取決於要測量的電流大小。
如果Ib的值在5 pA左右,則會用到大電阻,使用該電路將非常困難,可能需要使用其它技術,牽涉到Ib給低泄漏電容(用於代替Rs)充電的速率。當S1和S2閉合時,Ios仍會流入100 Ω電阻,導致Vos誤差,但在計算時通常可以忽略它,除非Ios足夠大,產生的誤差大於實測Vos的1%。
運算放大器的開環直流增益可能非常高,107以上的增益也並非罕見,但250,000到2,000,000的增益更為常見。直流增益的測量方法是通過S6切換DUT輸出端與1 V基準電壓之間的R5,迫使DUT的輸出改變一定的量(圖4中為1 V,但如果器件采用足夠大的電源供電,可以規定為10 V)。如果R5處於+1 V,若要使輔助放大器的輸入保持在0附近不變,DUT輸出必須變為–1 V。

圖4. 直流增益測量
TP1的電壓變化衰減1000:1後輸入DUT,導致輸出改變1 V,由此很容易計算增益(= 1000 × 1 V/TP1)。
為了測量開環交流增益,需要在DUT輸入端注入一個所需頻率的小交流信號,並測量相應的輸出信號(圖5中的TP2)。完成後,輔助放大器繼續使DUT輸出端的平均直流電平保持穩定。

圖5. 交流增益測量
圖5中,交流信號通過10,000:1的衰減器施加於DUT輸入端。對於開環增益可能接近直流值的低頻測量,必須使用如此大的衰減值。(例如,在增益為1,000,000的頻率時,1 V rms信號會將100 μV施加於放大器輸入端,放大器則試圖提供100 V rms輸出,導致放大器飽和。)因此,交流測量的頻率一般是幾百Hz到開環增益降至1時的頻率;在需要低頻增益數據時,應非常小心地利用較低的輸入幅度進行測量。所示的簡單衰減器隻能在100 kHz以下的頻率工作,即使小心處理了雜散電容也不能超過該頻率。如果涉及到更高的頻率,則需要使用更複雜的電路。
運算放大器的共模抑製比(CMRR)指共模電壓變化導致的失調電壓視在變化與所施加的共模電壓變化之比。在DC時,它一般在80 dB至120 dB之間,但在高頻時會降低。
測試電路非常適合測量CMRR(圖6)。它不是將共模電壓施加於DUT輸入端,以免低電平效應破壞測量,而是改變電源電壓(相對於輸入的同一方向,即共模方向),電路其餘部分則保持不變。

圖6. 直流CMRR測量
在圖6所示電路中,在TP1測量失調電壓,電源電壓為±V(本例中為+2.5 V和–2.5 V),並且兩個電源電壓再次上移+1 V(至+3.5 V和–1.5 V)。失調電壓的變化對應於1 V的共模電壓變化,因此直流CMRR為失調電壓與1 V之比。
CMRR衡量失調電壓相對於共模電壓的變化,總電源電壓則保持不變。電源抑製比(PSRR)則相反,它是指失調電壓的變化與總電源電壓的變化之比,共模電壓保持中間電源電壓不變(圖7)。

圖7. 直流PSRR測量
所用的電路完全相同,不同之處在於總電源電壓發生改變,而共模電平保持不變。本例中,電源電壓從+2.5 V和–2.5 V切換到+3 V和–3 V,總電源電壓從5 V變到6 V。共模電壓仍然保持中間電源電壓。計算方法也相同(1000 × TP1/1 V)。
為了測量交流CMRR和PSRR,需要用電壓來調製電源電壓,如圖8和圖9所示。DUT繼續在直流開環下工作,但確切的增益由交流負反饋決定(圖中為100倍)。

圖8. 交流CMRR測量

圖9. 交流PSRR測量
為了測量交流CMRR,利用幅度為1 V峰值的交流電壓調製DUT的正負電源。兩個電源的調製同相,因此實際的電源電壓為穩定的直流電壓,但共模電壓是2V峰峰值的正弦波,導致DUT輸出包括一個在TP2測量的交流電壓。
如果TP2的交流電壓具有xV峰值的幅度(2xV峰峰值),則折合到DUT輸入端(即放大100倍交流增益之前)的CMRR為x/100 V,並且CMRR為該值與1 V峰值的比值。
交流PSRR的測量方法是將交流電壓施加於相位相差180°的正負電源,從而調製電源電壓的幅度(本例中同樣是1 V峰值、2 V峰峰值),而共模電壓仍然保持穩定的直流電壓。計算方法與上一參數的計算方法非常相似。
dangran,yunsuanfangdaqihaiyouxuduoqitacanshukenengxuyaoceliang,erqiehaiyouduozhongqitafangfakeyiceliangshangshucanshu,danzhengrubenwensuoshi,zuijibendezhiliuhejiaoliucanshukeyiliyongyiyugoujian、易於理解、毫無問題的簡單基本電路進行可靠測量。
文章來源:亞德諾半導體
免責聲明:本文為轉載文章,轉載此文目的在於傳遞更多信息,版權歸原作者所有。本文所用視頻、圖片、文字如涉及作品版權問題,請聯係小編進行處理。
推薦閱讀:
【“源”察秋毫係列】DC-DC電源效率測試,確保高效能與可靠性的關鍵步驟
Quobly與意法半導體攜手, 加快量子處理器製造進程,實現大型量子計算解決方案
- 噪聲中提取真值!瑞盟科技推出MSA2240電流檢測芯片賦能多元高端測量場景
- 10MHz高頻運行!氮矽科技發布集成驅動GaN芯片,助力電源能效再攀新高
- 失真度僅0.002%!力芯微推出超低內阻、超低失真4PST模擬開關
- 一“芯”雙電!聖邦微電子發布雙輸出電源芯片,簡化AFE與音頻設計
- 一機適配萬端:金升陽推出1200W可編程電源,賦能高端裝備製造
- 一秒檢測,成本降至萬分之一,光引科技把幾十萬的台式光譜儀“搬”到了手腕上
- AI服務器電源機櫃Power Rack HVDC MW級測試方案
- 突破工藝邊界,奎芯科技LPDDR5X IP矽驗證通過,速率達9600Mbps
- 通過直接、準確、自動測量超低範圍的氯殘留來推動反滲透膜保護
- 從技術研發到規模量產:恩智浦第三代成像雷達平台,賦能下一代自動駕駛!
- 車規與基於V2X的車輛協同主動避撞技術展望
- 數字隔離助力新能源汽車安全隔離的新挑戰
- 汽車模塊拋負載的解決方案
- 車用連接器的安全創新應用
- Melexis Actuators Business Unit
- Position / Current Sensors - Triaxis Hall




