從傳統保險絲到eFuse:汽車電路保護的智能化變革
發布時間:2026-04-15 來源:轉載 責任編輯:lily
【導讀】zaiqichedianluxitongzhong,baoxiansizuoweidiyuguozaiyuduanlufengxiandejichuyuanjian,qizhongyaoxingbuyaneryu。raner,chuantongdekerongduanxingbaoxiansishouxianyujizhongshibuju,bujindaozhixianshufanza、重量增加,更缺乏過壓保護、電流反饋及診斷等智能化功能。隨著汽車電氣化的發展,eFuse(電子保險絲)正逐步成為替代傳統保險絲的關鍵技術。它不僅集成了控製電路與MOSFET,實現對負載的精準電源分配,更通過分布式架構優化了整車布線。本文將深入探討eFuse相較於傳統保險絲的巨大優勢,解析其核心功能與主流產品係列,揭示這一技術如何推動汽車電路設計的革新。
baoxiansishidiyuzhexieweixianguozaiheduanludezhongyaoyuanjian。baoxiansineihanjinshuxianhuojinshutiao,dangdianliuguodashihuirongduan,qieduandianlubingfangzhishebeixitongsunhuaihuojinyibuweihaifasheng。qichedianluzhong,chuantongshejicaiyongkerongduanxingbaoxiansi,henduobaoxiansimijishejizaiyigehezinei,qiweizhiyibanhuifangzhizaixuyaogenghuanshifangbiandakaidedifang。danyouyuguoyujizhongzaitongyiweizhi,erbaoxiansiduiyingdefuzaibianbucheshengechu,zhezhongshejinanmianzaochengxianshufanduoqiezouxianfuza,zengjiadianlanchangdu,zhonglianghechengben。erqie,chuantongbaoxiansijintigongjichudeguoliuguozaidebaohu,wufatigongruguoya,jingqueguoliukongzhi,dianliufankui,zhenduandengfuzadebaohuhegongneng。eFuse(電子保險絲)是一種集成電路,可以替代以上提到的傳統保險絲。eFuse集成了控製電路,大部分產品也集成了MOSFET,其功能不僅僅是保護電路,更是負責給負載分配電源並提供多種保護功能的PD電源分配電路。並且,采用eFuse設計的汽車電路一般采用分布式布局的電源分配結構,這種布局降低了布線複雜度,可以降低電纜長度,並且eFuse的引入還可優化布線線徑(過流保護更精準),從而減少了電纜的使用長度和總體重量。

圖1 汽車傳統的可更換保險絲的保險絲盒
eFuse作為傳統保險絲的替代,其擁有巨大的優勢。
•可設置性高:可通過修改內部寄存器或外圍器件參數來修改I²t保護參數設置來適應保護不同的線束類別。
•可升級性好:通常eFuse同一係列甚至不同係列都是設計成可替換引腳排布,不僅可以替換為同一代產品來實現某些性能提升(如額定電流加大),也可以替換成高端係列增加新的功能。
•支持診斷:eFuse可以反饋很多診斷類信息,尤其是部分eFuse支持SPI或I2C等常用接口可以反饋更多的信息。
•支持電流反饋:eFuse通常可以支持讀取負載的電流信息,這對於主控了解負載的狀態至關重要但傳統保險絲無法實現這種功能。
•速度快:傳統保險絲是通過熱量積累最終熔斷設計來實現保護的,其不僅保護電流會受溫度影響較大,反應速度也很慢,而eFuse直接采集電流信號,直接根據電流大小來確定保護行為發生,其速度提升巨大。
另外,eFuse還(hai)可(ke)以(yi)提(ti)供(gong)傳(chuan)統(tong)保(bao)險(xian)絲(si)無(wu)法(fa)提(ti)供(gong)的(de)過(guo)壓(ya)保(bao)護(hu)等(deng)功(gong)能(neng),其(qi)更(geng)精(jing)確(que)的(de)過(guo)流(liu)保(bao)護(hu)設(she)置(zhi)可(ke)以(yi)優(you)化(hua)線(xian)束(shu)的(de)線(xian)徑(jing)從(cong)而(er)減(jian)低(di)重(zhong)量(liang)和(he)成(cheng)本(ben),其(qi)可(ke)調(tiao)整(zheng)可(ke)設(she)置(zhi)的(de)自(zi)恢(hui)複(fu)特(te)性(xing)有(you)助(zhu)於(yu)減(jian)低(di)維(wei)護(hu)成(cheng)本(ben)。
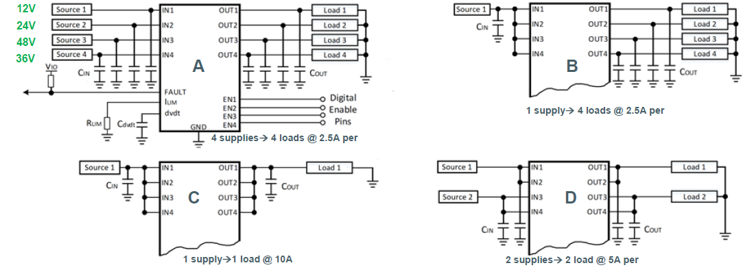
eFuse有很多實現方案,比較傳統的分立式方案現在已經不太常用,其使用MOSFET以及外圍分立器件檢測和控製整個電路運行,由運放、比較器、電阻、電dian容rong等deng構gou成cheng,這zhe種zhong傳chuan統tong分fen立li式shi方fang案an電dian路lu複fu雜za但dan性xing能neng一yi般ban。無wu法fa與yu專zhuan用yong集ji成cheng電dian路lu方fang案an匹pi敵di。專zhuan用yong集ji成cheng電dian路lu則ze將jiang絕jue大da部bu分fen功gong能neng集ji成cheng在zai一yi個ge芯xin片pian中zhong,其qi根gen據ju性xing能neng和he功gong能neng多duo少shao以yi及jiMOSFET外置還是內置也會分幾大類。以安森美半導體的eFuse產品為例,其按照功能多少以及是否內置MOSFET劃分成了四大類別,以適應不同的功能需求和電流大小需求。通常高電流的通道需要選擇外置MOSFET方案,低於30A的電流通道可以根據功能的需求在內置MOSFET方案中選擇最適合的一類。
首先是SmartFET–F係列,如NCV840xxF,這是標準高邊開關係列。MOSFET內置,可以提供1.5mΩ到45mΩ的選擇用以不同電流通道,最高支持到30A負載電流。這個係列可以認為是傳統高邊開關的功能加強,用在最基礎的負載電源控製應用。其擁有一些基礎功能:高精度負載電流檢測,錯誤反饋,智能重啟(適用於短路或浪湧電流如電容充電場合),快速熱響應。這個入門係列沒有eFuse最重要的一個功能,用來模擬真正保險絲的I²t保護功能。另外需要提到一個產品NIV3071,其也是屬於標準高邊開關的產品,其擁有4個獨立通道(可不同電壓獨立供電)且耐受60V的電壓,可以支持多路高壓應用的場合。

圖2 NIV3071典型應用電路框圖
功能完善的eFuse,SmartGuard-G係列,如NCV840xxG,這個係列可以認為是擁有eFuse的較為完整的功能。要模擬傳統保險絲的熔斷行為,最重要的功能是I²t保護功能,在G係列當中不僅支持可設置的I²t保護功能,並且I²t保護電流水平是可由電阻在額定的範圍內可自由設置的。同時,過電流限製也是由單獨電阻在額定範圍自由設置的,電流限製和I²t保護點設置互不影響可以自由組合設置。其擁有低功耗模式(Low Power IDEL Mode),在負載電流需求降低時可以降低電流消耗(關閉一部分保護以及降低輸出電流能力)。另外,G係列還增加了非常重要的電容充電模式,用以適應負載含有大電容時充電階段的應對。SmartGuard-G係列是功能較為完善的內置MOSFET的eFuse產品。
SmartSPI–S係列是擁有SPI接口的eFuse,隨著汽車電氣化的推進,負載數量越來越多,區域控製器需要分配的電源通道數也一直在增加,傳統eFuse采用直接連線來控製和反饋使得MCU的IO資源消耗越來越嚴重,甚至出現了增加IO擴展芯片來應對eFuse通道數增加的設計。SPI控製的eFuse可以極大緩解這種情況,所有支持SPI的eFuse均可以連接在一個SPI總線上,這極大減輕了對MCU的IO資源的消耗。這個係列的產品電流采樣直接數字化輸出同樣降低了MCU資源的需求。
SmartDriver係列是SPI控製的eFuse高邊預驅,采用外置MOSFET架構以應對大電流應用(30A以上的負載)。其qi擁yong有you非fei常chang完wan整zheng的de功gong能neng,除chu了le包bao含han以yi上shang幾ji個ge係xi列lie提ti到dao的de功gong能neng,其qi還hai有you看kan門men狗gou以yi及ji預yu防fang性xing維wei護hu的de功gong能neng,電dian壓ya和he溫wen度du信xin息xi直zhi接jie數shu字zi化hua輸shu出chu。
並非所有的產品都可以歸為以上4個類別,比如NCV760040,其為4通道非隔離結構,在電流保護功能上接近於基礎功能的NCV840xxF係列,沒有I²t保護這樣的模擬傳統保險絲行為的功能,但是其具有I2C通信能力,狀態讀取以及診斷反饋能力比較強,可以直接I2C讀取負載電流或通過CS讀取,所以eFuse產品呈現出多種多樣的特點,需要根據具體應用來選擇合適的產品來獲得最佳的性價比。

圖3 NCV760040的應用電路框圖
接下來介紹幾個eFuse最重要的功能,首先介紹保險絲最傳統的電流保護功能。最基礎的是過流保護功能,eFuse通常具有可調的電流保護點設置能力,用以適應不同的應用場合和負載,以NCV840xxG為例,其電流保護點可以在25%到75%之間以及最大值100%自由設置,通過外部電阻即可更改。除了過流關斷功能外,NCV840xxG還內置了一項智能過載保護機製,以I²t函數形式模擬傳統熔斷保險絲的電流-時間特性曲線。當高電流持續導通時間超過設定的I²t限值時,內置電路會強製輸出級關斷。該特性精確還原了傳統保險絲的電流-時間關係,使用戶能夠無縫替代傳統保險絲來在應用中保護線束。

圖4 NCV84003G可以模擬傳統保險絲的I²t曲線
接下來我們來看一下應對容性負載的功能。NCV840xxG係xi列lie擁yong有you先xian進jin的de容rong性xing負fu載zai處chu理li能neng力li,用yong在zai擁yong有you大da電dian容rong特te性xing的de負fu載zai場chang合he。進jin入ru容rong性xing負fu載zai模mo式shi是shi自zi動dong的de,作zuo為wei默mo認ren的de從cong睡shui眠mian模mo式shi的de開kai通tong策ce略lve,INyinjiaodeshinenghuirangqijianzidongjinrurongxingfuzaimoshi。rongxingfuzaimoshixia,huizhudongjiangdixielvshidekaitongshizhujianjinxingde。youyurongxingfuzaidekaitonghuishidekaiguanguanchengshoufeichanggaodeyingli,zairongxingfuzaimoshixiajiangdidedongtairebaohuyuzhiyongyibaohukaiguanguanbubeisunhuai,zhezhongdongtairebaohuzaiwaizhiMOSFET的結構中或者分立器件方案中是難以實現的。由於過高的應力會觸發如DTSD(動態熱保護)或過流保護等,重試策略保證負載被完全充電至完成。
容性負載模式的退出是可以由多種條件觸發的,基於Vds檢測的自動退出至正常模式,當電容性負載被充電時,輸出電壓會逐漸增加。Vds會被持續監測,一旦達到由Vds_Norm定義的閾值,器件將退出至正常模式。此外,為避免在此狀態下長時間運行,還設計了由tmax_Cap指定的最大時間,內置計時器保證最大50ms的容性模式運行時間,還可以通過CS_EN引腳來控製退出容性負載運行模式。當然,對於不需要容性負載的應用場合,也有特定的操作可以直接進入正常模式。

圖5電阻負載電壓波形:左圖為容性模式,右圖為正常模式
過溫保護能力,相對於使用分立器件設計的方案,內置MOSFET的eFuse方案擁有更加可靠的熱保護能力。NCV840xxG內置了2種過溫保護機製,是基於兩種測溫方式:jueduizhihexiangduizhi。weilefangzhisunhuaifasheng,renheyizhongbaohuchufadouhuirangkaiguanguanbishuchu。jueduizhiwendubaohudefangshibijiaochuantong,dangxinpianneibudewendudadaoshedingyuzhiTTSD時,開關關閉輸出用以保護電路不被損壞,然後核心溫度會緩慢降低,當溫度下降一定的閾值TTSD_HYS時,電路可以重新啟動。
而(er)相(xiang)對(dui)值(zhi)保(bao)護(hu)適(shi)用(yong)於(yu)在(zai)長(chang)時(shi)間(jian)高(gao)功(gong)率(lv)耗(hao)散(san)條(tiao)件(jian)下(xia),結(jie)溫(wen)的(de)快(kuai)速(su)上(shang)升(sheng)會(hui)在(zai)器(qi)件(jian)內(nei)部(bu)產(chan)生(sheng)嚴(yan)重(zhong)的(de)溫(wen)度(du)梯(ti)度(du)。當(dang)這(zhe)種(zhong)溫(wen)度(du)梯(ti)度(du)差(cha)變(bian)化(hua)達(da)到(dao)規(gui)定(ding)閾(yu)值(zhi)TDTSD時,相對值溫度保護功能被激活,從而關閉器件。
需要注意的是,在電容性負載模式下,TDTSD閾值會降低至TDTSD_CL,以限製在給電容性負載充電時器件承受的瞬態應力。此外,熱保護將在芯片的差分或絕對熱極限被超出時覆蓋I²t保護。
隨sui著zhe汽qi車che電dian氣qi化hua的de發fa展zhan加jia深shen,保bao險xian絲si這zhe個ge傳chuan統tong上shang不bu被bei重zhong視shi的de器qi件jian也ye迎ying來lai了le快kuai速su發fa展zhan時shi期qi,並bing且qie還hai在zai快kuai速su發fa展zhan中zhong。傳chuan統tong的de保bao險xian絲si正zheng逐zhu步bu被bei功gong能neng強qiang大da的deeFuse所取代。汽車電路的架構也由集中式向著分布式的架構發展。同時eFuse的發展也極大幫助了汽車電路架構的革新,加強了汽車電路可靠性的同時幫助整體電纜減低長度與線徑,使得總體成本、體積、重量得以降低。
eFuse還依然處於高速發展時期,其技術已經不單純追求模擬傳統的保險絲的行為,因為傳統保險絲並非擁有最優的特性。比如eFuse已經擁有了超越傳統保險絲的電流檢測保護精度,尤其考慮到不同的環境溫度這個優勢更加明顯。eFuse也已經可以模擬傳統保險絲的I²t特性,但傳統保險絲I²t行為並非是應用需要的理想行為,安森美目前正在研發能在非恒定I²t條件下工作的eFuse,其曲線點和參數可通過I2C或SPI等串行通信協議進行編程設定。
eFuse憑借其卓越的可設置性、精準的保護速度、強大的診斷反饋能力以及對分布式架構的支持,正在快速取代傳統保險絲,成為汽車電路保護的主流選擇。從基礎的過流保護到複雜的I²t特性模擬,再到容性負載處理與數字化通信,eFuse的(de)功(gong)能(neng)已(yi)經(jing)遠(yuan)超(chao)傳(chuan)統(tong)元(yuan)件(jian),不(bu)僅(jin)顯(xian)著(zhu)提(ti)升(sheng)了(le)係(xi)統(tong)的(de)可(ke)靠(kao)性(xing)與(yu)安(an)全(quan)性(xing),更(geng)在(zai)降(jiang)低(di)線(xian)束(shu)重(zhong)量(liang)與(yu)整(zheng)車(che)成(cheng)本(ben)方(fang)麵(mian)發(fa)揮(hui)著(zhe)關(guan)鍵(jian)作(zuo)用(yong)。未(wei)來(lai),隨(sui)著(zhe)可(ke)編(bian)程(cheng)跳(tiao)變(bian)曲(qu)線(xian)等(deng)技(ji)術(shu)的(de)進(jin)一(yi)步(bu)發(fa)展(zhan),eFuse的優勢將持續擴大。因此,在電路設計初期充分了解並考量eFuse的應用,已成為提升汽車電子係統整體性能的重要一環。

- 噪聲中提取真值!瑞盟科技推出MSA2240電流檢測芯片賦能多元高端測量場景
- 10MHz高頻運行!氮矽科技發布集成驅動GaN芯片,助力電源能效再攀新高
- 失真度僅0.002%!力芯微推出超低內阻、超低失真4PST模擬開關
- 一“芯”雙電!聖邦微電子發布雙輸出電源芯片,簡化AFE與音頻設計
- 一機適配萬端:金升陽推出1200W可編程電源,賦能高端裝備製造
- 芯科科技Tech Talks與藍牙亞洲大會聯動,線上線下賦能物聯網創新
- 冬季續航縮水怎麼辦?揭秘熱管理係統背後的芯片力量
- 從HDMI 2.1到UFS 5.0:SmartDV以領先IP矩陣夯實邊緣計算基石
- 小空間也能實現低噪供電!精密測量雙極性電源選型指南,覆蓋小功率到大電流全場景
- 直擊藍牙亞洲大會 2026:Nordic 九大核心場景演繹“萬物互聯”新體驗
- 車規與基於V2X的車輛協同主動避撞技術展望
- 數字隔離助力新能源汽車安全隔離的新挑戰
- 汽車模塊拋負載的解決方案
- 車用連接器的安全創新應用
- Melexis Actuators Business Unit
- Position / Current Sensors - Triaxis Hall






