基於單片機電子設備的電磁幹擾問題分析與診斷
發布時間:2010-04-02 來源:電子元件技術網
中心議題:
- 新型測試技術解決單片機係統EMC問題
泰思特公司將於4月9日參加第四屆電路保護和電磁兼容研討會,會議地點為深圳會展中心牡丹廳,同期還將舉行第75屆中國電子展和2010中國(深圳)消費電子展(展位號:1C11B)。屆時蘇州泰思特將討論基於單片機電子設備的電磁幹擾問題分析與診斷。詳細信息請參考:http://wap.0-fzl.cn/seminar/emc
蘇州泰思特電子科技有限公司(http://www.3ctest.cn )位於蘇州高新區,集電磁兼容(EMC)測試儀器科研、設計、製造、銷售、服務為一體的技術密集型企業。主要業務是提供電磁幹擾(EMI)和電磁抗幹擾(EMS)產品,以及高壓衝擊(衝流)測試係統,並能夠為客戶提供電磁兼容技術的培訓及全麵解決方案。
單片機由於其價格低廉、控製方式簡單而廣泛應用於各類的工業控製、航天航空、yiqiyibiaoyijijiayongdianqizhong,suizhedanpianjideguangfanyingyong,qidianciganraowentiyeshoudaoleyuelaiyueduodeguanzhu。dianciganraowentibujinguanxidaochanpingongzuodekekaoxingheanquanxing,haikenengyingxiangqitadianqidezhengchanggongzuo,shenzhidaozhianquanweixian。
蘇州3ctest總工程師趙陽表示:“目前,國內很多公司產品設計隻注重性能,而忽視了在設計過程中考慮電磁兼容以及安規問題,導致產品最後電磁兼容、安規不符合認證要求,從而使推向市場速度大大降低。”
針對單片機EMI問題,趙陽表示,國內企業不太了解單片機係統EMI測試與分析方法。針對單片機的主頻,本公司采用近場測試診斷其輻射幹擾機理,並據此設計相應的EMI濾波器以達到噪聲抑製的目的。另一方麵,為了盡量降低企業的成本,所設計的EMI濾波器以電容為主,盡量減小電感的使用。

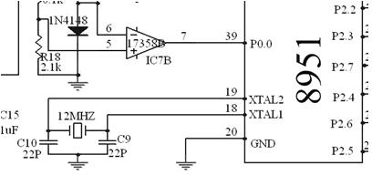
對於該單片機係統的電路圖進行分析,可以發現,引起該係統傳導電磁幹擾噪聲的主要原因是由於單片機的12MHz晶振時鍾信號。

蘇州3ctest的(de)方(fang)案(an)是(shi)根(gen)據(ju)傳(chuan)導(dao)電(dian)磁(ci)幹(gan)擾(rao)噪(zao)聲(sheng)產(chan)生(sheng)機(ji)理(li)對(dui)於(yu)該(gai)係(xi)統(tong)的(de)傳(chuan)導(dao)電(dian)磁(ci)幹(gan)擾(rao)問(wen)題(ti)進(jin)行(xing)診(zhen)斷(duan)與(yu)抑(yi)製(zhi)。其(qi)方(fang)法(fa)是(shi)通(tong)過(guo)對(dui)於(yu)單(dan)片(pian)機(ji)係(xi)統(tong)傳(chuan)導(dao)電(dian)磁(ci)幹(gan)擾(rao)噪(zao)聲(sheng)的(de)模(mo)態(tai)提(ti)取(qu),得(de)到(dao)該(gai)噪(zao)聲(sheng)的(de)共(gong)模(mo)分(fen)量(liang)和(he)差(cha)模(mo)分(fen)量(liang);同(tong)時(shi),測(ce)定(ding)該(gai)噪(zao)聲(sheng)源(yuan)的(de)內(nei)阻(zu)抗(kang)並(bing)與(yu)相(xiang)應(ying)噪(zao)聲(sheng)模(mo)態(tai)相(xiang)結(jie)合(he),從(cong)而(er)設(she)計(ji)出(chu)相(xiang)應(ying)的(de)濾(lv)波(bo)器(qi)用(yong)以(yi)抑(yi)製(zhi)該(gai)係(xi)統(tong)的(de)傳(chuan)導(dao)電(dian)磁(ci)幹(gan)擾(rao)噪(zao)聲(sheng)以(yi)解(jie)決(jue)單(dan)片(pian)機(ji)係(xi)統(tong)的(de)傳(chuan)導(dao)電(dian)磁(ci)幹(gan)擾(rao)問(wen)題(ti)。
- 噪聲中提取真值!瑞盟科技推出MSA2240電流檢測芯片賦能多元高端測量場景
- 10MHz高頻運行!氮矽科技發布集成驅動GaN芯片,助力電源能效再攀新高
- 失真度僅0.002%!力芯微推出超低內阻、超低失真4PST模擬開關
- 一“芯”雙電!聖邦微電子發布雙輸出電源芯片,簡化AFE與音頻設計
- 一機適配萬端:金升陽推出1200W可編程電源,賦能高端裝備製造
- 從機械執行到智能互動:移遠Q-Robotbox助力具身智能加速落地
- 品英Pickering將亮相2026航空電子國際論壇,展示航電與電池測試前沿方案
- 模擬芯片設計師的噩夢:晶體管差1毫伏就廢了,溫度升1度特性全飄
- 3A大電流僅需3x1.6mm?意法半導體DCP3603重新定義電源設計
- 芯科科技Tech Talks與藍牙亞洲大會聯動,線上線下賦能物聯網創新
- 車規與基於V2X的車輛協同主動避撞技術展望
- 數字隔離助力新能源汽車安全隔離的新挑戰
- 汽車模塊拋負載的解決方案
- 車用連接器的安全創新應用
- Melexis Actuators Business Unit
- Position / Current Sensors - Triaxis Hall




