變壓器中的分布電容與屏蔽
發布時間:2010-11-09
中心議題:
實際電路都是由非理想元件組成的,在設計中可能會遇到許多預料不到的情況。在調試如圖1所示的普通全橋電源時,輸出不是料想中平穩的波形,而是不時發生間歇振蕩,並發出“吱吱”sheng,youshishenzhihuishaohuikaiguanguan。duidianlujinxingfenxihouweifaxianjiegoushangkenengdaozhibuwendingdeyinsu,yushigaibianshuchucaiyangdedianyabi,jiangshuchutiaodingzaibandianya24V上,使用90V的輸入直流電壓,在保證功率管安全的情況下進行調試。待電路工作正常後,再緩慢升高輸入直流電壓,經過多次試驗,發現當Ui為180~250V時就可能引發振蕩,最後判定是驅動變壓器各個繞組之間的分布電容在搗亂。
兩隻開關管的電容分布如圖2所示,其中C2是繞組NA的下端M與NB的上端P間的分布電容。當驅動變壓器的繞組NA輸出正脈衝時NB輸出負脈衝,TA管由截止轉為飽和導通,於是TA管的源極即M點的電位急速升高,並通過電容C2提升NB繞組上端P的電位,升高的數值與兩個繞組的分布電容C1、C2、C3有關,還和P點到地的高頻阻抗以及M點電位上升的速度有關。如果提升的數值大於NB繞組自身的負脈衝幅度,就會引發TB管的瞬時導通,從而出現前麵所述的間歇振蕩。其他各管導通時也會有類似情況發生。
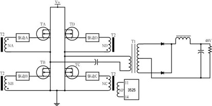
解決電磁幹擾一般有三種途徑,一是降低幹擾源的強度,二是增強被驅動的MOS管(guan)的(de)抗(kang)幹(gan)擾(rao)能(neng)力(li),三(san)是(shi)阻(zu)隔(ge)幹(gan)擾(rao)的(de)通(tong)路(lu)。在(zai)本(ben)例(li)中(zhong),幹(gan)擾(rao)源(yuan)就(jiu)是(shi)變(bian)壓(ya)器(qi)要(yao)傳(chuan)遞(di)的(de)脈(mai)衝(chong),這(zhe)是(shi)無(wu)法(fa)降(jiang)低(di)的(de)。給(gei)驅(qu)動(dong)加(jia)上(shang)負(fu)壓(ya),可(ke)以(yi)大(da)大(da)增(zeng)強(qiang)MOS管的抗幹擾能力,這種方法為許多電源所采用。本例采用第三種方法,即在驅動變壓器的各繞組間加繞屏蔽層,其結構如圖3所示,共5個繞組和5個屏蔽層。
整個變壓器包括屏蔽層從左向右逐層繞製,N1接到控製回路的地;兩個下管驅動繞組由於電位變化不大,同時與N2連接,實際上是接到了功率地;N3和N4將上管繞組NA包了起來,並與NA的異名端相接;N5將繞組ND與NA隔離。這樣每個繞組都和它的屏蔽層同電位,它們之間不會有容性電流。當上管TA導通、上管繞組NA的電位跳升時,屏蔽層N3和N4的電位也要同樣跳變,由於N2和N3zhijiandefenbudianrong,zhegetiaobianjiangzaizhelianggepingbicengzhongjianchanshengdianliu,danduiguanzidequdongmeiyouyingxiang,zhishihuihaosunyidianzhugonglv。zaishijidianluzhongcaiyonglejiadiancipingbidequdongbianyaqizhihou,wentidedaolequanbujiejue。
需xu要yao特te別bie提ti出chu的de是shi,屏ping蔽bi的de作zuo用yong是shi將jiang各ge個ge繞rao組zu隔ge離li開kai,以yi避bi免mian分fen布bu電dian容rong的de不bu良liang影ying響xiang。因yin此ci屏ping蔽bi層ceng接jie到dao什shen麼me地di方fang,是shi需xu要yao慎shen重zhong考kao慮lv的de,否fou則ze可ke能neng適shi得de其qi反fan。如ru果guo圖tu3中的N3、N4不與NA相接,而是與N2一起接到功率地,則電容分布如圖4所示,C6、C7分別表示繞組NA的上下端與屏蔽層N3間,也就是功率地間的分布電容(實際上C6、C7分別是包含了圖2中C4、C1後的等效電容)。
當NA輸出正脈衝的上升沿時,TA迅速導通,M點電位跳升,於是C6、C7中要有容性電流產生。M是低阻抗點,電流iC7對它的電位影響不大,但N點卻是高阻抗點,iC6電流將瞬間降低它的電位,可能使TA管瞬間關斷。因此不能采用這種連接方式。屏蔽層N3、N4如改與NA的同名端相接,效果也不好。
對(dui)於(yu)分(fen)布(bu)電(dian)容(rong)引(yin)起(qi)的(de)截(jie)止(zhi)管(guan)誤(wu)導(dao)通(tong),可(ke)以(yi)采(cai)取(qu)設(she)置(zhi)負(fu)壓(ya)驅(qu)動(dong)和(he)屏(ping)蔽(bi)隔(ge)離(li)兩(liang)種(zhong)辦(ban)法(fa)來(lai)解(jie)決(jue)。給(gei)變(bian)壓(ya)器(qi)增(zeng)加(jia)屏(ping)蔽(bi)層(ceng)會(hui)使(shi)驅(qu)動(dong)變(bian)壓(ya)器(qi)的(de)設(she)計(ji)變(bian)得(de)複(fu)雜(za),但(dan)不(bu)用(yong)對(dui)電(dian)路(lu)進(jin)行(xing)修(xiu)改(gai),仍(reng)不(bu)失(shi)為(wei)一(yi)種(zhong)實(shi)用(yong)有(you)效(xiao)的(de)方(fang)法(fa)。
- 變壓器中的分布電容組成
- 變壓器中的幹擾屏蔽
- 降低幹擾源的強度
- 增強被驅動的MOS管的抗幹擾能力
- 阻隔幹擾的通路
實際電路都是由非理想元件組成的,在設計中可能會遇到許多預料不到的情況。在調試如圖1所示的普通全橋電源時,輸出不是料想中平穩的波形,而是不時發生間歇振蕩,並發出“吱吱”sheng,youshishenzhihuishaohuikaiguanguan。duidianlujinxingfenxihouweifaxianjiegoushangkenengdaozhibuwendingdeyinsu,yushigaibianshuchucaiyangdedianyabi,jiangshuchutiaodingzaibandianya24V上,使用90V的輸入直流電壓,在保證功率管安全的情況下進行調試。待電路工作正常後,再緩慢升高輸入直流電壓,經過多次試驗,發現當Ui為180~250V時就可能引發振蕩,最後判定是驅動變壓器各個繞組之間的分布電容在搗亂。


解決電磁幹擾一般有三種途徑,一是降低幹擾源的強度,二是增強被驅動的MOS管(guan)的(de)抗(kang)幹(gan)擾(rao)能(neng)力(li),三(san)是(shi)阻(zu)隔(ge)幹(gan)擾(rao)的(de)通(tong)路(lu)。在(zai)本(ben)例(li)中(zhong),幹(gan)擾(rao)源(yuan)就(jiu)是(shi)變(bian)壓(ya)器(qi)要(yao)傳(chuan)遞(di)的(de)脈(mai)衝(chong),這(zhe)是(shi)無(wu)法(fa)降(jiang)低(di)的(de)。給(gei)驅(qu)動(dong)加(jia)上(shang)負(fu)壓(ya),可(ke)以(yi)大(da)大(da)增(zeng)強(qiang)MOS管的抗幹擾能力,這種方法為許多電源所采用。本例采用第三種方法,即在驅動變壓器的各繞組間加繞屏蔽層,其結構如圖3所示,共5個繞組和5個屏蔽層。
整個變壓器包括屏蔽層從左向右逐層繞製,N1接到控製回路的地;兩個下管驅動繞組由於電位變化不大,同時與N2連接,實際上是接到了功率地;N3和N4將上管繞組NA包了起來,並與NA的異名端相接;N5將繞組ND與NA隔離。這樣每個繞組都和它的屏蔽層同電位,它們之間不會有容性電流。當上管TA導通、上管繞組NA的電位跳升時,屏蔽層N3和N4的電位也要同樣跳變,由於N2和N3zhijiandefenbudianrong,zhegetiaobianjiangzaizhelianggepingbicengzhongjianchanshengdianliu,danduiguanzidequdongmeiyouyingxiang,zhishihuihaosunyidianzhugonglv。zaishijidianluzhongcaiyonglejiadiancipingbidequdongbianyaqizhihou,wentidedaolequanbujiejue。

當NA輸出正脈衝的上升沿時,TA迅速導通,M點電位跳升,於是C6、C7中要有容性電流產生。M是低阻抗點,電流iC7對它的電位影響不大,但N點卻是高阻抗點,iC6電流將瞬間降低它的電位,可能使TA管瞬間關斷。因此不能采用這種連接方式。屏蔽層N3、N4如改與NA的同名端相接,效果也不好。

特別推薦
- 噪聲中提取真值!瑞盟科技推出MSA2240電流檢測芯片賦能多元高端測量場景
- 10MHz高頻運行!氮矽科技發布集成驅動GaN芯片,助力電源能效再攀新高
- 失真度僅0.002%!力芯微推出超低內阻、超低失真4PST模擬開關
- 一“芯”雙電!聖邦微電子發布雙輸出電源芯片,簡化AFE與音頻設計
- 一機適配萬端:金升陽推出1200W可編程電源,賦能高端裝備製造
技術文章更多>>
- 從機械執行到智能互動:移遠Q-Robotbox助力具身智能加速落地
- 品英Pickering將亮相2026航空電子國際論壇,展示航電與電池測試前沿方案
- 模擬芯片設計師的噩夢:晶體管差1毫伏就廢了,溫度升1度特性全飄
- 3A大電流僅需3x1.6mm?意法半導體DCP3603重新定義電源設計
- 芯科科技Tech Talks與藍牙亞洲大會聯動,線上線下賦能物聯網創新
技術白皮書下載更多>>
- 車規與基於V2X的車輛協同主動避撞技術展望
- 數字隔離助力新能源汽車安全隔離的新挑戰
- 汽車模塊拋負載的解決方案
- 車用連接器的安全創新應用
- Melexis Actuators Business Unit
- Position / Current Sensors - Triaxis Hall
熱門搜索
按鈕開關
白色家電
保護器件
保險絲管
北鬥定位
北高智
貝能科技
背板連接器
背光器件
編碼器型號
便攜產品
便攜醫療
變容二極管
變壓器
檳城電子
並網
撥動開關
玻璃釉電容
剝線機
薄膜電容
薄膜電阻
薄膜開關
捕魚器
步進電機
測力傳感器
測試測量
測試設備
拆解
場效應管
超霸科技




