電子鎮流器防電磁幹擾設計方案解析
發布時間:2012-03-13
中心議題:
- 電子鎮流器的組成
- 電子鎮流器中電磁幹擾的來源及其影響
- 電子鎮流器電磁幹擾的抑製措施
解決方案:
- 電子鎮流器防電磁幹擾設計方案
1 電子鎮流器
電子鎮流器(Electricalballast),是鎮流器的一種,是指采用電子技術驅動電光源,使之產生所需照明的電子設備。與之對應的是電感式鎮流器(或鎮流器)。xiandairiguangdengyuelaiyueduodeshiyongdianzizhenliuqi,qingbianxiaoqiao,shenzhikeyijiangdianzizhenliuqiyudengguandengjichengzaiyiqi,tongshi,dianzizhenliuqitongchangkeyijianjuqihuiqigongneng,guciyoukeshengqudandudeqihuiqi。dianzizhenliuqihaikeyijuyougengduogongneng,birukeyitongguotigaodianliupinlvhuozhedianliuboxing(如變成方波)改善或消除日光燈的閃爍現象;也可通過電源逆變過程使得日光燈可以使用直流電源。
2 電子鎮流器的組成
電子鎮流器由抗幹擾濾波器、整流濾波電路、功率因數調整器、高頻變換、諧振電路、異常狀態保護電路和熒光燈組成,各部分作用如下:
1) 抗幹擾濾波器:防止電子鎮流器產生的高頻幹擾信號進入到電網造成幅射。
2) 整流濾波電路:將220V的工頻(50Hz或60Hz)交流電變換成310V的直流電,作為電子鎮流器的電源。
3) 功率因數調整器:對本機的功率因數進行調整和補償。
4) 高頻變換電路:電子鎮流器的心髒電路,將直流電源變換成20K~50KHz左右高頻電源,去驅動熒光燈。本電路通常采用一對功率管(三極管或場效應管)組成的自激振蕩器來實現。
5) 諧振電路:用yong來lai取qu代dai普pu通tong熒ying光guang燈deng的de啟qi輝hui器qi,它ta在zai熒ying光guang燈deng起qi輝hui前qian,可ke以yi等deng效xiao為wei一yi個ge串chuan聯lian諧xie振zhen電dian路lu,其qi振zhen蕩dang頻pin率lv與yu高gao頻pin變bian換huan電dian路lu的de頻pin率lv一yi致zhi,諧xie振zhen時shi,在zai電dian容rongC上產生一個很高的電壓,確保燈管著火點亮。燈管點亮其等效電阻減小,此電阻與電容C並聯,大大地降低了諧振電路的Q值,該電路又成為了一個RL串聯電路,L變成了一個限流器。
6) 異常狀態保護電路:當熒光燈不能正常點亮時,很高的諧振電壓會使功率器件燒毀,本電路的作用是保護功率器件在異常狀態時不會燒毀。
7) 熒光燈:作用是將20K~50KHz左右高頻電能變換成光能。
3 電子鎮流器中電磁幹擾的來源及其影響
3.1 傳導幹擾的來源及其影響
dianzizhenliuqigongzuoshisuochanshengdediancizaoshengtongguoshurudianyuanxianchuandaodaodianwangzhong,yinfachuandaoganrao,duizhouweihuanjingzaochengwuranbingyingxiangxiangguandianzishebeihuoxitongdezhengchanggongzuo。dianzizhenliuqidechuandaoganraoyuanzhuyaolaiziyixiajigefangmian:
(1)元器件的固有噪聲。主要有熱噪聲、散粒噪聲、接觸噪聲等。
(2)半導體二極管在開關過程中產生的電磁噪聲。在快速開通和關斷的同時,瞬時變化的電壓和電流會形成很強的電磁噪聲。
(3)功(gong)率(lv)半(ban)導(dao)體(ti)器(qi)件(jian)在(zai)開(kai)關(guan)過(guo)程(cheng)中(zhong),會(hui)產(chan)生(sheng)很(hen)高(gao)的(de)瞬(shun)態(tai)電(dian)壓(ya)或(huo)電(dian)流(liu)並(bing)引(yin)起(qi)振(zhen)蕩(dang)。開(kai)關(guan)速(su)度(du)越(yue)快(kuai),開(kai)關(guan)電(dian)流(liu)越(yue)大(da),所(suo)引(yin)起(qi)的(de)瞬(shun)態(tai)電(dian)磁(ci)噪(zao)聲(sheng)也(ye)越(yue)大(da)。功(gong)率(lv)半(ban)導(dao)體(ti)器(qi)件(jian)在(zai)交(jiao)流(liu)電(dian)網(wang)上(shang)產(chan)生(sheng)直(zhi)接(jie)的(de)傳(chuan)導(dao)幹(gan)擾(rao),這(zhe)種(zhong)噪(zao)聲(sheng)分(fen)差(cha)模(mo)與(yu)共(gong)模(mo)。
(4)在zai采cai用yong高gao頻pin泵beng或huo雙shuang泵beng電dian路lu的de無wu源yuan功gong率lv因yin數shu校xiao正zheng結jie構gou中zhong,功gong率lv開kai關guan管guan的de高gao頻pin開kai關guan信xin號hao通tong過guo反fan饋kui元yuan件jian加jia到dao輸shu入ru端duan,經jing過guo電dian源yuan進jin線xian送song入ru電dian網wang中zhong,形xing成cheng傳chuan導dao幹gan擾rao。
3.2輻射幹擾的來源及其影響
電子鎮流器工作時,形成的磁場、電場通過輸入、輸出導線及負載或某些元器件以電磁波的形式向外輻射,與周邊電子、dianqishebeizhijianyidiancibochuanboerxingchengdesaoraochengweifusheganrao。fusheganraozhuyaoyicichangdexingshicunzai,shitongguocichangchanshengdeganrao,youdaotijiandehuganyinqide。dangdianluzhongdianliufashengtubianshi,jiaoliandaodianludecitongyesuizhifashengbianhua,jinerganyingchuganraodianya。
3.3諧波幹擾的來源及其影響
由(you)於(yu)電(dian)子(zi)鎮(zhen)流(liu)器(qi)的(de)負(fu)載(zai)屬(shu)非(fei)線(xian)性(xing)負(fu)載(zai),工(gong)作(zuo)時(shi)會(hui)產(chan)生(sheng)諧(xie)波(bo)。另(ling)外(wai),低(di)功(gong)率(lv)因(yin)數(shu)電(dian)路(lu)或(huo)功(gong)率(lv)因(yin)數(shu)校(xiao)正(zheng)電(dian)路(lu)處(chu)置(zhi)不(bu)當(dang)的(de)電(dian)子(zi)鎮(zhen)流(liu)器(qi),其(qi)輸(shu)出(chu)電(dian)流(liu)波(bo)形(xing)將(jiang)產(chan)生(sheng)嚴(yan)重(zhong)諧(xie)波(bo)畸(ji)變(bian)。諧(xie)波(bo)的(de)影(ying)響(xiang)和(he)危(wei)害(hai)主(zhu)要(yao)表(biao)現(xian)在(zai):增加電路的損耗,提高溫升,降低效率和使用壽命;增加絕緣中的介質損耗和局部放電量,加速絕緣老化;增加噪音等。
[page]
4 電子鎮流器電磁幹擾的抑製措施
4.1傳導幹擾的抑製措施
1)合理接地
chuandaoganraoshitongguodianzizhenliuqidegonggongjiedixianyijijiediwangluozhongdegonggongzukangchanshengde。yinggaihelianpaijiedi,dixianjinliangduan,erqieshurudiheshuchudifenkai,shiyongdulidixianbinglianyidiandejiedifangshi,zheyangkeyifangzhigegedizhijiandechuandaoouhe,jianshaokongzhixinhaozhijiandeganrao。waikejiedikeyishixianduidianchangdepingbi,yongpingbixueruoduineiwaidianludeganrao。lirudianyuandexiangxianjizhongxiantongguoY電容接外殼及大地,可以減小係統的傳導幹擾噪聲。
2)在直流供電電路中加去耦電路
在開關管供電電路中加RC去(qu)耦(ou)電(dian)路(lu),使(shi)開(kai)關(guan)管(guan)開(kai)通(tong)瞬(shun)間(jian)所(suo)需(xu)的(de)電(dian)流(liu)不(bu)再(zai)由(you)電(dian)源(yuan)提(ti)供(gong),而(er)由(you)去(qu)耦(ou)電(dian)容(rong)為(wei)器(qi)件(jian)提(ti)供(gong)一(yi)個(ge)電(dian)流(liu)補(bu)償(chang)源(yuan),以(yi)減(jian)少(shao)電(dian)源(yuan)及(ji)接(jie)地(di)係(xi)統(tong)中(zhong)所(suo)引(yin)起(qi)的(de)電(dian)流(liu)波(bo)動(dong)而(er)形(xing)成(cheng)的(de)噪(zao)聲(sheng)。此(ci)外(wai),在(zai)電(dian)子(zi)鎮(zhen)流(liu)器(qi)的(de)半(ban)橋(qiao)逆(ni)變(bian)電(dian)路(lu)中(zhong),半(ban)橋(qiao)中(zhong)點(dian)到(dao)地(di)之(zhi)間(jian)所(suo)接(jie)的(de)電(dian)容(rong),可(ke)以(yi)減(jian)小(xiao)△U/△t及△I/△t,有助於抑製電磁幹擾噪聲。
3)采用無源濾波器
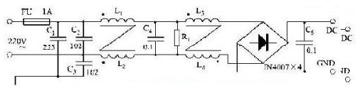
采用無源的EMI濾波器是抑製傳導幹擾最有效的辦法。即在電路中插入一個帶通濾波器,讓50 Hz交流電暢通,其餘頻率的信號受阻。但要嚴格控製濾波器LC元件的寄生參數,它們的製作工藝、安裝位置、走線方式,都會影響EMI濾波效果。加接圖1所示的濾波電路,可以控製通過傳導耦合進入電網的噪聲電平。

圖1 EMI濾波器電路
lvboqideshuchuduanyuzaoshengyuanxiangjie,ershuruduanzeyudianwangxiangjie,mudeshifangzhigezhonggaopinjishuntaizaoshengtongguochuandaofangshijinrudianwang。lvboqiyizhidiancizaoshengdexiaoguo,keyoucharusunhaolaihengliang:插入損耗越大,濾波效果越好,對傳導幹擾的抑製作用越大。
傳導幹擾主要表現為差模幹擾和共模幹擾。
(1)共模幹擾抑製

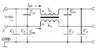
圖2 帶共模扼流圈的濾波器
共模扼流圈是共模插入損耗中起主導作用的電感元件。根據電磁感應原理,在圖2中,由於共模電流(Icm和I‘cm)方向相同,所以在磁環中所形成的磁力線是相互疊加的,即磁通相互疊加。由於磁通Ф=LI,故共模扼流圈的總電感L=(Ф1+Ф2)/Icm。若將共模扼流圈串在電路中,則相當於在電路中串入了一個低通濾波元件,起到了共模抑製作用。
(2)差模幹擾抑製
chamoeliuquanshichamocharusunhaozhongqizhudaozuoyongdedianganyuanjian。tacaiyongdangeraozujiegouraozhi,qixianshangdexinhaodianliuzaicihuanzhongyechanshengyidingliangdecitong,guhenrongyidadaobaohe。yincichamoeliuquandianganzhijiaoxiao,shuliangjiyibanzaiμH。gongmoeliuquanzaiyigecixinshangcaiyonglianggexiangtongraozudejiegou,lianggeraozudianliufangxiangxiangfan,qixinhaodianliuzaicihuanzhongchanshengdecitongxianghudixiao,gubuhuicunzaicibaohexianxiang。yinciqidianganzhikeyijiaoda,gongmocihuandeshuliangjiyibanzaimH。

圖3 帶差模扼流圈的濾波器
[page]
根據電磁感應原理,在圖3中,由於差模電流(Idm和I‘dm)的作用,在磁環中產生磁通,因而產生電感,所以在電路中串入了一個低通濾波元件,從而起到了差模抑製作用。當然,由於Icm同(tong)樣(yang)會(hui)產(chan)生(sheng)磁(ci)通(tong),進(jin)而(er)產(chan)生(sheng)電(dian)感(gan),所(suo)以(yi)差(cha)模(mo)扼(e)流(liu)圈(quan)對(dui)共(gong)模(mo)幹(gan)擾(rao)同(tong)樣(yang)有(you)抑(yi)製(zhi),但(dan)抑(yi)製(zhi)共(gong)模(mo)幹(gan)擾(rao)需(xu)要(yao)產(chan)生(sheng)較(jiao)大(da)的(de)電(dian)感(gan),而(er)差(cha)模(mo)扼(e)流(liu)圈(quan)產(chan)生(sheng)的(de)電(dian)感(gan)量(liang)較(jiao)小(xiao),所(suo)以(yi)對(dui)共(gong)模(mo)幹(gan)擾(rao)的(de)抑(yi)製(zhi)作(zuo)用(yong)較(jiao)小(xiao)。
同樣,根據電磁感應原理,由於差模電流(Idm和I‘dm)方fang向xiang相xiang反fan,所suo以yi在zai磁ci環huan中zhong所suo形xing成cheng的de磁ci力li線xian是shi相xiang互hu抵di消xiao的de,即ji磁ci通tong相xiang互hu抵di消xiao,因yin此ci共gong模mo扼e流liu圈quan對dui差cha模mo電dian流liu五wu抑yi製zhi作zuo用yong。在zai實shi際ji生sheng產chan中zhong,由you於yu兩liang條tiao線xian(1和2)不可能做到完全平衡(引線長度和漏感的不完全對稱),所以存在不平衡電感Le,Le的值一般小於L/100。因此,共模扼流圈對差模幹擾也起作用,但作用很小。
上述無源EMI濾波器是互易的,它既能抑製電子鎮流器的電磁幹擾送入電網,又能抑製電網內的電磁幹擾進入電子鎮流器中。
帶共模電感的EMI濾(lv)波(bo)器(qi)的(de)元(yuan)件(jian)參(can)數(shu),不(bu)能(neng)按(an)沒(mei)有(you)互(hu)感(gan)的(de)濾(lv)波(bo)器(qi)所(suo)得(de)到(dao)的(de)公(gong)式(shi)進(jin)行(xing)計(ji)算(suan)。通(tong)常(chang)要(yao)先(xian)決(jue)定(ding)所(suo)采(cai)用(yong)的(de)電(dian)路(lu)結(jie)構(gou),然(ran)後(hou)利(li)用(yong)共(gong)模(mo)等(deng)效(xiao)電(dian)路(lu),用(yong)網(wang)絡(luo)分(fen)析(xi)理(li)論(lun),求(qiu)出(chu)它(ta)的(de)共(gong)模(mo)插(cha)入(ru)損(sun)耗(hao)。
4.2輻射幹擾的抑製措施
1)屏蔽
電(dian)子(zi)鎮(zhen)流(liu)器(qi)雖(sui)然(ran)自(zi)身(shen)產(chan)生(sheng)輻(fu)射(she)幹(gan)擾(rao),並(bing)且(qie)輸(shu)出(chu)導(dao)線(xian)和(he)燈(deng)管(guan)也(ye)產(chan)生(sheng)輻(fu)射(she)電(dian)磁(ci)幹(gan)擾(rao),但(dan)可(ke)以(yi)通(tong)過(guo)將(jiang)電(dian)子(zi)鎮(zhen)流(liu)器(qi)裝(zhuang)進(jin)帶(dai)有(you)接(jie)地(di)點(dian)的(de)金(jin)屬(shu)屏(ping)蔽(bi)外(wai)殼(ke),連(lian)同(tong)燈(deng)具(ju)金(jin)屬(shu)殼(ke)體(ti)可(ke)靠(kao)接(jie)地(di)的(de)方(fang)法(fa)解(jie)決(jue)。屏(ping)蔽(bi)是(shi)減(jian)少(shao)輻(fu)射(she)幹(gan)擾(rao)最(zui)有(you)效(xiao)的(de)辦(ban)法(fa)。
2)隔離
電子鎮流器內部電路產生的輻射幹擾,在電路周圍以電 磁ci場chang的de形xing式shi,通tong過guo電dian磁ci耦ou合he對dui其qi它ta線xian路lu形xing成cheng幹gan擾rao。防fang止zhi這zhe種zhong幹gan擾rao最zui簡jian單dan有you效xiao的de方fang法fa是shi將jiang電dian子zi鎮zhen流liu器qi與yu其qi它ta線xian路lu隔ge離li開kai來lai,切qie斷duan或huo削xue弱ruo它ta們men之zhi間jian的de電dian磁ci耦ou合he。隔ge離li的de原yuan則ze和he方fang法fa是shi:
(1)幹擾線路和其它線路盡可能不要平行排列;
(2)敏感線路與一般線路如平行排列,其間距應大於50 mm;
(3)電源饋線與信號線應予隔離。
4.3 諧波幹擾的抑製措施
抑製電流諧波含量與降低燈電流波峰係數往往是相互矛盾的,這兩個參數之間的矛盾可以采用有源功率因數校正技術解決。但是,采用PFC的電子鎮流器,當插入EMI濾波器網絡後,可能會對輸入電流諧波總量(THD)、輸入功率因數(PF)和燈電流波峰比(CF)等技術指標有一定影響。
- 噪聲中提取真值!瑞盟科技推出MSA2240電流檢測芯片賦能多元高端測量場景
- 10MHz高頻運行!氮矽科技發布集成驅動GaN芯片,助力電源能效再攀新高
- 失真度僅0.002%!力芯微推出超低內阻、超低失真4PST模擬開關
- 一“芯”雙電!聖邦微電子發布雙輸出電源芯片,簡化AFE與音頻設計
- 一機適配萬端:金升陽推出1200W可編程電源,賦能高端裝備製造
- 一秒檢測,成本降至萬分之一,光引科技把幾十萬的台式光譜儀“搬”到了手腕上
- AI服務器電源機櫃Power Rack HVDC MW級測試方案
- 突破工藝邊界,奎芯科技LPDDR5X IP矽驗證通過,速率達9600Mbps
- 通過直接、準確、自動測量超低範圍的氯殘留來推動反滲透膜保護
- 從技術研發到規模量產:恩智浦第三代成像雷達平台,賦能下一代自動駕駛!
- 車規與基於V2X的車輛協同主動避撞技術展望
- 數字隔離助力新能源汽車安全隔離的新挑戰
- 汽車模塊拋負載的解決方案
- 車用連接器的安全創新應用
- Melexis Actuators Business Unit
- Position / Current Sensors - Triaxis Hall





