(多圖) 汽車電子MCU的抗EMI設計與測試方案
發布時間:2016-06-08 責任編輯:wenwei
【導讀】集(ji)成(cheng)電(dian)路(lu)電(dian)磁(ci)兼(jian)容(rong)不(bu)僅(jin)涉(she)及(ji)集(ji)成(cheng)電(dian)路(lu)電(dian)磁(ci)幹(gan)擾(rao)與(yu)抗(kang)擾(rao)度(du)的(de)設(she)計(ji)和(he)測(ce)試(shi)方(fang)法(fa),而(er)且(qie)有(you)必(bi)要(yao)與(yu)集(ji)成(cheng)電(dian)路(lu)的(de)應(ying)用(yong)相(xiang)結(jie)合(he)。針(zhen)對(dui)汽(qi)車(che)電(dian)子(zi)領(ling)域(yu)來(lai)講(jiang),將(jiang)對(dui)整(zheng)車(che)級(ji)、零ling部bu件jian級ji的de電dian磁ci兼jian容rong要yao求qiu強qiang製zhi性xing標biao準zhun,結jie合he到dao集ji成cheng電dian路lu的de設she計ji中zhong,才cai能neng使shi電dian路lu更geng易yi於yu設she計ji出chu符fu合he標biao準zhun的de最zui終zhong產chan品pin。作zuo為wei電dian子zi控kong製zhi係xi統tong裏li麵mian最zui為wei關guan鍵jian的de單dan元yuan——微控製器(MCU),其EMC性能的好壞直接影響各個模塊與係統的控製功能。
1 引言
suizhejichengdianlujichengdudetigao,yuelaiyueduodeyuanjianjichengdaoxinpianshang,dianlugongnengbiandefuza,gongzuodianyayezaijiangdi。dangyigehuoduogedianlulichanshengdexinhaohuozaoshengyutongyigexinpianneilingyigedianludeyunxingbiciganraoshi,jiuchanshenglexinpianneideEMC問題,最為常見的就是SSN(Simultaneous Switch Noise,同時開關噪聲)和Crosstalk(串音),它(ta)們(men)都(dou)會(hui)給(gei)芯(xin)片(pian)正(zheng)常(chang)工(gong)作(zuo)帶(dai)來(lai)影(ying)響(xiang)。由(you)於(yu)集(ji)成(cheng)電(dian)路(lu)通(tong)過(guo)高(gao)速(su)脈(mai)衝(chong)數(shu)字(zi)信(xin)號(hao)進(jin)行(xing)工(gong)作(zuo),工(gong)作(zuo)頻(pin)率(lv)越(yue)高(gao)產(chan)生(sheng)的(de)電(dian)磁(ci)幹(gan)擾(rao)頻(pin)譜(pu)越(yue)寬(kuan),越(yue)容(rong)易(yi)引(yin)起(qi)對(dui)外(wai)輻(fu)射(she)的(de)電(dian)磁(ci)兼(jian)容(rong)方(fang)麵(mian)問(wen)題(ti)。基(ji)於(yu)以(yi)上(shang)情(qing)況(kuang),集(ji)成(cheng)電(dian)路(lu)本(ben)身(shen)的(de)電(dian)磁(ci)幹(gan)擾(rao)(EMI)與抗擾度(EMS)問題已成為集成電路設計與製造關注的課題。
本文在汽車電子MCU 中采用抗EMI的設計方法,依據IEC61967傳導測試標準,對汽車電子MCU進行電磁幹擾的測試。
2 汽車電子MCU設計方法
下麵介紹在汽車電子MCU中使用的可行性設計方法以及其他幾種抗EMI設計技術。
2.1 時鍾電路設計
youyushizhongdianluchanshengdeshizhongxinhaoyibandoushizhouqixinhao,qipinpushilisande,lisanpudenengliangjizhongzaiyouxiandepinlvshang。youyouyuxitongzhonggegebufendeshizhongxinhaotongchangyoutongyishizhongfenpin、倍頻得到,它們的譜線之間也是倍頻關係,重疊起來進而增大輻射的幅值,因此說時鍾電路是一個非常大的汙染源。
針對汽車電子MCU 數字前端設計,在抗EMI方麵采用門控時鍾的方法改進。任何時鍾在不需要時都應關閉,減低工作時鍾引起的電磁發射問題。根據A8128(汽車電子MCU的型號)芯片係統功能設計要求,采用Run、Idle、Stop和Debug四種工作模式,在每一種工作模式下針對係統時鍾、外設模塊時鍾進行適當門控。此外,還有幾種在時鍾方麵常見的抗EMI的設計方法,包括:
①降低工作頻率
MCU的工作時鍾應該設定為滿足性能要求所需的最低頻率。從下麵的測試結果可以看出,一個MCU的運行頻率由80MHz變為10MHz,可以使頻譜寬頻範圍內的幹擾峰值產生幾十dBμV 的衰減,而且能夠有效的降低功耗。
②異步設計
異(yi)步(bu)電(dian)路(lu)工(gong)作(zuo)沒(mei)有(you)鎖(suo)定(ding)一(yi)個(ge)固(gu)有(you)頻(pin)率(lv),電(dian)磁(ci)輻(fu)射(she)大(da)範(fan)圍(wei)均(jun)勻(yun)分(fen)布(bu)而(er)不(bu)會(hui)集(ji)中(zhong)在(zai)特(te)定(ding)的(de)窄(zhai)帶(dai)頻(pin)譜(pu)中(zhong)。這(zhe)一(yi)關(guan)鍵(jian)本(ben)質(zhi)特(te)征(zheng)決(jue)定(ding)了(le)即(ji)使(shi)異(yi)步(bu)電(dian)路(lu)使(shi)用(yong)大(da)量(liang)的(de)有(you)源(yuan)門(men)電(dian)路(lu),它(ta)所(suo)產(chan)生(sheng)的(de)電(dian)磁(ci)發(fa)射(she)也(ye)要(yao)比(bi)同(tong)步(bu)電(dian)路(lu)小(xiao)。
③擴展頻譜
擴展頻譜時鍾是一項能夠減小輻射測量值的技術,這種技術對時鍾頻率進行1%~2%的調製,擴散諧波分量,在CISPR16或FCC發(fa)射(she)測(ce)試(shi)中(zhong)峰(feng)值(zhi)較(jiao)低(di),但(dan)這(zhe)並(bing)非(fei)真(zhen)正(zheng)減(jian)小(xiao)瞬(shun)時(shi)發(fa)射(she)功(gong)率(lv)。因(yin)此(ci),對(dui)一(yi)些(xie)快(kuai)速(su)反(fan)應(ying)設(she)備(bei)仍(reng)可(ke)能(neng)產(chan)生(sheng)同(tong)樣(yang)的(de)幹(gan)擾(rao)。擴(kuo)展(zhan)頻(pin)譜(pu)時(shi)鍾(zhong)不(bu)能(neng)應(ying)用(yong)於(yu)要(yao)求(qiu)嚴(yan)格(ge)的(de)時(shi)間(jian)通(tong)信(xin)網(wang)絡(luo)中(zhong),比(bi)如(ru)FDD、以太網、光纖等。
2.2 IO端口設計
在汽車電子MCU 的輸入輸出端口設計中,也加入了抗EMI方案,包括翻轉速率(slew rate control)和驅動強度(drive strength)控製方法。通過在所有通用Pkouyinrukepeizhidefanzhuansulvhequdongqiangdujicunqi,zaixuyaodeshihoudakaixiangyinggongneng。fanzhuansulvyoudakaiheguanbiliangzhongxuanze,dakaihounenggouyouxiaodipinghuanshangshengyanhuozhexiajiangyan,jiangdishuntaidianliu,jinerkongzhixinpianchanshengdedianciganraoqiangdu。qudongqiangduyouqiangqudongdianliuheruoqudongdianliuliangzhongxuanze,zainenggoumanzugongzuoqudongqiangdudeqingkuangxia,xuanzeruodianliuqudonghuigenghaodekongzhidianciganraoxianxiang。
另外,基於GSMC 180nm工藝庫,選擇具有施密特觸發特性的IO,可以有效地平緩輸入信號中帶進來的尖峰或者噪聲信號等,對芯片的電磁抗擾度有所幫助。
3 汽車電子MCU測試方案
IEC61967標準是國際電工委員會製定的有關集成電路電磁發射的標準,用於頻率為150kHz到1GHzdejichengdianludiancifasheceshi。biaozhunzhongshejidaofushehechuandaoliangleiceshifangfa,youyuchuandaofangshidedianciganraodaigeixinpianyingyongshangdeyingxianggengdayixie,bencishiyanxuanquIEC61967-4直接耦合法進行測試。該方法又分為1Ω測試法和150Ω測試法,1Ω測試法用來測試接地引腳上的總幹擾電流,150Ω測試法用來測試輸出端口的幹擾電壓。
在測試時,需要在進行測試的電路中接入串聯電阻為1Ω的電流探針(探針即為1Ω測試網絡,已經集成在EMC測試板的芯片地端與PCB地平麵之間),49Ω串聯放置為了形成50Ωpipei,yongjieshoujiceliangshepindianliuliujinggaidianzushichanshengdeshepindianya,suocedededianyayingweisuoyouliuhuidaojichengdianludeshepindianliuzaidianliutantoushangchanshengdianyadezonghe,cedededianyazhikeyihuansuanweiliuguotanzhendedianliu,ceshihuanjingturutu1所示。

圖1 1Ω測試環境
在150Ω測試中,集成電路的引腳通過標準規定的匹配網絡接到測試接收機,通過150Ω探針(探針即為150Ω測試網絡,已經集成在EMC測試板上)可以測量SSN在輸入輸出端口和電源兩類引腳上的傳導幹擾,通過計算可以將接收機測量的電壓轉換為噪聲電壓幅值,測試環境圖如圖2所示。

圖2 150Ω測試環境
下麵是針對EMI進行的1Ω和150Ω測試步驟,包括測試前準備工作以及測試數據分析等。
3.1 測試前裝備工作
①環境溫度
本次實驗集中在晚間進行,現場溫度控製在23±2℃範圍內,符合標準要求。
②環境噪聲電平
將DUT(被測設備)固定在實驗台上且為斷電狀態,用EMI接收機測量殘留噪聲。本次實驗環境噪聲電平在可接受的測試要求內,詳情請參看圖6。
③其他環境條件
所有其他可能影響測試結果的環境條件,例如環境濕度。本次實驗所測得的相對濕度為45%RH左右。
④確認工作狀態
給DUT供電並檢查確認IC處於正常的工作狀態,同時在實驗時保持周圍的測試條件不變。
3.2 1Ω測試
(1)將SMA連接線一端連接到測試板,另一端連接到接收機(安捷倫N9030,內置N141A電磁兼容測試軟件),將EMI接收機的測量頻率範圍設置為150kHz到1GHz,根據標準對測試操作的要求,分成150kHz~30MHz(RBW 為9kHz)和30MHz~1GHz(RBW 為120kHz)兩段。下麵測試圖中綠色邊框範圍內的是150kHz~30MHz,範圍外的是30MHz~1GHz。
結合汽車電子MCU 端口特性以及標準要求,將接地端口與1Ω網絡相連,再與SMA口相接,引入EMI接收機進行監控,原理圖如圖3、圖4所示。

圖3 芯片的地網絡引腳

圖4 1Ω網絡
(2)選取可能影響EMC特性的因素,在時鍾上分別測試10MHz、20MHz以及77MHz頻率下電磁幹擾大小數值,在測試功能上選取模數轉換程序ADC;
(3)測量每一段頻譜內可能出現的幹擾,提取各個諧波的包絡值,接收機的電壓可以換算為流過探針的電流。測試儀器以及EMC測試板如圖5所示;

圖5 實際測試環境
(4)在對每個頻率點測試的時候要進行多次測量,以便排除偶然因素的幹擾。下麵是各個測試情況的說明;
①時鍾采用外部晶振10MHz,燒錄SRAM 中的程序為ADC。圖6左側為未上電時的環境噪聲信號,右側為上電但未運行程序的測量結果。

圖6 斷電vs.上電
通(tong)過(guo)對(dui)比(bi)可(ke)以(yi)得(de)出(chu)上(shang)電(dian)之(zhi)後(hou)在(zai)整(zheng)個(ge)頻(pin)譜(pu)範(fan)圍(wei)內(nei)幹(gan)擾(rao)強(qiang)度(du)變(bian)大(da),時(shi)鍾(zhong)的(de)固(gu)定(ding)周(zhou)期(qi)將(jiang)使(shi)電(dian)磁(ci)輻(fu)射(she)集(ji)中(zhong)在(zai)時(shi)鍾(zhong)基(ji)波(bo)和(he)諧(xie)波(bo)附(fu)近(jin)很(hen)窄(zhai)的(de)頻(pin)譜(pu)範(fan)圍(wei)內(nei)。根(gen)據(ju)傅(fu)裏(li)葉(ye)級(ji)數(shu)展(zhan)開(kai)公(gong)式(shi)可(ke)以(yi)得(de)出(chu),在(zai)時(shi)鍾(zhong)倍(bei)頻(pin)處(chu)的(de)頻(pin)點(dian)其(qi)幹(gan)擾(rao)值(zhi)也(ye)越(yue)大(da),所(suo)以(yi)在(zai)10MHz、20MHz等倍頻點處的現象更明顯,
②為了進一步對比,運行ADC程序,分別在10MHz、20MHz以及77MHz時鍾下進行測試,比較不同時鍾接地引腳總幹擾電流大小,測試結果如圖7、圖8、圖9所示。

圖7 10MHz—ADC測試圖

圖8 20MHz—ADC測試圖

圖9 77MHz—ADC測試圖

圖10 10/20/77MHz—ADC測試數據整理
圖7、圖8、圖9分別是10MHz、20MHz和77MHz的測試圖,圖10是整理後的數據。通過對比可以得出,頻譜大致集中在100MHz以內,在對應工作時鍾的主頻點處幹擾值最大,10MHz、20MHz情況下在相應倍頻點(如40MHz、60MHz等頻點)附近的幹擾值也比較集中。
提取數據得到10 MHz時峰值點為9.999MHz(62.643dBμV),20 MHz 時的峰值點為20.002MHz(61.692dBμV),77MHz時的峰值點為19.264MHz(48.049dBμV)以及77.042MHz(47.316dBμV)。可以看出,77MHz時幹擾強度和密度反而要弱於20MHz,可能是由於77MHz是MCU工作的極限時鍾,此時工作性能受到一定影響,導致測試的結果有所不同。
③由於汽車電子MCU的工作時鍾可以選擇外部晶振或者內部PLL倍頻,所以要對兩種情況分別測試,以便比較是否有差別。運行ADC程序後的測試結果如圖11所示。

圖11 PLL vs.外部晶振(10MHz)
從圖11中可以看出,在頻譜範圍內各個峰值點的分布大致相同,整個頻譜範圍內沒有明顯差異,MCU通過外部晶振或PLL倍頻兩種方式測得的結果基本一致,時鍾源選擇上不會對芯片的電磁幹擾強度帶來影響。
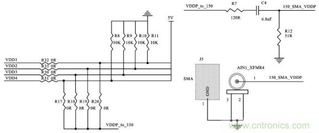
3.3 150Ω測試
(1)設備裝置連接同1Ω測試法的步驟①;
(2)根據芯片電源類型,電源分為4路,分別是VDD1(數字IO 供電的5V 電源信號)、VDD2(為ADC和PLL供電的LDO 的5V 電壓)、VDD3(數字邏輯LDO的5V電壓輸入)和VDD4(Flash的5V電壓輸入)。可單獨對每一路電源的幹擾噪聲進行捕捉,連接方式與1Ω 測試法步驟②相同,如圖12所示;

圖12 VDD連接150Ω網絡145
(3)根據汽車電子MCU應用特點,選取最為典型的PWM、CAN 程序,為了方便以後對眾多引腳進行單獨測量,將P0、P1、P2(P3未涉及到外設功能複用)端口共24個引腳進行了開關控製,再通過150Ω耦合網絡連接到EMI接收機,圖13是P0端口的電路原理圖,P1和P2的原理圖同P0。

圖13 IO-P0連接150Ω網絡
(4)重複測試多次,得到較多測試樣本,經過整理,下麵是各個測試情況的說明。
①從電源端口結果來看,區別很小,下麵以VDD1為例進行分析說明。VDD1測試選取了ADC和counter(數字計數器)的程序,以比較不同類別的程序對數字供電是否有影響,測試結果如圖14、圖15所示。

在10MHz和20MHz時鍾上對比,ADC最高峰值分別為35.827dBμV、43.517dBμV;counter的最高峰值為35.899dBμV、43.271dBμV。可以得出頻率越高,幹擾強度越大。但就兩類程序橫向對比來看,結果基本上一致。另外還發現60~300MHz和550~650MHz兩處集中的幹擾頻譜,可見電源處的幹擾在高頻附近比較明顯。
②PWM 功能測試
雙通道模式下,在不同占空比和周期大小情況下,測試對應P口引腳處傳導發射強度的大小,測試結果如圖16、圖17所示。
從圖16中的幹擾密度可看出時鍾對電磁幹擾影響程度。在圖17中,由於period和duty較長,測試結果相差不大,此時時鍾頻率變成次要因素,主要因素取決於輸出引腳處高低電平變化周期長短。

③CAN功能測試
運行Loopback(回路模式)程序,在不同時鍾頻率下進行比較,測試結果如圖18、圖19所示。

從圖16~19中觀察,隨著時鍾頻率變大,TX和RX端口的傳導輻射強度也變大。對於RX端口,10/40MHz頻點附近的幹擾密度比較大,且在40MHz時候現象更明顯,捕捉到連續三個頻點(圖18右側標注),分別是39.060 MHz(71.063dBμV)、39.360MHz(67.447dBμV)、40.020MHz(39.171dBμV),兩個時鍾下的峰值都在70~85dBμV 之間,但一般都在10MHz以下,應該是受低頻某一頻點的影響較明顯。
對於TX端口,10/40MHz頻點附近的幹擾密度沒有RX明顯,峰值也都在70~85dBμV 之間,且發生在10MHz以下,和RX的特點大致相同。
4 測試結果分析
從測試數據結果可以總結出以下幾點:
①在時鍾頻率上,從10 MHz到40 MHz、77MHz,幹gan擾rao強qiang度du或huo是shi密mi度du在zai整zheng體ti上shang都dou會hui增zeng加jia,可ke以yi是shi一yi小xiao段duan頻pin譜pu或huo者zhe是shi整zheng個ge頻pin譜pu範fan圍wei內nei,這zhe與yu測ce試shi對dui象xiang關guan係xi比bi較jiao大da。分fen析xi原yuan因yin不bu難nan發fa現xian,由you於yu時shi鍾zhong電dian路lu產chan生sheng的de時shi鍾zhong信xin號hao一yi般ban都dou是shi周zhou期qi信xin號hao,其qi頻pin譜pu是shi離li散san的de,離li散san譜pu的de能neng量liang集ji中zhong在zai有you限xian的de頻pin率lv上shang,又you由you於yu係xi統tong中zhong各ge個ge部bu分fen的de時shi鍾zhong信xin號hao通tong常chang由you同tong一yi時shi鍾zhong分fen頻pin、倍頻得到,它們的譜線之間也是倍頻關係,會重疊起來進而增大輻射的幅值。
②在程序燒寫方式上,外部晶振或PLL倍頻兩種方式測得的結果基本一致,整個頻譜範圍內沒有明顯差異,時鍾源選擇上不會對芯片的電磁幹擾強度帶來影響。
③從VDD1測試結果來看,除了得出頻率越高,幹擾強度越大之外,還發現出現幹擾的頻譜範圍分別在60~300MHz和550~650MHz兩處,可見電源處的幹擾在高頻附近比較明顯。
④對於PWM 功能,通過配置輸出波形周期和占空比大小,會導致在不同時鍾下產生的電磁幹擾強度有所差異。由於雙通道模式下寄存器為16bit(原單通道模式為8bit),此時周期和占空比可配置的數值變大,PWM 波bo輸shu出chu引yin腳jiao處chu的de高gao低di電dian平ping翻fan轉zhuan周zhou期qi就jiu取qu決jue於yu周zhou期qi和he占zhan空kong比bi的de設she置zhi,與yu時shi鍾zhong的de關guan係xi變bian得de沒mei有you之zhi前qian如ru此ci緊jin密mi,時shi鍾zhong變bian成cheng了le次ci要yao因yin素su。由you此ci建jian議yi在zai滿man足zu功gong能neng要yao求qiu的de前qian提ti下xia,使shi用yongPWM 功能時盡量將周期和占空比數值變得大一些,這樣會較好地改進EMC性能;
⑤對於CAN 總線來講,通過10 MHz和40MHz時鍾對比,當合理地降低時鍾工作頻率,會使一大段頻譜範圍內的幹擾值降低,從整體上較好的控製EMI帶來的影響。
5 結束語
duiyuweidianzixingyelaishuo,xinpianjidiancijianrongxingdeshejiyuceshiyijingchengweiyigefeichangzhongyaodezhuti。shijishang,ruguobuduijichengdianludiancifushejikangraodufangmianjinxingshenrudeyanjiu,jiuhennanmanzudianzishebeidiancijianrongxingfangmiandexuyao。benwentongguoduishejifangfadeyinru,bingjinyibutongguoceshifanganquzongjieguinayingxiangdiancifashedeyinsuheyuanyin,congerjianjiezhengmingleshejifangfadebiyaoxinghezhongyaoxing。
【推薦閱讀】
利用磁珠和電感幫你輕鬆化解EMI和EMC問題
出色模擬工程師必備係列(一):電磁幹擾(EMI)
出現EMI問題怎麼辦?四大實用性技巧幫你正確排查
汽車Soc係統電磁兼容設計與EMC標準
如何解決LED電源設計中的EMC/EMI難題
特別推薦
- 噪聲中提取真值!瑞盟科技推出MSA2240電流檢測芯片賦能多元高端測量場景
- 10MHz高頻運行!氮矽科技發布集成驅動GaN芯片,助力電源能效再攀新高
- 失真度僅0.002%!力芯微推出超低內阻、超低失真4PST模擬開關
- 一“芯”雙電!聖邦微電子發布雙輸出電源芯片,簡化AFE與音頻設計
- 一機適配萬端:金升陽推出1200W可編程電源,賦能高端裝備製造
技術文章更多>>
- 從機械執行到智能互動:移遠Q-Robotbox助力具身智能加速落地
- 品英Pickering將亮相2026航空電子國際論壇,展示航電與電池測試前沿方案
- 模擬芯片設計師的噩夢:晶體管差1毫伏就廢了,溫度升1度特性全飄
- 3A大電流僅需3x1.6mm?意法半導體DCP3603重新定義電源設計
- 芯科科技Tech Talks與藍牙亞洲大會聯動,線上線下賦能物聯網創新
技術白皮書下載更多>>
- 車規與基於V2X的車輛協同主動避撞技術展望
- 數字隔離助力新能源汽車安全隔離的新挑戰
- 汽車模塊拋負載的解決方案
- 車用連接器的安全創新應用
- Melexis Actuators Business Unit
- Position / Current Sensors - Triaxis Hall
熱門搜索



