三個實用方案讓RS-485接口遠離EMI風險
發布時間:2019-05-05 責任編輯:xueqi
【導讀】RS-485接口往往需要工作在惡劣的電磁環境下,還要求實現長距離數據傳輸(可以達到1200米)、高速(可以達到幾十Mbps)。那麼在設計方麵需要注意一些什麼呢?本文主要介紹RS-485的工作模式,以及RS-485可能麵對的EMI電磁幹擾以及對應的解決方案。
詳解RS-485工作原理
以差分傳輸來應對共模幹擾
當RS-485芯片接受到差分電壓大於200mV時,RO腳輸出低電平,而本身DI可以輸出1.5V的差分電壓。因此有足夠的餘量來支持長距離傳輸以及各種環境噪聲的幹擾。

圖1:RS-485芯片工作原理
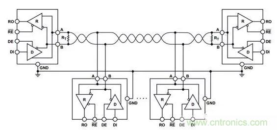
為了消除在通信電纜中的信號反射,一般使用雙絞線來避免幹擾。對於比較長的連接,一般的做法是在RS-485總線的開始和末端都並接終端電阻,因為大多數雙絞線電纜特性阻抗大約在120Ω左右。
RS-485的工作模式
以ADI的ADM3061EARZ為例,半工RS-485連接支持多個接收器和發射器在同一個信號回路上,但是要保證每次隻有一個發射器工作。這個可以通過控製RE(收器使能)、DE(發射器使能引腳)來實現。半工RS-485可以雙向數據傳輸,但是每一個時間節點上隻能一個方向傳輸信號。

圖2:RS-485收發器的工作模式
了解更多RS485收發器信息,請點擊Digi-Key RS485收發器。
RS-485如何連接
為了避免信號反射,在多個RS-485連接時,支路長度(StubLength)越短越好。同時要避免其他類型的連接,比如星型連接。
注:理論上支路長度應該小於1/4波長(傳輸頻率對應的波長),實際應用上越小越好。

圖3:RS-485的正確連接
最大可以接多少個節點由RS-485接收器的輸入阻抗來決定,標準RS-485接收器輸入阻抗大於12K歐姆,最多可以驅動32個負載。輸入電阻越大,驅動的負載越多。比如ADM3061EARZ輸入阻抗48K歐姆,最多可以驅動128個負載。

圖4:RS-485接收器的輸入阻抗和負載數量
RS-485麵臨的EMC電磁幹擾風險
對於RS-485的EMC電磁幹擾需要考慮下麵三種情況的靜電防護:
“靜電”防護ESD:
幹擾成因:靜電引起的幹擾
幹擾路徑:手指觸碰
對應標準:IEC 61000-4-2
典型幹擾波形:接觸放電±8 kV ,ESD脈衝4mJ ,ESD波形(接觸放電8kV)

圖5:靜電幹擾典型幹擾波形
“電快速瞬變脈衝群” 防護EFT
幹擾成因:快速開關引起的幹擾,比如:切斷感性負載、繼電器觸點彈跳等
幹擾路徑:高頻噪聲通過各種路徑耦合到通信端口
對應標準:IEC 61000-4-4
典型幹擾波形:端口電壓2kV,單個EFT脈衝能量4mJ ,EFT 50Ω負載波形2kV

圖6:電快速瞬變脈衝群典型幹擾波形
“浪湧”防護Surge
幹擾成因:開關或雷電瞬變引起的幹擾
幹擾路徑:各種路徑耦合到通信端口
對應標準:IEC 61000-4-5
典型幹擾波形:浪湧脈衝能量可以達到90J,浪湧1.2/50µs波形

圖7:浪湧電壓典型幹擾波形
RS485的EMC電磁幹擾解決方案
TVS管保護
如何連接:TVS管連接需要保護的線路與地,提供過壓保護。
如何工作:當產生大於TVS的擊穿電壓的瞬態電壓時,TVS電阻變小,能量從TVS管流到地(<1 ns)。在瞬態事件後,TVS管自動複位至低阻抗狀態,允許係統恢複正常工作

圖8:TVS保護電路
TVS管非對稱擊穿電壓:RS485芯片需要保障在+12V至–7V的收發器共模範圍。因此對於TVS管的要求也是非對稱擊穿電壓。比如CDSOT23-SM712獨有特性是具有+13.3V和–7.5V的非對稱擊穿電壓。
如果需要了解更多非對稱TVS管信息,請點擊Digi-Key 非對稱TVS管選擇, 可以根據參數選型,選擇「12V(最大), 7V(最小)」項,查找針對RS485設計的TVS管。

圖9:選擇針對RS485設計的TVS
TVS管對於EFT和ESD有著比較好保護。而浪湧的能量平均高出ESD和EFT三到四個數量級, 但是TVS管可能不一定能很好的瓦解浪湧的能量,這時則需要更複雜的保護方案。
瞬態閉鎖單元(TBU)
如何連接:TBU串聯在需要保護的線路中,提供過流保護,與TVS管配合使用。
如何工作:當發生過流,TVS由於瞬態電壓工作在擊穿狀態,TBU阻值變大,電流將升至預設的限流水平。此時,TBU會在不足1µs時間內將受保護電路與浪湧斷開,隻有極小的電流通過受保護電路 (<1mA)。在瞬態事件後,TBU自動複位至低阻抗狀態,允許係統恢複正常工作。典型的TBU,比如Bourns 的TBU-CA065-200-WH。

圖10:TBU保護電路
浪湧抑製專用芯片
一個器件提供的保護往往有限,所以對於高要求的應用,往往需要多種器件聯合使用。
你可以訪問Digi-Key浪湧抑製IC,選擇相關的器件。Digi-Key網站提供豐富的參數選項供選擇,下圖中「外部開關」指的是器件外部需要另加開關(比如MOS管),而該芯片一般是起到控製作用。而「內部開關」指的是保護電路的開關在芯片的內部。

圖11:浪湧抑製專用芯片選型參數
本文小結
盡管已使用多年,RS-485憑借良好的共模噪聲的抗幹擾的能力,適於長距離信號傳輸,仍廣泛應用於工業環境。
來源:得捷電子 作者:Alan Yang
特別推薦
- 噪聲中提取真值!瑞盟科技推出MSA2240電流檢測芯片賦能多元高端測量場景
- 10MHz高頻運行!氮矽科技發布集成驅動GaN芯片,助力電源能效再攀新高
- 失真度僅0.002%!力芯微推出超低內阻、超低失真4PST模擬開關
- 一“芯”雙電!聖邦微電子發布雙輸出電源芯片,簡化AFE與音頻設計
- 一機適配萬端:金升陽推出1200W可編程電源,賦能高端裝備製造
技術文章更多>>
- 一秒檢測,成本降至萬分之一,光引科技把幾十萬的台式光譜儀“搬”到了手腕上
- AI服務器電源機櫃Power Rack HVDC MW級測試方案
- 突破工藝邊界,奎芯科技LPDDR5X IP矽驗證通過,速率達9600Mbps
- 通過直接、準確、自動測量超低範圍的氯殘留來推動反滲透膜保護
- 從技術研發到規模量產:恩智浦第三代成像雷達平台,賦能下一代自動駕駛!
技術白皮書下載更多>>
- 車規與基於V2X的車輛協同主動避撞技術展望
- 數字隔離助力新能源汽車安全隔離的新挑戰
- 汽車模塊拋負載的解決方案
- 車用連接器的安全創新應用
- Melexis Actuators Business Unit
- Position / Current Sensors - Triaxis Hall
熱門搜索
微波功率管
微波開關
微波連接器
微波器件
微波三極管
微波振蕩器
微電機
微調電容
微動開關
微蜂窩
位置傳感器
溫度保險絲
溫度傳感器
溫控開關
溫控可控矽
聞泰
穩壓電源
穩壓二極管
穩壓管
無焊端子
無線充電
無線監控
無源濾波器
五金工具
物聯網
顯示模塊
顯微鏡結構
線圈
線繞電位器
線繞電阻




