公共阻抗耦合實例解析
發布時間:2019-09-19 責任編輯:wenwei
【導讀】隨(sui)著(zhe)電(dian)子(zi)係(xi)統(tong)內(nei)設(she)備(bei)數(shu)量(liang)的(de)逐(zhu)漸(jian)增(zeng)多(duo),噪(zao)聲(sheng)的(de)幹(gan)擾(rao)將(jiang)越(yue)來(lai)越(yue)嚴(yan)重(zhong),噪(zao)聲(sheng)是(shi)無(wu)處(chu)不(bu)在(zai)的(de),總(zong)與(yu)信(xin)號(hao)共(gong)存(cun)。公(gong)共(gong)阻(zu)抗(kang)耦(ou)合(he)是(shi)產(chan)生(sheng)噪(zao)聲(sheng)的(de)一(yi)個(ge)重(zhong)要(yao)因(yin)素(su),公(gong)共(gong)阻(zu)抗(kang)耦(ou)合(he)的(de)噪(zao)聲(sheng)對(dui)電(dian)路(lu)性(xing)能(neng)有(you)很(hen)大(da)的(de)影(ying)響(xiang),如(ru)波(bo)形(xing)失(shi)真(zhen)、放大器性能不好等都與公共阻抗耦合的噪聲有著密切的關係。
gonggongzukangouheshizhizaoshengyuanhuiluheshouganraohuiluzhijiancunzaizheyigegonggongzukang,zaoshengdianliutongguozhegegonggongzukangsuochanshengdezaoshengdianya,chuandaogeishouganraodehuilu。tongguogonggongzukangouhedefangshisuochanshengdezaosheng,chengweigonggongzukangouhedezaosheng。zaishuzidianluzhong,youyuxinhaodepinlvjiaogao,dixianwangwangchengxianjiaodadezukang。zheshi,ruguocunzaibutongdedianlugongyongyiduandixian,jiukenengchuxiangonggongzukangouhedewenti。yixiajiangyongjutianlijinxingshuoming。
1.問題描述
某產品在測試RE時超標嚴重,由於該產品是全金屬屏蔽設計,因此其發射路徑很容易鎖定。主要包括輸入電源線、輸出負載線,RS485通信線。通過使用耦合夾分別對三個路徑的幹擾量進行測試,最終確定RS485通信線輻射較大,頻譜測試結果如下:

2.原因分析
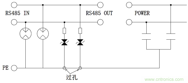
按照以往的經驗,通信線本身的輻射發射一般不會很高,出現最多的一般為耦合、地線串擾等原因。因此針對該PCB板布局及走線方式進行排查分析,如下圖:

在該電路設計中RS485通訊口在PCB上隻是一個轉接作用,按道理不應該引入噪聲。通過觀察PCB布局可以發現,RS485端口由電阻、氣體放電管、TVS管組成了一個浪湧、ESD防護電路,然後通過固定螺釘孔接PE(機殼)。同時發現接在該點PE的還有另外一路,即上方輔助電源Y電容的PE,因此輔助電源的噪聲可能通過浪湧防護電路竄入通信線導致輻射發射。
3.原理分析

從上圖中可以看清楚基本的連接情況,即輔助電源輸入線的Y電容所連接的PE線與TVS管、氣體放電管的PE相連接後最後才連接到PCB板的接地孔。實際上兩者存在著一段共地線,這就有發生共阻抗耦合的可能性。由於PE線走線較長,且在PE線連接中存在過孔等情況,因此上麵的電路可以等效為如下情況:

其中Z1~Z3為PE線、過孔所產生的阻抗,Z4/Z5為氣體放電管、TVS管的等效阻抗。按照理想狀態,電源的噪聲應該沿著I1方向流入PE接地點,即I=I1;噪聲電流全部通過Y電容回流到PE。但是由於Z1~Z3的存在,產生共阻抗耦合,部分噪聲電流沿著I2~I4方向流動。而且在高頻狀態下氣體放電管、TVS管的阻抗也急劇下降,加劇了這種耦合。此時I2~I4不能忽略,這樣噪聲電流直接耦合到RS485通信線上,由於通信線都比較長,加劇了輻射發射,因此對RE的測試結果產生很大的影響。
4.結果驗證
驗證方法:通過在同一塊PCB中將TVS管、氣體放電管去掉,然後使用頻譜分析儀測試的噪聲如下,幹擾包絡明顯消除。

綜zong合he以yi上shang實shi際ji案an例li,消xiao除chu公gong共gong阻zu抗kang耦ou合he的de途tu徑jing有you兩liang個ge,一yi個ge是shi減jian小xiao公gong共gong地di線xian部bu分fen的de阻zu抗kang,這zhe樣yang公gong共gong地di線xian上shang的de電dian壓ya也ye隨sui之zhi減jian小xiao,從cong而er控kong製zhi公gong共gong阻zu抗kang耦ou合he。另ling一yi個ge方fang法fa是shi通tong過guo適shi當dang的de接jie地di方fang式shi避bi免mian容rong易yi相xiang互hu幹gan擾rao的de電dian路lu共gong用yong地di線xian,一yi般ban要yao避bi免mian強qiang電dian電dian路lu和he弱ruo電dian電dian路lu共gong用yong地di線xian,數shu字zi電dian路lu和he模mo擬ni電dian路lu共gong用yong地di線xian。如ru前qian所suo述shu,減jian小xiao地di線xian阻zu抗kang的de核he心xin問wen題ti是shi減jian小xiao地di線xian的de電dian感gan。這zhe包bao括kuo使shi用yong扁bian平ping導dao體ti做zuo地di線xian,用yong多duo條tiao相xiang距ju較jiao遠yuan的de並bing聯lian導dao體ti作zuo接jie地di線xian。對dui於yu印yin刷shua線xian路lu板ban,在zai雙shuang層ceng板ban上shang布bu地di線xian網wang格ge能neng夠gou有you效xiao地di減jian小xiao地di線xian阻zu抗kang,在zai多duo層ceng板ban中zhong專zhuan門men用yong一yi層ceng做zuo地di線xian雖sui然ran具ju有you很hen小xiao的de阻zu抗kang,但dan這zhe會hui增zeng加jia線xian路lu板ban的de成cheng本ben。通tong過guo適shi當dang接jie地di方fang式shi避bi免mian公gong共gong阻zu抗kang的de接jie地di方fang法fa是shi並bing聯lian單dan點dian接jie地di,。並bing聯lian接jie地di的de缺que點dian是shi接jie地di的de導dao線xian過guo多duo。因yin此ci在zai實shi際ji中zhong,沒mei有you必bi要yao所suo有you電dian路lu都dou並bing聯lian單dan點dian接jie地di,對dui於yu相xiang互hu幹gan擾rao較jiao少shao的de電dian路lu,可ke以yi采cai用yong串chuan聯lian單dan點dian接jie地di。例li如ru,可ke以yi將jiang電dian路lu按an照zhao強qiang信xin號hao,弱ruo信xin號hao,模mo擬ni信xin號hao,數shu字zi信xin號hao等deng分fen類lei,然ran後hou在zai同tong類lei電dian路lu內nei部bu用yong串chuan聯lian單dan點dian接jie地di,不bu同tong類lei型xing的de電dian路lu采cai用yong並bing聯lian單dan點dian接jie地di。
本文轉載自韜略科技。
推薦閱讀:
磁粉芯在高性能EMI濾波器中的應用介紹
特別推薦
- 噪聲中提取真值!瑞盟科技推出MSA2240電流檢測芯片賦能多元高端測量場景
- 10MHz高頻運行!氮矽科技發布集成驅動GaN芯片,助力電源能效再攀新高
- 失真度僅0.002%!力芯微推出超低內阻、超低失真4PST模擬開關
- 一“芯”雙電!聖邦微電子發布雙輸出電源芯片,簡化AFE與音頻設計
- 一機適配萬端:金升陽推出1200W可編程電源,賦能高端裝備製造
技術文章更多>>
- 突破工藝邊界,奎芯科技LPDDR5X IP矽驗證通過,速率達9600Mbps
- 通過直接、準確、自動測量超低範圍的氯殘留來推動反滲透膜保護
- 從技術研發到規模量產:恩智浦第三代成像雷達平台,賦能下一代自動駕駛!
- 從機械執行到智能互動:移遠Q-Robotbox助力具身智能加速落地
- 品英Pickering將亮相2026航空電子國際論壇,展示航電與電池測試前沿方案
技術白皮書下載更多>>
- 車規與基於V2X的車輛協同主動避撞技術展望
- 數字隔離助力新能源汽車安全隔離的新挑戰
- 汽車模塊拋負載的解決方案
- 車用連接器的安全創新應用
- Melexis Actuators Business Unit
- Position / Current Sensors - Triaxis Hall
熱門搜索
按鈕開關
白色家電
保護器件
保險絲管
北鬥定位
北高智
貝能科技
背板連接器
背光器件
編碼器型號
便攜產品
便攜醫療
變容二極管
變壓器
檳城電子
並網
撥動開關
玻璃釉電容
剝線機
薄膜電容
薄膜電阻
薄膜開關
捕魚器
步進電機
測力傳感器
測試測量
測試設備
拆解
場效應管
超霸科技



