采用額外的肖特基二極管減少幹擾
發布時間:2020-11-10 來源:Frederik Dostal 責任編輯:wenwei
【導讀】在負載點(POL)降壓轉換器領域,同步變化的高邊和低邊有源開關已被廣泛使用。圖1顯(xian)示(shi)了(le)具(ju)有(you)理(li)想(xiang)開(kai)關(guan)的(de)此(ci)類(lei)電(dian)路(lu)。與(yu)使(shi)用(yong)無(wu)源(yuan)肖(xiao)特(te)基(ji)二(er)極(ji)管(guan)作(zuo)為(wei)低(di)邊(bian)開(kai)關(guan)的(de)架(jia)構(gou)相(xiang)比(bi),此(ci)類(lei)開(kai)關(guan)穩(wen)壓(ya)器(qi)具(ju)有(you)多(duo)項(xiang)優(you)勢(shi)。主(zhu)要(yao)優(you)勢(shi)是(shi)電(dian)壓(ya)轉(zhuan)換(huan)效(xiao)率(lv)更(geng)高(gao),因(yin)為(wei)與(yu)采(cai)用(yong)無(wu)源(yuan)二(er)極(ji)管(guan)的(de)情(qing)況(kuang)相(xiang)比(bi),低(di)端(duan)開(kai)關(guan)承(cheng)載(zai)電(dian)流(liu)時(shi)的(de)壓(ya)降(jiang)更(geng)低(di)。
但是,與異步開關穩壓器相比,同步降壓轉換器會產生更大的幹擾。如果圖1中zhong的de兩liang個ge理li想xiang開kai關guan同tong時shi導dao通tong,即ji使shi時shi間jian很hen短duan,也ye會hui發fa生sheng從cong輸shu入ru電dian壓ya到dao地di的de短duan路lu。這zhe會hui損sun壞huai開kai關guan。必bi須xu確que保bao兩liang個ge開kai關guan永yong遠yuan不bu會hui同tong時shi導dao通tong。因yin此ci,出chu於yu安an全quan考kao慮lv,需xu要yao在zai一yi定ding時shi間jian內nei保bao持chi兩liang個ge開kai關guan都dou斷duan開kai。這zhe個ge時shi間jian稱cheng為wei開kai關guan穩wen壓ya器qi的de死si區qu時shi間jian。但dan是shi,從cong開kai關guan節jie點dian到dao輸shu出chu電dian壓ya連lian接jie了le一yi個ge載zai流liu電dian感gan(L1)。通(tong)過(guo)電(dian)感(gan)的(de)電(dian)流(liu)永(yong)遠(yuan)不(bu)會(hui)發(fa)生(sheng)瞬(shun)間(jian)變(bian)化(hua)。電(dian)流(liu)會(hui)連(lian)續(xu)增(zeng)加(jia)和(he)減(jian)少(shao),但(dan)它(ta)永(yong)遠(yuan)不(bu)會(hui)跳(tiao)變(bian)。因(yin)此(ci),在(zai)死(si)區(qu)時(shi)間(jian)內(nei)會(hui)產(chan)生(sheng)問(wen)題(ti)。所(suo)有(you)電(dian)流(liu)路(lu)徑(jing)在(zai)開(kai)關(guan)節(jie)點(dian)側(ce)中(zhong)斷(duan)。采(cai)用(yong)圖(tu)1suoshidelixiangkaiguan,zaisiqushijianneihuizaikaiguanjiedianchuchanshengfuwuqiongdadedianya。zaishijikaiguanzhong,dianyafuzhijiangbiandeyuelaiyueda,zhidaolianggekaiguanzhongdeyigebeijichuanbingyunxudianliutongguo。

圖1.用於降壓轉換、采用理想開關的同步開關穩壓器。
大多數開關穩壓器使用N溝道MOSFET作為有源開關。這些開關針對上述情況具有非常有優勢的特性。除了具有本身的開關功能外,MOSFET還具有所謂的體二極管。半導體的源極和漏極之間存在一個P-N結。在圖2中,插入了具有相應P-N結的MOSFET。由此,即使在死區時間內,開關節點的電壓也不會下降到負無窮大,而是通過低端MOSFET中的P-N結(如紅色所示)承載電流,直到死區時間結束並且低端MOSFET導通為止。

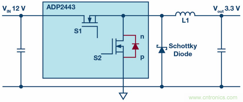
圖2.用於降壓轉換的同步開關穩壓器,采用N溝道MOSFET和額外的肖特基二極管,可最大限度地減少幹擾。
相應MOSFET中的體二極管有一個主要缺點。由於反向恢複現象,其開關速度非常低。在反向恢複時間內,電感(L1)導dao致zhi開kai關guan節jie點dian處chu的de電dian壓ya下xia降jiang到dao比bi地di電dian壓ya低di幾ji伏fu。開kai關guan節jie點dian處chu的de這zhe些xie陡dou峭qiao的de負fu電dian壓ya峰feng值zhi會hui導dao致zhi幹gan擾rao,此ci幹gan擾rao會hui被bei容rong性xing耦ou合he到dao其qi他ta電dian路lu段duan。通tong過guo插cha入ru額e外wai的de肖xiao特te基ji二er極ji管guan可ke以yi最zui大da限xian度du地di減jian少shao這zhe種zhong幹gan擾rao,如ru圖tu2所示。與低端MOSFET中(zhong)的(de)體(ti)二(er)極(ji)管(guan)不(bu)同(tong),它(ta)不(bu)會(hui)產(chan)生(sheng)反(fan)向(xiang)恢(hui)複(fu)時(shi)間(jian),並(bing)且(qie)在(zai)死(si)區(qu)時(shi)間(jian)開(kai)始(shi)時(shi)能(neng)非(fei)常(chang)快(kuai)速(su)地(di)吸(xi)收(shou)電(dian)流(liu)。這(zhe)可(ke)減(jian)緩(huan)開(kai)關(guan)節(jie)點(dian)處(chu)的(de)電(dian)壓(ya)陡(dou)降(jiang)。可(ke)減(jian)少(shao)由(you)於(yu)耦(ou)合(he)效(xiao)應(ying)而(er)產(chan)生(sheng)並(bing)分(fen)布(bu)到(dao)電(dian)路(lu)上(shang)的(de)幹(gan)擾(rao)。
肖特基二極管可以設計得非常緊湊,因為它僅在死區時間內短時間承載電流。因此,其溫升不會過高,可以放置在小尺寸、低成本的產品外殼中。
作者簡介
Frederik Dostal曾就讀於德國埃爾蘭根-紐倫堡大學微電子學專業。他於2001年開始工作,涉足電源管理業務,曾擔任多種應用工程師職位,並在亞利桑那州鳳凰城工作了四年,負責開關模式電源。Frederik於2009年加入ADI公司,擔任歐洲分公司的電源管理技術專家。聯係方式:frederik.dostal@analog.com。
推薦閱讀:
特別推薦
- 噪聲中提取真值!瑞盟科技推出MSA2240電流檢測芯片賦能多元高端測量場景
- 10MHz高頻運行!氮矽科技發布集成驅動GaN芯片,助力電源能效再攀新高
- 失真度僅0.002%!力芯微推出超低內阻、超低失真4PST模擬開關
- 一“芯”雙電!聖邦微電子發布雙輸出電源芯片,簡化AFE與音頻設計
- 一機適配萬端:金升陽推出1200W可編程電源,賦能高端裝備製造
技術文章更多>>
- 築基AI4S:摩爾線程全功能GPU加速中國生命科學自主生態
- 一秒檢測,成本降至萬分之一,光引科技把幾十萬的台式光譜儀“搬”到了手腕上
- AI服務器電源機櫃Power Rack HVDC MW級測試方案
- 突破工藝邊界,奎芯科技LPDDR5X IP矽驗證通過,速率達9600Mbps
- 通過直接、準確、自動測量超低範圍的氯殘留來推動反滲透膜保護
技術白皮書下載更多>>
- 車規與基於V2X的車輛協同主動避撞技術展望
- 數字隔離助力新能源汽車安全隔離的新挑戰
- 汽車模塊拋負載的解決方案
- 車用連接器的安全創新應用
- Melexis Actuators Business Unit
- Position / Current Sensors - Triaxis Hall
熱門搜索
微波功率管
微波開關
微波連接器
微波器件
微波三極管
微波振蕩器
微電機
微調電容
微動開關
微蜂窩
位置傳感器
溫度保險絲
溫度傳感器
溫控開關
溫控可控矽
聞泰
穩壓電源
穩壓二極管
穩壓管
無焊端子
無線充電
無線監控
無源濾波器
五金工具
物聯網
顯示模塊
顯微鏡結構
線圈
線繞電位器
線繞電阻




