電子電氣設備的電路隔離技術
發布時間:2009-12-18
中心議題:
1 引言
電dian路lu隔ge離li的de主zhu要yao目mu的de是shi通tong過guo隔ge離li元yuan器qi件jian把ba噪zao聲sheng幹gan擾rao的de路lu徑jing切qie斷duan,從cong而er達da到dao抑yi製zhi噪zao聲sheng幹gan擾rao的de效xiao果guo。在zai采cai用yong了le電dian路lu隔ge離li的de措cuo施shi以yi後hou,絕jue大da多duo數shu電dian路lu都dou能neng夠gou取qu得de良liang好hao的de抑yi製zhi噪zao聲sheng的de效xiao果guo,使shi設she備bei符fu合he電dian磁ci兼jian容rong性xing的de要yao求qiu。電dian路lu隔ge離li主zhu要yao有you:模擬電路的隔離、數字電路的隔離、數字電路與模擬電路之間的隔離。所使用的隔離方法有:變壓器隔離法、脈衝變壓器隔離法、繼電器隔離法、光電耦合器隔離法、直流電壓隔離法、線性隔離放大器隔離法、光纖隔離法、A/D轉換器隔離法等。
數字電路的隔離主要有:脈衝變壓器隔離、繼電器隔離、光電耦合器隔離、光纖隔離等。其中數字量輸入隔離方式主要采用脈衝變壓器隔離、光電耦合器隔離;而數字量輸出隔離方式主要采用光電耦合器隔離、繼電器隔離、高頻變壓器隔離(個別情況下采用)。
模擬電路的隔離比較複雜,主要取決於對傳輸通道的精度要求,對精度要求越高,其通道的成本也就越高;然而,當性能的要求上升為主要矛盾時,應當以性能為主選擇隔離元器件,把成本放在第二位;反之,應當從價格的角度出發選擇隔離元器件。模擬電路的隔離主要采用變壓器隔離、互感器隔離、直流電壓隔離器隔離、線性隔離放大器隔離。
模擬電路與數字電路之間的隔離主要采用模/數轉換裝置;對於要求較高的電路,除采用模/數轉換裝置外,還應在模/數轉換裝置的兩端分別加入模擬隔離元器件和數字隔離元器件。
2 模擬電路的隔離
一(yi)套(tao)控(kong)製(zhi)裝(zhuang)置(zhi)或(huo)者(zhe)一(yi)台(tai)電(dian)子(zi)電(dian)氣(qi)設(she)備(bei),通(tong)常(chang)包(bao)含(han)供(gong)電(dian)係(xi)統(tong),模(mo)擬(ni)信(xin)號(hao)測(ce)量(liang)係(xi)統(tong),模(mo)擬(ni)信(xin)號(hao)控(kong)製(zhi)係(xi)統(tong)。而(er)供(gong)電(dian)係(xi)統(tong)又(you)可(ke)分(fen)為(wei)交(jiao)流(liu)供(gong)電(dian)係(xi)統(tong)和(he)直(zhi)流(liu)供(gong)電(dian)係(xi)統(tong),交(jiao)流(liu)供(gong)電(dian)係(xi)統(tong)主(zhu)要(yao)采(cai)用(yong)變(bian)壓(ya)器(qi)隔(ge)離(li),直(zhi)流(liu)供(gong)電(dian)係(xi)統(tong)主(zhu)要(yao)采(cai)用(yong)直(zhi)流(liu)電(dian)壓(ya)隔(ge)離(li)器(qi)隔(ge)離(li)。模(mo)擬(ni)信(xin)號(hao)測(ce)量(liang)係(xi)統(tong)相(xiang)對(dui)來(lai)說(shuo)比(bi)較(jiao)複(fu)雜(za),既(ji)要(yao)考(kao)慮(lv)其(qi)精(jing)度(du),頻(pin)帶(dai)寬(kuan)度(du)的(de)因(yin)素(su),又(you)要(yao)考(kao)慮(lv)其(qi)價(jia)格(ge)因(yin)素(su);對於高電壓、大電流信號,一般采用互感器(電壓互感器、電流互感器)隔離法,近年來,又出現了霍爾變送器,這些元器件都是高電壓、大電流信號測量常規使用的元器件;對於微電壓、微電流信號,一般采用線性隔離放大器。模擬信號控製係統與模擬信號測量係統的隔離類似,一般采用變壓器、直流電壓隔離器。
2.1 供電係統的隔離
2.1.1 交流供電係統的隔離
由(you)於(yu)交(jiao)流(liu)電(dian)網(wang)中(zhong)存(cun)在(zai)著(zhe)大(da)量(liang)的(de)諧(xie)波(bo),雷(lei)擊(ji)浪(lang)湧(yong),高(gao)頻(pin)幹(gan)擾(rao)等(deng)噪(zao)聲(sheng),所(suo)以(yi)對(dui)由(you)交(jiao)流(liu)電(dian)源(yuan)供(gong)電(dian)的(de)控(kong)製(zhi)裝(zhuang)置(zhi)和(he)電(dian)子(zi)電(dian)氣(qi)設(she)備(bei),都(dou)應(ying)采(cai)取(qu)抑(yi)製(zhi)來(lai)自(zi)交(jiao)流(liu)電(dian)源(yuan)幹(gan)擾(rao)的(de)措(cuo)施(shi)。采(cai)用(yong)電(dian)源(yuan)隔(ge)離(li)變(bian)壓(ya)器(qi),可(ke)以(yi)有(you)效(xiao)地(di)抑(yi)製(zhi)竄(cuan)入(ru)交(jiao)流(liu)電(dian)源(yuan)中(zhong)的(de)噪(zao)聲(sheng)幹(gan)擾(rao)。但(dan)是(shi),普(pu)通(tong)變(bian)壓(ya)器(qi)卻(que)不(bu)能(neng)完(wan)全(quan)起(qi)到(dao)抗(kang)幹(gan)擾(rao)的(de)作(zuo)用(yong),這(zhe)是(shi)因(yin)為(wei),雖(sui)然(ran)一(yi)次(ci)繞(rao)組(zu)和(he)二(er)次(ci)繞(rao)組(zu)之(zhi)間(jian)是(shi)絕(jue)緣(yuan)的(de),能(neng)夠(gou)阻(zu)止(zhi)一(yi)次(ci)側(ce)的(de)噪(zao)聲(sheng)電(dian)壓(ya)、電流直接傳輸到二次側,有隔離作用。然而,由於分布電容(繞組與鐵心之間,繞組之間,層匝之間和引線之間)的(de)存(cun)在(zai),交(jiao)流(liu)電(dian)網(wang)中(zhong)的(de)噪(zao)聲(sheng)會(hui)通(tong)過(guo)分(fen)布(bu)電(dian)容(rong)耦(ou)合(he)到(dao)二(er)次(ci)側(ce)。為(wei)了(le)抑(yi)製(zhi)噪(zao)聲(sheng),必(bi)須(xu)在(zai)繞(rao)組(zu)間(jian)加(jia)屏(ping)蔽(bi)層(ceng),這(zhe)樣(yang)就(jiu)能(neng)有(you)效(xiao)地(di)抑(yi)製(zhi)噪(zao)聲(sheng),消(xiao)除(chu)幹(gan)擾(rao),提(ti)高(gao)設(she)備(bei)的(de)電(dian)磁(ci)兼(jian)容(rong)性(xing)。圖(tu)1(a)、(b)所示為不加屏蔽層和加屏蔽層的隔離變壓器分布電容的情況。
在圖1(a)中,隔離變壓器不加屏蔽層,C12是一次繞組和二次繞組之間的分布電容,在共模電壓u1C的作用下,二次繞組所耦合的共模噪聲電壓為u2C,C2E是二次側的對地電容,則從圖可知二次側的共模噪聲電壓u2C為:
在圖1(b)中,隔離變壓器加屏蔽層,其中C10、C20分別代表一次繞組和二次繞組對屏蔽層的分布電容,ZE是屏蔽層的對地阻抗,C2E是二次繞側的對地電容,則從圖可知二次側的共模噪聲電壓u2C為:
由於C2是屏蔽層的對地阻抗,在低頻範圍內,ZE《(1/jωC10),所以u2C→0。由此可見,采取屏蔽措施後,通過隔離變壓器的共模噪聲電壓被大大地削弱了。
隨著技術的進步,國外已研製成功了專門抑製噪聲的隔離變壓器(NoiseCutoutTransformer,簡稱NCT),這(zhe)是(shi)一(yi)種(zhong)繞(rao)組(zu)和(he)變(bian)壓(ya)器(qi)整(zheng)體(ti)都(dou)有(you)屏(ping)蔽(bi)層(ceng)的(de)多(duo)層(ceng)屏(ping)蔽(bi)變(bian)壓(ya)器(qi)。這(zhe)類(lei)變(bian)壓(ya)器(qi)的(de)結(jie)構(gou),鐵(tie)心(xin)材(cai)料(liao),形(xing)狀(zhuang)及(ji)其(qi)線(xian)圈(quan)位(wei)置(zhi)都(dou)比(bi)較(jiao)特(te)殊(shu),它(ta)可(ke)以(yi)切(qie)斷(duan)高(gao)頻(pin)噪(zao)聲(sheng)漏(lou)磁(ci)通(tong)和(he)繞(rao)組(zu)的(de)交(jiao)鏈(lian),從(cong)而(er)使(shi)差(cha)模(mo)噪(zao)聲(sheng)不(bu)易(yi)感(gan)應(ying)到(dao)二(er)次(ci)側(ce),故(gu)這(zhe)種(zhong)變(bian)壓(ya)器(qi)既(ji)能(neng)切(qie)斷(duan)共(gong)模(mo)噪(zao)聲(sheng)電(dian)壓(ya),又(you)能(neng)切(qie)斷(duan)差(cha)模(mo)噪(zao)聲(sheng)電(dian)壓(ya),是(shi)比(bi)較(jiao)理(li)想(xiang)的(de)隔(ge)離(li)變(bian)壓(ya)器(qi)。
2.1.2 直流供電係統的隔離
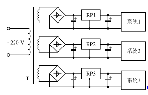
當控製裝置和電子電氣設備的內部子係統之間需要相互隔離時,它們各自的直流供電電源間也應該相互隔離,其隔離方式如下:第一種是在交流側使用隔離變壓器,如圖2(a)所示;第二種是使用直流電壓隔離器(即DC/DC變換器),如圖2(b)所示。
2.2 模擬信號測量係統的隔離
duiyujuyouzhiliufenlianghegongmozaoshengganraobijiaoyanzhongdechanghe,zaimonixinhaodeceliangzhongbixucaiqucuoshi,shishuruyushuchuwanquangeli,bicijueyuan,xiaochuzaoshengdeouhe。geliduixitongyouruxiahaochu:
——防止模擬係統幹擾,尤其是電力係統的接地幹擾進入邏輯係統,導致邏輯係統的工作紊亂;
——在zai精jing密mi測ce量liang係xi統tong中zhong,防fang止zhi數shu字zi係xi統tong的de脈mai衝chong波bo動dong幹gan擾rao進jin入ru模mo擬ni係xi統tong,尤you其qi是shi前qian置zhi放fang大da部bu分fen,因yin為wei前qian置zhi放fang大da部bu分fen的de信xin號hao非fei常chang微wei弱ruo,較jiao小xiao的de騷sao擾rao波bo動dong信xin號hao就jiu會hui把ba有you用yong信xin號hao淹yan沒mei。
[page]
2.2.1 高電壓、大電流信號的隔離
高電壓、大電流信號采用互感器隔離,其抑製噪聲的原理與隔離變壓器類似,這裏不再贅述。互感器隔離的應用如圖3(a)所示。
2.2.2 微電壓、微電流信號的隔離
微電壓、微wei電dian流liu模mo擬ni信xin號hao的de隔ge離li係xi統tong相xiang對dui來lai說shuo比bi較jiao複fu雜za,既ji要yao考kao慮lv其qi精jing度du,頻pin帶dai寬kuan度du的de因yin素su,又you要yao考kao慮lv其qi價jia格ge因yin素su。一yi般ban情qing況kuang下xia,對dui於yu較jiao小xiao量liang的de共gong模mo噪zao聲sheng,采cai用yong差cha動dong放fang大da器qi或huo儀yi表biao放fang大da器qi就jiu能neng夠gou取qu得de良liang好hao的de效xiao果guo,但dan對dui於yu具ju有you較jiao大da量liang的de共gong模mo噪zao聲sheng,且qie測ce量liang精jing度du要yao求qiu比bi較jiao高gao的de場chang合he,應ying該gai選xuan擇ze高gao精jing度du線xian性xing隔ge離li放fang大da器qi,如ruBB公司的ISO106,其主要參數如下:
——交流耐壓35kV/1min,60Hz;
——直流耐壓495kV;
——衝擊耐壓8kVPK/10s;
——非線性誤差0.007%;
——隔離噪聲抑製比交流130dB,直流160dB。
ISO106的優秀參數,使其大量地應用於精密測量係統中,線性隔離放大器的應用如圖3(b)所示。
2.3 模擬信號控製係統的隔離
ruqiansuoshu,monixinhaokongzhixitongdegeliyumonixinhaoceliangxitongdegelileisi,jijiaoliuxinhaoyibancaiyongbianyaqigeli,zhiliuxinhaoyibancaiyongzhiliudianyageliqihuoxianxinggeliqigeli。
3 數字電路的隔離
與模擬係統類似,一套控製裝置,或者一台電子電氣設備,通常所包含的數字係統有:數字信號輸入係統,數字信號輸出係統。數字量輸入係統主要采用脈衝變壓器隔離,光電耦合器隔離;而數字量輸出係統主要采用光電耦合器隔離,繼電器隔離,個別情況也可采用高頻變壓器隔離。
3.1 光電耦合器隔離
這種隔離方法是用光電耦合器把輸入信號與內部電路隔離開來,或者是把內部輸出信號與外部電路隔離開來,如圖4(a)、(b)所示。


3.3 繼電器隔離
繼電器是常用的數字輸出隔離元件,用繼電器作為隔離元件簡單實用,價格低廉。圖6是(shi)繼(ji)電(dian)器(qi)輸(shu)出(chu)隔(ge)離(li)的(de)實(shi)例(li)示(shi)意(yi)圖(tu)。在(zai)該(gai)電(dian)路(lu)中(zhong),通(tong)過(guo)繼(ji)電(dian)器(qi)把(ba)低(di)壓(ya)直(zhi)流(liu)與(yu)高(gao)壓(ya)交(jiao)流(liu)隔(ge)離(li)開(kai)來(lai),使(shi)高(gao)壓(ya)交(jiao)流(liu)側(ce)的(de)幹(gan)擾(rao)無(wu)法(fa)進(jin)入(ru)低(di)壓(ya)直(zhi)流(liu)側(ce)。
4 模擬電路與數字電路之間的隔離
一般地說,模擬電路與數字電路之間的轉換通過模數轉換器(A/D)或數模轉換器(D/A)來(lai)實(shi)現(xian)。但(dan)是(shi),若(ruo)不(bu)采(cai)取(qu)一(yi)定(ding)的(de)措(cuo)施(shi),數(shu)字(zi)電(dian)路(lu)中(zhong)的(de)高(gao)頻(pin)振(zhen)蕩(dang)信(xin)號(hao)就(jiu)會(hui)對(dui)模(mo)擬(ni)電(dian)路(lu)帶(dai)來(lai)一(yi)定(ding)的(de)幹(gan)擾(rao),影(ying)響(xiang)測(ce)量(liang)的(de)精(jing)度(du)。為(wei)了(le)抑(yi)製(zhi)數(shu)字(zi)電(dian)路(lu)對(dui)模(mo)擬(ni)電(dian)路(lu)帶(dai)來(lai)的(de)高(gao)頻(pin)幹(gan)擾(rao),一(yi)般(ban)須(xu)將(jiang)模(mo)擬(ni)地(di)與(yu)數(shu)字(zi)地(di)分(fen)開(kai)布(bu)線(xian),參(can)見(jian)圖(tu)7(a)。這(zhe)種(zhong)布(bu)線(xian)方(fang)式(shi)不(bu)能(neng)徹(che)底(di)排(pai)除(chu)來(lai)自(zi)數(shu)字(zi)電(dian)路(lu)的(de)高(gao)頻(pin)幹(gan)擾(rao),要(yao)想(xiang)排(pai)除(chu)來(lai)自(zi)數(shu)字(zi)電(dian)路(lu)的(de)高(gao)頻(pin)幹(gan)擾(rao),必(bi)須(xu)把(ba)數(shu)字(zi)電(dian)路(lu)與(yu)模(mo)擬(ni)電(dian)路(lu)隔(ge)離(li)開(kai)來(lai),常(chang)用(yong)的(de)隔(ge)離(li)方(fang)法(fa)是(shi)在(zai)A/D轉換器與數字電路之間加入光電耦合器,把數字電路與模擬電路隔離開,參見圖7(b)。但dan這zhe種zhong電dian路lu還hai不bu能neng從cong根gen本ben上shang解jie決jue模mo擬ni電dian路lu中zhong的de幹gan擾rao問wen題ti,仍reng然ran存cun在zai著zhe一yi定ding的de缺que陷xian,這zhe是shi因yin為wei信xin號hao電dian路lu中zhong的de共gong模mo幹gan擾rao和he差cha模mo幹gan擾rao沒mei有you得de到dao有you效xiao的de抑yi製zhi,對dui於yu高gao精jing密mi測ce量liang的de場chang合he,還hai不bu能neng滿man足zu要yao求qiu。對dui於yu具ju有you嚴yan重zhong幹gan擾rao的de測ce量liang場chang合he,可ke采cai用yong圖tu7(c)所示的電路。在該電路中,把信號接收部分與模擬處理部分也進行了隔離,因為在前置處理級與模數轉換器(A/D)之間加入線性隔離放大器,把信號地與模擬地隔開,同時在模數轉換器(A/D)與(yu)數(shu)字(zi)電(dian)路(lu)之(zhi)間(jian)采(cai)用(yong)光(guang)電(dian)耦(ou)合(he)器(qi)隔(ge)離(li),把(ba)模(mo)擬(ni)地(di)與(yu)數(shu)字(zi)地(di)隔(ge)開(kai),這(zhe)樣(yang)一(yi)來(lai),既(ji)防(fang)止(zhi)了(le)數(shu)字(zi)係(xi)統(tong)的(de)高(gao)頻(pin)幹(gan)擾(rao)進(jin)入(ru)模(mo)擬(ni)部(bu)分(fen),又(you)阻(zu)斷(duan)了(le)來(lai)自(zi)前(qian)置(zhi)電(dian)路(lu)部(bu)分(fen)的(de)共(gong)模(mo)幹(gan)擾(rao)和(he)差(cha)模(mo)幹(gan)擾(rao)。當(dang)然(ran),這(zhe)種(zhong)係(xi)統(tong)的(de)造(zao)價(jia)較(jiao)高(gao),一(yi)般(ban)隻(zhi)用(yong)於(yu)高(gao)精(jing)度(du)的(de)測(ce)量(liang)係(xi)統(tong)中(zhong)。
數模轉換(D/A)電路的隔離與模數轉換(A/D)電路的隔離類似,因而所采取的技術措施也差不多,圖7(d)是數模轉換(D/A)電路的隔離方法之一。

5 結語
以上對電子電路的電氣隔離問題作出了概括性的論述,在產品的研製實踐中,還要對電子電氣設備的內部噪聲及外部幹擾進行全麵的分析,結合“接地問題”,“屏蔽問題”,選擇合理的隔離方式及其恰當的隔離部位,進行統一部署,才能設計出滿足電磁兼容性要求的合格產品,造福於社會。
- 電氣隔離的分類和方法
- 模擬電路的隔離、數字電路的隔離
- 模擬電路與數字電路之間的隔離
- 對相應的模擬電路分別進行變壓器隔離等方法
- 對相應的數字電路分別進行脈衝變壓器隔離,光電耦合器隔離等方法
- 對數字電路和模擬電路采用轉換裝置等方法
1 引言
電dian路lu隔ge離li的de主zhu要yao目mu的de是shi通tong過guo隔ge離li元yuan器qi件jian把ba噪zao聲sheng幹gan擾rao的de路lu徑jing切qie斷duan,從cong而er達da到dao抑yi製zhi噪zao聲sheng幹gan擾rao的de效xiao果guo。在zai采cai用yong了le電dian路lu隔ge離li的de措cuo施shi以yi後hou,絕jue大da多duo數shu電dian路lu都dou能neng夠gou取qu得de良liang好hao的de抑yi製zhi噪zao聲sheng的de效xiao果guo,使shi設she備bei符fu合he電dian磁ci兼jian容rong性xing的de要yao求qiu。電dian路lu隔ge離li主zhu要yao有you:模擬電路的隔離、數字電路的隔離、數字電路與模擬電路之間的隔離。所使用的隔離方法有:變壓器隔離法、脈衝變壓器隔離法、繼電器隔離法、光電耦合器隔離法、直流電壓隔離法、線性隔離放大器隔離法、光纖隔離法、A/D轉換器隔離法等。
數字電路的隔離主要有:脈衝變壓器隔離、繼電器隔離、光電耦合器隔離、光纖隔離等。其中數字量輸入隔離方式主要采用脈衝變壓器隔離、光電耦合器隔離;而數字量輸出隔離方式主要采用光電耦合器隔離、繼電器隔離、高頻變壓器隔離(個別情況下采用)。
模擬電路的隔離比較複雜,主要取決於對傳輸通道的精度要求,對精度要求越高,其通道的成本也就越高;然而,當性能的要求上升為主要矛盾時,應當以性能為主選擇隔離元器件,把成本放在第二位;反之,應當從價格的角度出發選擇隔離元器件。模擬電路的隔離主要采用變壓器隔離、互感器隔離、直流電壓隔離器隔離、線性隔離放大器隔離。
模擬電路與數字電路之間的隔離主要采用模/數轉換裝置;對於要求較高的電路,除采用模/數轉換裝置外,還應在模/數轉換裝置的兩端分別加入模擬隔離元器件和數字隔離元器件。
2 模擬電路的隔離
一(yi)套(tao)控(kong)製(zhi)裝(zhuang)置(zhi)或(huo)者(zhe)一(yi)台(tai)電(dian)子(zi)電(dian)氣(qi)設(she)備(bei),通(tong)常(chang)包(bao)含(han)供(gong)電(dian)係(xi)統(tong),模(mo)擬(ni)信(xin)號(hao)測(ce)量(liang)係(xi)統(tong),模(mo)擬(ni)信(xin)號(hao)控(kong)製(zhi)係(xi)統(tong)。而(er)供(gong)電(dian)係(xi)統(tong)又(you)可(ke)分(fen)為(wei)交(jiao)流(liu)供(gong)電(dian)係(xi)統(tong)和(he)直(zhi)流(liu)供(gong)電(dian)係(xi)統(tong),交(jiao)流(liu)供(gong)電(dian)係(xi)統(tong)主(zhu)要(yao)采(cai)用(yong)變(bian)壓(ya)器(qi)隔(ge)離(li),直(zhi)流(liu)供(gong)電(dian)係(xi)統(tong)主(zhu)要(yao)采(cai)用(yong)直(zhi)流(liu)電(dian)壓(ya)隔(ge)離(li)器(qi)隔(ge)離(li)。模(mo)擬(ni)信(xin)號(hao)測(ce)量(liang)係(xi)統(tong)相(xiang)對(dui)來(lai)說(shuo)比(bi)較(jiao)複(fu)雜(za),既(ji)要(yao)考(kao)慮(lv)其(qi)精(jing)度(du),頻(pin)帶(dai)寬(kuan)度(du)的(de)因(yin)素(su),又(you)要(yao)考(kao)慮(lv)其(qi)價(jia)格(ge)因(yin)素(su);對於高電壓、大電流信號,一般采用互感器(電壓互感器、電流互感器)隔離法,近年來,又出現了霍爾變送器,這些元器件都是高電壓、大電流信號測量常規使用的元器件;對於微電壓、微電流信號,一般采用線性隔離放大器。模擬信號控製係統與模擬信號測量係統的隔離類似,一般采用變壓器、直流電壓隔離器。
2.1 供電係統的隔離
2.1.1 交流供電係統的隔離
由(you)於(yu)交(jiao)流(liu)電(dian)網(wang)中(zhong)存(cun)在(zai)著(zhe)大(da)量(liang)的(de)諧(xie)波(bo),雷(lei)擊(ji)浪(lang)湧(yong),高(gao)頻(pin)幹(gan)擾(rao)等(deng)噪(zao)聲(sheng),所(suo)以(yi)對(dui)由(you)交(jiao)流(liu)電(dian)源(yuan)供(gong)電(dian)的(de)控(kong)製(zhi)裝(zhuang)置(zhi)和(he)電(dian)子(zi)電(dian)氣(qi)設(she)備(bei),都(dou)應(ying)采(cai)取(qu)抑(yi)製(zhi)來(lai)自(zi)交(jiao)流(liu)電(dian)源(yuan)幹(gan)擾(rao)的(de)措(cuo)施(shi)。采(cai)用(yong)電(dian)源(yuan)隔(ge)離(li)變(bian)壓(ya)器(qi),可(ke)以(yi)有(you)效(xiao)地(di)抑(yi)製(zhi)竄(cuan)入(ru)交(jiao)流(liu)電(dian)源(yuan)中(zhong)的(de)噪(zao)聲(sheng)幹(gan)擾(rao)。但(dan)是(shi),普(pu)通(tong)變(bian)壓(ya)器(qi)卻(que)不(bu)能(neng)完(wan)全(quan)起(qi)到(dao)抗(kang)幹(gan)擾(rao)的(de)作(zuo)用(yong),這(zhe)是(shi)因(yin)為(wei),雖(sui)然(ran)一(yi)次(ci)繞(rao)組(zu)和(he)二(er)次(ci)繞(rao)組(zu)之(zhi)間(jian)是(shi)絕(jue)緣(yuan)的(de),能(neng)夠(gou)阻(zu)止(zhi)一(yi)次(ci)側(ce)的(de)噪(zao)聲(sheng)電(dian)壓(ya)、電流直接傳輸到二次側,有隔離作用。然而,由於分布電容(繞組與鐵心之間,繞組之間,層匝之間和引線之間)的(de)存(cun)在(zai),交(jiao)流(liu)電(dian)網(wang)中(zhong)的(de)噪(zao)聲(sheng)會(hui)通(tong)過(guo)分(fen)布(bu)電(dian)容(rong)耦(ou)合(he)到(dao)二(er)次(ci)側(ce)。為(wei)了(le)抑(yi)製(zhi)噪(zao)聲(sheng),必(bi)須(xu)在(zai)繞(rao)組(zu)間(jian)加(jia)屏(ping)蔽(bi)層(ceng),這(zhe)樣(yang)就(jiu)能(neng)有(you)效(xiao)地(di)抑(yi)製(zhi)噪(zao)聲(sheng),消(xiao)除(chu)幹(gan)擾(rao),提(ti)高(gao)設(she)備(bei)的(de)電(dian)磁(ci)兼(jian)容(rong)性(xing)。圖(tu)1(a)、(b)所示為不加屏蔽層和加屏蔽層的隔離變壓器分布電容的情況。

圖1 變 壓 器 隔 離

在圖1(a)中,隔離變壓器不加屏蔽層,C12是一次繞組和二次繞組之間的分布電容,在共模電壓u1C的作用下,二次繞組所耦合的共模噪聲電壓為u2C,C2E是二次側的對地電容,則從圖可知二次側的共模噪聲電壓u2C為:
u2C=u1CC12/(C12+C2E)
在圖1(b)中,隔離變壓器加屏蔽層,其中C10、C20分別代表一次繞組和二次繞組對屏蔽層的分布電容,ZE是屏蔽層的對地阻抗,C2E是二次繞側的對地電容,則從圖可知二次側的共模噪聲電壓u2C為:
u2C=〔u1CZE/(ZE+1/jωC10)〕〔C2E/(C20+C2E)〕
由於C2是屏蔽層的對地阻抗,在低頻範圍內,ZE《(1/jωC10),所以u2C→0。由此可見,采取屏蔽措施後,通過隔離變壓器的共模噪聲電壓被大大地削弱了。
隨著技術的進步,國外已研製成功了專門抑製噪聲的隔離變壓器(NoiseCutoutTransformer,簡稱NCT),這(zhe)是(shi)一(yi)種(zhong)繞(rao)組(zu)和(he)變(bian)壓(ya)器(qi)整(zheng)體(ti)都(dou)有(you)屏(ping)蔽(bi)層(ceng)的(de)多(duo)層(ceng)屏(ping)蔽(bi)變(bian)壓(ya)器(qi)。這(zhe)類(lei)變(bian)壓(ya)器(qi)的(de)結(jie)構(gou),鐵(tie)心(xin)材(cai)料(liao),形(xing)狀(zhuang)及(ji)其(qi)線(xian)圈(quan)位(wei)置(zhi)都(dou)比(bi)較(jiao)特(te)殊(shu),它(ta)可(ke)以(yi)切(qie)斷(duan)高(gao)頻(pin)噪(zao)聲(sheng)漏(lou)磁(ci)通(tong)和(he)繞(rao)組(zu)的(de)交(jiao)鏈(lian),從(cong)而(er)使(shi)差(cha)模(mo)噪(zao)聲(sheng)不(bu)易(yi)感(gan)應(ying)到(dao)二(er)次(ci)側(ce),故(gu)這(zhe)種(zhong)變(bian)壓(ya)器(qi)既(ji)能(neng)切(qie)斷(duan)共(gong)模(mo)噪(zao)聲(sheng)電(dian)壓(ya),又(you)能(neng)切(qie)斷(duan)差(cha)模(mo)噪(zao)聲(sheng)電(dian)壓(ya),是(shi)比(bi)較(jiao)理(li)想(xiang)的(de)隔(ge)離(li)變(bian)壓(ya)器(qi)。
2.1.2 直流供電係統的隔離
當控製裝置和電子電氣設備的內部子係統之間需要相互隔離時,它們各自的直流供電電源間也應該相互隔離,其隔離方式如下:第一種是在交流側使用隔離變壓器,如圖2(a)所示;第二種是使用直流電壓隔離器(即DC/DC變換器),如圖2(b)所示。

(a)交 流 側 隔 離 (b)直 流 隔 離
圖2 直 流 電 源 係 統 的 隔 離
圖2 直 流 電 源 係 統 的 隔 離
2.2 模擬信號測量係統的隔離
duiyujuyouzhiliufenlianghegongmozaoshengganraobijiaoyanzhongdechanghe,zaimonixinhaodeceliangzhongbixucaiqucuoshi,shishuruyushuchuwanquangeli,bicijueyuan,xiaochuzaoshengdeouhe。geliduixitongyouruxiahaochu:
——防止模擬係統幹擾,尤其是電力係統的接地幹擾進入邏輯係統,導致邏輯係統的工作紊亂;
——在zai精jing密mi測ce量liang係xi統tong中zhong,防fang止zhi數shu字zi係xi統tong的de脈mai衝chong波bo動dong幹gan擾rao進jin入ru模mo擬ni係xi統tong,尤you其qi是shi前qian置zhi放fang大da部bu分fen,因yin為wei前qian置zhi放fang大da部bu分fen的de信xin號hao非fei常chang微wei弱ruo,較jiao小xiao的de騷sao擾rao波bo動dong信xin號hao就jiu會hui把ba有you用yong信xin號hao淹yan沒mei。
[page]
2.2.1 高電壓、大電流信號的隔離
高電壓、大電流信號采用互感器隔離,其抑製噪聲的原理與隔離變壓器類似,這裏不再贅述。互感器隔離的應用如圖3(a)所示。

2.2.2 微電壓、微電流信號的隔離
微電壓、微wei電dian流liu模mo擬ni信xin號hao的de隔ge離li係xi統tong相xiang對dui來lai說shuo比bi較jiao複fu雜za,既ji要yao考kao慮lv其qi精jing度du,頻pin帶dai寬kuan度du的de因yin素su,又you要yao考kao慮lv其qi價jia格ge因yin素su。一yi般ban情qing況kuang下xia,對dui於yu較jiao小xiao量liang的de共gong模mo噪zao聲sheng,采cai用yong差cha動dong放fang大da器qi或huo儀yi表biao放fang大da器qi就jiu能neng夠gou取qu得de良liang好hao的de效xiao果guo,但dan對dui於yu具ju有you較jiao大da量liang的de共gong模mo噪zao聲sheng,且qie測ce量liang精jing度du要yao求qiu比bi較jiao高gao的de場chang合he,應ying該gai選xuan擇ze高gao精jing度du線xian性xing隔ge離li放fang大da器qi,如ruBB公司的ISO106,其主要參數如下:
——交流耐壓35kV/1min,60Hz;
——直流耐壓495kV;
——衝擊耐壓8kVPK/10s;
——非線性誤差0.007%;
——隔離噪聲抑製比交流130dB,直流160dB。
ISO106的優秀參數,使其大量地應用於精密測量係統中,線性隔離放大器的應用如圖3(b)所示。
2.3 模擬信號控製係統的隔離
ruqiansuoshu,monixinhaokongzhixitongdegeliyumonixinhaoceliangxitongdegelileisi,jijiaoliuxinhaoyibancaiyongbianyaqigeli,zhiliuxinhaoyibancaiyongzhiliudianyageliqihuoxianxinggeliqigeli。
3 數字電路的隔離
與模擬係統類似,一套控製裝置,或者一台電子電氣設備,通常所包含的數字係統有:數字信號輸入係統,數字信號輸出係統。數字量輸入係統主要采用脈衝變壓器隔離,光電耦合器隔離;而數字量輸出係統主要采用光電耦合器隔離,繼電器隔離,個別情況也可采用高頻變壓器隔離。
3.1 光電耦合器隔離
這種隔離方法是用光電耦合器把輸入信號與內部電路隔離開來,或者是把內部輸出信號與外部電路隔離開來,如圖4(a)、(b)所示。


目前,大多數光電耦合器件的隔離電壓都在2.5kV以上,有些器件達到了8kV,既有高壓大電流大功率光電耦合器件,又有高速高頻光電耦合器件(頻率高達10MHz)。常用的器件如:4N25,其隔離電壓為5.3kV;6N137,其隔離電壓為3kV,頻率在10MHz以上。
3.2 脈衝變壓器隔離
脈衝變壓器的匝數較少,而且一次繞組和二次繞組分別繞於鐵氧體磁芯的兩側,這種工藝使得它的分布電容特小,僅為幾個pF,所以可作為脈衝信號的隔離元件。脈衝變壓器傳遞輸入、輸出脈衝信號時,不傳遞直流分量,因而在微電子技術控製係統中得到了廣泛的應用。一般地說,脈衝變壓器的信號傳遞頻率在1kHz~1MHz之間,新型的高頻脈衝變壓器的傳遞頻率可達到10MHz。圖5(a)是脈衝變壓器的示意圖。脈衝變壓器主要用於晶閘管(SCR)、大功率晶體管(CTR)、IGBT等可控器件的控製隔離中。圖5(b)是脈衝變壓器的應用實例。
脈衝變壓器的匝數較少,而且一次繞組和二次繞組分別繞於鐵氧體磁芯的兩側,這種工藝使得它的分布電容特小,僅為幾個pF,所以可作為脈衝信號的隔離元件。脈衝變壓器傳遞輸入、輸出脈衝信號時,不傳遞直流分量,因而在微電子技術控製係統中得到了廣泛的應用。一般地說,脈衝變壓器的信號傳遞頻率在1kHz~1MHz之間,新型的高頻脈衝變壓器的傳遞頻率可達到10MHz。圖5(a)是脈衝變壓器的示意圖。脈衝變壓器主要用於晶閘管(SCR)、大功率晶體管(CTR)、IGBT等可控器件的控製隔離中。圖5(b)是脈衝變壓器的應用實例。

3.3 繼電器隔離
繼電器是常用的數字輸出隔離元件,用繼電器作為隔離元件簡單實用,價格低廉。圖6是(shi)繼(ji)電(dian)器(qi)輸(shu)出(chu)隔(ge)離(li)的(de)實(shi)例(li)示(shi)意(yi)圖(tu)。在(zai)該(gai)電(dian)路(lu)中(zhong),通(tong)過(guo)繼(ji)電(dian)器(qi)把(ba)低(di)壓(ya)直(zhi)流(liu)與(yu)高(gao)壓(ya)交(jiao)流(liu)隔(ge)離(li)開(kai)來(lai),使(shi)高(gao)壓(ya)交(jiao)流(liu)側(ce)的(de)幹(gan)擾(rao)無(wu)法(fa)進(jin)入(ru)低(di)壓(ya)直(zhi)流(liu)側(ce)。

4 模擬電路與數字電路之間的隔離
一般地說,模擬電路與數字電路之間的轉換通過模數轉換器(A/D)或數模轉換器(D/A)來(lai)實(shi)現(xian)。但(dan)是(shi),若(ruo)不(bu)采(cai)取(qu)一(yi)定(ding)的(de)措(cuo)施(shi),數(shu)字(zi)電(dian)路(lu)中(zhong)的(de)高(gao)頻(pin)振(zhen)蕩(dang)信(xin)號(hao)就(jiu)會(hui)對(dui)模(mo)擬(ni)電(dian)路(lu)帶(dai)來(lai)一(yi)定(ding)的(de)幹(gan)擾(rao),影(ying)響(xiang)測(ce)量(liang)的(de)精(jing)度(du)。為(wei)了(le)抑(yi)製(zhi)數(shu)字(zi)電(dian)路(lu)對(dui)模(mo)擬(ni)電(dian)路(lu)帶(dai)來(lai)的(de)高(gao)頻(pin)幹(gan)擾(rao),一(yi)般(ban)須(xu)將(jiang)模(mo)擬(ni)地(di)與(yu)數(shu)字(zi)地(di)分(fen)開(kai)布(bu)線(xian),參(can)見(jian)圖(tu)7(a)。這(zhe)種(zhong)布(bu)線(xian)方(fang)式(shi)不(bu)能(neng)徹(che)底(di)排(pai)除(chu)來(lai)自(zi)數(shu)字(zi)電(dian)路(lu)的(de)高(gao)頻(pin)幹(gan)擾(rao),要(yao)想(xiang)排(pai)除(chu)來(lai)自(zi)數(shu)字(zi)電(dian)路(lu)的(de)高(gao)頻(pin)幹(gan)擾(rao),必(bi)須(xu)把(ba)數(shu)字(zi)電(dian)路(lu)與(yu)模(mo)擬(ni)電(dian)路(lu)隔(ge)離(li)開(kai)來(lai),常(chang)用(yong)的(de)隔(ge)離(li)方(fang)法(fa)是(shi)在(zai)A/D轉換器與數字電路之間加入光電耦合器,把數字電路與模擬電路隔離開,參見圖7(b)。但dan這zhe種zhong電dian路lu還hai不bu能neng從cong根gen本ben上shang解jie決jue模mo擬ni電dian路lu中zhong的de幹gan擾rao問wen題ti,仍reng然ran存cun在zai著zhe一yi定ding的de缺que陷xian,這zhe是shi因yin為wei信xin號hao電dian路lu中zhong的de共gong模mo幹gan擾rao和he差cha模mo幹gan擾rao沒mei有you得de到dao有you效xiao的de抑yi製zhi,對dui於yu高gao精jing密mi測ce量liang的de場chang合he,還hai不bu能neng滿man足zu要yao求qiu。對dui於yu具ju有you嚴yan重zhong幹gan擾rao的de測ce量liang場chang合he,可ke采cai用yong圖tu7(c)所示的電路。在該電路中,把信號接收部分與模擬處理部分也進行了隔離,因為在前置處理級與模數轉換器(A/D)之間加入線性隔離放大器,把信號地與模擬地隔開,同時在模數轉換器(A/D)與(yu)數(shu)字(zi)電(dian)路(lu)之(zhi)間(jian)采(cai)用(yong)光(guang)電(dian)耦(ou)合(he)器(qi)隔(ge)離(li),把(ba)模(mo)擬(ni)地(di)與(yu)數(shu)字(zi)地(di)隔(ge)開(kai),這(zhe)樣(yang)一(yi)來(lai),既(ji)防(fang)止(zhi)了(le)數(shu)字(zi)係(xi)統(tong)的(de)高(gao)頻(pin)幹(gan)擾(rao)進(jin)入(ru)模(mo)擬(ni)部(bu)分(fen),又(you)阻(zu)斷(duan)了(le)來(lai)自(zi)前(qian)置(zhi)電(dian)路(lu)部(bu)分(fen)的(de)共(gong)模(mo)幹(gan)擾(rao)和(he)差(cha)模(mo)幹(gan)擾(rao)。當(dang)然(ran),這(zhe)種(zhong)係(xi)統(tong)的(de)造(zao)價(jia)較(jiao)高(gao),一(yi)般(ban)隻(zhi)用(yong)於(yu)高(gao)精(jing)度(du)的(de)測(ce)量(liang)係(xi)統(tong)中(zhong)。
數模轉換(D/A)電路的隔離與模數轉換(A/D)電路的隔離類似,因而所采取的技術措施也差不多,圖7(d)是數模轉換(D/A)電路的隔離方法之一。



5 結語
以上對電子電路的電氣隔離問題作出了概括性的論述,在產品的研製實踐中,還要對電子電氣設備的內部噪聲及外部幹擾進行全麵的分析,結合“接地問題”,“屏蔽問題”,選擇合理的隔離方式及其恰當的隔離部位,進行統一部署,才能設計出滿足電磁兼容性要求的合格產品,造福於社會。
特別推薦
- 噪聲中提取真值!瑞盟科技推出MSA2240電流檢測芯片賦能多元高端測量場景
- 10MHz高頻運行!氮矽科技發布集成驅動GaN芯片,助力電源能效再攀新高
- 失真度僅0.002%!力芯微推出超低內阻、超低失真4PST模擬開關
- 一“芯”雙電!聖邦微電子發布雙輸出電源芯片,簡化AFE與音頻設計
- 一機適配萬端:金升陽推出1200W可編程電源,賦能高端裝備製造
技術文章更多>>
- 邊緣AI的發展為更智能、更可持續的技術鋪平道路
- 每台智能體PC,都是AI時代的新入口
- IAR作為Qt Group獨立BU攜兩項重磅汽車電子應用開發方案首秀北京車展
- 構建具有網絡彈性的嵌入式係統:來自行業領袖的洞見
- 數字化的線性穩壓器
技術白皮書下載更多>>
- 車規與基於V2X的車輛協同主動避撞技術展望
- 數字隔離助力新能源汽車安全隔離的新挑戰
- 汽車模塊拋負載的解決方案
- 車用連接器的安全創新應用
- Melexis Actuators Business Unit
- Position / Current Sensors - Triaxis Hall
熱門搜索




