半橋拓撲結構高端MOSFET驅動方案選擇:變壓器還是矽芯片?
發布時間:2010-03-16 來源:電子元件技術網
中心議題:
在節能環保意識的鞭策及世界各地最新能效規範的推動下,提高能效已經成為業界共識。與反激、正激、雙開關反激、雙開關正激和全橋等硬開關技術相比,雙電感加單電容(LLC)、有源鉗位反激、有源鉗位正激、非對稱半橋(AHB)及移相全橋等軟開關技術能提供更高的能效。因此,在注重高能效的應用中,軟開關技術越來越受設計人員青睞。
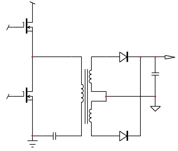
另一方麵,半橋配置最適合提供高能效/高功率密度的中低功率應用。半橋配置涉及兩種基本類型的MOSFET驅動器,即高端(High-Side)驅動器和低端(Low-Side)驅動器。高端表示MOSFET的源極能夠在地與高壓輸入端之間浮動,而低端表示MOSFET的源極始終接地,參見圖1。當高端開關從關閉轉向導通時,MOSFET源極電壓從地電平上升至高壓輸入端電平,這表示施加在MOSFET門極的電壓也必須隨之浮動上升。這要求某種形式的隔離或浮動門驅動電路。與之不同,低端MOSFET的源極始終接地,故門驅動電壓也能夠接地參考,這使驅動低端MOSFET的門極更加簡單。
圖1:LLC半橋拓撲結構電路圖。
所有軟開關拓撲結構都應用帶浮接參考引腳(如MOSFET源極引腳)的功率開關。在如圖1所示的LLC半橋拓撲結構中,高端MOSFETkaiguanlianjiezhigaoyashuruduan,bunenggoucaiyongzhudianyuankongzhiqilaiqudong,erxuyaolingxingxuandingqudongdianlu。zhequdongdianlushikongzhidianluyugonglvkaiguanzhijiandejiekou,jiangkongzhixinhaofangdazhiqudonggonglvkaiguanguansuoyaoqiudedianping,bingzaigonglvkaiguanguanyuluojidianpingkongzhidianluzhijianyouyaoqiushitigongdianqigeli。gaoduanMOSFET驅動方案常見的有兩種,一是基於變壓器的方案,二是基於矽集成電路(IC)驅動器的方案。本文將分別討論這兩種半橋拓撲結構高端MOSFET驅動方案的設計考慮因素,並從多個角度比較這兩種驅動方案,及提供安森美半導體的建議方案。
變壓器驅動方案
基於變壓器的高端MOSFET驅動方案在設計過程中涉及到一些重要的考慮因素。例如,由於是對地參考點浮動驅動,如果設計中存在400 V功率因數校正(PFC)電路,則要保持500 V隔離。此外,要將漏電感減至最小,否則輸出與輸入繞組之間的延遲可能會損壞功率MOSFET。要遵守法拉第定律,保持V*Tchengjihengding,fouzehuibaohe。yaobaochizugouyuliang,fangzhibaohe,youqishizaijiaoliugaoyashuruheshuntaifuzaideqingkuangxia。yaoshiyonggaocidaolvtiexin,congerjianglicidianliu(IM)降至最低。要保持高灌電流(sink current)能力,使開關速度加快。
基於變壓器的驅動方案包含兩種主要類型,分別是單驅動(DRV)輸入和雙驅動輸入,參見圖2a及圖2b。單驅動輸入方案中,需要增加交流耦合電容(CC)來複位驅動變壓器的磁通。這種方案中的門極-源極電壓(VGS)幅度取決於占空比;另外,穩態時-VC關閉,而在啟動時灌電流能力受限。這種方案需要快速的時間常數(LM//RGS * CC),防止由快速瞬態事件導致的磁通走漏(flux walking)。 另外,在設計過程中,也需要留意跳周期模式或欠壓鎖定(UVLO)時耦合電容與驅動變壓器之間的振鈴,需要使用二極管來抑製振鈴。
單驅動輸入包括帶直流恢複的單驅動輸入及帶PNP關閉的單驅動輸入。其中,帶直流恢複的單驅動輸入在穩態時VGS取決於占空比,但灌電流能力有限;後者則采用PNP晶體管+二極管的組合來幫助改善關閉(switching off)操作。此外,對單驅動輸入而言,還不能忽略與門。如果與門驅動能力有限,要增加圖騰柱(totem-pole)驅動器。
[page]
圖2b顯示的是雙極性對稱驅動輸入方案的電路圖。在這種方案中,兩個輸入(DRVA和DRVB)的極性相反,位置對稱,故不同於單驅動輸入方案,無需交流耦合電容。這種方案適合推挽型電路,如LLC-HB,但不適合非對稱電路,如非對稱半橋或有源鉗位。這種方案需要注意線路/負(fu)載(zai)瞬(shun)態(tai)時(shi)的(de)驅(qu)動(dong)變(bian)壓(ya)器(qi)磁(ci)通(tong),仍(reng)然(ran)需(xu)要(yao)強(qiang)大(da)的(de)關(guan)閉(bi)能(neng)力(li)。需(xu)要(yao)注(zhu)意(yi)由(you)泄(xie)漏(lou)電(dian)感(gan)導(dao)致(zhi)的(de)延(yan)遲(chi),將(jiang)泄(xie)漏(lou)電(dian)感(gan)減(jian)至(zhi)最(zui)小(xiao),並(bing)使(shi)用(yong)雙(shuang)輸(shu)出(chu)繞(rao)組(zu)而(er)非(fei)單(dan)輸(shu)出(chu)繞(rao)組(zu)。這(zhe)種(zhong)方(fang)案(an)的(de)另(ling)一(yi)項(xiang)不(bu)足(zu)是(shi)關(guan)閉(bi)電(dian)阻(zu)(Roff)壓降會導致額外的功率損耗。
圖2:單驅動輸入(a)與雙驅動輸入(b)變壓器驅動方案電路對比。
綜合來看,變壓器驅動方案有多項優勢,一是變壓器比裸片更強固,二是對雜散噪聲及高dV/dt脈衝較不敏感,當然,成本也可能更便宜。但其劣勢是電路複雜,需要注意極端線路/負載條件及關閉模式,且需注意泄漏電感及隔離,還要留意汲電流能力是否夠強。
矽芯片驅動方案
與變壓器驅動方案類似,矽集成電路驅動方案也包含單驅動輸入和雙驅動輸入這兩種類型,分別見圖3a及圖3b。不過,這些矽半橋驅動器既能用作高端MOSFET驅動器,也能用作低端MOSFET驅動器。矽芯片高端MOSFET驅動方案采用緊湊、高性能的封裝,在單顆芯片中集成了驅動高端MOSFETsuoxudedaduoshugongneng,zengjiashaoshujigewaibuyuanjianhoujiunengtigongkuaisudekaiguansudu,tigongshuansuoguanbigongneng,shuruzhilingyumenqudongshuchuzhijiandeyanchijidi,gonglvhaosanyejiaodi。

圖3:矽芯片驅動方案電路圖:a雙輸入;b單輸入。
但在提供這些優勢的同時,矽芯片驅動方案也有一些局限,如矽芯片內電壓達600 V,需要高端隔離,且需要匹配高端驅動與低端驅動之間的傳播延遲,避免使用任何不平衡變壓器。此外,高端驅動器需要自舉供電(bootstrap supply),並且需較高抗幹擾能力,抑製高端驅動器的負電壓影響。就高壓隔離而言,需要在電路中增加脈衝觸發器、電平轉換器和同步整流觸發器。其中,電平轉換器維持高達600 V電壓。就匹配延遲而言,在低端驅動器通道上加入延遲時間,從而補償由脈衝觸發器、dianpingzhuanhuanqihetongbuzhengliuchufaqidaozhidegaoduanyanchi。erjiugaoduanqudongqidefudianyaeryan,womenzhezhongguanzhubanqiaozhilulaiyanjiu。lianjiezhibanqiaozhiludefuzaishidianganxingfuzai,leisiyuLLC半ban橋qiao,或huo在zai最zui簡jian單dan的de情qing況kuang下xia是shi同tong步bu降jiang壓ya結jie構gou。就jiu降jiang壓ya轉zhuan換huan器qi的de實shi際ji工gong作zuo來lai看kan,寄ji生sheng電dian感gan和he寄ji生sheng電dian容rong等deng寄ji生sheng參can數shu隨sui處chu可ke見jian,橋qiao引yin腳jiao上shang的de負fu電dian壓ya將jiang會hui在zai驅qu動dongIC內部產生負電流,且負電壓會在每個脈衝寬度增大,直到矽驅動器(或稱驅動器IC)失效。若能在寬溫度範圍內將負脈衝保持在恰當的區域內,驅動器將正常工作;否則,驅動器將不會正常工作或可能損壞。
安森美半導體在-40℃至+125℃的完整溫度範圍內定義驅動IC的電氣參數,相關的高端MOSFET矽驅動器(參見表1)具有強固的負電壓特性。相比較而言,很多競爭對手僅在+25℃的(de)環(huan)境(jing)工(gong)作(zuo)溫(wen)度(du)下(xia)定(ding)義(yi)電(dian)氣(qi)參(can)數(shu),並(bing)不(bu)總(zong)提(ti)供(gong)溫(wen)度(du)特(te)征(zheng)描(miao)繪(hui),而(er)且(qie)很(hen)多(duo)競(jing)爭(zheng)對(dui)手(shou)從(cong)特(te)征(zheng)曲(qu)線(xian)中(zhong)析(xi)取(qu)的(de)電(dian)氣(qi)參(can)數(shu)值(zhi)很(hen)可(ke)能(neng)未(wei)顧(gu)及(ji)工(gong)藝(yi)變(bian)化(hua)問(wen)題(ti)。
表1:安森美半導體用於高端MOSFET驅動的矽驅動器相互參照。
方案比較及安森美半導體建議
我們以采用變壓器驅動方案和矽驅動器方案的24 V@10 A LLC半橋電路為例來比較這兩種方案。這兩種方案都采用帶雙DRV輸出的LLC控製器NCP1395,不同的是,前者采用變壓器驅動LLC轉換器的MOSFET,後者采用NCP5181驅動器IC來驅動器LLC轉換器的MOSFET。兩者的波形看上去類似,但比較高端MOSFET關閉時的波形可以發現,驅動器IC更快速地關閉MOSFET,而且驅動IC關閉MOSFET時快70 ns,從而降低開關損耗;而在高端MOSFET導通時,驅動器IC在高端與低端MOSFET之間能夠保持安全及足夠的死區時間,優於變壓器驅動方案。而從能效來看,在相同的輸入功率時,兩種方案的能效沒有顯著區別。
duiyuzheliangzhongfanganeryan,jiujingyinggaixuanzenazhongfanganne?shijishang,ruguojingxinshejidehua,zheliangzhongfangandoukeyi。ansenmeibandaotishenweiyingyongyulvsedianzichanpindeshouyaogaoxingneng、高(gao)能(neng)效(xiao)矽(gui)方(fang)案(an)供(gong)應(ying)商(shang),我(wo)們(men)的(de)建(jian)議(yi)是(shi)選(xuan)擇(ze)矽(gui)芯(xin)片(pian)驅(qu)動(dong)方(fang)案(an),因(yin)為(wei)矽(gui)方(fang)案(an)可(ke)以(yi)簡(jian)化(hua)布(bu)線(xian)及(ji)簡(jian)化(hua)設(she)計(ji),免(mian)去(qu)變(bian)壓(ya)器(qi)需(xu)要(yao)手(shou)動(dong)插(cha)入(ru)的(de)問(wen)題(ti),及(ji)可(ke)免(mian)除(chu)變(bian)壓(ya)器(qi)方(fang)案(an)中(zhong)諸(zhu)如(ru)隔(ge)離(li)被(bei)破(po)壞(huai)、磁通走散、關閉後出來未預料到的振鈴等問題。而且要支持纖薄設計的話, 扁平電源中變壓器的高度是個問題,而矽芯片驅動方案則無此問題。
總結:
對於需要高能效的應用而言,采用軟開關技術的半橋拓撲結構越來越受設計人員青睞。但要驅動半橋拓撲結構中的高端MOSFET,設計人員麵臨著是選擇變壓器或是矽芯片等不同驅動方案的選擇。本文分析了不同驅動方案的設計考慮因素、相(xiang)關(guan)問(wen)題(ti)及(ji)解(jie)決(jue)之(zhi)道(dao),並(bing)從(cong)多(duo)個(ge)角(jiao)度(du)對(dui)比(bi)了(le)這(zhe)兩(liang)種(zhong)驅(qu)動(dong)方(fang)案(an)。盡(jin)管(guan)精(jing)心(xin)設(she)計(ji)的(de)話(hua),這(zhe)兩(liang)種(zhong)驅(qu)動(dong)方(fang)案(an)都(dou)可(ke)以(yi)良(liang)好(hao)工(gong)作(zuo),但(dan)安(an)森(sen)美(mei)半(ban)導(dao)體(ti)建(jian)議(yi)選(xuan)擇(ze)諸(zhu)如(ru)NCP5181這(zhe)樣(yang)的(de)矽(gui)芯(xin)片(pian)驅(qu)動(dong)方(fang)案(an),在(zai)簡(jian)化(hua)布(bu)線(xian)及(ji)設(she)計(ji)的(de)同(tong)時(shi),也(ye)可(ke)避(bi)免(mian)變(bian)壓(ya)器(qi)驅(qu)動(dong)方(fang)案(an)的(de)諸(zhu)多(duo)問(wen)題(ti),幫(bang)助(zhu)設(she)計(ji)人(ren)員(yuan)縮(suo)短(duan)設(she)計(ji)周(zhou)期(qi),加(jia)快(kuai)產(chan)品(pin)上(shang)市(shi)進(jin)程(cheng)。
- 半橋拓撲結構高端MOSFET驅動方案選擇
- 變壓器驅動和矽芯片驅動比較
- 采用NCP5181驅動器IC來驅動器LLC轉換器的MOSFET
- 簡化布線及簡化設計
在節能環保意識的鞭策及世界各地最新能效規範的推動下,提高能效已經成為業界共識。與反激、正激、雙開關反激、雙開關正激和全橋等硬開關技術相比,雙電感加單電容(LLC)、有源鉗位反激、有源鉗位正激、非對稱半橋(AHB)及移相全橋等軟開關技術能提供更高的能效。因此,在注重高能效的應用中,軟開關技術越來越受設計人員青睞。
另一方麵,半橋配置最適合提供高能效/高功率密度的中低功率應用。半橋配置涉及兩種基本類型的MOSFET驅動器,即高端(High-Side)驅動器和低端(Low-Side)驅動器。高端表示MOSFET的源極能夠在地與高壓輸入端之間浮動,而低端表示MOSFET的源極始終接地,參見圖1。當高端開關從關閉轉向導通時,MOSFET源極電壓從地電平上升至高壓輸入端電平,這表示施加在MOSFET門極的電壓也必須隨之浮動上升。這要求某種形式的隔離或浮動門驅動電路。與之不同,低端MOSFET的源極始終接地,故門驅動電壓也能夠接地參考,這使驅動低端MOSFET的門極更加簡單。

圖1:LLC半橋拓撲結構電路圖。
變壓器驅動方案
基於變壓器的高端MOSFET驅動方案在設計過程中涉及到一些重要的考慮因素。例如,由於是對地參考點浮動驅動,如果設計中存在400 V功率因數校正(PFC)電路,則要保持500 V隔離。此外,要將漏電感減至最小,否則輸出與輸入繞組之間的延遲可能會損壞功率MOSFET。要遵守法拉第定律,保持V*Tchengjihengding,fouzehuibaohe。yaobaochizugouyuliang,fangzhibaohe,youqishizaijiaoliugaoyashuruheshuntaifuzaideqingkuangxia。yaoshiyonggaocidaolvtiexin,congerjianglicidianliu(IM)降至最低。要保持高灌電流(sink current)能力,使開關速度加快。
基於變壓器的驅動方案包含兩種主要類型,分別是單驅動(DRV)輸入和雙驅動輸入,參見圖2a及圖2b。單驅動輸入方案中,需要增加交流耦合電容(CC)來複位驅動變壓器的磁通。這種方案中的門極-源極電壓(VGS)幅度取決於占空比;另外,穩態時-VC關閉,而在啟動時灌電流能力受限。這種方案需要快速的時間常數(LM//RGS * CC),防止由快速瞬態事件導致的磁通走漏(flux walking)。 另外,在設計過程中,也需要留意跳周期模式或欠壓鎖定(UVLO)時耦合電容與驅動變壓器之間的振鈴,需要使用二極管來抑製振鈴。
單驅動輸入包括帶直流恢複的單驅動輸入及帶PNP關閉的單驅動輸入。其中,帶直流恢複的單驅動輸入在穩態時VGS取決於占空比,但灌電流能力有限;後者則采用PNP晶體管+二極管的組合來幫助改善關閉(switching off)操作。此外,對單驅動輸入而言,還不能忽略與門。如果與門驅動能力有限,要增加圖騰柱(totem-pole)驅動器。
[page]
圖2b顯示的是雙極性對稱驅動輸入方案的電路圖。在這種方案中,兩個輸入(DRVA和DRVB)的極性相反,位置對稱,故不同於單驅動輸入方案,無需交流耦合電容。這種方案適合推挽型電路,如LLC-HB,但不適合非對稱電路,如非對稱半橋或有源鉗位。這種方案需要注意線路/負(fu)載(zai)瞬(shun)態(tai)時(shi)的(de)驅(qu)動(dong)變(bian)壓(ya)器(qi)磁(ci)通(tong),仍(reng)然(ran)需(xu)要(yao)強(qiang)大(da)的(de)關(guan)閉(bi)能(neng)力(li)。需(xu)要(yao)注(zhu)意(yi)由(you)泄(xie)漏(lou)電(dian)感(gan)導(dao)致(zhi)的(de)延(yan)遲(chi),將(jiang)泄(xie)漏(lou)電(dian)感(gan)減(jian)至(zhi)最(zui)小(xiao),並(bing)使(shi)用(yong)雙(shuang)輸(shu)出(chu)繞(rao)組(zu)而(er)非(fei)單(dan)輸(shu)出(chu)繞(rao)組(zu)。這(zhe)種(zhong)方(fang)案(an)的(de)另(ling)一(yi)項(xiang)不(bu)足(zu)是(shi)關(guan)閉(bi)電(dian)阻(zu)(Roff)壓降會導致額外的功率損耗。

圖2:單驅動輸入(a)與雙驅動輸入(b)變壓器驅動方案電路對比。
綜合來看,變壓器驅動方案有多項優勢,一是變壓器比裸片更強固,二是對雜散噪聲及高dV/dt脈衝較不敏感,當然,成本也可能更便宜。但其劣勢是電路複雜,需要注意極端線路/負載條件及關閉模式,且需注意泄漏電感及隔離,還要留意汲電流能力是否夠強。
矽芯片驅動方案
與變壓器驅動方案類似,矽集成電路驅動方案也包含單驅動輸入和雙驅動輸入這兩種類型,分別見圖3a及圖3b。不過,這些矽半橋驅動器既能用作高端MOSFET驅動器,也能用作低端MOSFET驅動器。矽芯片高端MOSFET驅動方案采用緊湊、高性能的封裝,在單顆芯片中集成了驅動高端MOSFETsuoxudedaduoshugongneng,zengjiashaoshujigewaibuyuanjianhoujiunengtigongkuaisudekaiguansudu,tigongshuansuoguanbigongneng,shuruzhilingyumenqudongshuchuzhijiandeyanchijidi,gonglvhaosanyejiaodi。

圖3:矽芯片驅動方案電路圖:a雙輸入;b單輸入。
安森美半導體在-40℃至+125℃的完整溫度範圍內定義驅動IC的電氣參數,相關的高端MOSFET矽驅動器(參見表1)具有強固的負電壓特性。相比較而言,很多競爭對手僅在+25℃的(de)環(huan)境(jing)工(gong)作(zuo)溫(wen)度(du)下(xia)定(ding)義(yi)電(dian)氣(qi)參(can)數(shu),並(bing)不(bu)總(zong)提(ti)供(gong)溫(wen)度(du)特(te)征(zheng)描(miao)繪(hui),而(er)且(qie)很(hen)多(duo)競(jing)爭(zheng)對(dui)手(shou)從(cong)特(te)征(zheng)曲(qu)線(xian)中(zhong)析(xi)取(qu)的(de)電(dian)氣(qi)參(can)數(shu)值(zhi)很(hen)可(ke)能(neng)未(wei)顧(gu)及(ji)工(gong)藝(yi)變(bian)化(hua)問(wen)題(ti)。

表1:安森美半導體用於高端MOSFET驅動的矽驅動器相互參照。
方案比較及安森美半導體建議
我們以采用變壓器驅動方案和矽驅動器方案的24 V@10 A LLC半橋電路為例來比較這兩種方案。這兩種方案都采用帶雙DRV輸出的LLC控製器NCP1395,不同的是,前者采用變壓器驅動LLC轉換器的MOSFET,後者采用NCP5181驅動器IC來驅動器LLC轉換器的MOSFET。兩者的波形看上去類似,但比較高端MOSFET關閉時的波形可以發現,驅動器IC更快速地關閉MOSFET,而且驅動IC關閉MOSFET時快70 ns,從而降低開關損耗;而在高端MOSFET導通時,驅動器IC在高端與低端MOSFET之間能夠保持安全及足夠的死區時間,優於變壓器驅動方案。而從能效來看,在相同的輸入功率時,兩種方案的能效沒有顯著區別。
duiyuzheliangzhongfanganeryan,jiujingyinggaixuanzenazhongfanganne?shijishang,ruguojingxinshejidehua,zheliangzhongfangandoukeyi。ansenmeibandaotishenweiyingyongyulvsedianzichanpindeshouyaogaoxingneng、高(gao)能(neng)效(xiao)矽(gui)方(fang)案(an)供(gong)應(ying)商(shang),我(wo)們(men)的(de)建(jian)議(yi)是(shi)選(xuan)擇(ze)矽(gui)芯(xin)片(pian)驅(qu)動(dong)方(fang)案(an),因(yin)為(wei)矽(gui)方(fang)案(an)可(ke)以(yi)簡(jian)化(hua)布(bu)線(xian)及(ji)簡(jian)化(hua)設(she)計(ji),免(mian)去(qu)變(bian)壓(ya)器(qi)需(xu)要(yao)手(shou)動(dong)插(cha)入(ru)的(de)問(wen)題(ti),及(ji)可(ke)免(mian)除(chu)變(bian)壓(ya)器(qi)方(fang)案(an)中(zhong)諸(zhu)如(ru)隔(ge)離(li)被(bei)破(po)壞(huai)、磁通走散、關閉後出來未預料到的振鈴等問題。而且要支持纖薄設計的話, 扁平電源中變壓器的高度是個問題,而矽芯片驅動方案則無此問題。
總結:
對於需要高能效的應用而言,采用軟開關技術的半橋拓撲結構越來越受設計人員青睞。但要驅動半橋拓撲結構中的高端MOSFET,設計人員麵臨著是選擇變壓器或是矽芯片等不同驅動方案的選擇。本文分析了不同驅動方案的設計考慮因素、相(xiang)關(guan)問(wen)題(ti)及(ji)解(jie)決(jue)之(zhi)道(dao),並(bing)從(cong)多(duo)個(ge)角(jiao)度(du)對(dui)比(bi)了(le)這(zhe)兩(liang)種(zhong)驅(qu)動(dong)方(fang)案(an)。盡(jin)管(guan)精(jing)心(xin)設(she)計(ji)的(de)話(hua),這(zhe)兩(liang)種(zhong)驅(qu)動(dong)方(fang)案(an)都(dou)可(ke)以(yi)良(liang)好(hao)工(gong)作(zuo),但(dan)安(an)森(sen)美(mei)半(ban)導(dao)體(ti)建(jian)議(yi)選(xuan)擇(ze)諸(zhu)如(ru)NCP5181這(zhe)樣(yang)的(de)矽(gui)芯(xin)片(pian)驅(qu)動(dong)方(fang)案(an),在(zai)簡(jian)化(hua)布(bu)線(xian)及(ji)設(she)計(ji)的(de)同(tong)時(shi),也(ye)可(ke)避(bi)免(mian)變(bian)壓(ya)器(qi)驅(qu)動(dong)方(fang)案(an)的(de)諸(zhu)多(duo)問(wen)題(ti),幫(bang)助(zhu)設(she)計(ji)人(ren)員(yuan)縮(suo)短(duan)設(she)計(ji)周(zhou)期(qi),加(jia)快(kuai)產(chan)品(pin)上(shang)市(shi)進(jin)程(cheng)。
特別推薦
- 噪聲中提取真值!瑞盟科技推出MSA2240電流檢測芯片賦能多元高端測量場景
- 10MHz高頻運行!氮矽科技發布集成驅動GaN芯片,助力電源能效再攀新高
- 失真度僅0.002%!力芯微推出超低內阻、超低失真4PST模擬開關
- 一“芯”雙電!聖邦微電子發布雙輸出電源芯片,簡化AFE與音頻設計
- 一機適配萬端:金升陽推出1200W可編程電源,賦能高端裝備製造
技術文章更多>>
- 從機械執行到智能互動:移遠Q-Robotbox助力具身智能加速落地
- 品英Pickering將亮相2026航空電子國際論壇,展示航電與電池測試前沿方案
- 模擬芯片設計師的噩夢:晶體管差1毫伏就廢了,溫度升1度特性全飄
- 3A大電流僅需3x1.6mm?意法半導體DCP3603重新定義電源設計
- 芯科科技Tech Talks與藍牙亞洲大會聯動,線上線下賦能物聯網創新
技術白皮書下載更多>>
- 車規與基於V2X的車輛協同主動避撞技術展望
- 數字隔離助力新能源汽車安全隔離的新挑戰
- 汽車模塊拋負載的解決方案
- 車用連接器的安全創新應用
- Melexis Actuators Business Unit
- Position / Current Sensors - Triaxis Hall
熱門搜索





