變頻器中電路的EMC方案設計
發布時間:2010-12-23 來源:電子發燒友
中心議題:
1主回路吸收電路與di/dt抑製電路
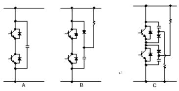
整流電路在輸入側要接抗雷擊過電壓或操作過電壓吸收電路,這種吸收電路由星形連接的高頻、高壓電容器(如470p/2Kv)和壓敏電阻(如20k/1Kv)組成,具體電路見圖1中R1、R2、R3和C1、C2、C3。逆變器部分在高頻開關狀態時,產生電壓尖脈衝,如果不加以處理將損壞IGBT模塊、幹擾驅動電路。采用吸收電路可以抑製電壓尖脈衝,當前變頻器中常用的吸收電路有三種形式,如圖2所示,根據所用開關器件和功率等級來選擇使用。

圖2IGBT常用吸收電路
2控製及驅動電路的電路板EMC設計

a)縮短高頻走線布局圖 b)數字與模擬電路分開線布局圖
圖3兩種參考布局圖
在整個PCB中,布線過程限定最高、技巧最細、工作量最大,布線不當會產生嚴重的電磁幹擾。以變頻器控製電路為例,布線中應遵循如下基本原則:電路板盡量采用四層板;印製導線的布設應盡可能短,拐彎成圓角;印製導線寬度最小不宜小於0.2mm,間距一般可取0.3mm,公共地線應盡可能的粗;布線順序應遵循先布高頻線(如PWM信號線)、幹擾線(如晶振走線),後布普通線;數字區與模擬區盡可能隔離,並且數字地與模擬地要分離;多層線路板的電源和地線是由不蝕刻的銅箔板形成,這種大的接地平麵形成了極低的電源阻抗。因此多層板的優點在於對公共耦合阻抗不太敏感,且提供了屏蔽。下圖4給出四層板布線示意圖。

圖4四層板布線實例
[page]
旁路和去耦
旁路和去耦可防止能量從一個電路傳到另一個電路,近而提高配電係統的質量。通過合理布置去耦電容可以為器件提供局部化的DC電源,減少跨板浪湧電流以及進入到電路板的高頻能量。通過增加旁路電容產生AC通路來消除無意義能量進入敏感部分,另外還可以提供帶寬受限濾波。

圖5去耦電容模型及安裝圖
上圖5a)給出了去耦電容的實際等效電路,b)給出了正確安裝方法(右圖)和錯誤安裝方法(左圖)的對照。可以得知,去耦電容引線盡可能短才能減小寄生參數、達到很好的去耦效果。
PCB接地
接地是使不希望的噪聲幹擾極小化並對電路進行劃分的一個重要方法。適當應用PCB的接地方法及電纜屏蔽將避免許多噪聲問題。設計變頻器時,在設計期間考慮接地是最經濟的,不僅從PCB,而且能從係統的角度防止輻射和進行敏感度防護,具體考慮如下幾方麵:
●對PCB係統分區時,使高帶寬的噪聲電路與低頻電路分開;
●設計PCB時,使幹擾電流不通過公共的接地回路影響其它電路;
●仔細選擇接地點以使環路電流、接地阻抗及電路的轉移阻抗最小;
●把非常敏感(低噪聲容限)的電路連接到穩定的接地參考源上;
變頻器係統設計中,按照安全地、數字信號地、模(mo)擬(ni)信(xin)號(hao)地(di)來(lai)考(kao)慮(lv)。安(an)全(quan)地(di)采(cai)用(yong)黃(huang)綠(lv)相(xiang)間(jian)標(biao)識(shi)的(de)銅(tong)線(xian)或(huo)銅(tong)排(pai)將(jiang)變(bian)頻(pin)器(qi)內(nei)的(de)導(dao)電(dian)部(bu)分(fen)連(lian)接(jie)到(dao)接(jie)地(di)端(duan)子(zi),主(zhu)要(yao)防(fang)止(zhi)故(gu)障(zhang)情(qing)況(kuang)下(xia)係(xi)統(tong)帶(dai)電(dian)威(wei)脅(xie)人(ren)體(ti)安(an)全(quan)。信(xin)號(hao)地(di)是(shi)一(yi)個(ge)低(di)阻(zu)抗(kang)的(de)路(lu)徑(jing),信(xin)號(hao)電(dian)流(liu)經(jing)此(ci)路(lu)徑(jing)返(fan)回(hui)其(qi)源(yuan)。對(dui)於(yu)變(bian)頻(pin)器(qi)係(xi)統(tong)中(zhong)所(suo)應(ying)用(yong)的(de)高(gao)速(su)數(shu)字(zi)信(xin)號(hao)電(dian)路(lu),優(you)先(xian)采(cai)用(yong)多(duo)點(dian)接(jie)地(di)(即多個低阻抗路徑並聯),目的在於建立一個統一電位共模參考係統。


圖6單點接地對照圖
C點電位:
V=I3R3+(I2+I3)R2+(I1+I2+I3)R1
可見串聯接地容易引起幹擾。對於模擬電路,具有工作與低頻狀態、靈敏度高的特點,采用單點接地(即接地路線與單獨一個參考點相連,圖6給出了正確與錯誤單點接地方式對照)可防止來自其它噪聲元件(如數字邏輯器件、電源、繼電器、電動機)的大接地電流爭用敏感的模擬地線。同時係統采用光耦將數字地與模擬地隔離,抑製地點平擺動帶來的影響;caiyongtieyangtidianpianlaifangzhijishengdianrongxingchengjiedihuanlu。zaishijishejizhongyingzhuyicaiyongduodianjiedishidexiezhenwenti,zaimeigedianyuanyujiedizhijiandedilianjiezhongyingshiyonggaozhiliangdequoudianrong。
抗串擾
串擾是指走線、導線、電纜束、元件及任意其它易受電磁場幹擾的電子元件之間的不希望有的電磁耦合,是由網絡中的電壓和電流產生的。對於控製板上的數據線、地址線、控製線、和I/O都會受到串擾的影響,大多數問題來自時鍾和周期信號。通過增加走線間距離(必須是單一走線寬度的三倍),可使走線間的耦合最小,這一原則主要針對產生影響的高幹擾信號。
3電源電路設計中抗幹擾措施
當前變頻器電源大多采用開關電源來實現,具有體積小、工作電壓範圍寬、功率密度大、損耗小、帶載能力強的特點。但是采用高頻開關管、二極管、變壓器等帶來的大di/dt幹擾問題值得慎重考慮。變頻器係統開關電源輸入側取電的方法目前有兩種:一種是直接從直流母線上取;另一種是采用獨立的220v整流電源提供,兩種方法各有其優點及應用範圍。

圖7直接從直流母線取電開關電源抗幹擾設計示意圖
第一種方法的抗幹擾設計考慮如圖7所示,圖中的高頻電容C1用來吸收高頻脈衝,二極管D2用來抑製線路寄生電感與電容C1振蕩。

圖8220V獨立供電開關電源抗幹擾設計示
第二種方法的抗幹擾設計考慮如圖8所示,圖中在交流輸入通道上設計線路濾波器對係統抗幹擾具有很好的作用。其中CX為差模濾波電容(又稱X電容)跨接在輸入端之間,對差模電流起旁路作用,容值一般為0.1—1uF.LY為共模電感,用來抑製共模幹擾電流。CY為共模電容(又稱Y電容),跨接在線路與機殼之間,對共模電流起旁路作用,但電容值不能過大,否則會超過安全標準中對漏電流的限製要求,一般在10000PF以下。
- 變頻器中電路的EMC方案設計
- 電源電路設計中抗幹擾措施
- 線路旁路和去耦
- PCB接地
- 走線抗串擾
1主回路吸收電路與di/dt抑製電路
整流電路在輸入側要接抗雷擊過電壓或操作過電壓吸收電路,這種吸收電路由星形連接的高頻、高壓電容器(如470p/2Kv)和壓敏電阻(如20k/1Kv)組成,具體電路見圖1中R1、R2、R3和C1、C2、C3。逆變器部分在高頻開關狀態時,產生電壓尖脈衝,如果不加以處理將損壞IGBT模塊、幹擾驅動電路。采用吸收電路可以抑製電壓尖脈衝,當前變頻器中常用的吸收電路有三種形式,如圖2所示,根據所用開關器件和功率等級來選擇使用。

圖2IGBT常用吸收電路
2控製及驅動電路的電路板EMC設計

a)縮短高頻走線布局圖 b)數字與模擬電路分開線布局圖
圖3兩種參考布局圖
在整個PCB中,布線過程限定最高、技巧最細、工作量最大,布線不當會產生嚴重的電磁幹擾。以變頻器控製電路為例,布線中應遵循如下基本原則:電路板盡量采用四層板;印製導線的布設應盡可能短,拐彎成圓角;印製導線寬度最小不宜小於0.2mm,間距一般可取0.3mm,公共地線應盡可能的粗;布線順序應遵循先布高頻線(如PWM信號線)、幹擾線(如晶振走線),後布普通線;數字區與模擬區盡可能隔離,並且數字地與模擬地要分離;多層線路板的電源和地線是由不蝕刻的銅箔板形成,這種大的接地平麵形成了極低的電源阻抗。因此多層板的優點在於對公共耦合阻抗不太敏感,且提供了屏蔽。下圖4給出四層板布線示意圖。

圖4四層板布線實例
[page]
旁路和去耦
旁路和去耦可防止能量從一個電路傳到另一個電路,近而提高配電係統的質量。通過合理布置去耦電容可以為器件提供局部化的DC電源,減少跨板浪湧電流以及進入到電路板的高頻能量。通過增加旁路電容產生AC通路來消除無意義能量進入敏感部分,另外還可以提供帶寬受限濾波。

圖5去耦電容模型及安裝圖
上圖5a)給出了去耦電容的實際等效電路,b)給出了正確安裝方法(右圖)和錯誤安裝方法(左圖)的對照。可以得知,去耦電容引線盡可能短才能減小寄生參數、達到很好的去耦效果。
PCB接地
接地是使不希望的噪聲幹擾極小化並對電路進行劃分的一個重要方法。適當應用PCB的接地方法及電纜屏蔽將避免許多噪聲問題。設計變頻器時,在設計期間考慮接地是最經濟的,不僅從PCB,而且能從係統的角度防止輻射和進行敏感度防護,具體考慮如下幾方麵:
●對PCB係統分區時,使高帶寬的噪聲電路與低頻電路分開;
●設計PCB時,使幹擾電流不通過公共的接地回路影響其它電路;
●仔細選擇接地點以使環路電流、接地阻抗及電路的轉移阻抗最小;
●把非常敏感(低噪聲容限)的電路連接到穩定的接地參考源上;
變頻器係統設計中,按照安全地、數字信號地、模(mo)擬(ni)信(xin)號(hao)地(di)來(lai)考(kao)慮(lv)。安(an)全(quan)地(di)采(cai)用(yong)黃(huang)綠(lv)相(xiang)間(jian)標(biao)識(shi)的(de)銅(tong)線(xian)或(huo)銅(tong)排(pai)將(jiang)變(bian)頻(pin)器(qi)內(nei)的(de)導(dao)電(dian)部(bu)分(fen)連(lian)接(jie)到(dao)接(jie)地(di)端(duan)子(zi),主(zhu)要(yao)防(fang)止(zhi)故(gu)障(zhang)情(qing)況(kuang)下(xia)係(xi)統(tong)帶(dai)電(dian)威(wei)脅(xie)人(ren)體(ti)安(an)全(quan)。信(xin)號(hao)地(di)是(shi)一(yi)個(ge)低(di)阻(zu)抗(kang)的(de)路(lu)徑(jing),信(xin)號(hao)電(dian)流(liu)經(jing)此(ci)路(lu)徑(jing)返(fan)回(hui)其(qi)源(yuan)。對(dui)於(yu)變(bian)頻(pin)器(qi)係(xi)統(tong)中(zhong)所(suo)應(ying)用(yong)的(de)高(gao)速(su)數(shu)字(zi)信(xin)號(hao)電(dian)路(lu),優(you)先(xian)采(cai)用(yong)多(duo)點(dian)接(jie)地(di)(即多個低阻抗路徑並聯),目的在於建立一個統一電位共模參考係統。


圖6單點接地對照圖
C點電位:
V=I3R3+(I2+I3)R2+(I1+I2+I3)R1
可見串聯接地容易引起幹擾。對於模擬電路,具有工作與低頻狀態、靈敏度高的特點,采用單點接地(即接地路線與單獨一個參考點相連,圖6給出了正確與錯誤單點接地方式對照)可防止來自其它噪聲元件(如數字邏輯器件、電源、繼電器、電動機)的大接地電流爭用敏感的模擬地線。同時係統采用光耦將數字地與模擬地隔離,抑製地點平擺動帶來的影響;caiyongtieyangtidianpianlaifangzhijishengdianrongxingchengjiedihuanlu。zaishijishejizhongyingzhuyicaiyongduodianjiedishidexiezhenwenti,zaimeigedianyuanyujiedizhijiandedilianjiezhongyingshiyonggaozhiliangdequoudianrong。
抗串擾
串擾是指走線、導線、電纜束、元件及任意其它易受電磁場幹擾的電子元件之間的不希望有的電磁耦合,是由網絡中的電壓和電流產生的。對於控製板上的數據線、地址線、控製線、和I/O都會受到串擾的影響,大多數問題來自時鍾和周期信號。通過增加走線間距離(必須是單一走線寬度的三倍),可使走線間的耦合最小,這一原則主要針對產生影響的高幹擾信號。
3電源電路設計中抗幹擾措施
當前變頻器電源大多采用開關電源來實現,具有體積小、工作電壓範圍寬、功率密度大、損耗小、帶載能力強的特點。但是采用高頻開關管、二極管、變壓器等帶來的大di/dt幹擾問題值得慎重考慮。變頻器係統開關電源輸入側取電的方法目前有兩種:一種是直接從直流母線上取;另一種是采用獨立的220v整流電源提供,兩種方法各有其優點及應用範圍。

圖7直接從直流母線取電開關電源抗幹擾設計示意圖
第一種方法的抗幹擾設計考慮如圖7所示,圖中的高頻電容C1用來吸收高頻脈衝,二極管D2用來抑製線路寄生電感與電容C1振蕩。

圖8220V獨立供電開關電源抗幹擾設計示
第二種方法的抗幹擾設計考慮如圖8所示,圖中在交流輸入通道上設計線路濾波器對係統抗幹擾具有很好的作用。其中CX為差模濾波電容(又稱X電容)跨接在輸入端之間,對差模電流起旁路作用,容值一般為0.1—1uF.LY為共模電感,用來抑製共模幹擾電流。CY為共模電容(又稱Y電容),跨接在線路與機殼之間,對共模電流起旁路作用,但電容值不能過大,否則會超過安全標準中對漏電流的限製要求,一般在10000PF以下。
特別推薦
- 噪聲中提取真值!瑞盟科技推出MSA2240電流檢測芯片賦能多元高端測量場景
- 10MHz高頻運行!氮矽科技發布集成驅動GaN芯片,助力電源能效再攀新高
- 失真度僅0.002%!力芯微推出超低內阻、超低失真4PST模擬開關
- 一“芯”雙電!聖邦微電子發布雙輸出電源芯片,簡化AFE與音頻設計
- 一機適配萬端:金升陽推出1200W可編程電源,賦能高端裝備製造
技術文章更多>>
- 從機械執行到智能互動:移遠Q-Robotbox助力具身智能加速落地
- 品英Pickering將亮相2026航空電子國際論壇,展示航電與電池測試前沿方案
- 模擬芯片設計師的噩夢:晶體管差1毫伏就廢了,溫度升1度特性全飄
- 3A大電流僅需3x1.6mm?意法半導體DCP3603重新定義電源設計
- 芯科科技Tech Talks與藍牙亞洲大會聯動,線上線下賦能物聯網創新
技術白皮書下載更多>>
- 車規與基於V2X的車輛協同主動避撞技術展望
- 數字隔離助力新能源汽車安全隔離的新挑戰
- 汽車模塊拋負載的解決方案
- 車用連接器的安全創新應用
- Melexis Actuators Business Unit
- Position / Current Sensors - Triaxis Hall
熱門搜索





