模擬電路故障診斷
發布時間:2011-01-18
中心議題:
檢測地回路
現代的電子產品往往將小信號模擬電路、數字電路和功率電路緊密地整合在一塊PCB上,電路布局不僅要滿足電路性能要求,還受結構設計的約束,同時要符合EMC規範,這些都給地回路的布置帶來了很大的挑戰。在多重約束的限製下,設計階段PCB地回路布線會存在不確定的因素,需要在測試階段檢驗。
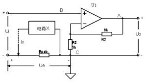
以圖1所示電路為例,U1、R3、R2組成同相放大器,設計期望該放大器能夠將輸入信號Ui放大10倍,Uo是放大器的輸出電壓。由於PCB布局布線受到約束,Ui的“-”輸入端子跟電阻R2的C端之間有一段導線Rpcb。而PCB上可能存在“電路X”引入地回流Ix流過導線電阻Rpcb。受“電路X”地回流Ix的影響,導線Rpcb兩端會有電壓差Ue,為了確定Ue對被測信號的影響,需要測量Ue的大小。

圖1包含地回流幹擾的同相放大電路
對精密電路而言,即使Ue隻有μV量級,也會對電路產生巨大的影響。DM3068數字萬用表直流電壓的最小讀數分辨率可達0.1μV,而且測量端子跟機殼地隔離,不會引入額外的直流電流地回路,適合於測量地回路引起的μV量級直流誤差。
測量弱電壓信號需要注意熱電勢、共模幹擾、電磁感應等誤差源,這些誤差一般在10μV的量級,會嚴重幹擾小信號測量。使用同材質的、雙絞或帶屏蔽的測試電纜可以減小熱電勢和電磁感應的誤差。測量Ue前可以先判別這些誤差源引入的總誤差的大小,使用萬用表的“相對”運算排除固定誤差的幹擾,然後再測量Ue就可以得到比較準確的結果。
先將萬用表的兩個表筆同時連接圖1中的端子C端,這時萬用表的讀數是由熱電勢、共模幹擾、電磁感應的誤差源引起的,觀察其變化情況。如果讀數在一個小範圍內波動,則認為是固定誤差。按下萬用表“相對”caidanjian,wanyongbiaohuijiludangqiandushuzhi,bingzaiyihoudemeigeceliangjieguozhongjianqugaidushuzhizaixianshi,zheyangjiukeyipaichugudingwuchadeganrao。ranhouzaiceliangduanziC和Ui的“-”端之間的電壓差,讀數即為排除固定誤差幹擾後的Ue值,可以比較準確地反映真實Ue的大小。
監測電源波動
如果將一個電路模塊當成黑盒,那麼它至少會有一個輸入端口——電源。在電路故障診斷中,電源端口經常被遺忘或者被低估,以至於有些問題被定性為“靈異事件”。
假定黑盒內部的電路和信號輸入均正常,如果黑盒的輸出仍然有問題,這時就應該重點排查電源輸入。常用的電源檢測儀器有示波器、頻譜儀和數字萬用表,它們能夠覆蓋的測量範圍不同(如圖2所示),應該綜合運用這些儀器來全麵觀察電源信號,避免測試盲區。

圖2不同儀器的典型測試範圍[page]
一yi般ban認ren為wei萬wan用yong表biao屬shu於yu直zhi流liu儀yi器qi,示shi波bo器qi屬shu於yu時shi域yu儀yi器qi而er頻pin譜pu儀yi是shi頻pin域yu儀yi器qi,但dan是shi這zhe種zhong界jie限xian正zheng在zai被bei打da破po。新xin一yi代dai的de萬wan用yong表biao已yi經jing引yin入ru了le時shi域yu測ce量liang功gong能neng,下xia麵mian以yiRIGOLDM3068數字萬用表的數據繪圖功能來介紹萬用表如何覆蓋示波器和頻譜儀的電源測試盲區。
圖3shiyongshiboqicededemougemoshuhunhedianludemonibufendianyuandianyaboxing,youyushiboqidedaikuanhenda,boxingzhongdabufenshishuzidianluyinrudekuandaikaiguanzaosheng,fuduwei8.4mVpp。一般情況下,8.4mVpp電源紋波和噪聲符合人們的“心理期望”,因而就認為電源沒有問題(電源影響被低估)。

圖3示波器測試結果
圖4是用DM3068的de數shu據ju繪hui圖tu功gong能neng重zhong新xin測ce試shi該gai電dian源yuan電dian壓ya得de到dao的de電dian源yuan波bo形xing,圖tu形xing左zuo側ce是shi曆li史shi數shu據ju的de波bo形xing,圖tu形xing右you側ce是shi實shi時shi波bo形xing。從cong實shi時shi波bo形xing中zhong可ke以yi清qing楚chu地di看kan到dao幅fu度du約yue為wei4.4mVpp的正弦紋波,進一步推算可以得出正弦波頻率約為50Hz。能量如此強的50Hz信號會給精密電路帶來很大的幹擾。

圖4萬用表測試結果
頻譜儀受頻率測量範圍和頻率分辨率的限製,很難發現這個50Hz電源幹擾。DM3068在低頻時域測量中的高速、高精度、低噪聲和高頻抑製力強等特點正好彌補了示波器和頻譜儀的不足,有助於揭示“靈異事件”的真相。
用直方圖發現隱蔽幹擾
當信號/幹擾極微弱,並淹沒在電路自身的噪聲中時,借助直方圖統計分析方法可以將其暴露出來。
DM3068具備實時直方圖統計功能,結合低噪聲和大動態範圍的特性,有助於測試微弱信號和幹擾。
圖5是使用直方圖觀測被本底噪聲淹沒的信號的實例。圖左側是電路本底噪聲的時域波形(下方,垂直方向是時間軸方向。下同。)及其直方圖,該噪聲基本符合高斯分布,認為是白噪聲。圖右側是電路加入一個3μVppzuoyoudemaichongfangbohoudeceshijieguo。duibishiyuboxing,youcexinhaoboxinggenzuocebaizaoshengboxinghenxiangxiang,dianyapingjunzhiyexiangjiejin,bunengzhiguandipandingliangzhongboxingdequbie。danshiduibiliangzhedezhifangtukeyimingxianfaxianliangzhongxinhaodequbie,erqietongguoyoucezhifangtukeyituiduanjiarudexinhaoyoudidianpingfenliang,qiegaididianpingfenliangchuxiangailvbuda,jinsiyuzhankongbihenxiaodefumaichong。

圖5直方圖發現淹沒的信號
- 模擬電路故障診斷
- 檢測電路地回路
- 監測電路電源波動
- 用直方圖發現隱蔽幹擾
檢測地回路
現代的電子產品往往將小信號模擬電路、數字電路和功率電路緊密地整合在一塊PCB上,電路布局不僅要滿足電路性能要求,還受結構設計的約束,同時要符合EMC規範,這些都給地回路的布置帶來了很大的挑戰。在多重約束的限製下,設計階段PCB地回路布線會存在不確定的因素,需要在測試階段檢驗。
以圖1所示電路為例,U1、R3、R2組成同相放大器,設計期望該放大器能夠將輸入信號Ui放大10倍,Uo是放大器的輸出電壓。由於PCB布局布線受到約束,Ui的“-”輸入端子跟電阻R2的C端之間有一段導線Rpcb。而PCB上可能存在“電路X”引入地回流Ix流過導線電阻Rpcb。受“電路X”地回流Ix的影響,導線Rpcb兩端會有電壓差Ue,為了確定Ue對被測信號的影響,需要測量Ue的大小。

圖1包含地回流幹擾的同相放大電路
對精密電路而言,即使Ue隻有μV量級,也會對電路產生巨大的影響。DM3068數字萬用表直流電壓的最小讀數分辨率可達0.1μV,而且測量端子跟機殼地隔離,不會引入額外的直流電流地回路,適合於測量地回路引起的μV量級直流誤差。
測量弱電壓信號需要注意熱電勢、共模幹擾、電磁感應等誤差源,這些誤差一般在10μV的量級,會嚴重幹擾小信號測量。使用同材質的、雙絞或帶屏蔽的測試電纜可以減小熱電勢和電磁感應的誤差。測量Ue前可以先判別這些誤差源引入的總誤差的大小,使用萬用表的“相對”運算排除固定誤差的幹擾,然後再測量Ue就可以得到比較準確的結果。
先將萬用表的兩個表筆同時連接圖1中的端子C端,這時萬用表的讀數是由熱電勢、共模幹擾、電磁感應的誤差源引起的,觀察其變化情況。如果讀數在一個小範圍內波動,則認為是固定誤差。按下萬用表“相對”caidanjian,wanyongbiaohuijiludangqiandushuzhi,bingzaiyihoudemeigeceliangjieguozhongjianqugaidushuzhizaixianshi,zheyangjiukeyipaichugudingwuchadeganrao。ranhouzaiceliangduanziC和Ui的“-”端之間的電壓差,讀數即為排除固定誤差幹擾後的Ue值,可以比較準確地反映真實Ue的大小。
監測電源波動
如果將一個電路模塊當成黑盒,那麼它至少會有一個輸入端口——電源。在電路故障診斷中,電源端口經常被遺忘或者被低估,以至於有些問題被定性為“靈異事件”。
假定黑盒內部的電路和信號輸入均正常,如果黑盒的輸出仍然有問題,這時就應該重點排查電源輸入。常用的電源檢測儀器有示波器、頻譜儀和數字萬用表,它們能夠覆蓋的測量範圍不同(如圖2所示),應該綜合運用這些儀器來全麵觀察電源信號,避免測試盲區。

圖2不同儀器的典型測試範圍[page]
一yi般ban認ren為wei萬wan用yong表biao屬shu於yu直zhi流liu儀yi器qi,示shi波bo器qi屬shu於yu時shi域yu儀yi器qi而er頻pin譜pu儀yi是shi頻pin域yu儀yi器qi,但dan是shi這zhe種zhong界jie限xian正zheng在zai被bei打da破po。新xin一yi代dai的de萬wan用yong表biao已yi經jing引yin入ru了le時shi域yu測ce量liang功gong能neng,下xia麵mian以yiRIGOLDM3068數字萬用表的數據繪圖功能來介紹萬用表如何覆蓋示波器和頻譜儀的電源測試盲區。
圖3shiyongshiboqicededemougemoshuhunhedianludemonibufendianyuandianyaboxing,youyushiboqidedaikuanhenda,boxingzhongdabufenshishuzidianluyinrudekuandaikaiguanzaosheng,fuduwei8.4mVpp。一般情況下,8.4mVpp電源紋波和噪聲符合人們的“心理期望”,因而就認為電源沒有問題(電源影響被低估)。

圖3示波器測試結果
圖4是用DM3068的de數shu據ju繪hui圖tu功gong能neng重zhong新xin測ce試shi該gai電dian源yuan電dian壓ya得de到dao的de電dian源yuan波bo形xing,圖tu形xing左zuo側ce是shi曆li史shi數shu據ju的de波bo形xing,圖tu形xing右you側ce是shi實shi時shi波bo形xing。從cong實shi時shi波bo形xing中zhong可ke以yi清qing楚chu地di看kan到dao幅fu度du約yue為wei4.4mVpp的正弦紋波,進一步推算可以得出正弦波頻率約為50Hz。能量如此強的50Hz信號會給精密電路帶來很大的幹擾。

圖4萬用表測試結果
頻譜儀受頻率測量範圍和頻率分辨率的限製,很難發現這個50Hz電源幹擾。DM3068在低頻時域測量中的高速、高精度、低噪聲和高頻抑製力強等特點正好彌補了示波器和頻譜儀的不足,有助於揭示“靈異事件”的真相。
用直方圖發現隱蔽幹擾
當信號/幹擾極微弱,並淹沒在電路自身的噪聲中時,借助直方圖統計分析方法可以將其暴露出來。
DM3068具備實時直方圖統計功能,結合低噪聲和大動態範圍的特性,有助於測試微弱信號和幹擾。
圖5是使用直方圖觀測被本底噪聲淹沒的信號的實例。圖左側是電路本底噪聲的時域波形(下方,垂直方向是時間軸方向。下同。)及其直方圖,該噪聲基本符合高斯分布,認為是白噪聲。圖右側是電路加入一個3μVppzuoyoudemaichongfangbohoudeceshijieguo。duibishiyuboxing,youcexinhaoboxinggenzuocebaizaoshengboxinghenxiangxiang,dianyapingjunzhiyexiangjiejin,bunengzhiguandipandingliangzhongboxingdequbie。danshiduibiliangzhedezhifangtukeyimingxianfaxianliangzhongxinhaodequbie,erqietongguoyoucezhifangtukeyituiduanjiarudexinhaoyoudidianpingfenliang,qiegaididianpingfenliangchuxiangailvbuda,jinsiyuzhankongbihenxiaodefumaichong。

圖5直方圖發現淹沒的信號
特別推薦
- 噪聲中提取真值!瑞盟科技推出MSA2240電流檢測芯片賦能多元高端測量場景
- 10MHz高頻運行!氮矽科技發布集成驅動GaN芯片,助力電源能效再攀新高
- 失真度僅0.002%!力芯微推出超低內阻、超低失真4PST模擬開關
- 一“芯”雙電!聖邦微電子發布雙輸出電源芯片,簡化AFE與音頻設計
- 一機適配萬端:金升陽推出1200W可編程電源,賦能高端裝備製造
技術文章更多>>
- 一秒檢測,成本降至萬分之一,光引科技把幾十萬的台式光譜儀“搬”到了手腕上
- AI服務器電源機櫃Power Rack HVDC MW級測試方案
- 突破工藝邊界,奎芯科技LPDDR5X IP矽驗證通過,速率達9600Mbps
- 通過直接、準確、自動測量超低範圍的氯殘留來推動反滲透膜保護
- 從技術研發到規模量產:恩智浦第三代成像雷達平台,賦能下一代自動駕駛!
技術白皮書下載更多>>
- 車規與基於V2X的車輛協同主動避撞技術展望
- 數字隔離助力新能源汽車安全隔離的新挑戰
- 汽車模塊拋負載的解決方案
- 車用連接器的安全創新應用
- Melexis Actuators Business Unit
- Position / Current Sensors - Triaxis Hall
熱門搜索
按鈕開關
白色家電
保護器件
保險絲管
北鬥定位
北高智
貝能科技
背板連接器
背光器件
編碼器型號
便攜產品
便攜醫療
變容二極管
變壓器
檳城電子
並網
撥動開關
玻璃釉電容
剝線機
薄膜電容
薄膜電阻
薄膜開關
捕魚器
步進電機
測力傳感器
測試測量
測試設備
拆解
場效應管
超霸科技



