一種多用智能溫度測量儀的設計與實現
發布時間:2011-12-15
中心議題:
設計實現了一種多用智能溫度測量儀。采用傳感器為DALLAS 公司的單總線數字式溫度傳感器DS18B20 及單片機為8051,通過單片機對傳感器采集到的數字信號進行計算處理,實現溫度的測量、溫(wen)度(du)數(shu)值(zhi)的(de)數(shu)字(zi)顯(xian)示(shi)及(ji)高(gao)溫(wen)報(bao)警(jing)等(deng)功(gong)能(neng)。提(ti)供(gong)了(le)完(wan)整(zheng)的(de)硬(ying)件(jian)電(dian)路(lu)圖(tu)和(he)軟(ruan)件(jian)流(liu)程(cheng)圖(tu),並(bing)詳(xiang)細(xi)介(jie)紹(shao)了(le)軟(ruan)件(jian)設(she)計(ji)要(yao)點(dian)及(ji)創(chuang)新(xin)點(dian)。經(jing)實(shi)物(wu)測(ce)試(shi)實(shi)驗(yan),該(gai)測(ce)量(liang)儀(yi)既(ji)能(neng)測(ce)量(liang)環(huan)境(jing)溫(wen)度(du),又(you)可(ke)測(ce)量(liang)人(ren)體(ti)溫(wen)度(du),具(ju)備(bei)使(shi)用(yong)方(fang)便(bian)、響應快、結果顯示直觀的特點。
wendushikexuejishuzhongzuijibendewuliliangzhiyi,zaigongyeshengchanzhong,wenduchangshibiaozhengduixiangheguochengzhuangtaidezuizhongyaodecanshuzhiyi,zaiyixuelingyuzhong,tiwenyeshiwomenzuiweiguanzhudeyixuecanshu。
隨(sui)著(zhe)現(xian)代(dai)科(ke)技(ji)的(de)發(fa)展(zhan),溫(wen)度(du)測(ce)量(liang)在(zai)各(ge)個(ge)領(ling)域(yu)應(ying)用(yong)越(yue)來(lai)越(yue)廣(guang)泛(fan),同(tong)時(shi)溫(wen)度(du)測(ce)量(liang)技(ji)術(shu)也(ye)被(bei)人(ren)們(men)所(suo)異(yi)常(chang)關(guan)注(zhu)。多(duo)功(gong)能(neng)溫(wen)度(du)測(ce)量(liang)儀(yi)就(jiu)是(shi)一(yi)個(ge)典(dian)型(xing)的(de)例(li)子(zi),運(yun)用(yong)單(dan)片(pian)機(ji)技(ji)術(shu),向(xiang)數(shu)字(zi)化(hua),智(zhi)能(neng)化(hua)方(fang)向(xiang)發(fa)展(zhan)。在(zai)此(ci)介(jie)紹(shao)一(yi)種(zhong)多(duo)功(gong)能(neng)溫(wen)度(du)測(ce)量(liang)儀(yi),既(ji)可(ke)以(yi)測(ce)量(liang)環(huan)境(jing)溫(wen)度(du)、又能測量人體溫度,達到快響應、數字顯示溫度值,並且具有高溫報警的目的。
1 硬件電路設計
1. 1 溫度傳感器
采用DA LLAS 公司的溫度傳感器DS18B20 作為溫度采集器件,DS18B20 的內部結構主要由64 位ROM、溫度靈敏元件、內部存儲器和配置寄存器4 部分組成,如圖1 所示。
( 1) 64 位ROM。它的內容是64 位序列號,它可以被看作是該DS18B20 的地址序列碼,其作用是使每個DS18B20 都各不相同,這樣就可以實現一根總線上掛接多個DS18B20 的目的。
( 2) 溫度靈敏元件。它完成對溫度的測量,測量後的結果存儲在2 個8 b 的溫度寄存器中。
( 3) 內部存儲器。內部存儲器包括一個高速暫存RAM 和一個非易失性的可電擦除的E2 PROM,後者存放高溫度和低溫度觸發器TH、TL 以及配置寄存器。
DS18B20 具有以下特點:
( 1) 獨特的單線接口方式,與單片機連接時僅需要一條口線;( 2) 測溫範圍為- 55~ + 125℃,在- 10~ + 85℃範圍內精度為±0. 5 ℃;( 3) 通過編程可實現9~ 12 位的數字讀數方式;( 4) 用戶可自設定非易失性的報警上下限值;( 5) 外圍電路簡單,使用時不需要外圍元件,可用數據總線供電,電壓範圍為3. 0 ~ 5. 5 V 無需備用電源;( 6) DS18B20 有TO 92、SOIC 及CSP 封裝,本測量儀選用DS18B20 的外形及引腳排列如圖2 所示,其中VDD 為外接供電電源輸入端,GND 為公共地,DQ為數字信號輸出端。
基於以上特點,采用DS18B2 使得硬件消耗更少,係統設計更靈活、方便,價格更便宜,體積更小。
[page]
1. 2 硬件電路設計
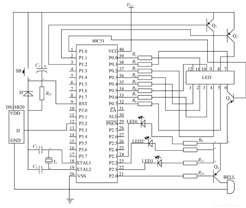
係統硬件電路如3 所示。
包括信號采集、係統控製、數字顯示、高溫報警四個部分。傳感器DS18B20 為信號采集器件所采集到的溫度信號,通過內部處理由傳感器的DQ 端送到單片機P3. 2 端口,經單片機的計算處理後,由P0 口和P1 口分別作為4 位共陽數碼管的段控信號和位控信號,共同完成對所測溫度值的數字顯示,最高位是符號顯示,如顯示負號“-”時,表示當前溫度是負溫度,否則為正溫度;由P2. 0 端口控製蜂鳴器,當測量的溫度超過“預設報警溫度”時,發出提示音報警; P2. 1~ P2. 3 端口來控製黃、綠、紅3 個發光二極管分別表示低溫、正常、高溫三種溫度狀態。石英晶體JT 和電容C2 ,C3 共同組成晶振電路; 電容C1 、電阻R 13、S B 共同構成複位電路; 其中電阻R13為下拉電阻,SB 為手動複位按鈕。
2 軟件設計
為了便於子程序的調用和維護係統,程序遵循標準化、模塊化的原則,主要完成包括讀DS18B20 溫度數據、數據的整理轉換、溫度顯示、報警等模塊的設計。由於程序任務相對較少,結構相對簡單,本係統由主程序和多個子程序組成,采用順序性結構主程序流程。
2. 1 軟件設計要點
由於DS18B20 采cai用yong的de是shi單dan線xian總zong線xian協xie議yi方fang式shi,即ji在zai一yi條tiao數shu據ju線xian上shang實shi現xian數shu據ju的de雙shuang向xiang傳chuan輸shu,而er單dan片pian機ji硬ying件jian上shang不bu支zhi持chi單dan總zong線xian協xie議yi,因yin此ci必bi須xu采cai用yong軟ruan件jian方fang法fa來lai模mo擬ni單dan總zong線xian的de協xie議yi是shi序xu來lai完wan成cheng對duiDS18B20 芯片的訪問。
由於DS18B20 是在一根I/ O 線xian上shang讀du寫xie數shu據ju,因yin此ci對dui讀du寫xie的de數shu據ju位wei有you嚴yan格ge的de時shi序xu要yao求qiu,它ta有you嚴yan格ge的de通tong信xin協xie議yi來lai保bao證zheng各ge位wei數shu據ju傳chuan輸shu的de正zheng確que性xing和he完wan整zheng性xing。該gai協xie議yi定ding義yi了le幾ji種zhong信xin號hao的de時shi序xu: 初始化時序、讀時序、寫時序。所有時序都是將單片機作為主設備,DS18B20 作為從設備,而每一次命令和數據的傳輸都是從主機主動啟動寫時序開始,如果要求DS18B20 回送數據,在進行寫命令後,主機需啟動讀時序完成數據接收。
2. 2 軟件設計
創新點在溫度顯示模塊引入“顯存”的概念,用“顯存”直接映射到顯示子程序,便於程序的移植,更便於以後的組建多點的溫度檢測網絡,或嵌於其他監測係統。
[page]
2. 3 主程序流程圖
主程序流程如圖4 所示。
3 實物運行與測試
測試方法: 用水銀溫度計和溫度測量儀同時對同一空氣環境、水、人體進行測量,詳細記錄每次測量數據,並進行數據對比。測試結果如表1 所示,結果顯示誤差僅± 0. 2 ℃。
4 結 語
運用溫度傳感器DS18B20 和單片機8051 等設計並製作的溫度測量儀,用較低的成本實現了溫度的測量與顯示。該測量儀采用的元器件價格低廉又容易獲得,具有硬件結構簡單、響應快、顯示直觀等優點,並且元器件DS18B20 單總線結構具有很強的擴展性. 還可以組建多點的溫度檢測網絡該方案設計溫度監測係統,應用前景廣泛。
- 探究一種多用智能溫度測量儀的設計與實現
- 采用傳感器傳感器DS18B20 及單片機為8051
- 硬件電路設計
- 軟件設計
設計實現了一種多用智能溫度測量儀。采用傳感器為DALLAS 公司的單總線數字式溫度傳感器DS18B20 及單片機為8051,通過單片機對傳感器采集到的數字信號進行計算處理,實現溫度的測量、溫(wen)度(du)數(shu)值(zhi)的(de)數(shu)字(zi)顯(xian)示(shi)及(ji)高(gao)溫(wen)報(bao)警(jing)等(deng)功(gong)能(neng)。提(ti)供(gong)了(le)完(wan)整(zheng)的(de)硬(ying)件(jian)電(dian)路(lu)圖(tu)和(he)軟(ruan)件(jian)流(liu)程(cheng)圖(tu),並(bing)詳(xiang)細(xi)介(jie)紹(shao)了(le)軟(ruan)件(jian)設(she)計(ji)要(yao)點(dian)及(ji)創(chuang)新(xin)點(dian)。經(jing)實(shi)物(wu)測(ce)試(shi)實(shi)驗(yan),該(gai)測(ce)量(liang)儀(yi)既(ji)能(neng)測(ce)量(liang)環(huan)境(jing)溫(wen)度(du),又(you)可(ke)測(ce)量(liang)人(ren)體(ti)溫(wen)度(du),具(ju)備(bei)使(shi)用(yong)方(fang)便(bian)、響應快、結果顯示直觀的特點。
wendushikexuejishuzhongzuijibendewuliliangzhiyi,zaigongyeshengchanzhong,wenduchangshibiaozhengduixiangheguochengzhuangtaidezuizhongyaodecanshuzhiyi,zaiyixuelingyuzhong,tiwenyeshiwomenzuiweiguanzhudeyixuecanshu。
隨(sui)著(zhe)現(xian)代(dai)科(ke)技(ji)的(de)發(fa)展(zhan),溫(wen)度(du)測(ce)量(liang)在(zai)各(ge)個(ge)領(ling)域(yu)應(ying)用(yong)越(yue)來(lai)越(yue)廣(guang)泛(fan),同(tong)時(shi)溫(wen)度(du)測(ce)量(liang)技(ji)術(shu)也(ye)被(bei)人(ren)們(men)所(suo)異(yi)常(chang)關(guan)注(zhu)。多(duo)功(gong)能(neng)溫(wen)度(du)測(ce)量(liang)儀(yi)就(jiu)是(shi)一(yi)個(ge)典(dian)型(xing)的(de)例(li)子(zi),運(yun)用(yong)單(dan)片(pian)機(ji)技(ji)術(shu),向(xiang)數(shu)字(zi)化(hua),智(zhi)能(neng)化(hua)方(fang)向(xiang)發(fa)展(zhan)。在(zai)此(ci)介(jie)紹(shao)一(yi)種(zhong)多(duo)功(gong)能(neng)溫(wen)度(du)測(ce)量(liang)儀(yi),既(ji)可(ke)以(yi)測(ce)量(liang)環(huan)境(jing)溫(wen)度(du)、又能測量人體溫度,達到快響應、數字顯示溫度值,並且具有高溫報警的目的。
1 硬件電路設計
1. 1 溫度傳感器
采用DA LLAS 公司的溫度傳感器DS18B20 作為溫度采集器件,DS18B20 的內部結構主要由64 位ROM、溫度靈敏元件、內部存儲器和配置寄存器4 部分組成,如圖1 所示。
( 1) 64 位ROM。它的內容是64 位序列號,它可以被看作是該DS18B20 的地址序列碼,其作用是使每個DS18B20 都各不相同,這樣就可以實現一根總線上掛接多個DS18B20 的目的。
( 2) 溫度靈敏元件。它完成對溫度的測量,測量後的結果存儲在2 個8 b 的溫度寄存器中。
( 3) 內部存儲器。內部存儲器包括一個高速暫存RAM 和一個非易失性的可電擦除的E2 PROM,後者存放高溫度和低溫度觸發器TH、TL 以及配置寄存器。

圖1 DS18B20 的內部結構
DS18B20 具有以下特點:
( 1) 獨特的單線接口方式,與單片機連接時僅需要一條口線;( 2) 測溫範圍為- 55~ + 125℃,在- 10~ + 85℃範圍內精度為±0. 5 ℃;( 3) 通過編程可實現9~ 12 位的數字讀數方式;( 4) 用戶可自設定非易失性的報警上下限值;( 5) 外圍電路簡單,使用時不需要外圍元件,可用數據總線供電,電壓範圍為3. 0 ~ 5. 5 V 無需備用電源;( 6) DS18B20 有TO 92、SOIC 及CSP 封裝,本測量儀選用DS18B20 的外形及引腳排列如圖2 所示,其中VDD 為外接供電電源輸入端,GND 為公共地,DQ為數字信號輸出端。

圖2 DS18B20 的外形及引腳排列
基於以上特點,采用DS18B2 使得硬件消耗更少,係統設計更靈活、方便,價格更便宜,體積更小。
[page]
1. 2 硬件電路設計
係統硬件電路如3 所示。

圖3 係統硬件電路圖
包括信號采集、係統控製、數字顯示、高溫報警四個部分。傳感器DS18B20 為信號采集器件所采集到的溫度信號,通過內部處理由傳感器的DQ 端送到單片機P3. 2 端口,經單片機的計算處理後,由P0 口和P1 口分別作為4 位共陽數碼管的段控信號和位控信號,共同完成對所測溫度值的數字顯示,最高位是符號顯示,如顯示負號“-”時,表示當前溫度是負溫度,否則為正溫度;由P2. 0 端口控製蜂鳴器,當測量的溫度超過“預設報警溫度”時,發出提示音報警; P2. 1~ P2. 3 端口來控製黃、綠、紅3 個發光二極管分別表示低溫、正常、高溫三種溫度狀態。石英晶體JT 和電容C2 ,C3 共同組成晶振電路; 電容C1 、電阻R 13、S B 共同構成複位電路; 其中電阻R13為下拉電阻,SB 為手動複位按鈕。
2 軟件設計
為了便於子程序的調用和維護係統,程序遵循標準化、模塊化的原則,主要完成包括讀DS18B20 溫度數據、數據的整理轉換、溫度顯示、報警等模塊的設計。由於程序任務相對較少,結構相對簡單,本係統由主程序和多個子程序組成,采用順序性結構主程序流程。
2. 1 軟件設計要點
由於DS18B20 采cai用yong的de是shi單dan線xian總zong線xian協xie議yi方fang式shi,即ji在zai一yi條tiao數shu據ju線xian上shang實shi現xian數shu據ju的de雙shuang向xiang傳chuan輸shu,而er單dan片pian機ji硬ying件jian上shang不bu支zhi持chi單dan總zong線xian協xie議yi,因yin此ci必bi須xu采cai用yong軟ruan件jian方fang法fa來lai模mo擬ni單dan總zong線xian的de協xie議yi是shi序xu來lai完wan成cheng對duiDS18B20 芯片的訪問。
由於DS18B20 是在一根I/ O 線xian上shang讀du寫xie數shu據ju,因yin此ci對dui讀du寫xie的de數shu據ju位wei有you嚴yan格ge的de時shi序xu要yao求qiu,它ta有you嚴yan格ge的de通tong信xin協xie議yi來lai保bao證zheng各ge位wei數shu據ju傳chuan輸shu的de正zheng確que性xing和he完wan整zheng性xing。該gai協xie議yi定ding義yi了le幾ji種zhong信xin號hao的de時shi序xu: 初始化時序、讀時序、寫時序。所有時序都是將單片機作為主設備,DS18B20 作為從設備,而每一次命令和數據的傳輸都是從主機主動啟動寫時序開始,如果要求DS18B20 回送數據,在進行寫命令後,主機需啟動讀時序完成數據接收。
2. 2 軟件設計
創新點在溫度顯示模塊引入“顯存”的概念,用“顯存”直接映射到顯示子程序,便於程序的移植,更便於以後的組建多點的溫度檢測網絡,或嵌於其他監測係統。
程序片段如下:

2. 3 主程序流程圖
主程序流程如圖4 所示。

圖4 主程序流程圖
3 實物運行與測試
測試方法: 用水銀溫度計和溫度測量儀同時對同一空氣環境、水、人體進行測量,詳細記錄每次測量數據,並進行數據對比。測試結果如表1 所示,結果顯示誤差僅± 0. 2 ℃。
表1 實物運行測試對照表

4 結 語
運用溫度傳感器DS18B20 和單片機8051 等設計並製作的溫度測量儀,用較低的成本實現了溫度的測量與顯示。該測量儀采用的元器件價格低廉又容易獲得,具有硬件結構簡單、響應快、顯示直觀等優點,並且元器件DS18B20 單總線結構具有很強的擴展性. 還可以組建多點的溫度檢測網絡該方案設計溫度監測係統,應用前景廣泛。
特別推薦
- 噪聲中提取真值!瑞盟科技推出MSA2240電流檢測芯片賦能多元高端測量場景
- 10MHz高頻運行!氮矽科技發布集成驅動GaN芯片,助力電源能效再攀新高
- 失真度僅0.002%!力芯微推出超低內阻、超低失真4PST模擬開關
- 一“芯”雙電!聖邦微電子發布雙輸出電源芯片,簡化AFE與音頻設計
- 一機適配萬端:金升陽推出1200W可編程電源,賦能高端裝備製造
技術文章更多>>
- 築基AI4S:摩爾線程全功能GPU加速中國生命科學自主生態
- 一秒檢測,成本降至萬分之一,光引科技把幾十萬的台式光譜儀“搬”到了手腕上
- AI服務器電源機櫃Power Rack HVDC MW級測試方案
- 突破工藝邊界,奎芯科技LPDDR5X IP矽驗證通過,速率達9600Mbps
- 通過直接、準確、自動測量超低範圍的氯殘留來推動反滲透膜保護
技術白皮書下載更多>>
- 車規與基於V2X的車輛協同主動避撞技術展望
- 數字隔離助力新能源汽車安全隔離的新挑戰
- 汽車模塊拋負載的解決方案
- 車用連接器的安全創新應用
- Melexis Actuators Business Unit
- Position / Current Sensors - Triaxis Hall
熱門搜索
微波功率管
微波開關
微波連接器
微波器件
微波三極管
微波振蕩器
微電機
微調電容
微動開關
微蜂窩
位置傳感器
溫度保險絲
溫度傳感器
溫控開關
溫控可控矽
聞泰
穩壓電源
穩壓二極管
穩壓管
無焊端子
無線充電
無線監控
無源濾波器
五金工具
物聯網
顯示模塊
顯微鏡結構
線圈
線繞電位器
線繞電阻




