利用集成式工業接口數字隔離器減少尺寸與成本
發布時間:2012-11-16 來源:電子元件技術網 責任編輯:Hedyxing
導讀:隨sui著zhe競jing爭zheng產chan品pin價jia格ge的de降jiang低di和he產chan品pin差cha異yi化hua需xu求qiu的de增zeng加jia,在zai工gong業ye市shi場chang上shang生sheng存cun也ye變bian得de越yue來lai越yue艱jian難nan。同tong時shi,安an全quan標biao準zhun不bu見jian有you絲si毫hao放fang寬kuan,這zhe要yao求qiu更geng多duo的de工gong業ye應ying用yong采cai用yong電dian流liu隔ge離li,給gei光guang耦ou合he器qi帶dai來lai不bu利li影ying響xiang。這zhe些xie不bu利li影ying響xiang會hui導dao致zhi以yi下xia這zhe些xie因yin素su的de增zeng加jia:尺寸、功耗、電路板、元件數和成本。
設計工程師如何權衡抵抗有害脈衝和浪湧、設計複雜性以及成本等互相衝突的要求,同時盡可能加快上市以保持競爭力?
您可以輕易將一組光耦合器固定到現有接收器上,但這麼做意味著增加成本、設計複雜性、元件數和電路板空間。搜索“隔離式RS-485”、“隔離式RS-232”、“隔離式CAN”、“隔離式I2C”或“隔離式USB”就能找到一大堆基於數字隔離技術的完全集成式解決方案——在單個封裝內實現隔離並集成收發器。有些甚至在封裝內集成隔離式電源,進一步降低係統尺寸和成本。隻有數字隔離器才(cai)能(neng)實(shi)現(xian)如(ru)此(ci)完(wan)整(zheng)跨(kua)度(du)的(de)解(jie)決(jue)方(fang)案(an),這(zhe)意(yi)味(wei)著(zhe)它(ta)們(men)的(de)功(gong)耗(hao)不(bu)會(hui)過(guo)大(da),因(yin)此(ci)無(wu)需(xu)重(zhong)新(xin)設(she)計(ji)就(jiu)能(neng)夠(gou)適(shi)應(ying)目(mu)前(qian)的(de)功(gong)耗(hao)預(yu)算(suan)。然(ran)而(er)需(xu)注(zhu)意(yi),對(dui)於(yu)基(ji)本(ben)隔(ge)離(li)和(he)/或增強隔離,並非所有列出的“隔離式”解決方案都能滿足嚴格的UL、CSA和VDE要求。
[member]
這些完全集成式解決方案的設計師將被采購經理視為英雄。畢竟,采購經理會說:“就用我們之前買的東西。我不在乎它是不是會增加成本。”
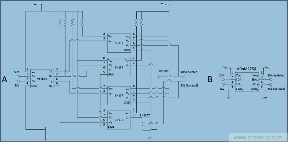
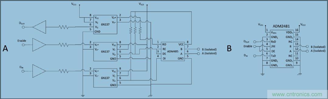
圖1顯示隔離I2C總線的不同方法。圖1A顯示使用一個I2C緩衝器和四個光耦合器的實現方法。圖1B顯示使用單片IC的實現方法。圖2顯示了隔離RS-485的類似實例,單片IC方法明顯符合采購經理的意願:一個器件比兩個便宜。鑒於篇幅有限,我們不用羅列采用分立式元件隔離USB和使用單片隔離式USB IC的顯著區別!

圖1 I2C緩衝器和4個光耦合器與單片IC(注意:為簡明起見,圖中略去了上拉電阻)

圖2 RS-485收發器和3個光耦合器與單片IC
特別推薦
- 噪聲中提取真值!瑞盟科技推出MSA2240電流檢測芯片賦能多元高端測量場景
- 10MHz高頻運行!氮矽科技發布集成驅動GaN芯片,助力電源能效再攀新高
- 失真度僅0.002%!力芯微推出超低內阻、超低失真4PST模擬開關
- 一“芯”雙電!聖邦微電子發布雙輸出電源芯片,簡化AFE與音頻設計
- 一機適配萬端:金升陽推出1200W可編程電源,賦能高端裝備製造
技術文章更多>>
- 三星上演罕見對峙:工會集會討薪,股東隔街抗議
- 摩爾線程實現DeepSeek-V4“Day-0”支持,國產GPU適配再提速
- 築牢安全防線:智能駕駛邁向規模化應用的關鍵挑戰與破局之道
- GPT-Image 2:99%文字準確率,AI生圖告別“鬼畫符”
- 機器人馬拉鬆的勝負手:藏在主板角落裏的“時鍾戰爭”
技術白皮書下載更多>>
- 車規與基於V2X的車輛協同主動避撞技術展望
- 數字隔離助力新能源汽車安全隔離的新挑戰
- 汽車模塊拋負載的解決方案
- 車用連接器的安全創新應用
- Melexis Actuators Business Unit
- Position / Current Sensors - Triaxis Hall
熱門搜索
Tektronix
Thunderbolt
TI
TOREX
TTI
TVS
UPS電源
USB3.0
USB 3.0主控芯片
USB傳輸速度
usb存儲器
USB連接器
VGA連接器
Vishay
WCDMA功放
WCDMA基帶
Wi-Fi
Wi-Fi芯片
window8
WPG
XILINX
Zigbee
ZigBee Pro
安規電容
按鈕開關
白色家電
保護器件
保險絲管
北鬥定位
北高智

