工程師回憶錄之小信號放大【電路圖講解】
發布時間:2013-07-27 責任編輯:Cynthiali
【導讀】xiaoxinhaofangdayizhishidianzishejijingsaijingjiubushuaidetimu,yeshigongchengshimenshejidianlushijingchangyudaodewenti。zuozhelijingxiaoxinhaofangdadexueleishi,jieshaolexiaoxinhaofangdazhongdejichengxinpianfangdadianlu、濾波器電路和分立元件放大器,有詳細的電路圖講解哦!其中LC無源濾波器的軟件設計、仿真以及硬件製作流程也合適很多其他電路設計。
第一部分:集成芯片放大器電路圖講解
不知有多少童鞋知道TI公司的LHM6624。這個芯片對於作者來說那是福星一枚。其主要技術指標如下:Single/Dual Ultra Low Noise Wideband Operational Amplifier(單/雙電源低噪聲寬帶小信號放大器);其增益帶寬積在單電源供電時可達1.5GHz,雙電源供電時可達1.3GHz;供電電壓雙電源(± 2.5V to ± 6V)單電源(+5V to +12V);擺率(Slew rate) 350V/μs增益為10dB(AV = 10)時擺率400V/μs;輸入噪聲0.92nV/;輸入失調電壓典型值700uV 。
應用電路圖如下:

其中雙電源供電±5V,C12,C13作用是電源濾波,即穩壓;輸入阻抗為50W;輸出信號峰峰值可至8V(最好不要超過3V,因為大信號會出現非線性放大)。這是一個典型的同相放大器,放大倍數計算公式為AV=R14/R12,圖中參數放大倍數20倍,即26dB。值得注意的一點是電阻R16的作用:調節零漂~如果對低頻放大沒什麼特別需要的話,此處電阻R13,R16以及C11都可省略,但是如果想要放大直流信號的話,此處調節電路就十分有必要了。
模擬放大電路的電源濾波處理是十分有必要的,目的是防止高頻模擬信號影響汙染整個電源係統。圖中C12,C13在pcb中的位置要盡量靠近IC的電源入口。另外也可選擇把磁珠(要求嚴格時可用電感,要求不高時可用100W電阻)和兩個電容組成p形濾波電路, 這樣可以把電源中的噪音濾得幹幹淨淨~
2:濾波器
濾波器分為有源濾波器和無源濾波器兩種,區別在於有沒有外接電源。前者一般情況下具有電路增益調節或者帶寬調節功能(看電路的具體設計了),後者則比較適合帶寬較寬、頻率較高的情況。
有源濾波器的核心是電壓反饋型的運放,模電課本上有很多設計方案,比如一階低通,二階低通,高通,帶通,帶阻等等。
值得一提的是,有好多可編程濾波器,比如MAXIM(美信)公司的MAX261、MAX266等,linear公司的TLC04、TLC14、LTC1068等。
無源濾波器,感覺是最難設計,最難調試,但也是最好用的,特別是LC濾波器。缺點就是衰減會有點大,優點是濾波性能好,高頻性能好。
先說設計吧,自己設立濾波器很難,但是很多公司設計推出了許多不同功能的濾波器設計、仿真軟件,比如說Filter Solutions,FilterCAD(Linear公司與芯片配套的設計軟件,比如LTC1068),FilterLab,FilterProD等等,設計濾波器不費勁。其中設計無源濾波器的軟件是Filter Solutions,設計的是LC濾波器,可以根據自己的需求選擇濾波器類型,階數,帶寬,通帶、阻帶頻率等等。有很多軟件的模擬仿真功能可以完成對無源濾波器的仿真,比如multisim,還有就是安捷倫的ADS。
需要注意的幾點:要分清電感和磁珠;注意電感的頻率特性(這點尤其重要)。色環電感常用作低頻電路或小功率電源濾波中;片式電感分類,功能,參數參見下圖;另外還有功率電感常用於功率電源濾波~其他的俺就沒用過了~圖片是順絡電感介紹的截圖,可大概了解下片式電感的分類。

當(dang)然(ran),高(gao)頻(pin)濾(lv)波(bo)器(qi)中(zhong)電(dian)感(gan)最(zui)好(hao)選(xuan)擇(ze)繞(rao)線(xian)鐵(tie)陶(tao)瓷(ci)電(dian)感(gan),性(xing)能(neng)最(zui)優(you)。不(bu)過(guo)這(zhe)種(zhong)電(dian)感(gan)要(yao)好(hao)幾(ji)毛(mao)錢(qian)一(yi)個(ge)還(hai)不(bu)單(dan)賣(mai)。另(ling)外(wai),貼(tie)片(pian)電(dian)感(gan)的(de)體(ti)積(ji)越(yue)大(da),性(xing)能(neng)越(yue)好(hao),但(dan)是(shi)也(ye)越(yue)貴(gui)。上(shang)板(ban)調(tiao)試(shi)時(shi)可(ke)以(yi)參(can)考(kao)仿(fang)真(zhen)調(tiao)試(shi)時(shi)的(de)方(fang)法(fa)。比(bi)較(jiao)實(shi)用(yong)的(de)方(fang)法(fa)是(shi),用(yong)與(yu)原(yuan)電(dian)路(lu)相(xiang)近(jin)的(de)電(dian)感(gan)(最好不要串聯,除非差距比較大,比如超過5%或者10%),然後調節電容(可以用可調電容,也可電容並聯)大小,直到符合指標。(最關鍵的就是電感的性能了)
下頁內容:濾波器實物和分立元件放大器電路圖
[page]
附照片一張

另外我的DDS模塊也有一個濾波器!

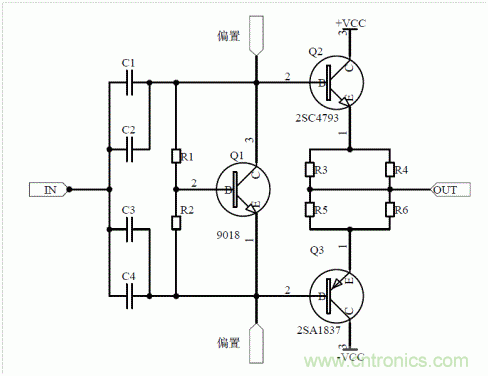
3:分立元件放大器
分立元件放大器使用分立元件搭建後級功率輸出放大器,可以經過計算得到合適的輸入輸出阻抗、放大倍數和較大的輸出功率。電阻電容可根據需要更換,設計靈活。 曾做過兩個高頻功率放大電路,使用的是三級對管搭建的甲乙類功率放大器。

其中9018(截止頻率2GHz)用的是它的兩個PN節。C1,C2,C3,C4是濾低頻信號,如果需要低頻信號的話可以把它們去掉。2SA1837與2SC4793是一對特征頻率為175MHz的音頻對管,帶寬可以達到60MHz,如果換成截止頻率達到800MHz的BFQ235A與BFQ255A、BFQ232A與BFQ252A視頻對管的話,帶寬可以超過100MHz。
功率輸出也可以通過BUF634,LT1210等功率輸出芯片實現。
以上電路通過阻抗匹配整合到一起,就完成了小信號放大外加功率輸出電路。練習09年的電子設計大賽的直流寬帶放大器用的就是包括集成芯片放大電路、LC低通高階濾波器和功率芯片進行功率放大的方案。如果把功率芯片換成分立元件放大器,效果應該會更佳。

小信號放大電路和濾波器都蓋在屏蔽板下麵了。
特別推薦
- 噪聲中提取真值!瑞盟科技推出MSA2240電流檢測芯片賦能多元高端測量場景
- 10MHz高頻運行!氮矽科技發布集成驅動GaN芯片,助力電源能效再攀新高
- 失真度僅0.002%!力芯微推出超低內阻、超低失真4PST模擬開關
- 一“芯”雙電!聖邦微電子發布雙輸出電源芯片,簡化AFE與音頻設計
- 一機適配萬端:金升陽推出1200W可編程電源,賦能高端裝備製造
技術文章更多>>
- 築基AI4S:摩爾線程全功能GPU加速中國生命科學自主生態
- 一秒檢測,成本降至萬分之一,光引科技把幾十萬的台式光譜儀“搬”到了手腕上
- AI服務器電源機櫃Power Rack HVDC MW級測試方案
- 突破工藝邊界,奎芯科技LPDDR5X IP矽驗證通過,速率達9600Mbps
- 通過直接、準確、自動測量超低範圍的氯殘留來推動反滲透膜保護
技術白皮書下載更多>>
- 車規與基於V2X的車輛協同主動避撞技術展望
- 數字隔離助力新能源汽車安全隔離的新挑戰
- 汽車模塊拋負載的解決方案
- 車用連接器的安全創新應用
- Melexis Actuators Business Unit
- Position / Current Sensors - Triaxis Hall
熱門搜索





