解析:基於運算放大器的性能測試儀的設計過程
發布時間:2014-09-20 責任編輯:echolady
【導讀】利用運算放大器輸入的比較特性,把基於運算放大器的速測儀設計成具有快速、準確的判斷所測運放好壞的功能。這種功能在元器件選擇中十分有用。
電路原理
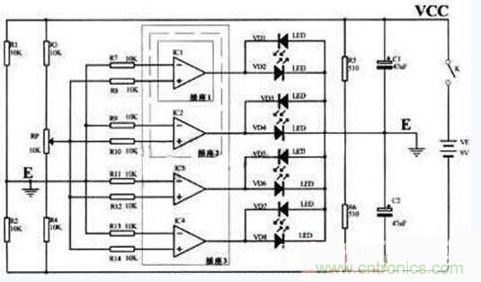
測試儀基本設計思路是將待測運算放大器(圖中IC1,IC2,IC3,IC4)接成比較器結構,當V+>V-時,Vout為正電源狀態,接近VCC。發光二極管Vd1發光。當V+>V-時,為負電源狀態,接近Vee,發光二極管Vd2亮。為此,用R1,R2設置 V+=1/2{Vcc-Vee}=0[對E點電位]R3R4Rp組成V-電壓偏置電路,向下調節Rp,可是V-V+,Vd2發光。電阻R5R6C1C2構成電源分裂電路,將9V電源分成2*4.5V,使Ve=0v即Vdd=+4.5v,Vee=-4.5v,滿足運算放大器雙電源應用的要求。
電路中R7~R14為(wei)輸(shu)入(ru)端(duan)串(chuan)聯(lian)電(dian)阻(zu),目(mu)的(de)是(shi)當(dang)測(ce)試(shi)多(duo)運(yun)算(suan)放(fang)大(da)器(qi)時(shi),其(qi)中(zhong)某(mou)一(yi)運(yun)算(suan)放(fang)大(da)器(qi)輸(shu)入(ru)端(duan)損(sun)壞(huai)後(hou)不(bu)影(ying)響(xiang)其(qi)他(ta)運(yun)算(suan)放(fang)大(da)器(qi)的(de)測(ce)試(shi),電(dian)路(lu)設(she)計(ji)中(zhong)用(yong)二(er)個(ge)8腳,一個14腳DIP插座,從而滿足通用型單,雙,四運放的測試。
測試儀的調試
測試儀有二個八腳一個十四腳集成電路DIP插座,結合發光二極管和電源構成。插座1用於測量單運放,7腳接電源正,4腳接電源負,2腳輸入負,3腳輸入正6腳輸出。插座2測量雙運放,8腳為電源正,4腳為電源負,2,6腳輸入負,3,5腳輸入正,1,7腳為輸出。插座3測量四運放,4腳為電源正,11腳為電源負,2、6、9、13腳輸入負3、5、10、12腳輸入正1、7、8、14腳為輸出。電路圖中IC1、IC2、IC3是作為原理給於說明,實際上插座1,插座2,插座3的接線應按以上進行連接,隻要接線正確,幾乎不用調試。R5、R6應盡可能相等,確保為虛地。R5、R6由於是電源裂變電阻又是發光二極管的限流電阻,可在200-510歐間選擇。阻值小,發光亮耗電大。阻值大,發光弱,不易觀察。R1、R2、R3、R4應盡可能相等,保證偏置為"地",阻值在10k-100k中間選擇Rp為同數量級的線性電位器,在中間做一個刻度線,以便調節。(電路圖上所標電阻的數值僅供參考,製作時可根據手中已有的電阻去做選擇)VD1-VD8選xuan擇ze異yi色se發fa光guang二er極ji管guan便bian於yu區qu分fen。測ce量liang前qian關guan掉diao電dian源yuan,將jiang插cha入ru待dai測ce集ji成cheng電dian路lu,單dan運yun放fang,雙shuang運yun放fang,四si運yun放fang要yao分fen別bie插cha入ru對dui應ying的de插cha座zuo中zhong,注zhu意yi管guan腳jiao位wei置zhi不bu能neng插cha反fan,然ran後hou閉bi合heK調節Rp觀察,根據發光管狀態判其好壞.測試完後斷電,取下集成電路。注意不能帶電插拔集成電路,以免造成集成電路的損壞。
測試儀使用方法
將被測單運放(IC1)插入插座DIP1中,接通電源向下調節Rp,Vd1發光:向上調節Rp,Vd2發光,當RP處在中間位置時,輸出為零,Vd1、Vd2發微光。在進行雙運放測試時,把被測雙運放(IC1,IC2)插入插座DIP2中,向下調節Rp,Vd1、Vd3亮。向上調節 Rp,Vd2、Vd4發光;在對四運放(IC1,IC2,IC3,IC3)進行測試時,被測運放插入插座DIP3中,向下調節 Rp,Vd1Vd3Vd5Vd7發光;向上調節Rp,Vd2Vd4Vd6Vd8發光。測試中不必去尋找中點,隻要觀察發光管的變化狀態,就能判斷其比較特性的優劣。對於多運放的測試,應當慢慢調節Rp,以便觀察發光二極管的發光亮度及亮滅時間差異來判斷其多運放的一致特性。如果在測試中調節RP時隻有一種狀態,而不變化,說明該運放已失去比較特性而損壞,不能使用。

圖解:電路圖
集成運算放大器輸出過流保護電路設計
特別推薦
- 噪聲中提取真值!瑞盟科技推出MSA2240電流檢測芯片賦能多元高端測量場景
- 10MHz高頻運行!氮矽科技發布集成驅動GaN芯片,助力電源能效再攀新高
- 失真度僅0.002%!力芯微推出超低內阻、超低失真4PST模擬開關
- 一“芯”雙電!聖邦微電子發布雙輸出電源芯片,簡化AFE與音頻設計
- 一機適配萬端:金升陽推出1200W可編程電源,賦能高端裝備製造
技術文章更多>>
- 邊緣AI的發展為更智能、更可持續的技術鋪平道路
- 每台智能體PC,都是AI時代的新入口
- IAR作為Qt Group獨立BU攜兩項重磅汽車電子應用開發方案首秀北京車展
- 構建具有網絡彈性的嵌入式係統:來自行業領袖的洞見
- 數字化的線性穩壓器
技術白皮書下載更多>>
- 車規與基於V2X的車輛協同主動避撞技術展望
- 數字隔離助力新能源汽車安全隔離的新挑戰
- 汽車模塊拋負載的解決方案
- 車用連接器的安全創新應用
- Melexis Actuators Business Unit
- Position / Current Sensors - Triaxis Hall
熱門搜索
SATA連接器
SD連接器
SII
SIM卡連接器
SMT設備
SMU
SOC
SPANSION
SRAM
SSD
ST
ST-ERICSSON
Sunlord
SynQor
s端子線
Taiyo Yuden
TDK-EPC
TD-SCDMA功放
TD-SCDMA基帶
TE
Tektronix
Thunderbolt
TI
TOREX
TTI
TVS
UPS電源
USB3.0
USB 3.0主控芯片
USB傳輸速度





