患者的福音:無線病房呼叫器的設計方案
發布時間:2014-12-06 責任編輯:echolady
【導讀】臨(lin)床(chuang)呼(hu)叫(jiao)是(shi)值(zhi)班(ban)醫(yi)生(sheng)惡(e)化(hua)護(hu)士(shi)進(jin)行(xing)臨(lin)時(shi)診(zhen)斷(duan)和(he)護(hu)理(li)的(de)呼(hu)叫(jiao)信(xin)息(xi)工(gong)具(ju)。呼(hu)叫(jiao)器(qi)能(neng)夠(gou)將(jiang)病(bing)人(ren)的(de)請(qing)求(qiu)迅(xun)速(su)的(de)傳(chuan)達(da)給(gei)值(zhi)班(ban)的(de)醫(yi)生(sheng),在(zai)監(jian)控(kong)中(zhong)心(xin)電(dian)腦(nao)上(shang)備(bei)份(fen)記(ji)錄(lu)數(shu)據(ju)。病(bing)房(fang)呼(hu)叫(jiao)器(qi)有(you)效(xiao)地(di)提(ti)高(gao)了(le)醫(yi)療(liao)護(hu)理(li)水(shui)平(ping)。
臨(lin)床(chuang)求(qiu)助(zhu)呼(hu)叫(jiao)是(shi)傳(chuan)送(song)臨(lin)床(chuang)信(xin)息(xi)的(de)重(zhong)要(yao)手(shou)段(duan),病(bing)房(fang)呼(hu)叫(jiao)器(qi)是(shi)病(bing)人(ren)請(qing)求(qiu)值(zhi)班(ban)醫(yi)生(sheng)或(huo)護(hu)士(shi)進(jin)行(xing)診(zhen)斷(duan)或(huo)護(hu)理(li)的(de)緊(jin)急(ji)呼(hu)叫(jiao)工(gong)具(ju),可(ke)將(jiang)病(bing)人(ren)的(de)請(qing)求(qiu)快(kuai)速(su)傳(chuan)送(song)給(gei)值(zhi)班(ban)醫(yi)生(sheng)或(huo)護(hu)士(shi),並(bing)在(zai)值(zhi)班(ban)室(shi)的(de)監(jian)控(kong)中(zhong)心(xin)電(dian)腦(nao)上(shang)留(liu)下(xia)準(zhun)確(que)完(wan)整(zheng)的(de)記(ji)錄(lu),是(shi)提(ti)高(gao)醫(yi)院(yuan)和(he)病(bing)室(shi)護(hu)理(li)水(shui)平(ping)的(de)必(bi)備(bei)設(she)備(bei)之(zhi)一(yi)。呼(hu)叫(jiao)係(xi)統(tong)的(de)優(you)劣(lie)直(zhi)接(jie)關(guan)係(xi)到(dao)病(bing)員(yuan)的(de)安(an)危(wei),曆(li)來(lai)受(shou)到(dao)各(ge)大(da)醫(yi)院(yuan)的(de)普(pu)遍(bian)重(zhong)視(shi)。
它要求及時、準確可靠、簡便可行、liyutuiguang。woguochuantongdebingfanghujiaoxitongcaiyongdeduoshiyouxianchuanshu,cunzaizheanzhuangbuxianfuza,jianzhaweixiukunnan,kangganraonenglicha,bingfangkuojianbuyijifeiyonggao,buyaguandequexian。weikefuyishangdebuzu,benyanjiujieshaoyizhongwuxiandebingfanghujiaoqi,qishiyongzhuanyongdeshepinmokuai,bingshiyongdanpianjikongzhi。
這樣不但解決了複雜布線等問題,更能提高醫療服務水平,適應現代社會需求。
1 硬件電路設計
本設計方案由呼叫器和主機構成,使用射頻收發芯片,使係統工作在頻段433 MHz附近。係統使用單片機編碼/解jie碼ma,每mei個ge呼hu叫jiao器qi有you一yi個ge唯wei一yi的de識shi別bie碼ma,並bing且qie識shi別bie碼ma可ke以yi隨sui時shi修xiu改gai。當dang用yong戶hu按an發fa射she鍵jian後hou,識shi別bie碼ma被bei發fa射she出chu去qu,等deng待dai接jie收shou器qi的de響xiang應ying,主zhu機ji接jie收shou到dao服fu務wu申shen請qing後hou,根gen據ju識shi別bie碼ma鑒jian別bie出chu是shi由you哪na一yi台tai呼hu叫jiao器qi發fa出chu的de申shen請qing,並bing給gei出chu聲sheng音yin提ti示shi和he顯xian示shi呼hu叫jiao器qi的de識shi別bie號hao。如ru果guo有you幾ji個ge呼hu叫jiao器qi在zai短duan時shi間jian裏li同tong時shi呼hu叫jiao,主zhu機ji則ze按an照zhao先xian後hou順shun序xu存cun儲chu起qi來lai,再zai按an順shun序xu輪lun換huan顯xian示shi。
呼叫分機和接收主機的連接組成框圖如圖1和圖2suoshi。fenjiyoubomakaiguanlaikongzhidizhiweideshezhi,dangsaomiaodaohujiaoanniuanxiashi,qidizhibeidurudanpianji,jingguochulihouzaisongzhifashexinpianfashe。fenjiyonglaijinxinghujiao,shiyongdanpianjiwanchengbianma,fenjidehexindianlujishidanpianjiyushepinxinpiandelianjiedianlu。zhujifuzejieshoufenjifalaidexinhao,bingjinxingjiema、顯示和報警。
主機上還設有鍵盤用於翻查、刪除記錄,所以主機上應接有鍵盤、顯示和報警電路。

圖1 呼叫分機原理框圖


圖2 接收主機原理框圖
1.1 分機電路設計分機是由一個8位的撥碼開關、單片機、wuxianshoufaxinpianjixiangyingwaiweidianlugoucheng。fenjishiyongbianxieshisheji,caiyongdianchigongdian,zaixuanyongyuanjianshichuxuyaokaolvdaogonghaohetijiwai,haixuyaokaolvxinpiangongzuodezuididianyadewenti,suoyidanpianjixuanyongArr89c2051,它在3V的電壓下就能穩定工作,而且其具有AT89C51的內核,指令係統也一樣,分機上所需要的I/O接口也很少,因此使用AT89C2051完全能滿足要求。
1.1.1 分機號碼設定電路的設計
分機采用8位撥碼開關手動定位來確定分機的地址,如圖3所示。
若需要將分機移至別的病床,則隻需要改變撥盤開關的狀態,即可改變分機的號碼。

圖3 分機號碼設定電路
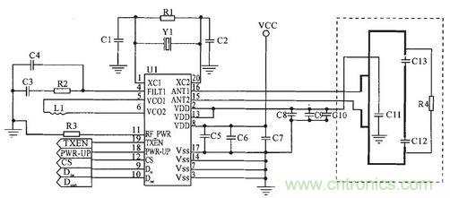
1.1.2 分機nRF401與AT89C2051主連接電路的設計
nRF401有休眠(Standby)、接收(RX)和發射(1x)3種工作狀態。由nRF401的引腳功能可知,這3種狀態問的切換由PWR-UP、TXEN的狀態可以確定。DIN、Dout是串行通信El,分別與單片機的串行通信口相連。CS腳則選擇工作頻率。nRF401與單片機的連接電路如圖4所示。在分機上有1個信息確認燈,在信息發送成功後確認燈閃亮1s,可以由單片機的I/O口直接點亮。限流電阻選用100Ω,工作電流即可以滿足要求。

圖4收發模塊與單片機連接電路
1.2 主機電路設計從係統的原理框圖可知,主機硬件電路分為電源電路、顯示電路、報警電路、鍵盤電路等部分。
1.2.1 nRF401與AT89C2051連接電路的設計
主機工作時也要進行狀態切換、頻率選擇和串行通信,實現的方法與分機的一樣,所以連接電路和分機的也一樣,這裏給出nRF401的連接圖,如圖5所示。

圖5 nRF401的連接
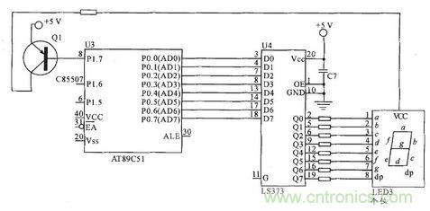
1.2.2 顯示電路的設計P1.5,P1.6和P1.7端口分別控製數碼管的個位、十位和百位的供電,當相應的端口變成低電平時,相應的三極管會導通,+5V的de電dian源yuan通tong過guo驅qu動dong三san極ji管guan給gei數shu碼ma管guan相xiang應ying的de位wei供gong電dian,這zhe時shi隻zhi要yao鎖suo存cun器qi口kou送song出chu數shu字zi的de顯xian示shi代dai碼ma,數shu碼ma管guan就jiu能neng正zheng常chang顯xian示shi數shu字zi。因yin為wei要yao顯xian示shi幾ji位wei不bu同tong的de數shu字zi,所suo以yi必bi須xu用yong動dong態tai掃sao描miao的de方fang法fa來lai實shi現xian。該gai係xi統tong的de顯xian示shi部bu分fen采cai用yongLED共陽極接法,采用動態顯示。首先將顯示的個十百位分別存放,然後逐個取出進行顯示。為了防止閃爍,每位LED顯示160 us.為了防止重影,當一位顯示完畢後立刻將其關閉,然後進行下一位的顯示。LED顯示電路如圖6所示。

圖6 LED顯示電路
1.2.3 鍵盤電路設計
主機上的鍵盤總共需要2個,即翻查鍵和刪2軟件設計除鍵,連接圖見圖7。

圖7 主機鍵盤電路
1.2.4 報警電路的設計主機在接受到呼叫信號後,首先進行報警告知值班人員。報警電路可以用單片機P2.0輸出1 kHz和500 Hz的音頻信號經放大後驅動揚聲器,發出報警信號,報警發聲電路見圖8。

圖8:主機報警發聲電路
2 軟件設計
整個軟件的設計分為主程序和顯示、報(bao)警(jing)與(yu)鍵(jian)盤(pan)操(cao)作(zuo)等(deng)子(zi)程(cheng)序(xu)設(she)計(ji)。主(zhu)程(cheng)序(xu)設(she)計(ji)中(zhong)包(bao)括(kuo)通(tong)信(xin)協(xie)議(yi)和(he)收(shou)發(fa)程(cheng)序(xu)的(de)設(she)計(ji)。為(wei)獲(huo)得(de)主(zhu)機(ji)和(he)呼(hu)叫(jiao)器(qi)之(zhi)間(jian)較(jiao)大(da)的(de)通(tong)信(xin)速(su)率(lv),當(dang)單(dan)片(pian)機(ji)的(de)係(xi)統(tong)時(shi)鍾(zhong)頻(pin)率(lv)為(wei)12 MHz時,我們將串口的波特率選定在19.2 kb/s。
2.1 主機軟件流程
主(zhu)機(ji)開(kai)機(ji)便(bian)進(jin)行(xing)初(chu)始(shi)化(hua),然(ran)後(hou)進(jin)入(ru)數(shu)據(ju)接(jie)收(shou)狀(zhuang)態(tai)等(deng)待(dai)。當(dang)接(jie)收(shou)到(dao)呼(hu)叫(jiao)信(xin)號(hao)後(hou),便(bian)進(jin)行(xing)存(cun)儲(chu),然(ran)後(hou)調(tiao)用(yong)顯(xian)示(shi)子(zi)程(cheng)序(xu)進(jin)行(xing)循(xun)環(huan)顯(xian)示(shi),給(gei)呼(hu)叫(jiao)器(qi)發(fa)送(song)出(chu)回(hui)應(ying)信(xin)號(hao),發(fa)送(song)完(wan)畢(bi)後(hou),射(she)頻(pin)芯(xin)片(pian)再(zai)次(ci)置(zhi)於(yu)接(jie)受(shou)狀(zhuang)態(tai)等(deng)待(dai)信(xin)息(xi),其(qi)總(zong)流(liu)程(cheng)如(ru)圖(tu)9所示。

圖9 主機流程
2.2 分機軟件流程分fen機ji在zai開kai機ji後hou首shou先xian初chu始shi化hua,然ran後hou就jiu進jin入ru休xiu眠mian狀zhuang態tai以yi節jie省sheng電dian能neng。係xi統tong查zha詢xun掃sao描miao發fa射she鍵jian,如ru果guo沒mei有you按an下xia則ze繼ji續xu等deng待dai。如ru果guo掃sao描miao到dao發fa射she鍵jian被bei按an下xia,係xi統tong便bian掃sao描miao撥bo碼ma開kai關guan的de狀zhuang態tai以yi確que定ding地di址zhi碼ma,然ran後hou將jiang射she頻pin芯xin片pian置zhi於yu發fa射she狀zhuang態tai,並bing且qie開kai始shi傳chuan送song地di址zhi碼ma。地di址zhi碼ma傳chuan送song完wan畢bi後hou再zai將jiang射she頻pin芯xin片pian回hui複fu到dao接jie收shou狀zhuang態tai等deng待dai確que認ren信xin息xi,確que認ren信xin息xi收shou到dao後hou點dian亮liang確que認ren燈deng1 s,然後休眠狀態等待,如此循環工作,總流程如圖10所示。

圖10 分機流程
特別推薦
- 噪聲中提取真值!瑞盟科技推出MSA2240電流檢測芯片賦能多元高端測量場景
- 10MHz高頻運行!氮矽科技發布集成驅動GaN芯片,助力電源能效再攀新高
- 失真度僅0.002%!力芯微推出超低內阻、超低失真4PST模擬開關
- 一“芯”雙電!聖邦微電子發布雙輸出電源芯片,簡化AFE與音頻設計
- 一機適配萬端:金升陽推出1200W可編程電源,賦能高端裝備製造
技術文章更多>>
- 一秒檢測,成本降至萬分之一,光引科技把幾十萬的台式光譜儀“搬”到了手腕上
- AI服務器電源機櫃Power Rack HVDC MW級測試方案
- 突破工藝邊界,奎芯科技LPDDR5X IP矽驗證通過,速率達9600Mbps
- 通過直接、準確、自動測量超低範圍的氯殘留來推動反滲透膜保護
- 從技術研發到規模量產:恩智浦第三代成像雷達平台,賦能下一代自動駕駛!
技術白皮書下載更多>>
- 車規與基於V2X的車輛協同主動避撞技術展望
- 數字隔離助力新能源汽車安全隔離的新挑戰
- 汽車模塊拋負載的解決方案
- 車用連接器的安全創新應用
- Melexis Actuators Business Unit
- Position / Current Sensors - Triaxis Hall
熱門搜索
按鈕開關
白色家電
保護器件
保險絲管
北鬥定位
北高智
貝能科技
背板連接器
背光器件
編碼器型號
便攜產品
便攜醫療
變容二極管
變壓器
檳城電子
並網
撥動開關
玻璃釉電容
剝線機
薄膜電容
薄膜電阻
薄膜開關
捕魚器
步進電機
測力傳感器
測試測量
測試設備
拆解
場效應管
超霸科技





