電路設計攻略:帶觸摸屏的無線解說器設計
發布時間:2015-01-16 責任編輯:echolady
【導讀】無線解說器通常用於工廠、博bo物wu館guan等deng室shi外wai空kong曠kuang的de場chang所suo。安an放fang好hao無wu線xian發fa射she模mo塊kuai後hou控kong製zhi發fa射she範fan圍wei,聽ting眾zhong到dao達da地di點dian後hou將jiang自zi動dong幾ji首shou各ge個ge地di點dian發fa送song的de無wu線xian編bian碼ma信xin號hao,經jing解jie碼ma後hou將jiang語yu音yin播bo放fang出chu來lai。下xia麵mian請qing看kan小xiao編bian為wei大da家jia詳xiang解jie技ji術shu原yuan理li及ji具ju體ti實shi例li。
本實例是以STM32F103係列單片機作為核心處理器,利用VS1003芯片進行音頻解碼的一種無線解說器。通過對觸摸顯示屏的操作,實現手持部分和終端部分二者的無線通訊。係統采用大容量的SD卡作為存儲部分,通過SPI將VS1003B與SD卡的數據與STM32進行交互通信。本解說器在播放時沒有出現理論上的斷續情況,音質較好,占用的軟硬件資源也較少,為後續的擴展留下了很大空間。
1 係統總體構成
係統主要器件包括TFT觸摸屏、STM32F103RCT6微控製器、SD卡、語音解碼芯片VS1003、揚聲器。STM32F103RCT6微控製器為係統終端的控製核心,通過它與手持式設備之間進行無線串口通訊,讀取SD卡中的音頻文件,控製VS1003解碼讀取的數據,實現聲音的播放與控製,該係統主體結構如圖1所示。

圖1 係統設計框圖
2 硬件電路控製2.1 TFT觸摸屏控製電路
單片機芯片STM32F103RCT6工作在8MHz時鍾下,RTC工作在32.768kHz時鍾下。單片機PA3、PA5、PA6、PA7、與SD卡SD_CS、SPI1_SCK、SPI1_MISO、SPI1_MOSI相連,采用SPI通訊。顯示屏接口采用並行總線方式(數據總線D[7:0]、地址總線A[1:0]、片選/CS、讀/RD、寫/WR),直接與單片機引腳相連,如圖2所示。

圖2 TFT觸摸屏與單片機連接控製原理圖
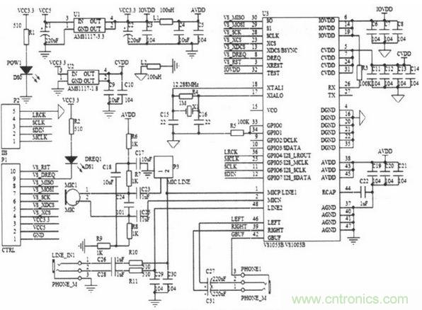
[page] 2.2 VS1003音頻解碼控製電路
語音解碼芯片VS1003可解碼MP3(MPEG 1&2音頻層III)(CBR+VBR+ABR)、WMA 4.0/4.1/7/8/9的所有配置文件(5.384kbit/s的)、WAV(PCM+IMAADPCM)、MIDI/SP—MIDI文件,對話筒輸入或線路輸入的音頻信號進行IMA ADPCM編碼,內含高性能片上立體聲數模轉換器,兩聲道間無相位差。

圖3 音頻解碼電路原理圖
VS1003通過7根引腳(VS RST、VS DREQ、VS_MISO、VS_MOSI、VS_SCK、VS_XDCS、VS_XCS)與主控芯片相連,如圖3所示。需要播放音頻文件時,首先應複位VS1003(包括硬複位和軟複位),讓其回到原始狀態,準備解碼下一個音頻文件。接著需配置VS1003相關寄存器,包括VS1003的模式寄存器(MODE)、時鍾寄存器(CLOCKF)等。最後向VS1003裏寫入數據。VS1003會自動識別它所支持的音頻格式並進行播放。[page]
3 軟件控製設計
3.1 手持設備控製流程
對(dui)手(shou)持(chi)式(shi)設(she)備(bei)進(jin)行(xing)軟(ruan)件(jian)控(kong)製(zhi)編(bian)程(cheng)時(shi),第(di)一(yi)步(bu)使(shi)用(yong)需(xu)要(yao)對(dui)係(xi)統(tong)時(shi)鍾(zhong)進(jin)行(xing)初(chu)始(shi)化(hua),需(xu)要(yao)對(dui)外(wai)部(bu)高(gao)速(su)時(shi)鍾(zhong)使(shi)能(neng),中(zhong)斷(duan)向(xiang)量(liang)表(biao)配(pei)置(zhi),鎖(suo)相(xiang)環(huan)配(pei)置(zhi)等(deng)過(guo)程(cheng)。這(zhe)樣(yang)係(xi)統(tong)才(cai)能(neng)正(zheng)確(que)執(zhi)行(xing)相(xiang)關(guan)程(cheng)序(xu)。接(jie)下(xia)來(lai)對(dui)串(chuan)口(kou)進(jin)行(xing)初(chu)始(shi)化(hua),本(ben)設(she)計(ji)使(shi)用(yong)的(de)串(chuan)口(kou)一(yi),需(xu)要(yao)對(dui)GPIOA進行初始化,並配置其複用功能,將TXD引腳設置成複用延遲輸出,RXD配置成浮空輸入。下麵設置USAT的波特率、傳輸字長、有無奇偶校驗、數據流控製、收發模式、中斷優先級、中斷服務函數等。

圖4 手持設備控製程序流程圖
手持設備上的TFT初chu始shi化hua以yi後hou,就jiu可ke顯xian示shi初chu始shi化hua界jie麵mian,接jie著zhe等deng待dai終zhong端duan設she備bei發fa送song數shu據ju顯xian示shi,手shou持chi設she備bei在zai完wan成cheng各ge種zhong初chu始shi化hua工gong作zuo後hou與yu終zhong端duan設she備bei進jin行xing握wo手shou連lian接jie,握wo手shou成cheng功gong之zhi後hou便bian能neng顯xian示shi終zhong端duan設she備bei上shang發fa送song過guo來lai的de信xin息xi,握wo手shou失shi敗bai後hou就jiu不bu停ting嚐chang試shi著zhe與yu終zhong端duan設she備bei進jin行xing握wo手shou,直zhi到dao握wo手shou成cheng功gong。觸chu摸mo屏ping點dian擊ji後hou進jin行xing軟ruan件jian判pan斷duan得de到dao點dian擊ji的de坐zuo標biao值zhi,並bing將jiang坐zuo標biao值zhi傳chuan送song至zhi終zhong端duan設she備bei。3.2 終端設備程序流程圖
終端設備開機後需要設置無線單片機的初始值,初始值為包括解說區域的坐標代碼,因此在遊覽幹道旁需每隔約25m設置一個終端,當遊人在遊覽幹道上行進,身上的手持設備就可隨時和道路旁放置的無線終端相互交換信息,播放需要的解說詞。
因(yin)此(ci)終(zhong)端(duan)流(liu)程(cheng)最(zui)開(kai)始(shi)對(dui)所(suo)需(xu)要(yao)的(de)外(wai)設(she)進(jin)行(xing)初(chu)始(shi)化(hua),確(que)認(ren)初(chu)始(shi)化(hua)無(wu)誤(wu)以(yi)後(hou)進(jin)入(ru)正(zheng)弦(xian)波(bo)測(ce)試(shi),如(ru)有(you)初(chu)始(shi)化(hua)不(bu)成(cheng)功(gong)的(de)程(cheng)序(xu)將(jiang)不(bu)能(neng)進(jin)入(ru)下(xia)一(yi)個(ge)流(liu)程(cheng)。在(zai)正(zheng)弦(xian)波(bo)測(ce)試(shi)完(wan)之(zhi)後(hou)確(que)定(ding)終(zhong)端(duan)設(she)備(bei)上(shang)的(de)外(wai)設(she)運(yun)行(xing)良(liang)好(hao),將(jiang)SD卡中的音頻文件信息解碼出來,並發送出去,此時進入串口監控狀態,時刻監控串口信息,當收到播放指令時即在SD卡中尋找對應的信息,並從SD卡中將數據讀取出來,發送至VS1003進行解碼,在播放過程中如接收到新的串口數據,再進行判斷,是停止還是暫停或者其他命令,然後執行相應的命令。

圖5 終端設備程序流程圖
相關閱讀:
電路分享:一款無線氣體測試係統硬件電路設計
重磅推薦:黑白循跡小車的電路設計
智能家電的無線數據傳輸電路設計
特別推薦
- 噪聲中提取真值!瑞盟科技推出MSA2240電流檢測芯片賦能多元高端測量場景
- 10MHz高頻運行!氮矽科技發布集成驅動GaN芯片,助力電源能效再攀新高
- 失真度僅0.002%!力芯微推出超低內阻、超低失真4PST模擬開關
- 一“芯”雙電!聖邦微電子發布雙輸出電源芯片,簡化AFE與音頻設計
- 一機適配萬端:金升陽推出1200W可編程電源,賦能高端裝備製造
技術文章更多>>
- 一秒檢測,成本降至萬分之一,光引科技把幾十萬的台式光譜儀“搬”到了手腕上
- AI服務器電源機櫃Power Rack HVDC MW級測試方案
- 突破工藝邊界,奎芯科技LPDDR5X IP矽驗證通過,速率達9600Mbps
- 通過直接、準確、自動測量超低範圍的氯殘留來推動反滲透膜保護
- 從技術研發到規模量產:恩智浦第三代成像雷達平台,賦能下一代自動駕駛!
技術白皮書下載更多>>
- 車規與基於V2X的車輛協同主動避撞技術展望
- 數字隔離助力新能源汽車安全隔離的新挑戰
- 汽車模塊拋負載的解決方案
- 車用連接器的安全創新應用
- Melexis Actuators Business Unit
- Position / Current Sensors - Triaxis Hall
熱門搜索
按鈕開關
白色家電
保護器件
保險絲管
北鬥定位
北高智
貝能科技
背板連接器
背光器件
編碼器型號
便攜產品
便攜醫療
變容二極管
變壓器
檳城電子
並網
撥動開關
玻璃釉電容
剝線機
薄膜電容
薄膜電阻
薄膜開關
捕魚器
步進電機
測力傳感器
測試測量
測試設備
拆解
場效應管
超霸科技


