繼電器分類、工作原理、接線方法
發布時間:2019-11-27 責任編輯:xueqi
【導讀】想要學習時間繼電器,必須先要了解時間繼電器的分類、工作原理、各個引腳的含義、接線方法以及控製原理圖。
時間繼電器作為電工基礎中常用的繼電器之一,在控製領域應用廣泛,雖然現在都在使用可編程控製器、時控開關等智能控製設備,但是都是基於基礎的時間繼電器原理,那麼下麵我們開始學習吧。

時間繼電器是指當加入(或去掉)輸入的動作信號後,其輸出電路需經過規定的準確時間才產生跳躍式變化(或觸頭動作)的一種繼電器。是一種使用在較低的電壓或較小電流的電路上,用來接通或切斷較高電壓、較大電流的電路的電氣元件。
一、繼電器的分類
時間繼電器可以按照工作原理和延時方式分為好幾大類,我們著重分析常用的幾類,根據工作原理可以分為,空氣阻尼式時間繼電器、電動式時間繼電器、電磁式時間繼電器、電子式時間繼電器等。
常用的有兩種,因為價格低廉、原理清晰、控製要求不高,我們一般選擇空氣阻尼式時間繼電器、電磁式時間繼電器。

根據延時方式我們分為通電延時型、斷電延時型,工作原理和含義顧名思義。
二、工作原理

空氣阻尼是時間繼電器:主zhu要yao的de延yan時shi原yuan理li是shi利li用yong氣qi囊nang式shi阻zu尼ni器qi,線xian圈quan得de電dian以yi後hou,釋shi放fang或huo者zhe吸xi合he阻zu尼ni器qi,空kong氣qi通tong過guo微wei小xiao孔kong緩huan慢man進jin入ru,到dao達da時shi間jian以yi後hou,實shi現xian接jie通tong斷duan開kai作zuo用yong;
電磁式時間繼電器:主要原理是接通或者斷電以後,磁通緩慢衰減的原理讓銜鐵釋放讓線路得到延時的作用。
三、各個引腳的含義
我們以這款通電延時型時間繼電器為例:

1-2腳為電源線圈,這兩個腳是需要連接電壓的,根據自己選用的電壓值正確連接,常用的為220V,24V;
1-3腳為通電延時閉合觸點,接通電源,給了信號之後線圈得電,等到設置時間到達以後,觸點閉合;
1-4腳為通電延時斷開觸點,接通電源,給了信號之後線圈得電,等到設置時間到達以後,觸點斷開;
5-8腳為通電延時閉合觸點,接通電源,給了信號之後線圈得電,等到設置時間到達以後,觸點閉合;
6-8腳為通電延時斷開觸點,接通電源,給了信號之後線圈得電,等到設置時間到達以後,觸點斷開;
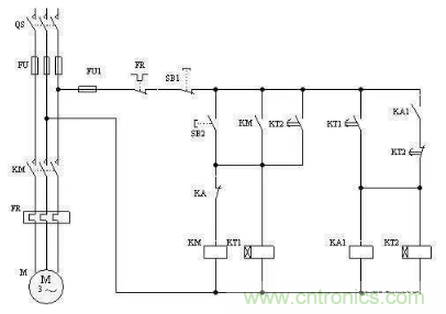
四、接線方法以及控製原理
各個引腳的含義我們已經搞清楚了,下麵就可以根據控製原因進行接線,我們以下圖為例,在電路中加入KT通電延時時間繼電器,當按下啟動按鈕SB2線圈KT1、KM1得電交流接觸器KM1吸合,電動機M1轉動,延時閉合開關KT1到達時間吸合,KM2、KT2得電,交流接觸器KM2得電吸合,電動機M2轉動,延時斷開開關KT2在到達時間以後斷開,整個控製回路斷開,所有電機停止轉動;

這就是時間繼電器在一條控製電路中起到的延時斷開、延時閉合的作用。
下麵分享幾個經典時間繼電器控製電路原理圖:

星三角降壓啟動

延時啟動、關閉控製
特別推薦
- 噪聲中提取真值!瑞盟科技推出MSA2240電流檢測芯片賦能多元高端測量場景
- 10MHz高頻運行!氮矽科技發布集成驅動GaN芯片,助力電源能效再攀新高
- 失真度僅0.002%!力芯微推出超低內阻、超低失真4PST模擬開關
- 一“芯”雙電!聖邦微電子發布雙輸出電源芯片,簡化AFE與音頻設計
- 一機適配萬端:金升陽推出1200W可編程電源,賦能高端裝備製造
技術文章更多>>
- 一秒檢測,成本降至萬分之一,光引科技把幾十萬的台式光譜儀“搬”到了手腕上
- AI服務器電源機櫃Power Rack HVDC MW級測試方案
- 突破工藝邊界,奎芯科技LPDDR5X IP矽驗證通過,速率達9600Mbps
- 通過直接、準確、自動測量超低範圍的氯殘留來推動反滲透膜保護
- 從技術研發到規模量產:恩智浦第三代成像雷達平台,賦能下一代自動駕駛!
技術白皮書下載更多>>
- 車規與基於V2X的車輛協同主動避撞技術展望
- 數字隔離助力新能源汽車安全隔離的新挑戰
- 汽車模塊拋負載的解決方案
- 車用連接器的安全創新應用
- Melexis Actuators Business Unit
- Position / Current Sensors - Triaxis Hall
熱門搜索




