兩款新器件重塑信號發生器
發布時間:2020-05-19 來源:David Hunter 責任編輯:wenwei
【導讀】過去,任意波形發生器最棘手的部分是輸出級的設計。典型信號發生器的輸出範圍在25 mV 到5 V 之間。為了驅動一個50 Ω 的負載,傳統設計采用高性能分立式器件,並聯大量集成器件,或者成本昂貴的ASIC,而(er)要(yao)構(gou)造(zao)出(chu)穩(wen)定(ding)且(qie)可(ke)編(bian)程(cheng)範(fan)圍(wei)較(jiao)寬(kuan)的(de)高(gao)性(xing)能(neng)輸(shu)出(chu)級(ji),設(she)計(ji)師(shi)往(wang)往(wang)要(yao)投(tou)入(ru)無(wu)數(shu)小(xiao)時(shi)的(de)時(shi)間(jian)。現(xian)在(zai),技(ji)術(shu)進(jin)步(bu)帶(dai)來(lai)的(de)放(fang)大(da)器(qi)可(ke)以(yi)驅(qu)動(dong)這(zhe)些(xie)負(fu)載(zai),降(jiang)低(di)輸(shu)出(chu)級(ji)的(de)複(fu)雜(za)性(xing),同(tong)時(shi)還(hai)能(neng)減(jian)少(shao)成(cheng)本(ben)、縮短上市時間。

圖1. 典型信號發生器模型
在(zai)使(shi)用(yong)通(tong)用(yong)信(xin)號(hao)發(fa)生(sheng)器(qi)時(shi),先(xian)輸(shu)入(ru)一(yi)個(ge)頻(pin)率(lv),然(ran)後(hou)按(an)下(xia)一(yi)個(ge)按(an)鈕(niu),最(zui)後(hou)儀(yi)器(qi)產(chan)生(sheng)一(yi)個(ge)新(xin)的(de)頻(pin)率(lv)。接(jie)下(xia)來(lai),輸(shu)入(ru)所(suo)需(xu)輸(shu)出(chu)功(gong)率(lv),再(zai)按(an)下(xia)另(ling)一(yi)個(ge)按(an)鈕(niu)。在(zai)切(qie)換(huan)內(nei)部(bu)網(wang)絡(luo)、調(tiao)整(zheng)輸(shu)出(chu)電(dian)平(ping)時(shi),繼(ji)電(dian)器(qi)發(fa)出(chu)哢(ka)噠(da)聲(sheng)。這(zhe)種(zhong)非(fei)連(lian)續(xu)運(yun)行(xing)模(mo)式(shi)是(shi)補(bu)償(chang)寬(kuan)可(ke)編(bian)程(cheng)範(fan)圍(wei)缺(que)失(shi)問(wen)題(ti)的(de)必(bi)要(yao)條(tiao)件(jian)。本(ben)文(wen)提(ti)出(chu)一(yi)種(zhong)新(xin)的(de)架(jia)構(gou),它(ta)可(ke)以(yi)解(jie)決(jue)輸(shu)出(chu)級(ji)設(she)計(ji)中(zhong)的(de)一(yi)半(ban)問(wen)題(ti)。
克服這個前端設計挑戰的兩個關鍵組件是:提供高速、高電壓和高輸出電流的高性能輸出級;以及帶連續線性dB 調諧的可變增益放大器(VGA)。這種設計以20MHz 的性能為目標,幅度為22.4 V(+39 dBm),負載為50 Ω。

圖2. 更小、更簡單的信號發生器輸出級
新型緊湊式輸出級
初始信號可能來自數模轉換器(DAC)以產生複雜波形,也可能來自直接數字頻率合成(DDS)器件以產生正弦波。任一情況下,其規格和功率調整能力都可能達不到理想狀態。第一個要求是用VGA提供衰減或增益。但許多VGA 提供的增益是有限的,往往不足以在本應用中發揮作用。
如果VGA 的輸出可以設為目標電平,則無論輸入為何,都可以強製輸出已知幅度。例如,如果所需輸出幅度為2 V,且功率輸出級的增益為10,則VGA 的輸出幅度應調節至0.2 V。當輸出級設計正確時,輸出幅度最終由VGA 輸出設定。不幸的是,多數VGA因可編程範圍有限而成了瓶頸問題。
AD8330是實現50 dB 範圍的首款VGA,但AD8338則樹立了新的標杆,這款新型低功耗VGA 擁有高達80 dB 的可編程範圍。典型的高品質信號發生器的輸出幅度範圍為25 mV 至5 V。高達46 dB的可調範圍超過了市麵上多數現有VGA 的能力範圍。理想條件下,經典信號發生器的輸出幅度可能為0.5 mV 至5 V,無(wu)需(xu)使(shi)用(yong)繼(ji)電(dian)器(qi)或(huo)開(kai)關(guan)網(wang)絡(luo)。滿(man)量(liang)程(cheng)連(lian)續(xu)可(ke)調(tiao),不(bu)存(cun)在(zai)開(kai)關(guan)和(he)繼(ji)電(dian)器(qi)的(de)非(fei)連(lian)續(xu)性(xing)問(wen)題(ti)。另(ling)外(wai),不(bu)用(yong)繼(ji)電(dian)器(qi)還(hai)可(ke)以(yi)延(yan)長(chang)儀(yi)器(qi)壽(shou)命(ming),提(ti)高(gao)係(xi)統(tong)可(ke)靠(kao)性(xing)。
現代DAC 和DDS 器件一般搭載差分輸出,要求設計師使用一個變壓器,用單端連接損失一半信號,或者添加一個差分轉單端轉換器。AD8338 具有天然的適用性,提供全差分接口,如圖3 所示。對於正弦波應用,用DDS 取代DAC。

圖3. 把DAC 連接至AD8338 的網絡示例
AD8338 的一個主要特點是靈活的輸入級。作為一款輸入VGA,它通過ADI 研究員Barrie Gilbert 發明的"H-amp"拓撲結構來控製輸入電流。該設計用反饋來平衡輸入電流,同時使內部節點電壓維持於1.5 V。正常條件下,使用500 Ω 輸入電阻,最大1.5 V輸入信號會產生3 mA 的電流。如果輸入幅度較大,比如15 V,則將一個較大的電阻連接至"直接"輸入引腳。該電阻的大小必須合適,以得到相同的3 mA 電流:
單端15 V 信號將以差分方式輸出1.141 V。此時,最小增益條件下,AD8338 提供28.4 dB 衰減,因此,最大可能增益為+51.6 dB。作為一種低功耗器件,在1 kΩ 負載條件下,典型輸出擺幅為1.5 V。
輸入VGA 的功率必須滿足以下條件:其總增益範圍在不同設定點周圍。首先,確定信號發生器產生最大輸出需要的輸出電平。許多商用發生器為50 Ω 負載(正弦波)隻提供250 mW rms (+24 dBm)的最大輸出功率。這無法滿足需要更多輸出功率的應用需求,比如測試高輸出高頻放大器、超聲脈衝發生等。
電流反饋放大器(CFA)技術的進步意味著,這不再是個問題。ADA4870CFA 可以用±20 V 電源驅動1 A(17 V)。對於正弦波,可以在滿負載條件下輸出最高23 MHz 的頻率,使其成為新一代通用任意波形/信號發生器的理想前端驅動器。
對於反射敏感型50 Ω 係統來說,ADA4870 要求一些無源器件使源阻抗與50 Ω 負載相匹配:一個阻性焊盤和一個1.5:1 RF 自動變壓器。在1 V 裕量條件下,當放大器有效負載為16 Ω 時,可取得8 W 峰值功率。另外,如果反射不構成問題,則可移除阻性焊盤,並用匝數比為0.77:1 的變壓器代替自動變壓器。無阻性焊盤地,輸出功率增至16 W峰值(28.3 V 幅度)。

圖4. ADA4870 驅動16 Ω(增益= 10)時的基本連接
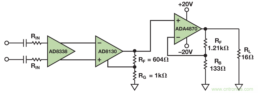
為優化輸出信號擺幅,我們將ADA4870 的增益倍數配置為10,因此,所需輸入幅度為1.6 V。ADA4870 有一個單端輸入,AD8338有一個差分輸出,因此,AD8130 差分接收放大器及其270 MHz增益帶寬積和1090 V/μs 壓擺率可同時提供差分至單端轉換和所需增益。AD8338 的輸出限製為±1.0 V,因此,AD8130 必須提供1.6 V/V 的中間增益。組合起來時,三個器件形成一個完整的信號發生器輸出級。

圖5. 信號發生器輸出級
完成整個設計還需要最後兩個步驟:配置輸入網絡以實現最大輸入信號和抗混疊,設計輸出網絡以實現阻抗轉換。
AD8338 輸入網絡
對於該設計,差分輸出幅度為±1.0 V。在工廠默認設置、內部500 Ω電阻和最大增益條件下,輸入幅度一定是100 μV。通過向直接輸入引腳增加電阻,設計師可以調節該要求。由輸入電阻決定的增益範圍為:
(2)在各輸入端使用40.2 kΩ 的電阻,可以在噪聲功率與輸入衰減之間 實現良好平衡。當VGAIN = 1.1 V(最大增益)時,增益為:
(3)此時,差分輸入隻需為21 mV。
當VGAIN = 0.1 V 時,增益為:
對於相同的21 mV 輸入,輸出約為100 μV。
考慮AD8130和ADA4870 的總增益,約為24.1 dB,ADA4870 的輸出幅度範圍為1.6 mV 至16 V。在阻性焊盤和自動變壓器之後,輸出端的電壓將在2 mV 到20 V 之間。
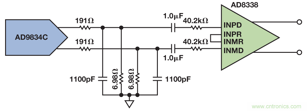
把AD8338 連接至DDS 等器件,要求考慮抗混疊和輸入衰減。例如,差分輸出AD9834CDDS 要求200 Ω 電阻接地,以實現正確的擺幅。每個輸出隻會產生一半的正弦波信號,如圖6 所示。
每個輸出峰值為0.6 V,使得有效輸入為±0.6 V,所需衰減為26 dB。在使用200 Ω 電阻時,通過構建簡單的電阻分壓器,可以輕鬆實現衰減。由於信號擺幅並不統一,因此,信號峰值應該會達到預期衰減值。

圖6. 9834C IIOUT 和IIOUT的輸出擺幅。未顯示混疊偽像
(5)使用標準的6.98 Ω 和191 Ω 電阻值,結果會產生0.7%的誤差。
最後,需要一定的抗混疊處理。在75-MSPS 采樣速率下,奈奎斯特速率輸出為37.5 MHz,超過了該設計的20 MHz 帶寬。將抗混疊極點設為20 MHz,則所需電容為:
(6)這是一個標準值,因此,完整的輸入網絡如圖7 所示:

圖7. DDS + 衰減和濾波器網絡 + AD8338
構建該級並進行測量。總體變化在±0.6 dB 之內,如圖8 所示。

圖8. AD8338 配置的計算所得增益和實測增益
ADA4870 輸出級
在單端輸出由AD8130 提供的情況下,ADA4870 將執行最終10倍bei增zeng益yi。設she置zhi該gai增zeng益yi需xu要yao兩liang個ge電dian阻zu,無wu外wai部bu補bu償chang情qing況kuang下xia,該gai級ji很hen穩wen定ding。未wei完wan成cheng的de唯wei一yi工gong作zuo是shi調tiao整zheng輸shu出chu網wang絡luo,以yi滿man足zu應ying用yong需xu求qiu。有you三san種zhong通tong用yong實shi現xian方fang案an:
1. 從放大器直接輸出至50 Ω
2. 填充自動變壓器輸出至50 Ω
3. 未填充自動變壓器輸出至50 Ω
對於直接輸出,放大器輸出直接連接輸出連接器,無需用任何網絡來轉換源,如圖9 所示。這種方法是真直流連接源的完美選擇,雖然不能發揮出器件的全部潛力,但仍然比典型信號發生器的10 V輸出幅度要好得多。在這種情況下,最大峰值功率為5.12 W。

圖9. 直接輸出驅動連接
對於焊盤式設計,16 Ω 負載在一個8 Ω 的串聯焊盤與經濾波處理的1.5:1 自動變壓器之間分配,如圖10 所示。在該模式下,由於設計具有低阻抗特性,因此,設計師使用的電感值可以比用於50 Ω設計的電感小6.25 倍。低通濾波器和自動變壓器把8 Ω 有效源阻抗轉換成匹配良好的50 Ω 負載。這種設計方法的總峰值輸出功率為8 W,最適合需要50 Ω 匹配源的應用,在這類應用中,反射可能成為一個問題,比如,傳輸線路較長時。

圖10.焊盤式輸出設計的ADA4870 連接
在目標頻段內,對於任何反射, 輸入阻抗均表現為50 Ω
最後一個選項,也可能是信號發生器最有用的選項,不使用8 Ω焊盤,而且輸出功率提高了一倍。我們仍然建議使用LC 階梯式濾波器,如圖11 所示,但階梯值比用於50 Ω 係統(設計的標稱阻抗為16 Ω)的值小3.125 倍。在這種情況下,自動變壓器使用的匝數比為0.77:1。該模式下,峰值正弦波輸出幅度為28.3 V,ADA4870 將驅動約16 W 至50 Ω 負載(8 W rms 或39 dBm)。

圖11. 用於驅動50 Ω 負載的最佳功率輸出連接
整體解決方案
在現實世界中,如果與真實世界不相符,仿真和等式毫無意義。因此,有必要構建一個完整的係統,基於預期值測量其性能。圖12 所示為一種實際焊盤式輸出設計的原理圖。

圖12. 完整的簡化原理圖
圖13 所示為無濾波器條件下的實測結果。係統增益一致性誤差為±1 dB,最差條件下輸出功率高達2.75 W rms(5.5 W 峰值)(P1dB壓縮點,34 dBm)。值得注意的是,總增益範圍超過62 dB,範圍比許多標準發生器多16 dB。

圖13. 焊盤式、未濾波輸出功率結果。無濾波器時,係統在36 dBm時出 現一個P1dB 點。FTEST = 14.0956 MHz
增益範圍可通過改善DDS 輸出端濾波機製以及降低係統噪聲的方式提高。圖14 所示為采用濾波器時的相同測量值。濾波輸出不存在同樣的P1dB 問題,結果將滿量程+36 dBm 輸出轉換成50 Ω負載。總增益線性度更佳(≤0.65 dB),誤差僅出現在中間電平周圍。

圖14. 5 階低通濾波器的實測輸出(fc = 20 MHz)。FTEST = 14.0956 MHz
ruguojutiyunxingmoshixuyaoshenzhigenggaodeshuchugonglv,zezhenduigeidingyingyong,keyijiangduogeshuchufangdayongyuqudongzhuanyebianyaqi。huozhe,keyijiangzhelimiaoshudeshejifangfayongyudianyuanjiaodidexitong,danzhexiefangfabixufuhetidaishejidexianzhiyaoqiu。
注意,受累積輸入衰減和增益誤差影響,測量上限止於VGAIN =0.9375 V。通過調整初始衰減網絡,充分考慮總係統誤差,可以解決這個問題。校正後,總係統增益範圍將增至74 dB。
結論
配合高性能VGA 使用高性能、高輸出CFA,可以為新一代信號發生器構建出一種簡單前端。這些器件的高度集成可以降低PCB電路板的總麵積和成本。
要獲得更多功能,可以在閉環反饋係統中使用AD8310等對數放大器。增加對數放大器後,配合AD9834C 等DDS,設計師可以集成各種形式的包絡調製,如頻移鍵控(FSK)、開關鍵控(OOK)和相移鍵控(PSK),將其作為一項內在功能;通過創造性地使用兩個基本模塊,實現不盡其數的選項。
參考電路
電流反饋放大器。
對數放大器/檢測器。
Signal Synthesis.
可變增益放大器(VGA)。
MT-034 指南,電流反饋(CFB)運算放大器。
MT-057 指南,高速電流反饋運算放大器。
MT-060 指南,在電壓反饋和電流反饋運算放大器之間選擇。
MT-072 指南,精密可變增益放大器。
MT-073 指南,高速可變增益放大器。
推薦閱讀:
特別推薦
- 噪聲中提取真值!瑞盟科技推出MSA2240電流檢測芯片賦能多元高端測量場景
- 10MHz高頻運行!氮矽科技發布集成驅動GaN芯片,助力電源能效再攀新高
- 失真度僅0.002%!力芯微推出超低內阻、超低失真4PST模擬開關
- 一“芯”雙電!聖邦微電子發布雙輸出電源芯片,簡化AFE與音頻設計
- 一機適配萬端:金升陽推出1200W可編程電源,賦能高端裝備製造
技術文章更多>>
- 一秒檢測,成本降至萬分之一,光引科技把幾十萬的台式光譜儀“搬”到了手腕上
- AI服務器電源機櫃Power Rack HVDC MW級測試方案
- 突破工藝邊界,奎芯科技LPDDR5X IP矽驗證通過,速率達9600Mbps
- 通過直接、準確、自動測量超低範圍的氯殘留來推動反滲透膜保護
- 從技術研發到規模量產:恩智浦第三代成像雷達平台,賦能下一代自動駕駛!
技術白皮書下載更多>>
- 車規與基於V2X的車輛協同主動避撞技術展望
- 數字隔離助力新能源汽車安全隔離的新挑戰
- 汽車模塊拋負載的解決方案
- 車用連接器的安全創新應用
- Melexis Actuators Business Unit
- Position / Current Sensors - Triaxis Hall
熱門搜索
按鈕開關
白色家電
保護器件
保險絲管
北鬥定位
北高智
貝能科技
背板連接器
背光器件
編碼器型號
便攜產品
便攜醫療
變容二極管
變壓器
檳城電子
並網
撥動開關
玻璃釉電容
剝線機
薄膜電容
薄膜電阻
薄膜開關
捕魚器
步進電機
測力傳感器
測試測量
測試設備
拆解
場效應管
超霸科技




