電路試驗板試驗和原型製作
發布時間:2021-01-12 來源:Walt Kester 責任編輯:wenwei
【導讀】zaimouxieshihou,zuoweixueshenghuogongchengshi,ninkenengxuyaozaishiyanbanshangduidianlujinxingshiyanlaiyanzhengqixingnenghuoshifoushiyongyuxiangmu。ruguoshixueshengxiangmu,nindeshiyanbanshijishangkenengshizuizhongxitong。xingyundeshi,ninkeyishiyongxiandaiwuhanjishugoujianshiyanban,zhexieshiyanbantongchangzugoujiangu,nenggouyongyudaduoshuxueshengxiangmu。
除構建項目電路之外,試驗板還經常用於驗證電路性能。雖然SPICE仿真是出色的工具(參見httpswiki.analog.comuniversitycourseselectronicscircuitsimulationnotes),但它們有其自身的局限性,通常至少有一部分關鍵電路(通常是模擬部分)需要用試驗板來驗證。另一方麵,試驗板也有其自身限製,因此您需要閱讀下麵的試驗板試驗注意事項部分。
試驗板與原型
盡(jin)管(guan)試(shi)驗(yan)板(ban)和(he)原(yuan)型(xing)這(zhe)兩(liang)個(ge)術(shu)語(yu)經(jing)常(chang)可(ke)以(yi)互(hu)換(huan),但(dan)是(shi)原(yuan)型(xing)通(tong)常(chang)還(hai)表(biao)示(shi)在(zai)某(mou)類(lei)印(yin)刷(shua)電(dian)路(lu)板(ban)上(shang)使(shi)用(yong)銅(tong)走(zou)線(xian)進(jin)行(xing)互(hu)連(lian)的(de)焊(han)接(jie)連(lian)接(jie)。另(ling)一(yi)方(fang)麵(mian),無(wu)焊(han)試(shi)驗(yan)板(ban)(後文將更詳細介紹)的連接並不是固定的,而且試驗板可以重複使用來構建不同的電路。
我們開發出了多種技術用於在印刷電路板上構建硬連線原型電路;教程MT-1001以及Jim Williams應用筆記AN472 對其中的一部分技術進行了描述。但作為學生,您可能會發現這種方法太耗時而且費力,無焊試驗板是更為實用的解決方案。
使用無焊試驗板進行的集成電路試驗
現xian代dai電dian子zi電dian路lu的de製zhi造zao方fang式shi是shi自zi動dong放fang置zhi表biao麵mian貼tie裝zhuang元yuan件jian以yi及ji將jiang焊han料liao回hui流liu到dao密mi集ji的de多duo層ceng印yin刷shua電dian路lu板ban上shang,這zhe就jiu增zeng加jia了le試shi驗yan板ban試shi驗yan或huo原yuan型xing製zhi作zuo的de難nan度du。因yin此ci,許xu多duo工gong程cheng師shi發fa現xian實shi際ji上shang在zaiCAD係統上進行電路板布局並為第一批原型裝配少量的電路板更高效。
但作為學生,您可能無法接觸或使用CAD係(xi)統(tong)和(he)印(yin)刷(shua)電(dian)路(lu)板(ban)裝(zhuang)配(pei)工(gong)廠(chang),也(ye)不(bu)具(ju)備(bei)相(xiang)應(ying)的(de)財(cai)力(li)。您(nin)甚(shen)至(zhi)可(ke)能(neng)無(wu)法(fa)接(jie)觸(chu)焊(han)鐵(tie)站(zhan)以(yi)及(ji)小(xiao)型(xing)電(dian)子(zi)元(yuan)件(jian)需(xu)要(yao)使(shi)用(yong)的(de)其(qi)他(ta)工(gong)具(ju)和(he)機(ji)械(xie),因(yin)此(ci)您(nin)需(xu)要(yao)另(ling)一(yi)種(zhong)可(ke)靠(kao)方(fang)法(fa)來(lai)構(gou)建(jian)原(yuan)型(xing)。
無焊試驗板能為實驗或項目的電路原型製作提供寶貴幫助。這類試驗板可隨時從Digi-Key Electronics以及亞馬遜等分銷商處獲得。我們首先在互聯網上搜索無焊試驗板。互聯網上提供了大量無焊試驗板,而且許多的價格都很公道。
圖1是典型無焊試驗板的俯視圖。這些孔的設計是為了在0.1英寸的中心上容納標準IC引腳。圖2為wei試shi驗yan板ban的de內nei部bu視shi圖tu,顯xian示shi了le引yin腳jiao之zhi間jian連lian接jie的de細xi節jie。試shi驗yan板ban的de中zhong心xin部bu分fen分fen為wei兩liang排pai,由you多duo個ge垂chui直zhi列lie組zu成cheng,每mei一yi列lie有you五wu個ge引yin腳jiao連lian接jie在zai一yi起qi。試shi驗yan板ban頂ding部bu和he底di部bu水shui平ping連lian接jie的de兩liang排pai形xing成cheng了le便bian捷jie的de總zong線xian,可ke用yong於yu供gong電dian電dian壓ya和he接jie地di連lian接jie。

圖1. 無焊試驗板俯視圖。

圖2. 無焊試驗板內部連接的排列情況。
采用標準的雙列直插式封裝(DIP)的集成電路水平放置在試驗板的 中心區域,如圖3所示。

圖3. 采用帶引線元件和雙列直插式封裝的有線無焊試驗板。
dianzuqihedianrongqidengyuanjiandeyinxiancharukongzhong。meizuwugekongtongguoxiamiandejinshutiaolianjiexingchengyigejiedian。jiedianshidianluzhonglianggehuoduogeyuanjianlianjiededian。ketongguojiangyuanjianyinxiancharugongtongjiedianlaishixianyuanjianzhijiandelianjie。shiyanbandingbuhedibuyonghongsehelansetiaowenbiaoshideyichangpaikongyongyudianyuanlianjie。charuyuanjianbingyongtiaoxianlianjiezaiyiqibiankegoujiandianludeqiyubufen。cileishiyanbanzuihaodapeishiyongshixinxianerbushiduogujiaohexian。weifangbianqijian,haitigongpeiyoucharushiyinjiaodetiaoxian。
您還應該配備以下幾種簡單的手動工具:
● 一把小鋼絲鉗,通常也稱為對角切割器,可根據長度要求切 割電線和元件
● 一把小尖嘴鉗,用於彎曲電線和引線並形成所需形狀
● 一把剝線器,用於去除跳線末端的絕緣部分
● 一把小螺絲刀,用於調節電位器等
使用IC
無焊試驗板專為采用DIP封裝的IC而設計。雖然一些IC采用DIP和表貼兩種封裝,但許多僅提供表貼封裝版本。因此幾乎不可能對這些IC進行試驗板試驗。作為一種解決方案的表貼部件可以安裝在適配器或分線板上,如圖4所示,它們具有DIP兼容引腳。

圖4. 用於表貼器件的DIP兼容分線板。
ADI公司的ADALP2000部件套件提供了許多常用的DIP分線板表貼IC。 如果預裝的分線板不可用,您將不得不使用空白的分線板並自行將表貼元件焊接到該分線板上。Aries Electronics, Inc.等電子元件製造商還提供表貼轉DIP分線板(搜索DIP分線板)。
試驗板試驗注意事項:小心使用寄生元件(電阻、電感和電容)
與試驗板相關的引腳、插槽和跳線增加了可能導致精密直流應用以及高速電路性能下降的寄生電阻、電感和電容。由於試驗板沒有接地或電源層,您必須依靠難以去耦且具有寄生阻抗的接地和電源總線。因此,必須在試驗板中實現每個IC的電源和接地引腳之間的正確去耦。3沒有接地層,不可能保持RF電路中所需的受控阻抗。
如果您堅持使用ADALP2000部件套件中的器件,則可能不會遇到帶寬小於1 MHz的模擬電路問題。不過,還是建議對試驗板進行完整性檢查,即用示波器探測電路中的幾個點,確保沒有振蕩現象(構建振蕩器時才會發生此情況)。
數字電路的試驗板試驗
到目前為止,我們一直在討論模擬電路的試驗板試驗。但由於邊沿速度極快,數字電路麵臨著巨大挑戰。即使您能夠以小於1 MHz的時鍾速率運行數字電路,邏輯轉換邊沿的上升和下降時間也可能少於1 ns。沒有受控的連接阻抗,這些快速邊沿可以產生單位為GHz的頻率。寄生效應造成的響鈴振蕩可能會導致誤觸發和其他影響,使數字電路變得不可靠或無用。
如何入門
與其他技能一樣,在您實際需要使用之前,最好實踐一下(假設您的項目一周後開始)。您可以構建簡單的電路來獲得無焊試驗板的實踐經驗。首先訪問以下網址,在ADI公司電子I期和II期課程提供的實驗室活動中構建一些模擬電路:
大部分簡單電路可以采用ADALP2000部件套件中的器件構成。該套件包括各種晶體管、LED、電阻器、電位器、電容器、二極管、電感器和傳感器。它還包括各種有用的IC以及運算放大器、比較器和調節器。此外,還有一個無焊試驗板,並且該套件隨附各種帶引腳端的跳線。如需獲取ADALP2000套件的完整器件列表,請訪問:httpwww.analog.comcneducation.html.
關guan於yu試shi驗yan板ban試shi驗yan還hai有you很hen多duo知zhi識shi,我wo們men剛gang才cai隻zhi是shi介jie紹shao了le基ji礎chu知zhi識shi。學xue習xi這zhe項xiang技ji能neng的de最zui好hao辦ban法fa就jiu是shi親qin身shen實shi踐jian並bing從cong錯cuo誤wu中zhong學xue習xi。祝zhu您nin好hao運yun並bing樂le在zai其qi中zhong。
提醒和測驗問題
如果您錯過了上一期《模擬對話》中學子專區的第一篇文章,建議您點擊此鏈接查看。
請記得注冊一個myAnalog和EngineerZone帳戶,以便訪問資源並加入學生討論。請讓我們知道您想要討論的主題。
下方是本次的測驗問題。完成後,您可以在EngineerZone 上的學子專區社區查看答案:

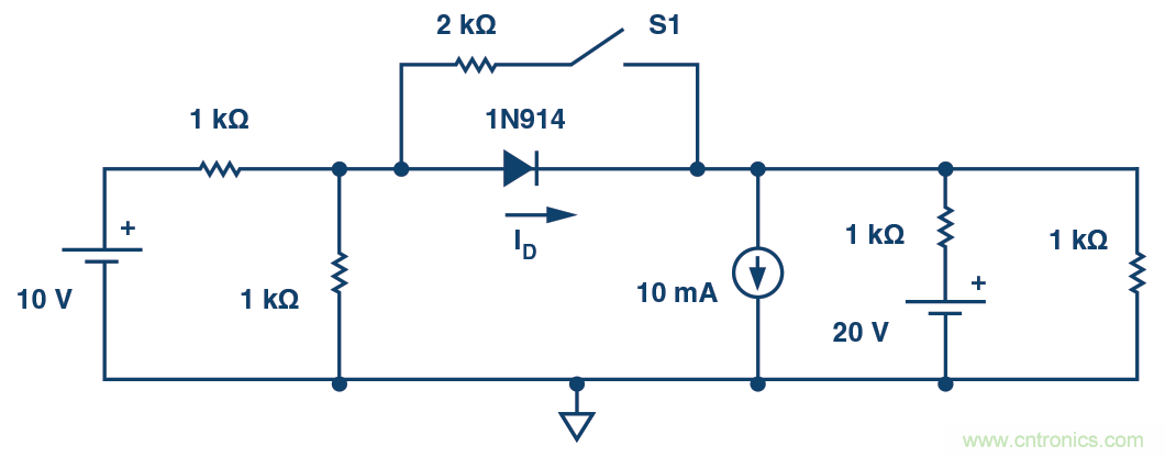
圖5. 測驗問題:計算以下兩種條件下的二極管電流ID:S1打開和S1閉合。您可以訪問httpswww.fairchildsemi.comdatasheets1N1N914.pdf在1N914數據手冊中找到二極管V-I曲線。
試驗板的起源
試驗板這個術語起源於20世紀20年(nian)代(dai)初(chu)的(de)真(zhen)空(kong)管(guan)時(shi)代(dai)。那(na)時(shi)候(hou)人(ren)們(men)將(jiang)真(zhen)空(kong)管(guan)插(cha)入(ru)插(cha)槽(cao)。插(cha)槽(cao)和(he)其(qi)他(ta)大(da)型(xing)元(yuan)件(jian)隨(sui)後(hou)被(bei)擰(ning)入(ru)用(yong)來(lai)擀(gan)麵(mian)的(de)木(mu)板(ban)或(huo)釘(ding)在(zai)該(gai)木(mu)板(ban)上(shang)。這(zhe)些(xie)試(shi)驗(yan)板(ban)在(zai)當(dang)時(shi)是(shi)元(yuan)件(jian)的(de)理(li)想(xiang)安(an)裝(zhuang)平(ping)台(tai),最(zui)終(zhong)也(ye)成(cheng)了(le)該(gai)技(ji)術(shu)的(de)名(ming)稱(cheng)。通(tong)過(guo)在(zai)真(zhen)空(kong)管(guan)插(cha)槽(cao)上(shang)相(xiang)應(ying)引(yin)腳(jiao)之(zhi)間(jian)焊(han)線(xian)來(lai)實(shi)現(xian)互(hu)連(lian)。由(you)重(zhong)銅(tong)線(xian)製(zhi)成(cheng)的(de)電(dian)源(yuan)和(he)接(jie)地(di)總(zong)線(xian)被(bei)釘(ding)到(dao)或(huo)擰(ning)到(dao)木(mu)板(ban)上(shang)。早(zao)期(qi)的(de)試(shi)驗(yan)板(ban)經(jing)常(chang)將(jiang)額(e)外(wai)的(de)釘(ding)子(zi)用(yong)作(zuo)可(ke)包(bao)覆(fu)和(he)焊(han)接(jie)電(dian)線(xian)的(de)連(lian)接(jie)點(dian)。端(duan)子(zi)板(ban)也(ye)用(yong)於(yu)互(hu)連(lian)點(dian)。
圖A顯示了1923年使用原始試驗板構造技術的無線電,它的製造商是位於密歇根州梅諾米尼市的Signal ElectricManufacturing公司。

圖A. 早期使用木製試驗板技術構建的無線電接收器。需要注意的是,真空管板電壓可以高達300 V dc,因此在施加電源後必須小心謹慎。
隨(sui)著(zhe)真(zhen)空(kong)管(guan)變(bian)小(xiao)和(he)頻(pin)率(lv)增(zeng)加(jia),鋁(lv)製(zhi)底(di)盤(pan)盒(he)經(jing)常(chang)用(yong)於(yu)電(dian)路(lu)的(de)試(shi)驗(yan)板(ban)試(shi)驗(yan)。在(zai)底(di)盤(pan)中(zhong)穿(chuan)孔(kong)用(yong)於(yu)安(an)裝(zhuang)真(zhen)空(kong)管(guan)插(cha)槽(cao),端(duan)子(zi)板(ban)允(yun)許(xu)電(dian)路(lu)的(de)點(dian)對(dui)點(dian)布(bu)線(xian),如(ru)圖(tu)B所示。這種技術減小了電路尺寸,而鋁製底盤提供了高頻電路經常需要的低阻抗接地層。

圖B. 采用鋁製底盤構造的三管無線電試驗板的俯視圖和底視圖,顯示用於互連點的真空管插槽和端子板。4
由於20世紀50年代引入了晶體管,20世紀60年代引入了集成電路,元件尺寸得以大幅降低,從而使本專欄中描述的更適合電路原型製作的其他構造技術應運而生(另請參見MT-100和Jim Williams的應用筆記 AN47),但試驗板這一術語仍然是常用的描述。
參考電路
1 教程MT-100,試驗板試驗和原型製作技術. 。ADI公司.
2 Jim Williams. 應用筆記AN47,高速放大器技術。Linear Technology Corporation,1991年8月Jim於2011年離世,他是一位傳奇的電路設計師、應用工程師以及高性能模擬電路原型構建專家。本應用筆記列出了Jim的許多高速原型構建技術示例。
3 教程MT-101,去耦技術。ADI公司
4Max Robinson。真空管研究之樂趣。請務必閱讀EE Web上Max鼓舞人心的文章,網址為httpwww.eeweb.comspotlightinterview-withmax-robinson.
免責聲明:本文為轉載文章,轉載此文目的在於傳遞更多信息,版權歸原作者所有。本文所用視頻、圖片、文字如涉及作品版權問題,請聯係小編進行處理。
推薦閱讀:
特別推薦
- 噪聲中提取真值!瑞盟科技推出MSA2240電流檢測芯片賦能多元高端測量場景
- 10MHz高頻運行!氮矽科技發布集成驅動GaN芯片,助力電源能效再攀新高
- 失真度僅0.002%!力芯微推出超低內阻、超低失真4PST模擬開關
- 一“芯”雙電!聖邦微電子發布雙輸出電源芯片,簡化AFE與音頻設計
- 一機適配萬端:金升陽推出1200W可編程電源,賦能高端裝備製造
技術文章更多>>
- 從機械執行到智能互動:移遠Q-Robotbox助力具身智能加速落地
- 品英Pickering將亮相2026航空電子國際論壇,展示航電與電池測試前沿方案
- 模擬芯片設計師的噩夢:晶體管差1毫伏就廢了,溫度升1度特性全飄
- 3A大電流僅需3x1.6mm?意法半導體DCP3603重新定義電源設計
- 芯科科技Tech Talks與藍牙亞洲大會聯動,線上線下賦能物聯網創新
技術白皮書下載更多>>
- 車規與基於V2X的車輛協同主動避撞技術展望
- 數字隔離助力新能源汽車安全隔離的新挑戰
- 汽車模塊拋負載的解決方案
- 車用連接器的安全創新應用
- Melexis Actuators Business Unit
- Position / Current Sensors - Triaxis Hall
熱門搜索
按鈕開關
白色家電
保護器件
保險絲管
北鬥定位
北高智
貝能科技
背板連接器
背光器件
編碼器型號
便攜產品
便攜醫療
變容二極管
變壓器
檳城電子
並網
撥動開關
玻璃釉電容
剝線機
薄膜電容
薄膜電阻
薄膜開關
捕魚器
步進電機
測力傳感器
測試測量
測試設備
拆解
場效應管
超霸科技




