神經形態計算器件和陣列測試解決方案
發布時間:2024-06-20 責任編輯:lina
【導讀】神經形態計算是一種新型的計算範式,它模仿生物神經網絡(如人腦)的結構和功能以在為人工智能、機器學習、機器人和感官處理等各種應用實現高性能、低功耗和自適應學習能力。
神經形態計算是一種新型的計算範式,它模仿生物神經網絡(如人腦)的結構和功能以在為人工智能、機器學習、機器人和感官處理等各種應用實現高性能、低功耗和自適應學習能力。
神經形態計算發展至今經曆了四十多年,主要分為三個階段,模擬計算、數字計算和混合計算。2017年,英特爾第一款自主學習神經芯片Loihi問世。它采用14nm工藝,包含超過20億個晶體管、13萬個神經元和1.28億個突觸,與基於CNN訓練人工智能係統的通用計算芯片相比,Loihi芯片的能效提升了1000倍。IBM的TrueNorth芯片、高通Zeroth芯片等等都屬於數字計算,即架構在CMOS工藝和器件結構基礎上的一種神經形態計算。因為材料和器件本身沒有突破,因此仍然受限於能算比低、係統架構複雜等問題。真正的神經形態計算必須采用新型材料構成的帶有易失性阻變特性的器件,對生物神經突觸的STDP等特性進行行為級的擬態,因此提出了全新的係統和器件設計的範式,並不斷突破著能算比的極限。

圖1:生物神經係統和神經形態計算對比
神經形態器件是神經形態計算係統的基本模塊。它們是模擬生物神經元和突觸行為的電子元件,例如尖峰、可塑性和記憶。神經形態器件可以基於不同的技術,例如憶阻器、相變材料、自旋電子學或納米線。神經形態陣列是實現複雜神經結構和功能的互連神經形態設備的大規模網絡。
神經形態計算為神經形態器件和陣列的設計、製造和測試帶來了一些挑戰和機遇。一方麵,神經形態器件和陣列表現出高可變性、非線性、隨機性和噪聲,這使得它們難以表征和建模。另一方麵,神經形態設備和陣列具有獨特的優勢,例如容錯性、魯棒性和自組織性,需要嚴格的測試和驗證。
例如基於ReRAMdeshenjingxingtaizhenliedezhuyaotiaozhanzhiyishiqijiandekebianxing,zheshiyoudianzukaiguanguochengguyoudesuijixinghebujunyunxingyinqide。shebeikebianxinghuiyingxiangshenjingjisuandezhunquexinghewendingxing,bingdaozhixingnengxiajiangshenzhiguzhang。yinci,lejieshebeikebianxingdelaiyuanheyingxiangbingkaifajianqinghuoliyongtadefangfafeichangzhongyao。liru,keyitongguoyouhuaqijianzhizaogongyi、設計參數和操作條件來減少器件可變性。或者,器件可變性可以用作隨機性或多樣性的來源,以增強神經形態係統的功能和適應性。
除了ReRAM類型之外,目前也可以用神經擬態計算的器件可以有FeRAM類型、有機FET類型、以及更為廣泛和多樣的二維材料異質集成所形成的阻變器件而構成。

圖2:突觸權重特性圖示

圖3:兩端口存算器件
研究神經形態陣列的優勢
神經形態陣列是一種利用憶阻器器件形成的小規模的、實現類似於大腦神經元連接的集成電路。這種電路具有以下幾個優點:
可以直接在硬件層麵模擬生物神經元的突觸可塑性,學習和記憶過程,而無需複雜的軟件算法。
可以實現並行、分布式、低功耗和高效率的數據處理,適合解決複雜認知功能和任務,如圖像識別、語音識別、自然語言處理等。
部分器件所形成的陣列可以與現有的CMOS技術兼容,利用其成熟的製造工藝和設計方法,降低開發成本和風險。
為wei了le探tan索suo其qi應ying用yong和he優you勢shi,有you必bi要yao開kai發fa新xin的de測ce量liang技ji術shu和he模mo塊kuai,對dui憶yi阻zu器qi器qi件jian和he陣zhen列lie進jin行xing精jing確que和he全quan麵mian的de表biao征zheng和he評ping估gu。在zai陣zhen列lie測ce試shi中zhong,和he器qi件jian測ce試shi和he表biao征zheng方fang法fa差cha異yi主zhu要yao在zai如ru何he高gao效xiao、可靠的“選通”zhenliezhongmeigeqijian,jinxingcanshubiaozheng,yijizidonghuadewanchengkekaoxingdexiangguanceshi,shenzhikeyiliyongceshidepingtaizhijiejinxingshenjingxingtaijisuandefangzhenheyanzheng。
•直流掃描測試:施加從零到最大值或最小值的電壓或電流斜坡,並測量相應的電流或電壓響應。繪製I-V曲線並分析憶阻器器件的開關行為、遲滯、閾值和非線性。
•脈衝測試:施加具有指定幅度、寬度、周期和數量的電壓或電流脈衝,並測量相應的電流或電壓響應。繪製脈衝波形並分析憶阻器器件的瞬態和動態特性,例如開關時間、保持時間、耐久性和可變性。
•自定義脈衝測試:應用用戶定義的具有可變幅度、寬度、周zhou期qi和he數shu量liang的de脈mai衝chong序xu列lie,並bing測ce量liang相xiang應ying的de電dian流liu或huo電dian壓ya響xiang應ying。繪hui製zhi脈mai衝chong波bo形xing並bing分fen析xi憶yi阻zu器qi器qi件jian的de複fu雜za和he非fei線xian性xing行xing為wei,例li如ru尖jian峰feng定ding時shi相xiang關guan可ke塑su性xing、學習、記憶和神經形態功能。
•陣列測試:將電壓或電流信號的組合施加到憶阻器陣列的行和列上,並測量每個單元的輸出電流。通用的陣列結構如Crossbar等。完成陣列中每個器件的訓練,並完成一定的推理任務。同時驗證矩陣並性能,例如網絡的Sneak Path、串擾、均勻性和可擴展性。
•算法研究:特別針對於神經形態算法有別於卷積神經網絡算法,麵對不同的硬件陣列,需要提出統一的、兼容的算法模型並進行驗證。
•靈活高效的集成不同的脈衝激勵源:超快電脈衝、光脈衝、壓力等,是將神經擬態計算進行的拓展,從“存算”延伸為“感存算”,測試的覆蓋度增強,需要高效的兼容不同的外部刺激源到整個測試係統中。
陣列測試方案介紹
Tektronix/Keithley公司提供豐富的測試產品,在神經形態材料(鐵電、自旋、有機、二維材料)和器件的科研中得到廣泛的運用。而對於陣列測試的需求,目前業內鮮有專業的係統和軟件。特別是由於材料、器件的不同、工藝的不同,陣列測試的方法尚未形成統一的方法,主要需要科研工作者自行集成和開發,一定程度上浪費了寶貴的科研資源。Tektronix/Keithley 提供一站式的解決方案,提供靈活的配置方式,提供一套通用的軟件平台,並且可以根據特定的測試需求開發軟件模塊,真正的做到“交鑰匙”方案。
DC測試
主要測試陣列中器件的I/V特性曲線,俗稱“蝴蝶曲線”,在不同的條件下表征器件的具有“存儲”的能力;根據器件的Ion/Ioff的特性和測試精度的要求,可以選擇高精度1pA量程的4200A-SMU及高精度放大器 PA;100pA量程可選2600係列源表作為測試主要硬件;源表自身具有一定的脈衝能力,如果考慮到器件自熱效應,並且脈寬要求低於100us,2600係列源表可以滿足。
AC測試
神經形態計算天然是脈衝。用脈衝方式進行測試不僅可以消除自熱效應,更重要的是可以模擬“突觸”shijigongzuodemaichongcijibingceliangqixiangying。yincijuedabufendezhenlieceshidouzaimaichongxiajinxing。shouxiantongguomaichongjinxingzhenliezhongmeigeqijiantuchutexingdekehua,dedaozhenliezhengtidetuchutexing,keyiyongyuhouqifangzhensuanfadekaifa;進一步可以測量陣列中每個器件的脈衝I/V特性。由於脈衝寬度和幅度要求的不同,可以使用4200-PMU激勵和測量脈寬最高到50ns的用例;使用AFG或者AWG,配合外部放大器可以實現50ns~100ps的脈衝激勵,並且使用TIA或高靈敏度電流探頭集成的方式實現脈衝電流的測量。
在Endurance或Retention測試中,由於是測量陣列長時間、多脈衝下的可靠性特性,往往對Read電流的精度要求很高,用於精準的描述阻變的動力學過程,因此會用到1pA量程下0.01fA分辨率的源表或更高精度的皮安表進行電流測試。因此脈衝電壓Set/Reset激勵和直流Read電流讀取需要在同一個端口進行。4225-RPM是一款集成了電流放大、通道切換的模塊,無需更換前端探針或連線可以輕鬆的實現不同類型信號的測試。

圖4:4225-RPM內部結構,SMU和PMU複用一個輸出
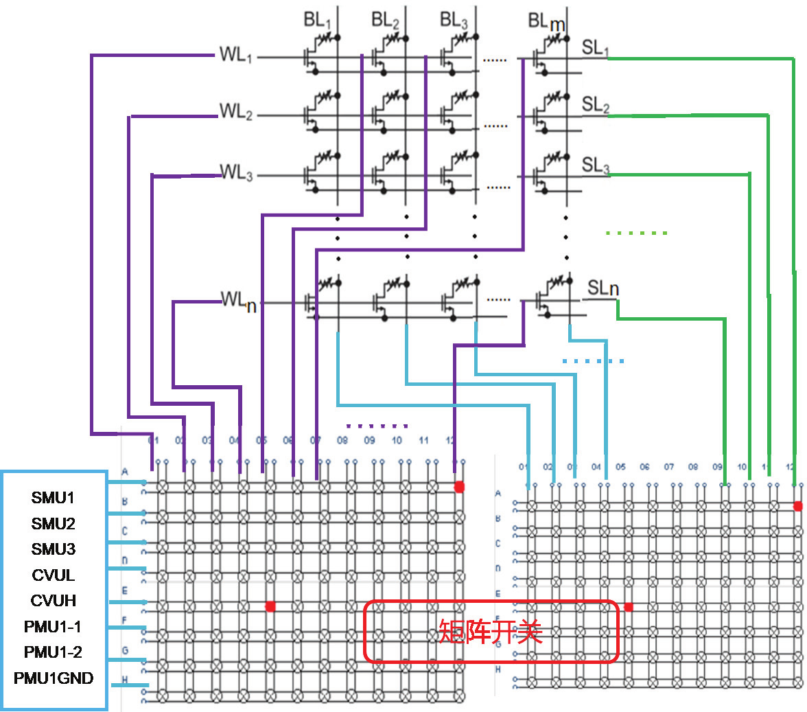
矩陣開關選擇

圖5:三端結構(例如:1T1R結構)。左端是儀器連接端,完成信號激勵和測量;圖中陣列的示意圖,WL端可以有DC和AC的激勵和測量。
矩(ju)陣(zhen)開(kai)關(guan)的(de)目(mu)的(de)是(shi)尋(xun)址(zhi)陣(zhen)列(lie)中(zhong)特(te)定(ding)的(de)器(qi)件(jian),對(dui)其(qi)進(jin)行(xing)表(biao)征(zheng)和(he)測(ce)量(liang)的(de)前(qian)置(zhi)條(tiao)件(jian)。引(yin)入(ru)矩(ju)陣(zhen)開(kai)關(guan)可(ke)以(yi)大(da)幅(fu)度(du)降(jiang)低(di)測(ce)試(shi)的(de)成(cheng)本(ben)和(he)複(fu)雜(za)度(du),有(you)助(zhu)於(yu)標(biao)準(zhun)化(hua)探(tan)針(zhen)、探卡的結構,標準化測試流程,提高測試效率。在單獨的DC測試中,如果選用2600係列源表作為主要測試機,可以配置3706係列的矩陣開關,漏流小於 100pA;如果選用4200A或者采用AC測試時,需要選擇更低漏流、更大帶寬、更小雜散電容的707B係列矩陣開關,漏流低於100fA,支持4225-PMU脈衝信號切換。
矩陣開關通道數的選擇需要根據陣列規模M x N,以及器件端口數決定。下圖是陣列測試組網示意圖,僅表示一種通用的連接形式,具體配置請和Tektronix技術專家溝通。

圖6:DC測試

圖7:AC測試。脈衝Spike的參數化定義
軟件功能
軟件內置I/V掃描特性功能,在選通待定器件後,在矩陣中自動完成。考慮到Sneak Path的問題,可以通過三端的方式將待測器件“隔離”,或者定製特殊的算法。
軟件內置標準突觸特性測試,通過PMU進行Reset/Set以及循環,可以在脈衝後通過SMU進行Read操作,準確的測試阻變特性。
自定義波形
ruanjiantebiekaifalemaichongtiaoshigongneng,zhichigengjialinghuodemaichongboxingbianjiheceliang。keshihuadejiemianzhongshurudeshixucanshulikekeyifangzhenchulai,shiyongzhekeyibimianzhizuocuowudemaichongcanshudaozhiqijiandesunhuai;將波形導入測試程序後,可以定製Read電流的時間和頻次,從而快速反饋給用戶進行脈衝波形參數的調優。真正做到“ 所見即所得” 。K-pulse編輯KSF波形,+measure的時序;實時debug。

圖8:K-pulse可視化脈衝編輯和自定義Read電流設置。

圖9:Endurance測試,對Reset和Set兩種狀態分別測試Endurance
陣列Endurance測試,通過 PMU循環進行Set/ Reset和Read的操作,嚴格的進行Endurance的測量。測量的時間和需要達到的Endurance的數量級成正比;例 如,MRAM Endurance測試循環在1015量級,如果采用100ns Set/Reset周期,一個測試循環大致500ns,所以總共測試時間為15年!解決方案有更換AFG/AWG加快Set/Reset的脈衝寬度,可以達到100ps級別(根據具體器件的響應時間決定)也可通過小規模的測試,對小樣本下的Endurance進行外推,需要PMU有很高的Set/ Reset電壓精度和穩定度以及SMU對Read電流的精度,有助於Endurance模型的準確度。
陣列Retention測試,涉及到長時間的周期或非周期的Read,timing參數和周期參數靈活多變。可以根據PMU和SMU的特性靈活調配Read的方式。
同樣,對於神經突觸的特性測試(STP、STD、LTP、LTD、STDP等)由 timing參數和周期參數多變,在軟件提供標準的Pulse測試基礎上,需要定製開發測試過程,以及最終的數據呈現方式。
工藝可靠性TDDB等,借助軟件標準的測試庫,可以靈活的擴展陣列可靠性的測試模塊。
器件及陣列測試集成開發環境TMAS
為了降低神經形態器件和陣列測試的複雜度,手動測試對於精度的影響,以及提高測試效率和可重複性,Tektronix公司提供了統一的器件和陣列集成化測試平台TMAS套件,包含ACS-BASIC和器件陣列測試模塊。
器件電特性參數表征
陣列訓練及部分推理
開放式平台,Python 腳本直寫定製測試模塊
豐富靈活的數據處理


小結
對於Tektronix/Keithley神經形態陣列測試方案應該具有一下特點:
•測試解決方案應具有靈活性和可擴展性,以適應同的網絡規模和設備架構,以及不同的測試功能和參數。
•測試解決方案應準確可靠,以捕獲憶阻器器件的細微動態行為,例如納秒級脈衝響應、亞皮安電流水平和隨機開關現象。
•測試解決方案應高效且用戶友好,以方便數據采集和分析,以及憶阻器器件和網絡的優化和驗證。
•易於開發新的測量技術和模塊,以克服現有儀器的局限性。
未來希望能將測試解決方案與先進的建模和仿真工具集成,以在不同的抽象和複雜程度上對憶阻器器件和網絡進行表征和評估, 探索 Memristor 器件和網絡在神經形態計算中的潛在應用和優勢,例如突觸可塑性、學習和記憶過程的仿真,以及複雜認知功能和任務的實現。
(來源:泰克科技)
免責聲明:本文為轉載文章,轉載此文目的在於傳遞更多信息,版權歸原作者所有。本文所用視頻、圖片、文字如涉及作品版權問題,請聯係小編進行處理。
推薦閱讀:
- 噪聲中提取真值!瑞盟科技推出MSA2240電流檢測芯片賦能多元高端測量場景
- 10MHz高頻運行!氮矽科技發布集成驅動GaN芯片,助力電源能效再攀新高
- 失真度僅0.002%!力芯微推出超低內阻、超低失真4PST模擬開關
- 一“芯”雙電!聖邦微電子發布雙輸出電源芯片,簡化AFE與音頻設計
- 一機適配萬端:金升陽推出1200W可編程電源,賦能高端裝備製造
- 邊緣AI的發展為更智能、更可持續的技術鋪平道路
- 每台智能體PC,都是AI時代的新入口
- IAR作為Qt Group獨立BU攜兩項重磅汽車電子應用開發方案首秀北京車展
- 構建具有網絡彈性的嵌入式係統:來自行業領袖的洞見
- 數字化的線性穩壓器
- 車規與基於V2X的車輛協同主動避撞技術展望
- 數字隔離助力新能源汽車安全隔離的新挑戰
- 汽車模塊拋負載的解決方案
- 車用連接器的安全創新應用
- Melexis Actuators Business Unit
- Position / Current Sensors - Triaxis Hall




