用Python自動化雙脈衝測試
發布時間:2024-10-23 責任編輯:lina
【導讀】電力電子設備中使用的半導體材料正從矽過渡到寬禁帶(WBG)半導體,比如碳化矽(SiC)和氮化镓(GaN)等半導體在更高功率水平下具有卓越的性能,被廣泛應用於汽車和工業領域中。由於工作電壓高,SiC技術正被應用於電動汽車動力係統,而GaN則主要用作筆記本電腦、移動設備和其他消費設備的快速充電器。本文主要說明的是寬禁帶FET的測試,但雙脈衝測試也可應用於矽器件、MOSFET或IGBT中。
電力電子設備中使用的半導體材料正從矽過渡到寬禁帶(WBG)半導體,比如碳化矽(SiC)和氮化镓(GaN)等半導體在更高功率水平下具有卓越的性能,被廣泛應用於汽車和工業領域中。由於工作電壓高,SiC技術正被應用於電動汽車動力係統,而GaN則主要用作筆記本電腦、移動設備和其他消費設備的快速充電器。本文主要說明的是寬禁帶FET的測試,但雙脈衝測試也可應用於矽器件、MOSFET或IGBT中。
為確保這些設備的可靠性,雙脈衝測試(DPT)已發展成為一種行業標準技術,用於測量開啟、關閉和反向恢複期的一係列重要參數。雙脈衝測試係統包括示波器、信號源和電源,它們必須協同工作進行測試和測量。本應用說明介紹了一個Python腳jiao本ben示shi例li,該gai腳jiao本ben利li用yong示shi波bo器qi和he函han數shu發fa生sheng器qi的de內nei置zhi雙shuang脈mai衝chong測ce試shi功gong能neng,自zi動dong執zhi行xing雙shuang脈mai衝chong測ce試shi。演yan示shi腳jiao本ben以yi一yi個ge工gong作zuo框kuang架jia的de形xing式shi呈cheng現xian,供gong尋xun求qiu實shi現xianDPT自動化的工程師使用, 並可通過泰克GitHub獲取。
使用Python可以實現全自動測試解決方案,包括: • 探頭設置配置 • 通道糾偏配置 • 直流電流校準(例如羅氏線圈) • 垂直刻度設置自動調整 • 水平刻度設置自動調整 • 創建測試列表 • 獲取測試結果 • 測試屏幕/波形保存 • 用於穩定性分析的可重複測試回路 在本應用文章中,我們會使用5B係列MSO示波器和AFG31000任意函數發生器,在PC上使用Python自動化執行雙脈衝測試 (DPT)。應用文章詳細概述了Python腳本的流程。演示腳本本身可用作特定遠程接口命令的示例,並可針對特定應用進行調整。 示波器配有選件5-WBG-DPT,可提供專用的雙脈衝測量,並具備完整的遠程接口。在此應用中,可使用4B係列MSO或6B係列MSO代替5B係列MSO。
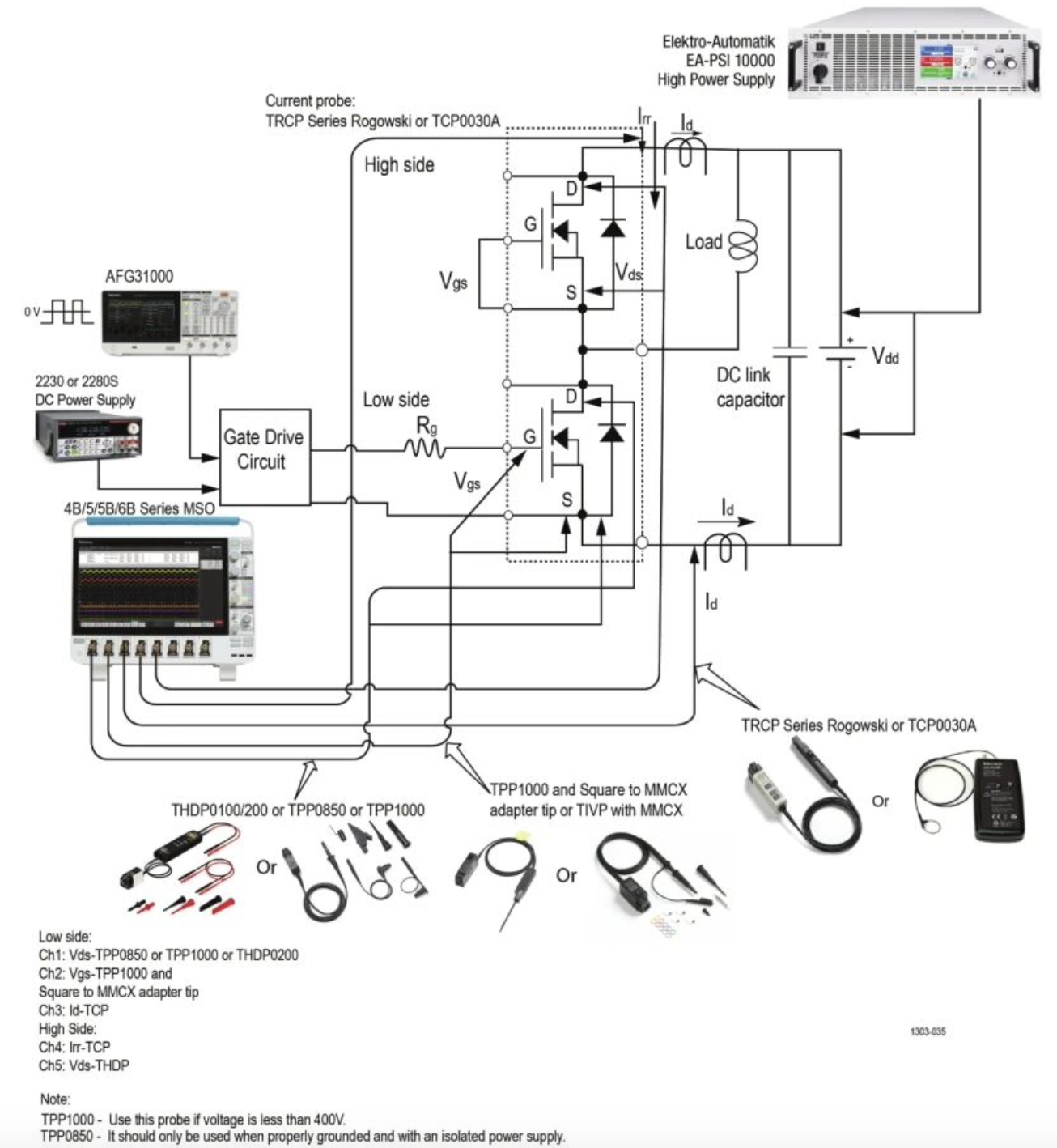
測試係統 典型的雙脈衝測試係統如圖2所示,用於測量低側自動開關參數和時序分析。這種設置需要一個具有四個或更多通道的4B、5B或6B係列MSO。對於DPT開關參數,需要測量低壓側的VDS、ID和VGS ,因此需要三個探頭——兩個用於電壓測量,一個用於電流測量。自動化腳本還可以通過與適當的探頭進行高壓側連接來支持高壓側測試。 被測設備 (DUT) 的柵極由AFG31000任意/函數發生器驅動。圖2顯示了驅動VDD的大電流電源,這是典型的雙脈衝測試設置。不過,在這個低電流示例中,使用了吉時利三輸出電源為柵極驅動器供電,並提供VDD。示例設置的照片如圖3所示。 示波器配備了選件5-WBG-DPT,可提供專用的雙脈衝測量和完整的遠程接口。示波器中的 WBG 軟件還可用於控製AFG31000任意/函數發生器並生成柵極驅動信號。在本示例中,個人計算機、示波器和函數發生器均通過局域網連接(圖1)。 圖1. 電腦、示波器和函數發生器通過局域網進行通信 圖2. 雙脈衝測試係統示例的原理圖,配置用於對低壓側FET進行測量。如圖3所示,本應用文章中的實際設置使用了低電流電源 圖3.本應用文章使用的係統包括MSO58B示波器、VDS上的THDP0200高壓差分探頭、ID上的TCP0030A電流探頭、VGS上的TPP1000單端電壓探頭、用於柵極脈衝的AFG31252函數發生器,以及輸出端為柵極驅動器和VDD供電的2230G-30-1三路輸出電源 圖3顯示了示波器、函數發生器和電源與DUT的連接。屏幕截圖(圖4)顯示了示波器上DPT分析軟件生成的豐富測量數據: ■ 導通電量,Eon ■ 關斷電量,Eoff ■ 峰值電壓,Vpeak ■ 峰值電流,Ipeak ■ 開啟延時,Td(開啟) ■ 關斷延時,Td(關閉) ■ 上升時間,Tr ■ 下降時間,Tf ■ 導通時間,Ton ■ 關斷時間,Toff ■ 電壓轉換速率,d/d 死區時間測量雖然不用於此設置,但可用來測量低壓側和高壓側開關之間的時序。 圖4. 示波器屏幕截圖顯示了雙脈衝電壓和電流波形以及測量結果 測試自動化腳本 本節將介紹Python腳本示例,包括總體流程和組成腳本的功能塊。 腳本由四大功能模塊組成 示波器和探頭初始化 探頭通道配置 探頭設置配置 示波器初始化和模式設置 示波器垂直設置自動設置 產生脈衝 根據捕捉到的波形調整所有模擬通道的垂直設置 雙脈衝測試初始化 測試項目的選擇 測試項目配置 AFG脈衝創建和連接 雙脈衝測試和結果保存 脈衝發生 測試結果的獲取和保存 測試流程如下圖所示。在演示腳本中,測試參數和測試開關(例如:是否使用自動設置或調整當前通道偏置)在腳本開始時設置為常量,初始化部分結束後,配置儀器,執行測試主循環並生成結果。 功能塊說明 如前所述,DPT測試自動化演示腳本由四個功能塊組成。本節將解釋各功能塊的設計理念和操作方法。關於輸入參數配置,請參閱腳本開頭 ' 用戶輸入設置 ' 部分的注釋。 功能模塊1 - 示波器和探頭初始化 該功能用於初始化探頭和示波器係統。 要測量VDS、ID和VGS,需要兩個電壓探頭和一個電流探頭。 探頭初始化過程如下: 禁用通道1並從屏幕上刪除通道1顯示。 1. 啟用三個通道(用戶在參數設置中定義的兩個電壓通道和一個電流通道)。 2. 設置電流通道的極性,因為用戶可能會因連接錯誤或其它測試要求而希望翻轉電流方向。 3. 根據需要設置替代單位比率,如安培/伏特(例如,使用分流電阻器測量電流時)。 4. 在設置中配置用戶定義的通道糾偏參數。 示波器初始過程如下: 1. 如果用戶自定義設置 'rst_scope_ena ' 被設為1,則恢複默認設置。 2. 啟用高分辨率模式,提供更精確的測量能力。 3. 將水平設置模式切換為手動模式,根據測試要求設置采樣率和記錄長度。 4. 根據用戶定義的脈衝設置輸入計算所需的采樣率。 5. 根據用戶定義的值設置觸發位置。如果用戶定義的值小於0,則使用默認值25,即屏幕上25%的水平位置。 6. 將觸發類型設為邊沿觸發。 7. 將觸發源設置為VGS通道輸入。 8. 將觸發模式設置為正常和單次觸發。 9. 開始采集。 功能模塊2 - 示波器垂直設置和自動設置 如果通過將用戶定義參數 'autoset_vertical_ena ' 設為1打開了垂直自動設置功能,則將啟用自動設置功能,並根據輸入信號幅度自動調整垂直刻度和偏置。 如ru果guo禁jin用yong自zi動dong設she置zhi功gong能neng,則ze所suo有you三san個ge通tong道dao的de垂chui直zhi刻ke度du設she置zhi都dou將jiang使shi用yong參can數shu輸shu入ru界jie麵mian進jin行xing用yong戶hu定ding義yi垂chui直zhi設she置zhi。所suo有you三san個ge通tong道dao都dou有you自zi己ji的de子zi開kai關guan切qie換huan,可ke分fen別bie獨du立li啟qi用yong/禁用每個通道的自動設置。 三個通道的垂直刻度自動設置步驟相同。 詳細的自動設置步驟如下: 1. 根據用戶定義的輸入信號幅度初始化通道刻度,例如,Vgs為 'vgs_amplitude',Vds為 'vds_amplitude',Id為'id_amplitude'。 2. 將自動設置進程狀態標誌設置為0並啟動循環。當標誌到達3時,當前通道的自動設置完成,循環將停止。 3. 添加 'WBGEON' 測量項目,並在測試項目中配置AFG以產生脈衝。 4. 啟用輸入通道的最大和最小測量功能,並將標誌設置為1。 5. 獲取當前垂直設置以及通道輸入信號的最小和最大測量值。 6. 使用用戶定義的 'vertical_autoset_ratio' 快速收斂輸入信號的幅度到有效通道測量範圍,並將標誌設置為2。 7. 繼續獲取當前垂直分辨率以及通道輸入的最小值和最大值。微調通道刻度和偏置,以滿足用戶定義的誤差範圍。 8. 編程設置並繼續執行相同的程序,直到達到用戶定義的目標誤差範圍。標誌將設置為3,自動設置完成。 9. 刪除測量項目並結束循環。 在本應用示例中,腳本包含用於設置垂直刻度設置的代碼。不過,使用WBG-DPT軟件包中的預置功能通常會更方便。WBG-DPT預置簡化了自動設置程序。它使用用戶指定的雙脈衝設置來預設示波器的最佳垂直、水平、觸發和采集設置。預置後,隻需從WBG-DPT測量麵板運行柵極激勵,即可讓AFG31000生成雙脈衝輸出。 功能模塊3 - 雙脈衝測試初始化 1. 將所有測試項目添加到測試列表中。演示腳本支持以下測量。 WBGEON ---- 導通電量(Eon) WBGEOFF ---- 關斷電量 (Eoff) WBGVPEAK ---- Vds(峰值):發射極至集電極電壓 WBGIPEAK ---- Id( 峰值 ) WBGTDON ---- td(on) - 導通延時時間 WBGTDOFF ---- td(off) - 關斷延時時間 WBGTR ---- Tr - 上升時間 WBGTF ---- Tf - 下降時間 WBGTON ---- t(on) - 導通時間 WBGTOFF ---- t(off) - 關斷時間 WBGDDT ---- WBGDDTdv/dt和di/dt 可根據用戶需求和腳本修改支持更多測試項目。 2. 為每個測試項目設置信號源。 3. 將設置寫入AFG以生成測試脈衝。請注意,5B係列MSO固件V2.6.38要求通過WBG命令發送的AFG設置與最後配置的測量相關聯。 功能模塊4 - 雙脈衝測試和保存結果 1. 發送觸發命令 'WBGGSTIM',啟動測試循環並產生脈衝。 2. 等待采集完成。 3. 通過命令行讀取並顯示全部11個項目的測試結果。 4. 如果 'remote_table_save_ena' 設置為1,則測試結果表將保存到示波器上的文件中。 5. 如果 'remote_screen_save_ena' 設置為1,屏幕截圖將保存到示波器上的文件中。 6. 如果 'remote_wfm_save_ena' 設置為1,波形將被保存到示波器上的文件中。 7. 如果 'remote_session_save_ena' 設置為1,會話將被保存到示波器上的文件中。 8. 如果 'local_wfm_save_ena' 設置為1,波形將被保存到運行Python腳本的PC上的文件中。 9. 如果 'local_table_ save_ena' 設置為1,測試結果表將保存到運行Python腳本的計算機上的文件中。 10. 重複測試,直到達到用戶定義的循環次數。 11. 釋放內存並結束測試。



免責聲明:本文為轉載文章,轉載此文目的在於傳遞更多信息,版權歸原作者所有。本文所用視頻、圖片、文字如涉及作品版權問題,請聯係小編進行處理。
推薦閱讀:
- 噪聲中提取真值!瑞盟科技推出MSA2240電流檢測芯片賦能多元高端測量場景
- 10MHz高頻運行!氮矽科技發布集成驅動GaN芯片,助力電源能效再攀新高
- 失真度僅0.002%!力芯微推出超低內阻、超低失真4PST模擬開關
- 一“芯”雙電!聖邦微電子發布雙輸出電源芯片,簡化AFE與音頻設計
- 一機適配萬端:金升陽推出1200W可編程電源,賦能高端裝備製造
- 芯科科技Tech Talks與藍牙亞洲大會聯動,線上線下賦能物聯網創新
- 冬季續航縮水怎麼辦?揭秘熱管理係統背後的芯片力量
- 從HDMI 2.1到UFS 5.0:SmartDV以領先IP矩陣夯實邊緣計算基石
- 小空間也能實現低噪供電!精密測量雙極性電源選型指南,覆蓋小功率到大電流全場景
- 直擊藍牙亞洲大會 2026:Nordic 九大核心場景演繹“萬物互聯”新體驗
- 車規與基於V2X的車輛協同主動避撞技術展望
- 數字隔離助力新能源汽車安全隔離的新挑戰
- 汽車模塊拋負載的解決方案
- 車用連接器的安全創新應用
- Melexis Actuators Business Unit
- Position / Current Sensors - Triaxis Hall





