由IR2130組成的無刷直流電機驅動設計
發布時間:2013-03-17 責任編輯:easonxu
【導讀】功率MOSFET驅qu動dong保bao護hu電dian路lu的de設she計ji可ke直zhi接jie決jue定ding係xi統tong對dui執zhi行xing機ji構gou的de驅qu動dong品pin質zhi。文wen中zhong針zhen對dui具ju體ti的de微wei電dian機ji驅qu動dong保bao護hu係xi統tong,有you針zhen對dui性xing地di功gong率lv驅qu動dong保bao護hu電dian路lu進jin行xing計ji算suan分fen析xi與yu設she計ji。實shi驗yan證zheng明ming該gai電dian路lu設she計ji簡jian單dan可ke靠kao,驅qu動dong與yu保bao護hu效xiao果guo良liang好hao,完wan全quan可ke以yi滿man足zu控kong製zhi係xi統tong對dui執zhi行xing機ji構gou的de驅qu動dong要yao求qiu。
永磁無刷直流電機是隨著高性能永磁材料、電機控製技術和電力電子技術發展而出現的一種新型電機,它既具有交流電機結構簡單、運行可靠、維護方便、壽命長等優點,又具備直流電機運行效率高、無勵磁損耗及調速性能好等諸多優點,且還具有功率密度高,低轉速,大轉矩的特點。它的應用已從最初的軍事工業,向航空航天、醫療、信息、家電以及工業自動化等領域迅速發展。
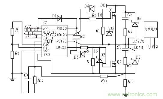
圖1是由IR2130組成的無刷直流電機驅動原理圖為便於表示隻畫出其中一個橋臂的電路示意圖,通過IR2130輸入信號控製MOSFET的開關,由此驅動無刷直流動機。C1是自舉電容,為上橋臂功率管驅動的懸浮電源存儲能量,D1的作用是防止上橋臂導通時母線電壓倒流到IR2130的電源上而使器件損壞,因此D1應有足夠的反向耐壓,當然D1與C1串聯也是為了滿足主電路功率開關頻率的要求,D1應選快速恢複二極管。 R1、R2、R10、R11、R12、C4組成過流檢測電路。R5、R6為柵極驅動電阻,D4、D5為功率管提供了一個低阻抗的放電回路,使功率管能夠快速的泄放電荷。

圖1:無刷直流電機驅動原理圖
gonglvchangxiaoyingguandezhajiyuyuanjizhijianbinglianleyigedianzuheyigeqinaerjiguan,dianzudezuoyongshijiangdizhajiyuyuanjijiandezukang,qinaerjiguandezuoyongshifangzhizhajiyuyuanjijianjianduandianyajichuangonglvguan。tongshizaigonglvchangxiaoyingguandeloujiyuyuanjizhijianbinglianleyigeRC電路和齊納二極管,由於器件開關瞬間電流的突變而產生漏極尖峰電壓,所以必須加上RC緩衝電路和齊納二極管對其進行保護。
在實際應用中柵極的驅動波形如圖4所示,此波形是在電機3000RPM時的驅動波形,可以看出此波形完全能夠滿足要求,同時進行了短路、電機堵轉等試驗,圖1電路也能過很好地保護功率MOSFET管。

圖2:柵極驅動波形
- 噪聲中提取真值!瑞盟科技推出MSA2240電流檢測芯片賦能多元高端測量場景
- 10MHz高頻運行!氮矽科技發布集成驅動GaN芯片,助力電源能效再攀新高
- 失真度僅0.002%!力芯微推出超低內阻、超低失真4PST模擬開關
- 一“芯”雙電!聖邦微電子發布雙輸出電源芯片,簡化AFE與音頻設計
- 一機適配萬端:金升陽推出1200W可編程電源,賦能高端裝備製造
- 邊緣AI的發展為更智能、更可持續的技術鋪平道路
- 每台智能體PC,都是AI時代的新入口
- IAR作為Qt Group獨立BU攜兩項重磅汽車電子應用開發方案首秀北京車展
- 構建具有網絡彈性的嵌入式係統:來自行業領袖的洞見
- 數字化的線性穩壓器
- 車規與基於V2X的車輛協同主動避撞技術展望
- 數字隔離助力新能源汽車安全隔離的新挑戰
- 汽車模塊拋負載的解決方案
- 車用連接器的安全創新應用
- Melexis Actuators Business Unit
- Position / Current Sensors - Triaxis Hall




