國內現行軌道交通安全門係統驅動電機控製方案
發布時間:2014-09-05 責任編輯:mrcoocom
【導讀】國內第一條安裝地鐵屏蔽門的是廣州地鐵二號線,隨後在國內10幾ji個ge一yi線xian城cheng市shi得de到dao普pu及ji,國guo內nei多duo家jia屏ping蔽bi門men生sheng產chan企qi業ye也ye逐zhu漸jian打da破po了le其qi核he心xin技ji術shu被bei國guo外wai幾ji家jia企qi業ye壟long斷duan的de局ju麵mian,我wo國guo自zi主zhu開kai創chuang的de現xian行xing的de軌gui道dao交jiao通tong安an全quan門men係xi統tong驅qu動dong電dian機ji控kong製zhi方fang案an領ling先xian於yu世shi界jie。
地di鐵tie屏ping蔽bi門men是shi安an裝zhuang於yu地di鐵tie站zhan台tai靠kao軌gui道dao側ce邊bian沿yan,把ba站zhan台tai區qu域yu與yu軌gui道dao區qu域yu相xiang互hu隔ge離li開kai的de設she備bei。設she置zhi屏ping蔽bi門men的de主zhu要yao目mu的de是shi防fang止zhi人ren員yuan跌die落luo軌gui道dao產chan生sheng意yi外wai事shi故gu,降jiang低di車che站zhan空kong調tiao通tong風feng係xi統tong的de運yun行xing能neng耗hao,同tong時shi減jian少shao列lie車che運yun行xing噪zao聲sheng和he活huo塞sai風feng對dui車che站zhan的de影ying響xiang,為wei乘cheng客ke提ti供gong一yi個ge安an全quan、舒適的候車環境,提高地鐵的服務水平。

我國自2002年廣州地鐵2號線引進屏蔽門係統以來,地鐵屏蔽門(安全門)係統在全國各地10幾(ji)個(ge)城(cheng)市(shi)新(xin)建(jian)線(xian)路(lu)上(shang)得(de)到(dao)了(le)廣(guang)泛(fan)應(ying)用(yong),它(ta)的(de)投(tou)入(ru)使(shi)用(yong)極(ji)大(da)的(de)改(gai)善(shan)了(le)地(di)鐵(tie)車(che)站(zhan)的(de)舒(shu)適(shi)性(xing),加(jia)強(qiang)了(le)乘(cheng)客(ke)和(he)地(di)鐵(tie)相(xiang)關(guan)設(she)備(bei)的(de)安(an)全(quan)性(xing),提(ti)升(sheng)了(le)地(di)鐵(tie)運(yun)營(ying)的(de)服(fu)務(wu)質(zhi)量(liang),使(shi)地(di)鐵(tie)站(zhan)台(tai)屏(ping)蔽(bi)門(men)安(an)全(quan)門(men)專(zhuan)業(ye)逐(zhu)漸(jian)成(cheng)為(wei)地(di)鐵(tie)建(jian)設(she)的(de)標(biao)準(zhun)配(pei)置(zhi)。站(zhan)台(tai)安(an)全(quan)門(men)的(de)在(zai)國(guo)內(nei)地(di)鐵(tie)10年的應用曆程也逐步經曆了國外引進、局部仿製、全quan套tao國guo產chan化hua的de曲qu折zhe經jing曆li,其qi中zhong門men機ji係xi統tong的de國guo產chan化hua是shi其qi中zhong至zhi關guan重zhong要yao的de環huan節jie,其qi國guo產chan化hua選xuan型xing的de合he理li性xing和he科ke學xue性xing,直zhi接jie影ying響xiang安an全quan門men的de使shi用yong效xiao果guo和he經jing濟ji成cheng本ben,本ben文wen從cong理li論lun角jiao度du,通tong過guo推tui導dao計ji算suan對dui國guo產chan化hua電dian機ji方fang案an進jin行xing了le比bi選xuan和he選xuan型xing關guan鍵jian數shu據ju分fen析xi和he計ji算suan。
1. 地鐵安全門的運動特性
地鐵安全門係統門主要由門體(框架結構)、門機係統(傳動件及電機)、門控製係統(DCU及PEDC)組成。其中門機係統承擔著安全門係統的主要運動功能,是安全門可靠、穩(wen)定(ding)運(yun)行(xing)的(de)主(zhu)要(yao)保(bao)障(zhang),門(men)機(ji)中(zhong)驅(qu)動(dong)電(dian)機(ji)的(de)國(guo)產(chan)化(hua)選(xuan)型(xing)和(he)參(can)數(shu)計(ji)算(suan)在(zai)安(an)全(quan)門(men)係(xi)統(tong)方(fang)案(an)中(zhong)舉(ju)足(zu)輕(qing)重(zhong),合(he)理(li)的(de)選(xuan)型(xing)及(ji)參(can)數(shu)計(ji)算(suan)是(shi)整(zheng)個(ge)係(xi)統(tong)設(she)計(ji)的(de)基(ji)礎(chu),現(xian)本(ben)文(wen)從(cong)運(yun)動(dong)學(xue)和(he)電(dian)機(ji)學(xue)方(fang)麵(mian)淺(qian)析(xi)一(yi)下(xia)驅(qu)動(dong)電(dian)機(ji)方(fang)案(an)比(bi)選(xuan)及(ji)參(can)數(shu)計(ji)算(suan):
2. 地鐵站台安全門運動模型
地鐵站台安全門主要工作原理為驅動電機M通過減速器(減速比為1:10),帶動正時皮帶主動輪A(直徑為50.93mm),主動輪轉動通過皮帶帶動左右兩扇滑動門(ASD-L,ASD-R),在行程為1900mm的範圍內進行往複開關門運動。

[page]
3. 電機種類選型:
根據地鐵安全門的運動特點,宜選用調速性能較好、安全、易於維護的電機。目前可用於自動門控製的電機基本為以下三種:
l 直流無刷電機:BLDC;
l 永磁同步電機:PMSM;
l 三相異步電機:ACIM(有時也稱為感應電機)。
3.1. 直流無刷電機控製係統
zaiyibanzhiliudianjizhongyou,dingziliciraozu,zhuanziraozu。tongguohuanxiangqihedianshuajiangzhuanzizhongdedianliufanxianglaichanshengxuanzhuanyundong。zhezhongdianjiyinweiyoudianshua,zaiyunxingzhonghuichuxianmosun,muqianbu 建議使用。為了克服這種機械磨損,與之相反,在BLDC電機中繞組在定子上而轉子是永磁體,這就是為什麼選擇BLDC。這種電機的優點是:
l 消除了機械換向器和碳刷,這將極大增強機械的可靠性。
l 直流有刷電機的換向哭和碳刷會導致火花,因此這些部件的消除意味著BLDC電機可以惡劣的環境中。
l 由於BLDC電機繞組鈾耗I2R發生在定子中。因此可方便通過電機外殼進行散熱。
BLDC電機的定子繞組采用整距集中繞組。繞組的相數有二、三、四、五相,但應用最多的是三相或四相。考慮到成本,一般采用三相即可。
l 繞組利用率:不像普通直流電機那樣,BLDC的(de)繞(rao)組(zu)是(shi)斷(duan)續(xu)通(tong)電(dian)的(de)。適(shi)當(dang)地(di)提(ti)高(gao)繞(rao)組(zu)通(tong)電(dian)利(li)用(yong)率(lv)將(jiang)可(ke)以(yi)是(shi)同(tong)時(shi)通(tong)電(dian)導(dao)體(ti)數(shu)增(zeng)加(jia),使(shi)電(dian)阻(zu)下(xia)降(jiang),提(ti)高(gao)效(xiao)率(lv)。從(cong)這(zhe)個(ge)角(jiao)度(du)來(lai)看(kan),三(san)相(xiang)比(bi)四(si)相(xiang)好(hao),四(si)相(xiang)比(bi)五(wu)相(xiang)好(hao)。
l 轉矩的波動:BLDC電機的輸出轉矩波動比普通直流電機大,因此希望盡量減少轉矩波動。一般相數越多,轉矩的波動越小。
l 電路成本:相數越多,驅動電路所使用的開關管越多,成本越高。而且電機結構也越複雜。
對電機控製係統的拓撲結構一般也有以下幾種:
l 無速度傳感哭的控製係統,一般有電流傳感器;
l 有速度傳感器的控製係統,一般無電流傳感器;
l 有(you)速(su)度(du)傳(chuan)感(gan)器(qi)的(de)控(kong)製(zhi)係(xi)統(tong),一(yi)般(ban)有(you)電(dian)流(liu)傳(chuan)感(gan)器(qi)。根(gen)據(ju)我(wo)們(men)建(jian)議(yi)采(cai)用(yong)雙(shuang)傳(chuan)感(gan)器(qi)的(de)電(dian)機(ji)控(kong)製(zhi)係(xi)統(tong)。這(zhe)樣(yang)即(ji)可(ke)以(yi)進(jin)行(xing)位(wei)置(zhi)控(kong)製(zhi),也(ye)能(neng)進(jin)行(xing)轉(zhuan)矩(ju)控(kong)製(zhi)。
l BLDC電機的缺點是:轉矩的波動大,噪聲大,控製精度低,過載成能差。
l BLDC電機的優點是:價格便宜,控製算法簡單並容易實現。
3.2. 永磁同步電機控製係統
由於具有體積小、控製方便和高效率的特點,許多工業應用都采用BLDC電機。BLDC愈來愈多地出現在汽車應用領域。但在高性能應用中,如機床設備和低噪聲風機應用中,平衡的轉矩輸出是至關重要的。
BLDC難以應用在需要低轉矩脈動和低噪聲運行的場合。BLDC電機中繞組的梯形分布將在電機運行過程中導致轉矩脈動,這是由於產生的電流也是梯形分 布的。這種轉矩肪動將導致小的轉速振蕩而產生音頻噪聲。另一方麵,弦反電動勢的BLDC電機,也稱作永磁同步電機(PMSM),采用正弦電流進行驅動,在 減小了轉矩脈動,從而將音頻噪聲降低到最小限度。
l PMSM電機的優點是:體積小、控製精度高。
l PMSM電機的缺點是:容易退磁,電機造價高。
3.3. 三相異步電機(ACIM)控製係統
l ACIM電機的優點是:可靠性高,免維護,電機造價低;
l ACIM電機的缺點是:體積大,控製算法複雜並不容易實現。
3.4. BLDC電機控製方法
根據前三點分析,結合地鐵屏蔽門運動需求,控製精度,選用BLDC電機可獲得最優性價比。
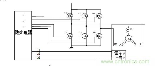
BLDC電機的工作模式由DCU輸出的PWM信號進行控製。安全門的運動是由門控單元DCU控製的。電機正反向的控製由六個MOSFET組成的電路控製,滑動門運行各階段所需的速度和力矩由DCU輸出的PWM信號控製。電機驅動原理圖如下所示:

圖2:電機驅動原理圖


圖3:時序圖
PWM信號按照下圖所示時序控製U+,V+,W+,U-,V-,W-這六個MOSFET管的導通和截止,可在轉子運動空間內產生一個正向旋轉的磁場,轉 zigensuixuanzhuancichangyundong,shixiandianjidezhengzhuan,shixumaichongdezhuanhuanjiangeyueduan,dianjizhuansuyuekuai。tongli,shixuanzhuancichangfanxiangyundong,jikeshixiandianjidefanzhuan。

圖4 :速度控製方框圖
開門過程:
列車到達車站,DCU接到開門命令,輸出預設PWM信號,同時不斷獲取電機編碼器的霍爾效應信號,得到門位置和門速信息,再將所測門速信息與該門位置 的預設速度進行比較,用比較結果調節PWM信號參數,改變PWM輸出的脈衝寬度,相應的電機轉速和力矩不斷變化,使滑動門按照預設的開門曲線依次實現加速 運行階段、勻速運行階段、減速運行階段、緩慢接近開門限位,最終,滑動門停止在全開限位位置。
開門速度曲線:

t2:達到高速勻速運動
t3:開門接近限位減速過程
t4:緩慢運動達到限位
關門過程:
關門過程電機轉動方向和開門過程電機轉動方向相反,在勻速減速後多了一個低速運行段,經曆加速運行階段、勻速運行階段、減速運行階段、低速運行階段,各階段運行均由DCU輸出的PWM信號控製。各階段的運行參數可根據實際情況靈活設置。
關門速度曲線:

t1:關門加速過程
t2:達到高速勻速運動
t3:由高速至慢速關門減速過程
t4:慢速關門至門關閉限位
[page]
4. 電機參數的選型計算
電機在選型時需要根據電機安裝空間、額定電壓、額定功率、環境要求(溫度、濕度、振動、散熱能力、有無軸向和徑向負載、工作類型(連續,間歇,或者周期性運行)等指標進行初步選型。
考(kao)慮(lv)根(gen)據(ju)提(ti)高(gao)運(yun)營(ying)效(xiao)率(lv),滑(hua)動(dong)門(men)開(kai)關(guan)門(men)過(guo)程(cheng)中(zhong)需(xu)要(yao)在(zai)很(hen)短(duan)的(de)時(shi)間(jian)內(nei)加(jia)速(su)到(dao)高(gao)速(su)運(yun)行(xing)階(jie)段(duan)。因(yin)此(ci)應(ying)確(que)保(bao)電(dian)機(ji)可(ke)提(ti)供(gong)足(zu)夠(gou)的(de)加(jia)速(su)力(li)矩(ju),選(xuan)定(ding)電(dian)機(ji)的(de)最(zui)大(da)輸(shu)出(chu)扭(niu)矩(ju)應(ying)大(da) 於yu滑hua動dong門men的de加jia速su時shi所suo需xu的de最zui大da力li矩ju。為wei使shi滑hua動dong門men可ke在zai固gu定ding的de時shi間jian內nei完wan成cheng開kai關guan門men動dong作zuo,滑hua動dong門men的de最zui高gao運yun行xing速su度du也ye是shi一yi個ge重zhong要yao的de因yin素su,因yin此ci還hai需xu注zhu意yi電dian機ji所suo能neng輸shu出chu的de最zui高gao 轉速。針對相應的門體自重和摩擦阻力進行功率、轉矩和轉速的計算,再根據電機的參數中的電流—轉速—轉矩曲線,選定合適的電機。
選定的BLDC電機的T-N-I曲線如下:

在電機選型計算重點是電機的帶載能力計算,主要是電機的扭矩計算和轉速計算。
在配置一台合適的電機時,確定所需轉矩對於防止電機過載運轉時出現熱過載至關重要
以下根據地鐵安全門電機拖動模型著重計算一下電機的功率和扭矩。
滑動門運動曲線特性計算電機等效功率如下:
1)已知條件
a) 門重量
重量: M=75kg/leaf
b) 機械條件
導靴阻力:10.6N/leaf
開門阻力(不用馬達和傳送帶): 30N/leaf
正時滑輪A直徑: D=50.93mm
門機最大輸出效率(DCM):=0.95
滑輪和同步傳送帶傳輸效率:=0.9
其他條件:開關頻率:每3分鍾開關一次
另外根據中華人民共和國城鎮建設行業標準CJ/T 236-2006 城市軌道交通站台屏蔽門標準,及相關地鐵運營方要求,以北京地鐵目前投入使用的地鐵目前使用的B型車為例(車門寬度1300mm):
(1) 滑動門開門行程時間:2.5±0.1s~3.5±0.1s範圍內無級可調
(2) 滑動門關門行程時間:3.0±0.1s~4.0±0.1s範圍內無級可調
(3) 滑動門運動的動能:關門過程中,在最後100mm的行程中動能不應超過1J/扇門。
(4) 在行程中的最大動能不能超過10J/扇門
(5) 停車精度±300mm.
還可知如下限定條件:
電機最大速度 Vh=0.45米
門開度:1300mm+600mm=1.9m
電機衝程: L=1.9/2=0.95m
最小開門/關門時間: 2.5 秒/3.秒
末端速度V
關門速度曲線參數

[page]
5. 控製係統方案
5.1. 需求分析
表 1:某電機參數表


其中:
P=額定功率,單位W
T=額定轉矩,單位Nm
n=額定轉速,單位rpm
表2:速度曲線

根據機械條件:
l 導槽阻力:10.6N/leaf
l 開門阻力:30N/leaf''''''''
從而得知:門體阻力:R=(10.6+30)×2=81.2N
5.2. 計算過程
滑動門加速所需要的力Fa為:
∵Fa-R=ma(m=門體質量,M=75kg/leaf;a=開門加速度,在表2為查得Aa=1.5m/s2)

∴ 其中:效率η=門機最大輸出效率(DCM)×滑輪和同步傳送帶傳輸效率=0.95×0.9=0.855
滑動門加速所需要的電機轉矩Ta為:

Ta=Fa×r=358.128(N)×0.0255(m)=9.132NM(滿足最大轉矩Tmax=13.23Nm)
滑動門高速時所需要的電機轉矩Th為:
Th=Fa×r=358.128(N)×0.025(m)=2.07NM
若考慮到效率,則Th÷η=2.07÷0.855=2.42NM
可滿足額定轉矩To=2.55(Nm)

其中:
W=重量,單位:kg
ν=速度,單位:m/s
ω=動量,單位:J

P=功率,單位:W
T=時間,單位:s
線速Vh=0.45m/s,則轉速為:

6. 結論
根據地鐵屏蔽門運動需求,控製精度,綜合以上條件得出結論,選用額定功率90W左右BLDC電機即可獲得最優性價比。
特別推薦
- 噪聲中提取真值!瑞盟科技推出MSA2240電流檢測芯片賦能多元高端測量場景
- 10MHz高頻運行!氮矽科技發布集成驅動GaN芯片,助力電源能效再攀新高
- 失真度僅0.002%!力芯微推出超低內阻、超低失真4PST模擬開關
- 一“芯”雙電!聖邦微電子發布雙輸出電源芯片,簡化AFE與音頻設計
- 一機適配萬端:金升陽推出1200W可編程電源,賦能高端裝備製造
技術文章更多>>
- 從機械執行到智能互動:移遠Q-Robotbox助力具身智能加速落地
- 品英Pickering將亮相2026航空電子國際論壇,展示航電與電池測試前沿方案
- 模擬芯片設計師的噩夢:晶體管差1毫伏就廢了,溫度升1度特性全飄
- 3A大電流僅需3x1.6mm?意法半導體DCP3603重新定義電源設計
- 芯科科技Tech Talks與藍牙亞洲大會聯動,線上線下賦能物聯網創新
技術白皮書下載更多>>
- 車規與基於V2X的車輛協同主動避撞技術展望
- 數字隔離助力新能源汽車安全隔離的新挑戰
- 汽車模塊拋負載的解決方案
- 車用連接器的安全創新應用
- Melexis Actuators Business Unit
- Position / Current Sensors - Triaxis Hall
熱門搜索
按鈕開關
白色家電
保護器件
保險絲管
北鬥定位
北高智
貝能科技
背板連接器
背光器件
編碼器型號
便攜產品
便攜醫療
變容二極管
變壓器
檳城電子
並網
撥動開關
玻璃釉電容
剝線機
薄膜電容
薄膜電阻
薄膜開關
捕魚器
步進電機
測力傳感器
測試測量
測試設備
拆解
場效應管
超霸科技



