基於虛擬儀器的電機監控係統的電路設計
發布時間:2014-12-19 責任編輯:echolady
【導讀】利li用yong虛xu擬ni儀yi器qi構gou建jian監jian控kong係xi統tong,有you效xiao地di提ti高gao了le開kai關guan磁ci阻zu電dian機ji控kong製zhi係xi統tong的de實shi用yong性xing和he可ke靠kao性xing,能neng夠gou快kuai速su實shi現xian監jian測ce和he調tiao整zheng電dian機ji運yun行xing時shi的de參can數shu。下xia麵mian是shi電dian路lu設she計ji詳xiang解jie。
該方案以裝有數據采集卡的 PC機和 DSP作為硬件基礎,利用 LabVIEW軟件將各類傳感器傳送的信號進行實時處 理,同時記錄和顯示各項數據,然後再利用相應的算法完成對數據的分析。數據是采用PCI-6143數據采集卡,並以LabVIEW8.6為開發環境編寫程序而獲取的。考慮到該係統可能在比較惡劣的工作環境下使用,為了更安全有效地實現實時控製,同時利用DSP 作為PC 機的備用處理器。實驗用樣機是一台8/6極,功率為150 W 的SRM。
位置信號檢測

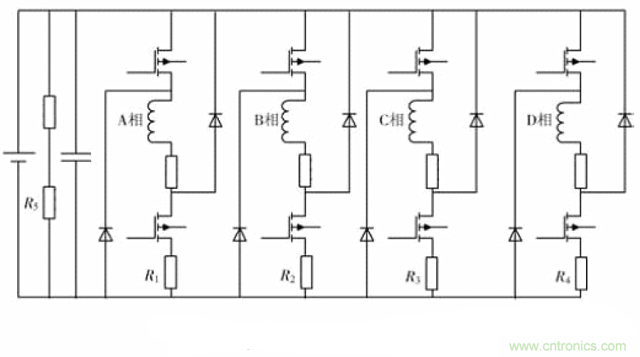
dangran,zaiwentaiyunxingshi,jueduiweizhibianmaqiyewanquankeyiqudaiguangdianweizhichuanganqiyitigonggengweizhunquedezhuansuxinxi。zhishixiangduiyuguangdianweizhichuanganqilaishuo,jueduiweizhibianmaqijiageanggui,qiejiaoyisunhuai,bingbushiheyuzhendongjiaojuliedechanghe。shiyandianjidedianlujiegourutu2所示。其中,R1~R4分別為與電機四相串聯的小電阻,R5則為用於測量繞組電壓的分壓電阻。
相關閱讀:
案例解析:直流電機調速與測速電路模塊的設計
名廠專家:新型傳感器如何提升電機性能降低功耗
惡補電機知識:世上最全單相電機電容接線圖
特別推薦
- 噪聲中提取真值!瑞盟科技推出MSA2240電流檢測芯片賦能多元高端測量場景
- 10MHz高頻運行!氮矽科技發布集成驅動GaN芯片,助力電源能效再攀新高
- 失真度僅0.002%!力芯微推出超低內阻、超低失真4PST模擬開關
- 一“芯”雙電!聖邦微電子發布雙輸出電源芯片,簡化AFE與音頻設計
- 一機適配萬端:金升陽推出1200W可編程電源,賦能高端裝備製造
技術文章更多>>
- 一秒檢測,成本降至萬分之一,光引科技把幾十萬的台式光譜儀“搬”到了手腕上
- AI服務器電源機櫃Power Rack HVDC MW級測試方案
- 突破工藝邊界,奎芯科技LPDDR5X IP矽驗證通過,速率達9600Mbps
- 通過直接、準確、自動測量超低範圍的氯殘留來推動反滲透膜保護
- 從技術研發到規模量產:恩智浦第三代成像雷達平台,賦能下一代自動駕駛!
技術白皮書下載更多>>
- 車規與基於V2X的車輛協同主動避撞技術展望
- 數字隔離助力新能源汽車安全隔離的新挑戰
- 汽車模塊拋負載的解決方案
- 車用連接器的安全創新應用
- Melexis Actuators Business Unit
- Position / Current Sensors - Triaxis Hall
熱門搜索




