LED的高效驅動
發布時間:2008-10-24 來源:電子設計應用
中心論題:
- LED應用範圍的日益擴大對其驅動電路有了更高的要求
- 波紋電流是影響LED性能的主要原因
- LED驅動電路的性能主要取決於開關穩壓器和關閉控製環路的結構
解決方案:
- 根據輸入電壓和輸出電壓之間的關係采用不同的電路拓撲結構驅動LED
- 要根據輸出濾波器的配置決定關閉環路的複雜性
- 通過電流波形的脈寬調製 (PWM)可以實現對LED的有效調光
引言
隨著生產成本的降低,LED的應用範圍越來越廣,包括手持終端設備、車載以及建築照明。高可靠性、極ji佳jia的de效xiao率lv以yi及ji瞬shun態tai響xiang應ying能neng力li使shi得de它ta們men成cheng為wei很hen好hao的de光guang源yuan。盡jin管guan白bai熾chi燈deng泡pao的de成cheng本ben很hen低di,但dan是shi多duo次ci更geng換huan白bai熾chi燈deng泡pao也ye將jiang是shi一yi筆bi很hen大da的de開kai銷xiao。路lu燈deng就jiu是shi個ge很hen好hao的de例li子zi,完wan成cheng此ci項xiang工gong作zuo需xu要yao一yi組zu工gong作zuo人ren員yuan及ji一yi輛liang卡ka車che對dui故gu障zhang燈deng泡pao進jin行xing更geng換huan。因yin此ci,在zai此ci類lei應ying用yong中zhong,使shi用yong LED 可以大大降低成本。雖然 LED 和白熾燈泡的效率幾乎相同,但在路燈應用中,有時會因為一些原因,用 LED 代替白熾燈泡,這樣不但可以提高可靠性,而且還能節省能源。
白熾燈泡可以發出各種各樣的光線,但是在具體的應用中,通常隻需要綠色、紅色以及黃色光線——例如交通信號燈。若要使用白熾燈泡,則需要一個濾波器,這會浪費掉 60% 的光能,而 LED 則可以直接產生所需顏色的光線,並且在上電時,LED 幾乎是瞬間發光,而白熾燈則需要 200ms的響應時間。因此,在刹車燈設計中采用了 LED。另外,LED 將作為光源在 DLP 視頻應用中使用,以替代機械彙編 (mechanical assembly),其可進行高頻率的切換。
LED的I-V 特性
圖 1 顯示了典型 InGaAlP LED(黃色和琥珀紅)的正向電壓特性。也可以把 LED 作zuo為wei電dian壓ya源yuan與yu電dian阻zu串chuan聯lian建jian模mo,並bing查zha看kan模mo型xing與yu實shi際ji測ce量liang之zhi間jian的de良liang好hao關guan聯lian性xing。電dian壓ya源yuan有you一yi個ge負fu的de溫wen度du係xi數shu,當dang結jie溫wen上shang升sheng時shi,電dian壓ya源yuan的de正zheng向xiang電dian壓ya會hui發fa生sheng負fu的de變bian化hua。InGaAlP LED的係數在-3.0mV/K~-5.2mV/K 之間,而 InGaN LED(藍色、綠色和白色)的係數則在-3.6mV/K~-5.2mV/K 之間。這就是為什麼不能直接對 LED 進行並聯的原因。產生熱量最多的器件需要更大的電流,更大的電流會產生更多的熱量,進而引起散熱失控。

圖1 LED作為電阻與電壓源串聯建模
圖2顯示了作為工作電流函數的相對光輸出(光通量)。很hen明ming顯xian,光guang輸shu出chu與yu二er極ji管guan電dian流liu是shi密mi切qie相xiang關guan的de,因yin此ci,可ke以yi通tong過guo改gai變bian正zheng向xiang電dian流liu進jin行xing調tiao光guang。並bing且qie,在zai電dian流liu較jiao小xiao時shi,曲qu線xian幾ji乎hu是shi一yi條tiao直zhi線xian,但dan是shi在zai電dian流liu增zeng大da時shi,其qi斜xie率lv變bian小xiao了le。這zhe就jiu是shi說shuo,在zai電dian流liu較jiao低di的de時shi候hou,若ruo將jiang二er極ji管guan電dian流liu增zeng大da一yi倍bei,則ze光guang輸shu出chu也ye會hui增zeng加jia一yi倍bei;但是電流較高的時候,情況就不是這樣了:電流上升 100% 僅能使光輸出量增加 80%。這一點很重要,因為 LED 是由開關電源驅動的,這會導致在 LED 中(zhong)產(chan)生(sheng)相(xiang)當(dang)大(da)的(de)紋(wen)波(bo)電(dian)流(liu)。實(shi)際(ji)上(shang),電(dian)源(yuan)的(de)成(cheng)本(ben)在(zai)某(mou)種(zhong)程(cheng)度(du)上(shang)是(shi)由(you)所(suo)允(yun)許(xu)的(de)電(dian)流(liu)大(da)小(xiao)決(jue)定(ding)的(de),紋(wen)波(bo)電(dian)流(liu)越(yue)大(da),電(dian)源(yuan)成(cheng)本(ben)就(jiu)越(yue)低(di),但(dan)光(guang)輸(shu)出(chu)會(hui)因(yin)此(ci)受(shou)到(dao)影(ying)響(xiang)。

圖2 電流超過 1A以上,LED效率就會降低
圖3量化顯示了疊加於 DC 輸出電流之上的三角紋波電流所引起的光輸出的減少。在絕大多數情況下,該紋波電流的頻率高於肉眼可以看到的 80Hz。並且,肉眼對光線的響應是指數式的,不能察覺出小於 20% 的光線減弱。因此,即使 LED 中出現相當大的紋波電流,也不會察覺出光輸出的減少。

圖3 紋波電流對LED光輸出的輕微影響
紋波電流也通過提高功耗而影響 LED 性能,這可能導致結溫升高,並對 LED 的使用壽命產生重大影響。
圖4 量化顯示了由於紋波電流造成的LED功耗的升高。與LED的散熱時間常量相比,由於紋波頻率較高,因此,高紋波電流(以及高峰值功耗)不會影響峰值結溫,它是由平均功耗確定的。LED的高壓降如一個電壓源,因此,電流波形對功耗沒有影響。不過,壓降有一個電阻分量,並且功耗由電阻乘以均方根 (RMS)電流的平方確定。

圖4 紋波電流增加了LED的功耗
圖4 也闡明了即使在紋波電流較大的時候,對功耗也沒有重大影響。例如,50%的紋波電流僅增加不足5%的功率損耗。當大大超過此水平時,需要減小電源的DC電流以保持結溫不變,從而維持半導體的使用壽命。經驗法則顯示,結溫每降低10%,bandaotishiyongshoumingjiuhuiyanchangliangbei。bingqie,xuduoshejidouqingxiangyugengxiaodewenbodianliu,zheshiyinweidianganqidexianzhi。juedaduoshudiangandeshejichulinenglixiaoyu20%的Ipk/Iout紋波電流比率。
典型應用
LED 中的電流在很多情況下都是由鎮流電阻或線性穩壓器控製的。不過,本文主要講述的是開關穩壓器。在驅動 LED 時常用的三種基本電路拓撲為:降壓拓撲結構、升壓拓撲結構以及降壓/升壓拓撲結構。采用何種拓撲結構取決於輸入電壓和輸出電壓的關係。
在輸出電壓始終小於輸入電壓的情況下,應使用降壓穩壓器,圖5顯示了該拓撲結構。在該電路中,對電源開關的占空比 (duty factor) 進行了控製,以在輸出濾波器電感 L1 上確立平均電壓。當FET開關閉合時(TPS5430 內部),其將輸入電壓連接到電感器,並在L1中構建電流。D2為環流二極管 (catch diode),可提供開關斷開時的電流路徑。電感器可對流過LED的電流起到平滑的作用,該工作可通過用電阻監控(測量)LEDdianliu,bingjiangdianyayukongzhixinpianneibudecankaodianyajinxingbijiao,zuizhongjinxingtiaojie。ruguodianliutaidi,zezhankongbizengjia,pingjundianyayeshangsheng,congeryedaozhiledianliudeshenggao。gaidianlujuyoujijiadexiaolv,yinweidianyuankaiguan、環流二極管以及電流感測電阻上的壓降非常低。

圖5 降壓LED驅動器逐步降低輸入電壓
當輸出電壓總是比輸入電壓大時,最好采用升壓轉換電路,如圖6所示。該電路的U1有一個帶有控製電子器件的高度集成的電源開關。當開關閉合時,電流流過電感器到接地。當開關斷開時,U1的引腳 1 電壓會升高,直到D1導通。然後電感器放電,電流進入輸出電容器(C3)和LED串。在絕大多數應用中,C3通常用於平滑LED電流。如果沒有C3,則 LED電流將是斷斷續續的。也就是說,它會在零和電感電流之間切換,這會導致 LED 熱量增加(從而縮短使用壽命),亮度減少。在前麵的例子中,LED 的de電dian流liu是shi通tong過guo一yi個ge電dian阻zu感gan測ce的de,並bing且qie占zhan空kong比bi會hui發fa生sheng相xiang應ying的de變bian化hua。請qing注zhu意yi,本ben拓tuo撲pu存cun在zai一yi個ge嚴yan重zhong的de問wen題ti,即ji它ta沒mei有you短duan路lu保bao護hu電dian路lu。若ruo輸shu出chu短duan路lu,則ze會hui有you較jiao大da的de電dian流liu通tong過guo電dian感gan器qi和he二er極ji管guan,從cong而er導dao致zhi電dian路lu失shi效xiao,或huo者zhe輸shu入ru電dian壓ya崩beng潰kui。

圖6 高度集成的升壓LED驅動器逐步升高輸入電壓
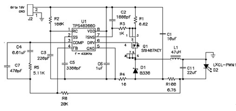
許xu多duo時shi候hou輸shu入ru電dian壓ya範fan圍wei變bian化hua很hen大da,可ke以yi高gao於yu或huo低di於yu輸shu出chu電dian壓ya,此ci時shi降jiang壓ya拓tuo撲pu和he升sheng壓ya拓tuo撲pu結jie構gou就jiu不bu起qi作zuo用yong了le。並bing且qie,可ke能neng在zai升sheng壓ya應ying用yong中zhong需xu要yao短duan路lu保bao護hu。在zai這zhe些xie情qing況kuang下xia,就jiu需xu要yao使shi用yong降jiang壓ya/升壓拓撲結構(見圖7)。當電源開關閉合、電感器有電流通過時,該電路就相當於升壓電路;當電源開關斷開時,電感器開始放電,電流進入輸出電容和 LED。不過,輸出電壓不是正的,而是負的。此外,請注意本拓撲中不存在升壓轉換電路中出現的短路問題,因為其通過使電源開關Q1開(kai)路(lu),提(ti)供(gong)了(le)短(duan)路(lu)保(bao)護(hu)功(gong)能(neng)。該(gai)電(dian)路(lu)的(de)另(ling)一(yi)個(ge)特(te)性(xing)是(shi),雖(sui)然(ran)它(ta)是(shi)一(yi)個(ge)負(fu)的(de)輸(shu)出(chu),但(dan)並(bing)不(bu)需(xu)要(yao)對(dui)傳(chuan)感(gan)電(dian)路(lu)的(de)電(dian)平(ping)進(jin)行(xing)切(qie)換(huan)。在(zai)本(ben)設(she)計(ji)中(zhong),控(kong)製(zhi)芯(xin)片(pian)接(jie)地(di)到(dao)負(fu)的(de)輸(shu)出(chu),並(bing)且(qie)可(ke)直(zhi)接(jie)測(ce)量(liang)電(dian)流(liu)感(gan)測(ce)電(dian)阻(zu)R100上的電壓。盡管本例中僅顯示了一個LED,但是通過串聯可以連接許多LED。電壓的上限是控製芯片的最大額定電壓;輸入電壓加上輸出電壓的和不能超過該限值。

圖7 降壓/升壓電流可限製和處理廣泛的輸入範圍
關閉控製環路
關閉 LED 電源上的電流環路比關閉傳統電源上的電壓環路簡單。環路的複雜性取決於輸出濾波器的配置。圖8顯示了三種可能的配置:隻有一個簡單電感器的濾波器(A);一個典型的電源濾波器(B);以及一個修正後的濾波器(C)。

圖8 電位輸出濾波器設置
為每一個功率級都構建一個簡單的P-Spice模型,以闡明每一功率級控製特性的區別。降壓功率FET和二極管的切換建模為電壓控製的電壓源,增益為10dB,而LED則建模為與6V電壓源串聯的3W電阻。在LED和接地之間添加了一個1W的電阻,用於對電流進行感測。在電路A中,該響應來自穩定的一階係統。DC增益由電壓控製的電壓源確定,LED電阻和電流感測電阻構成了分壓器,係統的極性由輸出電感和電路電阻決定,補償電路則由類型2放大器構成。電路 B 由於增加了輸出電容,因此有二階響應。若 LED 的紋波電流過大並達到難以接受的程度,則可能要求該輸出電容工作,這是由於 EMI 或熱量等問題的出現造成的。DC 增益與第一個電路一樣。不過,在輸出電感和電容確定的頻率處有一對複極點。
濾波器的總相移為180.若沒有很好地設計補償電流,可能會導致係統不穩定。補償電流的設計與傳統電壓模式電源類似,傳統電壓模式電源要求有一個類型3的放大器。與電路 A 相比,補償電路增加了兩個組件以及一個輸出電容。在電路 3 中對輸出電容進行重定位,以便更容易對電路進行補償。LED 的紋波電壓與電路 B 類似,所不同的是,電感的紋波電流流過電流感測電阻 R105。因此,在計算功耗時也要考慮到這一部分。該電路有一個零點,一對極點,並且其補償設計與電路 A 一樣簡單,DC 增益也與前兩個電路相同。該電路的電容和 LED 串聯電阻引入了一個零點,並擁有兩個極點,一個由輸出電容和電流感測電阻確定;另一個則由電流感測電阻和輸出電感確定。在高頻率時,其響應與電路 A 一樣。
調光
通常需要對 LED 進行調光。例如,需要調節顯示器或建築照明的亮度。實現上述目標有兩種方法:降低 LED 的電流,或快速對 LED 進行開關操作。更有效率的方法是降低電流,因為光輸出並不完全與電流呈線性關係,並且,LED desepuzaidianliuxiaoyuedingzhishihuifashengbianhua。renmenduiliangdudeganzhishizhishuxingde,yinci,tiaoguangkenengxuyaoduidianliujinxinghendagenggai,zhehuiduidianlushejizaochenghendadeyingxiang。kaolvdaodianluderongcha,mandianliuzhigongzuoshi,3%的調節誤差可以造成10%負載時的30%或更高的誤差。通過電流波形的脈寬調製 (PWM) 進行調光更為準確,盡管這種方法存在響應速度問題。在照明和顯示器應用上,PWM頻率高於 100Hz,以使肉眼感覺不到閃爍。10% 的脈衝寬度在ms量級內,並要求電源的帶寬大於 10kHz,此項工作可以通過圖8(A 與 C)中簡單的環路完成。圖9為帶 PWM 調光功能的降壓功率級電路。在本例中,LED 輕鬆地閉合/斷開電路。通過這種方式,控製環路總是處於激活狀態,並實現了極快的瞬態響應。

圖9 Q1 用於PWM LED電流
結語
雖然 LED 的應用日益流行,但還有許多電源管理問題亟待解決。在需要高度可靠性和安全性的車載市場上,LED 器件得到了廣泛的應用。車載電氣係統對電源質量要求很高,因此,必須設計保護電路,以避免在電壓超過 60V 時出現“拋負載”現象。建築 LED 的電源設計問題也很多,需要進行功率因數矯正,以及對電流和亮度的控製。另外,LED 正被集成於投影和電視等產品中,此類產品要求快速的響應、良好的電流控製,以及完美的開關控製,這些都給設計人員提出了新的挑戰。
- 噪聲中提取真值!瑞盟科技推出MSA2240電流檢測芯片賦能多元高端測量場景
- 10MHz高頻運行!氮矽科技發布集成驅動GaN芯片,助力電源能效再攀新高
- 失真度僅0.002%!力芯微推出超低內阻、超低失真4PST模擬開關
- 一“芯”雙電!聖邦微電子發布雙輸出電源芯片,簡化AFE與音頻設計
- 一機適配萬端:金升陽推出1200W可編程電源,賦能高端裝備製造
- 從機械執行到智能互動:移遠Q-Robotbox助力具身智能加速落地
- 品英Pickering將亮相2026航空電子國際論壇,展示航電與電池測試前沿方案
- 模擬芯片設計師的噩夢:晶體管差1毫伏就廢了,溫度升1度特性全飄
- 3A大電流僅需3x1.6mm?意法半導體DCP3603重新定義電源設計
- 芯科科技Tech Talks與藍牙亞洲大會聯動,線上線下賦能物聯網創新
- 車規與基於V2X的車輛協同主動避撞技術展望
- 數字隔離助力新能源汽車安全隔離的新挑戰
- 汽車模塊拋負載的解決方案
- 車用連接器的安全創新應用
- Melexis Actuators Business Unit
- Position / Current Sensors - Triaxis Hall




