基於公用電話網(PSTN)的智能路燈控製器設計
發布時間:2011-01-21 來源:維庫電子市場網
中心議題:
- 智能路燈控製器硬件電路設計與功能描述
- 智能路燈控製器係統軟件設計
摘要:隨著城市現代化建設步伐不斷加快,傳統的路燈控製器,存在難以集中管理、浪費電能等缺點。因此使用自動化程度高、運行可靠、高效節能、維護方便、具備遠程監控功能的智能路燈控製器成為了路燈控製和管理的發展趨勢。本文利用AT89S8252單(dan)片(pian)機(ji)為(wei)核(he)心(xin)設(she)計(ji)了(le)基(ji)於(yu)公(gong)用(yong)電(dian)話(hua)網(wang)智(zhi)能(neng)路(lu)燈(deng)控(kong)製(zhi)器(qi)的(de)硬(ying)件(jian)電(dian)路(lu)與(yu)軟(ruan)件(jian)流(liu)程(cheng),該(gai)路(lu)燈(deng)控(kong)製(zhi)器(qi)性(xing)能(neng)穩(wen)定(ding),工(gong)作(zuo)可(ke)靠(kao),消(xiao)除(chu)了(le)傳(chuan)統(tong)控(kong)製(zhi)方(fang)法(fa)的(de)弊(bi)端(duan),為(wei)城(cheng)市(shi)路(lu)燈(deng)控(kong)製(zhi)提(ti)供(gong)了(le)理(li)想(xiang)的(de)應(ying)用(yong)方(fang)案(an)。
1 引言
隨著各城市對路燈照明的重視, 路燈照明的管理、監測、控kong製zhi和he維wei護hu的de工gong作zuo量liang增zeng大da,人ren力li物wu力li資zi源yuan有you限xian的de問wen題ti日ri益yi突tu出chu。為wei提ti高gao路lu燈deng管guan理li效xiao率lv,需xu要yao一yi種zhong新xin型xing的de路lu燈deng遠yuan程cheng監jian控kong係xi統tong。目mu前qian,遠yuan程cheng監jian控kong係xi統tong通tong常chang采cai用yong上shang下xia位wei拓tuo撲pu結jie構gou,而er且qie下xia位wei機ji經jing常chang為wei無wu人ren職zhi守shou形xing式shi。遠yuan程cheng監jian測ce係xi統tong中zhong通tong信xin采cai用yong的de物wu理li鏈lian路lu有you: 現場總線形式, 如CAN、RS-422/485 等;Internet 形式;PSTN(公用電話網)形式。現場總線形式受通信距離的約束,遠程能力有限,例如CAN 總線的直接通信距離最大為10Km,第2 和第3 兩種形式,雖在距離上沒有限製,但對硬件的要求和實現的途徑各不相同。從目前的技術條件及從通信距離、實時性、可靠性與安全性等諸多方麵的綜合*價,基於公用電話網(PSTN)的遠程監控係統更適合一些。故針對路燈管理處設備陳舊、可靠性差、設備有限、投資少、故障多、線路多、管理維護不方便等情況,選擇 PSTN 通訊方式,設計開發基於AT89S8252 智能路燈控製器, 對城市路燈運行狀態進行遠程智能監控。
智能路燈控製器是係統的主要組成部分。它關係到上位機與路燈控製器的信息交互, 是係統信息交換的樞紐。智能路燈控製器既可以起到上傳下達的作用,也可以單獨對路燈進行控製。它與上位機是采用PSTN 通信,完成控製器運行數據的傳輸。這樣既可以實現遠程通信,也可以節約線路成本。控製更為精細。係統構架如圖1所示。
遠程監控係統構架圖

圖1 遠程監控係統構架圖
2 智能路燈控製器硬件電路設計與功能描述
2.1 測量電路
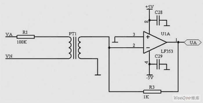
在測量電路中, 采樣電路需要采集三相電壓信號和四相電流信號(包括零線電流) 。本係統采用直流采樣法。電壓變化電路如圖2 所示。
電壓變換電路

圖2 電壓變換電路
圖2 中PT1 是一種電流型電壓互感器,A 相輸入電壓經限流電阻R1(100K),使PT1 初級(原邊)的額定電流為2.
[page]
2mA,次級(副邊)會產生一個相同的電流。通過運算放大器(LF353),用戶可以通過調節反饋電阻R3 的值在輸出端得到所要求的電壓輸出。以標準工頻電壓220V 為例,可以算出轉換後A 相電壓有效值為:,轉換後的電壓信號滿足各元器件的輸入電壓要求。
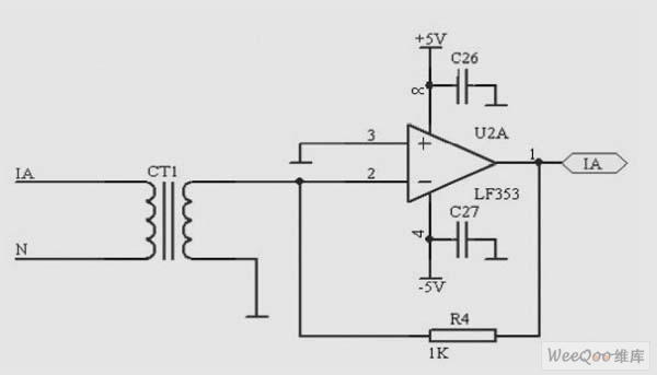
電流變換電路采用精密電流互感器CTY205A(CT1),電流變化電路如圖3 所示。
電流變換電路

圖3 電流變換電路
通過運算放大器(LF353)的作用,用戶可以調節反饋電阻R4 的值在輸出端得到所要求的電壓輸出。以電流(交流值AC)5A 為例,電流互感器轉換出來的電流信號為:,轉換後的電流信號滿足係統各元器件的輸入電壓要求。
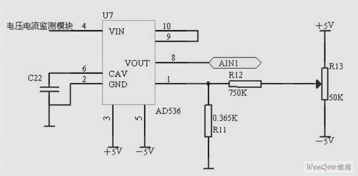
電壓電流經互感器變換, 輸入雙四選一譯碼器, 微處理器通過控製電壓、電流值進行多路轉換。選用LF353 連接成射極跟隨器,起到隔離、跟隨的作用。多路轉換模塊如圖4 所示。電壓電流監測模塊選用有效值轉換芯片AD536 計算輸入的複雜的交流值AC 的均方根值, 輸出一個等效的直流值D C 。再輸入係統中的ADC 轉換電路。電壓電流監測模塊如圖5 所示。
多路轉換模塊

圖4 多路轉換模塊
電壓電流監測模塊

圖5 電壓電流監測模塊
[page]
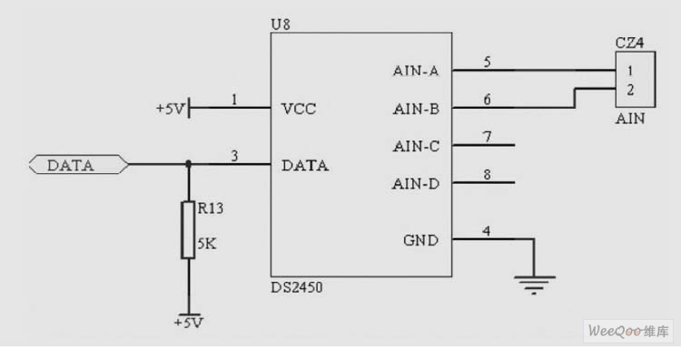
電壓電流監測模塊所采集的兩路信號需經過模數轉換器變換後輸入控製器,因此選用DS2450 模數轉換接口芯片。DS2450 是DALLAS 公司生產的一線式4 通道逐次逼近式A/D 轉換器,其輸入電壓範圍、轉換精度位數、報警門限電壓可編程;每個通道有各自的存儲器以存儲電壓範圍設置、轉換結果、門限電壓等參數;普通方式下串行通信速率達16.3kbps,超速工作時速率達142kbps,片內16 位循環冗餘校驗碼生成器可用於檢測通信的正確性;DS2450 采用8 引腳SOIC 小體積封裝形式, 既可用單5V 電源供電, 也可采用寄生電源方式供電。電路正常工作時僅消耗2. 5mW 功率,不工作時消耗25 μW。CPU 隻需一根端口線就能與諸多一線式芯片通信, 占用微處理器的端口較少, 可節省大量的引線和邏輯電路。模數轉換接口電路如圖6 所示。
模數轉換接口電路

圖6 模數轉換接口電路
2.2 顯示與時鍾電路
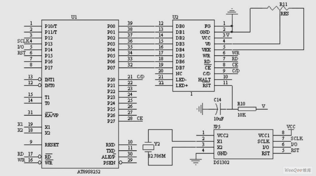
控製器具有良好的人機交互能力,采用160x128 點陣帶背光LCD 顯示屏,可顯示漢字和西文字符。驅動部分是T6963C 控製液晶顯示驅動係統的接口[5]。它由液晶顯示時序發生器、圖形數據鎖存器、文本數據鎖存器、顯示選擇器、串行傳輸電路以及液晶顯示數據輸出接口等組成。操作人員可按照LCD 顯示屏的提示,通過按鍵設置開關路燈控製方案、運行控製數據、狀態數據等,智能路燈控製器運行時,比照開關路燈時間與DS1302 的時間信息,驅動路燈動作,能夠有效節約係統建設投資,取代現有鍾控製器、光控製器。顯示與時鍾電路如圖7 所示。
顯示與時鍾電路

圖7 顯示與時鍾電路
[page]
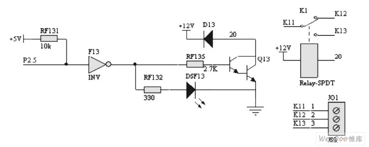
2.3 輸出電路
控製器將P2.1-P2.5 口作為路燈控製輸出的IO 口,輸出電路中應用反向器驅動達林頓管, 達林頓管的集電極和發射極之間連接正泰12V 5A 繼電器,將繼電器的三個無源觸點引出, 配合外圍接觸器驅動路燈。電路利用發光二級管作為通電指示。路燈驅動電路如圖8 所示。
路燈驅動電路

圖8 路燈驅動電路
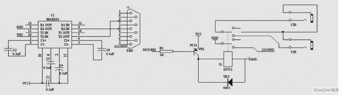
2.4 MODEM通信接口設計
遠程控製係統的關鍵模塊是通信模塊,基於PSTN 遠程係統的關鍵則是調製解調器(MODEM)通信接口模塊。
係統采用上、下位主從結構設計,上位機為主叫方,下位機為被叫方。上位機以定時循檢或隨即抽檢兩種方式獲取各下位機采集到的數據。定時循檢:係統每隔十分鍾(時間可隨意設定)對各個下位機控製器進行電壓、電dian流liu數shu據ju采cai集ji,並bing把ba該gai數shu據ju存cun儲chu到dao上shang位wei機ji中zhong。隨sui即ji抽chou檢jian通tong過guo微wei機ji鍵jian盤pan或huo鼠shu標biao操cao作zuo可ke隨sui時shi檢jian測ce各ge個ge下xia位wei機ji控kong製zhi器qi的de運yun行xing數shu據ju,並bing能neng通tong過guo指zhi令ling改gai變bian下xia位wei機ji控kong製zhi器qi的de運yun行xing狀zhuang態tai。MODEM通信接口電路設計如圖9 所示。從圖中可知,RS-232 的接收端與連MODEM的DB9 的第2 腳相連,發送端與DB9 的第3腳相連,實現“三線式”遠程通信。在MODEM的接口電路設計中,為了防止MODEM可能無法掛機而無法響應微處理器傳來的複位命令。引入 MODEM電源控製電路,當下位機每次響應呼叫並正確發送數據後,由程序控製MODEM端口改變9012 三極管的狀態,完成MODEM的陰陽極同時開關控製。由於調製解調器的供電功率一般在9W以下,因此采用OMROM G5V-2 小型繼電器,該繼電器可靠性高,工作電壓為5V,與單片機係統接口簡單。
MODEM 通信接口電路

圖9 MODEM 通信接口電路
3 係統軟件設計
在編寫係統軟件時, 應當對整個軟件流程進行清晰的描述, 以便在進行程序編寫時有很明晰的框架接口,以使得軟件編程高效化, 維護規範化, 以及最大化的可擴展性。對於本係統的軟件的被控對象有以下幾個:
對於外部對象:1)時鍾電路;2)外部中斷;3)AD 芯片轉換處理;4)顯示與鍵盤操作。對於內部操作:1)串行口通信事務的處理;2)輸出電路的處理。
對受控對象進行分析, 就可以劃分出兩類基本流程,一種是可預測的基本事務流程:從上電開始的初始化→時鍾數據讀取→對基本事務的處理→顯示處理→循環等待外部中斷。第二種是不可預測的中斷事務處理:1)來自於鍵盤的中斷事務;2)來自於串行口的中斷事務;對於中斷事務的處理是不具有完全可預測的但是應當是有規律並且是完全可控的。在基本事務流程中,中斷事務的處理所占的CPU 時間應當是很少的一個部分,並且各個中斷之間的同時發生的概率不能太大。按照上述分析,利用KEILCX51 所開發智能路燈控製器的主程序流程如圖10 所示。
主程序流程圖

圖1 0 主程序流程圖
4 結束語
基於公用電話網(PSTN)的智能路燈控製器的技術突破點在於, 利用測試技術、單片機技術、公用電話網通信技術實現對城市路燈運行狀態的遠程智能控製。在微處理器選擇上采用AT89S8252 單片機,內部含有的看門狗定時器(WDT),能(neng)滿(man)足(zu)係(xi)統(tong)無(wu)人(ren)職(zhi)守(shou)條(tiao)件(jian)下(xia)自(zi)恢(hui)複(fu)運(yun)行(xing)和(he)監(jian)視(shi)運(yun)行(xing)狀(zhuang)態(tai)的(de)要(yao)求(qiu),工(gong)作(zuo)性(xing)能(neng)可(ke)靠(kao)。智(zhi)能(neng)路(lu)燈(deng)控(kong)製(zhi)器(qi)使(shi)用(yong)方(fang)便(bian),製(zhi)造(zao)成(cheng)本(ben)合(he)理(li),維(wei)護(hu)較(jiao)容(rong)易(yi)。在(zai)試(shi)驗(yan)條(tiao)件(jian)下(xia), 對於智能路燈控製器的各項測試都得到了滿意的結果, 為其進一步的推廣與應用提供了有利參考。
- 噪聲中提取真值!瑞盟科技推出MSA2240電流檢測芯片賦能多元高端測量場景
- 10MHz高頻運行!氮矽科技發布集成驅動GaN芯片,助力電源能效再攀新高
- 失真度僅0.002%!力芯微推出超低內阻、超低失真4PST模擬開關
- 一“芯”雙電!聖邦微電子發布雙輸出電源芯片,簡化AFE與音頻設計
- 一機適配萬端:金升陽推出1200W可編程電源,賦能高端裝備製造
- 突破工藝邊界,奎芯科技LPDDR5X IP矽驗證通過,速率達9600Mbps
- 通過直接、準確、自動測量超低範圍的氯殘留來推動反滲透膜保護
- 從技術研發到規模量產:恩智浦第三代成像雷達平台,賦能下一代自動駕駛!
- 從機械執行到智能互動:移遠Q-Robotbox助力具身智能加速落地
- 品英Pickering將亮相2026航空電子國際論壇,展示航電與電池測試前沿方案
- 車規與基於V2X的車輛協同主動避撞技術展望
- 數字隔離助力新能源汽車安全隔離的新挑戰
- 汽車模塊拋負載的解決方案
- 車用連接器的安全創新應用
- Melexis Actuators Business Unit
- Position / Current Sensors - Triaxis Hall




