一款帶PFC的初級端調節反激式LED驅動
發布時間:2014-05-21 來源:電子工程專輯 責任編輯:sherryyu
【導讀】消費電子市場需要功耗低、尺寸小且成本超低的電源/驅動,另外,由於對電能質量要求不斷提高,在這些設備上使用功率因數校正(PFC)電路幾乎是必須的。而反激因為簡單而成為對這些應用最具吸引力的拓撲。本文就介紹一款帶PFC的初級端調節反激式LED驅動設計。
消費電子市場(特別是LED驅動市場)最近幾年發展迅速。這些市場需要功耗低、尺寸小且成本超低的電源/驅動。另外,由於對電能質量要求不斷提高,在這些設備上使用功率因數校正(PFC)電路幾乎是必須的。今天,在多種不同電路中,反激因為簡單而成為對這些應用最具吸引力的拓撲。它使用一個開關提供絕緣、啟動以及各種其他保護。在非連續導通模式下工作時,通過簡單的恒定導通時間控製,可使功率因數為1。
傳統上,用於LED的恒流LED驅動使用隔離反激式轉換器實施,該轉換器具有輸出電流調節電路,如圖1所示。實際LEDdianliushiyonggancedianzuceliang,ranhouyuyucankaodianyajinxingbijiao,shengchengwuchadianya。wuchadianyatongguoguangdianouheqichuanshudaochujiduan,bingyongyukongzhichujiduankaiguanqijiandezhankongbi。suiranzhekeyishixianzhuoyuedeLED電流調節,但輸出調節電路要求使用光電耦合器、基準電壓以及感測電阻,從而增加係統成本並降低整體效率。

圖1:傳統次級端調節LED驅動
初級端調節(PSR)可以成為最小化LED驅動成本的最佳解決方案。此技術僅使用驅動器初級端的信息便可精確控製次級端的LED電流。它不僅消除了輸出電流感測損耗,還減少了所有次級反饋電路。這有利於獲得更高效率的離線LED驅動設計,且無需巨大成本。此技術無需次級反饋電路便可調節LED驅動器輸出電壓,可做開路過壓保護,確保驅動器具有更佳的可靠性。

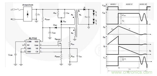
圖2:初級端調節LED驅動及其典型波形
圖2xianshideshichujiduantiaojiefanjishizhuanhuanqidejianhuadianlutujiqidianxinggongzuoboxing。chujiduantiaojiedeguanjianzaiyuhuodeshuchudianyahedianliuxinxi,qiewuxuzhijiegance。
在二極管導通時間期間,輸出電壓與二極管正向壓降之和反射到輔助繞組為(VO+VF)*Na/Ns。通過在二極管導通時間結束時對繞組電壓進行采樣,可以獲得輸出電壓信息。輸出電流(Io)可使用MOSFET的峰值漏極電流(Ipk)以及電感電流的放電時間(tDIS)來估算,因為在穩態下,輸出電流(Io)與二極管電流(ID)的平均值相同。輸出電流估算通過峰值檢測電路來確定漏極電流的峰值,並利用電感放電時間和開關周期(ts)來計算輸出電流。將此輸出信息與內部精確參考電壓進行比較,產生誤差電壓(VCOMI),它可以確定MOSFET的占空比。使用Fairchild的創新TRUECURRENT技術,可精確控製恒定輸出電流。

利用探測到的輸出電壓和電流信息,可通過傳統的反饋補償方法完成控製。對於初級端調節,通常優先使用非連續導通模式(DCM)操作。它具有更佳的輸出調節以及單位輸入功率因數(PF)。
相關閱讀:
特別推薦
- 噪聲中提取真值!瑞盟科技推出MSA2240電流檢測芯片賦能多元高端測量場景
- 10MHz高頻運行!氮矽科技發布集成驅動GaN芯片,助力電源能效再攀新高
- 失真度僅0.002%!力芯微推出超低內阻、超低失真4PST模擬開關
- 一“芯”雙電!聖邦微電子發布雙輸出電源芯片,簡化AFE與音頻設計
- 一機適配萬端:金升陽推出1200W可編程電源,賦能高端裝備製造
技術文章更多>>
- 築基AI4S:摩爾線程全功能GPU加速中國生命科學自主生態
- 一秒檢測,成本降至萬分之一,光引科技把幾十萬的台式光譜儀“搬”到了手腕上
- AI服務器電源機櫃Power Rack HVDC MW級測試方案
- 突破工藝邊界,奎芯科技LPDDR5X IP矽驗證通過,速率達9600Mbps
- 通過直接、準確、自動測量超低範圍的氯殘留來推動反滲透膜保護
技術白皮書下載更多>>
- 車規與基於V2X的車輛協同主動避撞技術展望
- 數字隔離助力新能源汽車安全隔離的新挑戰
- 汽車模塊拋負載的解決方案
- 車用連接器的安全創新應用
- Melexis Actuators Business Unit
- Position / Current Sensors - Triaxis Hall
熱門搜索
微波功率管
微波開關
微波連接器
微波器件
微波三極管
微波振蕩器
微電機
微調電容
微動開關
微蜂窩
位置傳感器
溫度保險絲
溫度傳感器
溫控開關
溫控可控矽
聞泰
穩壓電源
穩壓二極管
穩壓管
無焊端子
無線充電
無線監控
無源濾波器
五金工具
物聯網
顯示模塊
顯微鏡結構
線圈
線繞電位器
線繞電阻





