新型LED驅動器IC發力:大功率汽車LED前燈的實現
發布時間:2014-12-31 責任編輯:echolady
【導讀】驅動器在汽車設計中作為關鍵應用而存在。尤其是LED,例如汽車前燈、刹車燈、白天行車燈、儀表顯示板背光照明以及車內梳妝照明等。本文將為你解析一種新型驅動器IC實現了大功率汽車LED前燈。
汽車照明係統設計師麵臨的最大挑戰之一是怎樣充分發揮最新一代HB LED的所有優勢。HB LED一般需要一個準確和高效率的直流電流源和一種調光方法。LED驅動器IC設計必須能夠在多種條件下滿足這些要求。因此,電源轉換解決方案必須效率非常高、功能非常可靠,同時必須非常緊湊,並具有很高的性價比。可以說,就驅動HB LED而言,要求最嚴苛的應用之一就是汽車前燈應用,因為這類應用須承受嚴苛的汽車電氣環境的考驗,必須提供很大的功率(一般情況下為50W~75W),必須能夠放進熱量和空間都受限的外罩中,與此同時還必須保持富有吸引力的成本結構。
汽車LED前燈
尺寸小、壽命極長、低功耗、強大的調光能力等優勢是HB LED前燈得到廣泛采用的催化劑。幾年前,奧迪、戴姆勒、雷克薩斯等汽車製造商都開始采用LED,以設計非常與眾不同的行車燈或前燈的“眉毛”,以此彰顯其品牌的與眾不同。在謳歌的寶石眼設計、保時捷的4象限設計以及無數新出現的設計中,LED前燈設計都體現了類似的趨勢。
將LED用於汽車前燈有幾種積極影響。首先,這種前燈不需要更換,因為其固態器件壽命超過10萬小時(11.5年使用年限),這超過了車輛的使用壽命。因此汽車製造商可以永久性地將LED嵌入到前燈設計中,而無需考慮更換問題。這使前燈的款式能夠有很大的變化,因為LED照明係統不需要氙氣燈(HID)或鹵素燈那樣的深度或麵積。在靠輸入電功率提供光輸出(以流明為單位)時,HB LED的效率也比鹵素燈高(而且不久就將高於HID ) 。這有兩個方麵的積極影響。
首先,LED照明係統從汽車總線消耗的電功率較低,這在電動型汽車和混合動力汽車中尤其重要,而同等重要的是,LED照明係統減少了需要從外殼散出的熱量,從而無需任何笨重、昂貴的散熱裝置。最後,通過使用HB L E D陣列,並以電子方式改變其方向或對其進行調光,這樣的解決方案可設計成在很多不同的行駛條件下優化照明。
設計參數
為了確保最佳性能和較長的工作壽命,LED需要一種有效的驅動電路。這類驅動器IC必須提供準確的直流電流源,而且無論輸入電源的變化範圍有多寬,都要提供嚴格控製的LED電壓調節。汽車電池總線中見到的極端電壓範圍為冷發動/啟停情況下的4.7V至負載突降情況下的60V。但更常見的是,電池總線電壓在通常情況下工作在9V~16V。因為很多這類新型LED前燈應用使用4至8個串聯HB LED,且電壓降為12V~25V,而電池總線電壓範圍可能為4.7V~60V,所以需要升降壓拓撲給LED供電,其原因是輸入電壓可能高於、低於或等於所需的LED串電壓。其次,LED驅動器必須提供一種調光方法,並提供多種保護功能,以防遭遇LED開路或短路問題。除了可在電氣環境十分嚴苛的汽車電源總線可靠工作,LED驅動器還必須具備高性價比和占用空間小的特點。
[page]
一種新型同步升降壓HB LED驅動器
LED驅動器LT3791是一款同步升降壓DC/DC LED驅動器和電壓控製器,可提供超過100W的LED功率。其4.7V~60V輸入電壓範圍使該器件非常適合多種應用,包括汽車、卡車,甚至航空電子設備的HB LED前燈。同樣,其輸出電壓可以在0V~60V範圍內設置,從而使其能夠在單串中驅動多個LED。
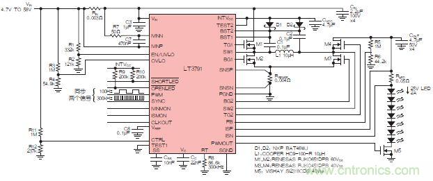
圖1所示為一個典型50W前燈應用。該應用使用單個電感準確地調節25V/2ALED串,提供50W LED功率。這個電路提供50:1 PWM調光比,能很好地滿足防眩光自動調光要求。輸入和輸出LED電流受到監視,同時提供故障保護,以承受並報告開路或短路LED情況。

圖1:具50:1調光比、效率達98%的50W(25V、2A)升降壓LED驅動器。
其內部4開關升降壓控製器能夠在高於、低於或等於輸出電壓的輸入電壓下工作,非常適合汽車應用。降壓、直通和升壓工作模式之間的轉換是無縫的,盡管電源電壓變化範圍很寬,也能提供良好穩定的輸出。LT3791的獨特設計采用3個控製環路,監視輸入電流、LED電流和輸出電壓,從而提供最佳的性能和可靠性。
LT3791采用4個外部開關MOSFET,能夠以高達98%的效率連續提供從5W直至超過100W的LED功率,參見圖2。zaiyichangguifangfagongdiandecheliangzhong,gaoxiaolvhenzhongyao,kezuidaxiandujiangdiduisanrecuoshidexuqiu,shixianzhanbanmianjifeichangjincoudebianpingjiejuefangan。erzaidiandongqichezhong,zhezhonggonglvjieshenghaiyanchangleliangcichongdianzhijiancheliangkexingshidelicheng。

圖2:圖1中的LED效率。
±6%的LED電流準確度確保了一個LED串中的每個LED都有恒定亮度,同時,±2%的輸出電壓準確度可用來提供幾種LED保護功能,而且還使轉換器能夠作為恒定電壓源工作。LT3791可按照應用要求,使用模擬或PWM調光。此外,其開關頻率可在200kHz~700kHz設定,或同步至一個外部時鍾。其他功能包括輸出斷開、輸入和輸出電流監視,以及集成的故障保護。相關閱讀:
高亮度、低成本的LED驅動初級端調節技術
可延長14min的太陽能LED驅動器電路設計
突破進展:LED驅動電路實現多通道設計
特別推薦
- 噪聲中提取真值!瑞盟科技推出MSA2240電流檢測芯片賦能多元高端測量場景
- 10MHz高頻運行!氮矽科技發布集成驅動GaN芯片,助力電源能效再攀新高
- 失真度僅0.002%!力芯微推出超低內阻、超低失真4PST模擬開關
- 一“芯”雙電!聖邦微電子發布雙輸出電源芯片,簡化AFE與音頻設計
- 一機適配萬端:金升陽推出1200W可編程電源,賦能高端裝備製造
技術文章更多>>
- 一秒檢測,成本降至萬分之一,光引科技把幾十萬的台式光譜儀“搬”到了手腕上
- AI服務器電源機櫃Power Rack HVDC MW級測試方案
- 突破工藝邊界,奎芯科技LPDDR5X IP矽驗證通過,速率達9600Mbps
- 通過直接、準確、自動測量超低範圍的氯殘留來推動反滲透膜保護
- 從技術研發到規模量產:恩智浦第三代成像雷達平台,賦能下一代自動駕駛!
技術白皮書下載更多>>
- 車規與基於V2X的車輛協同主動避撞技術展望
- 數字隔離助力新能源汽車安全隔離的新挑戰
- 汽車模塊拋負載的解決方案
- 車用連接器的安全創新應用
- Melexis Actuators Business Unit
- Position / Current Sensors - Triaxis Hall
熱門搜索
按鈕開關
白色家電
保護器件
保險絲管
北鬥定位
北高智
貝能科技
背板連接器
背光器件
編碼器型號
便攜產品
便攜醫療
變容二極管
變壓器
檳城電子
並網
撥動開關
玻璃釉電容
剝線機
薄膜電容
薄膜電阻
薄膜開關
捕魚器
步進電機
測力傳感器
測試測量
測試設備
拆解
場效應管
超霸科技





