由555組成的單穩態觸發器
發布時間:2019-09-08 責任編輯:wenwei
【導讀】單穩態觸發器在數字電路中一般用於定時(產生一定寬度的矩形波),整形(把不規則的波形變為幅度和寬度都相等的脈衝)及延時(將輸入信號延遲一定時間後輸出)等。
1. 555集成定時器
常用的555定時器有TTL定時器5G555和CMOS定時器CC7555等。
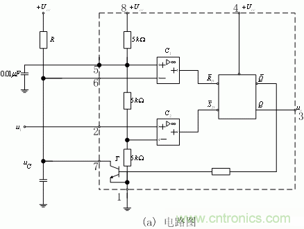
555集成定時器是一種模擬電路和數字電路相結合的中規模集成電路,其電路如下圖所示。

555定時器含有兩個電壓比較器C1和C2,一個由“與非“門組成的基本RS觸發器,一個放電晶體管T以及由三個5KΩ的電阻組成的分壓器。比較器C1的參考電壓為
,加在同相輸入端;C2的參考電壓為
,加在反相輸入端。兩者均由分壓器上取得。
各外引線端的功能是:
1為接地端.
2為低電平出發端,由此輸入觸發脈衝。當2端的輸入電壓高於1/3UCC時,C2的輸出為“1“;當輸入電壓低於1/3UCC時,C2的輸出為”0“,使基本RS觸發器置”1“。
6為高電平觸發端,由此輸入觸發脈衝。當輸入電壓低於2/3UCC時,C1的輸出為“1“;當輸入電壓高於2/3UCC時,C1的輸出為”0“,使觸發器置”0“。
4為複位端,由此輸入負脈衝(或使其電壓低於0.7伏)而使觸發器直接複位(置“0“)。
5為電壓控製端,在此端可外加一電壓以改變比較器的參考電壓。不用時,經0.0.1uF的電容接“地“,以防止幹擾的引入。
7為放電端,當觸發器的Q端為“1“時,放電晶體管T導通,外接電容元件通過T放電。
3為輸出端,輸出電流可達200mA,因此可直接驅動繼電器,發光二極管,揚聲器,指示燈燈。輸出高電壓約低於電源電壓UCC1-3V。
8為電源端,可在5-18V範圍內使用。
2. 由555定時器組成的單穩態觸發器
下圖是由555定時器組成的單穩態觸發器。R和C是外接元件,觸發脈衝由2端輸入。
工作原理:當觸發脈衝尚未輸入時,u1為“1”,其值大於
1/3Ucc,故比較器C2的輸出為“1”。在穩定狀態時觸發器狀態:
若Q=0, Q=1,則晶體管T飽和導通,uc=UCE(sat)其值遠低於2/3Ucc,故比較器C1的輸出也為“1”,觸發器的狀態保持不變。
若Q=1, Q=0,則晶體管截止,Ucc通過R對電容C充電,當uc上升略高於2/3Ucc時,比較器C1的輸出為“0”,將觸發器置“0”,翻轉為Q=0, Q=1。
可見,在穩定狀態時Q=0,即輸出電壓u0為“0”。
在t1時刻,輸入觸發伏脈衝,其幅度低於1/3Ucc,故C2的輸出為“0”,將觸發器置“1”,u0由“0”變為“1”,電路進入暫穩狀態。這時因Q=0,晶體管截止,電源對電容C充電。雖然在t2時刻觸發脈衝已消失,C2的輸出變為“1”,但充電繼續進行,直到uc上升略高於2/3Ucc時(在t3時刻),C1的輸出為“0”,從而使觸發器自動翻轉到Q=0, Q=1的穩定狀態。此後電容C迅速放電。
輸出的是矩形脈衝,其寬度(暫穩狀態持續時間)
tp=RCln3=1.1RC
結論:
1) 改變RC值,可改變脈衝寬度,從而可以進行定時控製。

2) 輸入脈衝的波形往往是不規則的,邊沿不陡,幅度不齊,不能直接輸入到數字裝置,需要單穩態觸發器或另外某種觸發器整形。

推薦閱讀:
特別推薦
- 噪聲中提取真值!瑞盟科技推出MSA2240電流檢測芯片賦能多元高端測量場景
- 10MHz高頻運行!氮矽科技發布集成驅動GaN芯片,助力電源能效再攀新高
- 失真度僅0.002%!力芯微推出超低內阻、超低失真4PST模擬開關
- 一“芯”雙電!聖邦微電子發布雙輸出電源芯片,簡化AFE與音頻設計
- 一機適配萬端:金升陽推出1200W可編程電源,賦能高端裝備製造
技術文章更多>>
- 一秒檢測,成本降至萬分之一,光引科技把幾十萬的台式光譜儀“搬”到了手腕上
- AI服務器電源機櫃Power Rack HVDC MW級測試方案
- 突破工藝邊界,奎芯科技LPDDR5X IP矽驗證通過,速率達9600Mbps
- 通過直接、準確、自動測量超低範圍的氯殘留來推動反滲透膜保護
- 從技術研發到規模量產:恩智浦第三代成像雷達平台,賦能下一代自動駕駛!
技術白皮書下載更多>>
- 車規與基於V2X的車輛協同主動避撞技術展望
- 數字隔離助力新能源汽車安全隔離的新挑戰
- 汽車模塊拋負載的解決方案
- 車用連接器的安全創新應用
- Melexis Actuators Business Unit
- Position / Current Sensors - Triaxis Hall
熱門搜索
按鈕開關
白色家電
保護器件
保險絲管
北鬥定位
北高智
貝能科技
背板連接器
背光器件
編碼器型號
便攜產品
便攜醫療
變容二極管
變壓器
檳城電子
並網
撥動開關
玻璃釉電容
剝線機
薄膜電容
薄膜電阻
薄膜開關
捕魚器
步進電機
測力傳感器
測試測量
測試設備
拆解
場效應管
超霸科技



