基於MATLAB的有源濾波器研究
發布時間:2008-11-01 來源:電子設計應用
中心議題:
- 以三相電路瞬時無功功率理論為基礎,建立有源濾波器模型
- 應用MATLAB對其在某煤礦主提升機諧波治理方麵的應用進行仿真驗證
解決方案:
- 采用有源濾波器,可根據每個設備負載無功的變化進行動態補償
- 諧波源模塊是根據主提升機房實際諧波測試數據建成
- 在低通濾波器能完全濾出交流分量的前提下,選用的階數應盡可能低,截止頻率盡可能高
引言
yiwangzaimeikuangdianwangxiebozhilifangmian,tongchangshibingjiewuyuanlvboqizu,duidianwangjinxinggudingshibuchang。youyutishengjiweiduanshixunhuangongzuozhidefuzai,yigetishengjixunhuanfenweijiasu、等速、減(jian)速(su)和(he)休(xiu)止(zhi)幾(ji)個(ge)工(gong)作(zuo)狀(zhuang)態(tai),各(ge)階(jie)段(duan)所(suo)需(xu)功(gong)率(lv)均(jun)不(bu)同(tong),另(ling)外(wai),許(xu)多(duo)分(fen)散(san)設(she)備(bei)的(de)運(yun)行(xing)周(zhou)期(qi)也(ye)有(you)差(cha)異(yi),而(er)電(dian)容(rong)器(qi)組(zu)隻(zhi)能(neng)輸(shu)出(chu)恒(heng)定(ding)無(wu)功(gong)功(gong)率(lv),導(dao)致(zhi)有(you)時(shi)無(wu)功(gong)不(bu)夠(gou),有(you)時(shi)過(guo)補(bu)現(xian)象(xiang)的(de)產(chan)生(sheng)。采(cai)用(yong)有(you)源(yuan)濾(lv)波(bo)器(qi),可(ke)根(gen)據(ju)每(mei)個(ge)設(she)備(bei)負(fu)載(zai)無(wu)功(gong)的(de)變(bian)化(hua)進(jin)行(xing)動(dong)態(tai)補(bu)償(chang),使(shi)設(she)備(bei)運(yun)行(xing)和(he)電(dian)網(wang)始(shi)終(zhong)處(chu)於(yu)最(zui)佳(jia)狀(zhuang)態(tai)。
有源濾波器包括三個部分:諧波檢測、驅qu動dong電dian路lu和he主zhu電dian路lu。有you源yuan濾lv波bo器qi的de關guan鍵jian是shi諧xie波bo電dian流liu的de檢jian測ce與yu補bu償chang控kong製zhi,本ben文wen以yi三san相xiang電dian路lu瞬shun時shi無wu功gong功gong率lv理li論lun為wei基ji礎chu,建jian立li了le有you源yuan濾lv波bo器qi模mo型xing,並bing應ying用yongMATLAB對其在某煤礦主提升機諧波治理方麵的應用進行了仿真驗證。
MATLAB仿真模型的建立
本文的設計使用了MATLAB的POWERLIB工具箱、DSP 工具箱和SIMULINK仿真模塊,以建立該有源濾波器各部分的仿真模型。
有源濾波器的仿真模型
該有源濾波器主要由諧波電流檢測電路、驅動電路、主電路、電容器和變壓器5大部分組成。變壓器的設置主要是為調節有源電力濾波器交流側電壓之用。其原理如圖1所示。其中的諧波源模塊是根據主提升機房實際諧波測試數據建成的。

圖1 有源濾波器原理圖
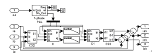
諧波檢測電路的仿真模型
諧波檢測電路如圖2所示。

圖2 諧波檢測電路模型
該方法中,需要用到與a相電網電壓ea同相位的正弦信號sin(wt)和對應的餘弦信號-cos(wt),它們由一個單相鎖相環得到。
因為APF要求實時性高,能隨時跟蹤諧波電流的變化,而低通濾波器是整個係統中決定實時性的一個重要因素。因此在選用LPF時,一定要兼顧動態響應速度與截止頻率,應遵從以下原則:在低通濾波器能完全濾出交流分量的前提下,選用的低通濾波器階數應盡可能低,截止頻率盡可能高。本文選用巴特沃斯LPF,其階數取為2,截止頻率fc選為20Hz。
由於基於ip、iq運算方式的諧波檢測方法隻有sin(wt)、cos(wt)參與計算,電壓的諧波成分不參與計算,因此,無論電網電壓是否畸變,本方法都能有效地檢測出諧波電流。這也是該方法優於基於p、q運算方式的諧波檢測方法的一個原因。
該方法電路簡單,但是對硬件的精度要求很高,為了降低對硬件精度的要求,提高係統的穩定性和控製精度,可在LPF後增加PI調節器。
驅動電路的仿真模型
由you於yu並bing聯lian型xing有you源yuan濾lv波bo器qi產chan生sheng的de補bu償chang電dian流liu應ying實shi時shi跟gen隨sui其qi指zhi令ling電dian流liu信xin號hao的de變bian化hua,要yao求qiu補bu償chang電dian流liu發fa生sheng器qi有you很hen好hao的de實shi時shi性xing,因yin此ci,電dian流liu控kong製zhi采cai用yong跟gen蹤zong型xingPWM控製方式。目前跟蹤型PWM控製的方法主要有兩種,即瞬時值比較方式和三角波比較方式。本文采用三角波比較方式。
主電路的仿真模型
有源電力濾波器的主電路是一個電壓型PWM變流器,其直流側電容值為1200F,由於容量小,故功率器件選用了電力MOSFET。
仿真結果分析

圖3 未加載有源濾波器時的電流波形和諧波

圖4 加載有源濾波器後的電流波形和諧波
抑製諧波的關鍵在於濾波器能夠實時地、準確地、快速地檢測出諧波。本文所提出的根據瞬時無功功率理論檢測諧波電流的方法, 能夠較好地滿足以上要求。由仿真的波形圖(見圖3和圖4) 可以總結出該有源濾波器具有如下特點:
(1) 從(cong)得(de)到(dao)的(de)仿(fang)真(zhen)結(jie)果(guo)可(ke)以(yi)看(kan)出(chu),有(you)源(yuan)濾(lv)波(bo)器(qi)對(dui)主(zhu)提(ti)升(sheng)機(ji)房(fang)供(gong)電(dian)電(dian)源(yuan)中(zhong)的(de)諧(xie)波(bo)有(you)著(zhe)明(ming)顯(xian)的(de)抑(yi)製(zhi)作(zuo)用(yong),使(shi)流(liu)入(ru)電(dian)網(wang)的(de)電(dian)流(liu)波(bo)形(xing)得(de)到(dao)明(ming)顯(xian)改(gai)善(shan),電(dian)源(yuan)電(dian)流(liu)的(de)畸(ji)變(bian)率(lv)由(you)原(yuan)來(lai)的(de)29.68%下降到3.31%,達到了補償和抑製諧波的目的。
(2) 有源濾波器的主電路采用MOSFET管,由於MOSFET管具有良好的可控性, 因此,該濾波器可以快速地反應波形的變化,這使得有源濾波器有良好的跟蹤性, 可實時地濾除諧波。
(3) 從有源濾波器的總體結構來看,該有源濾波器結構簡單,根據瞬時無功功率理論,可以設計出諧波檢測電路或應用DSP 芯片來實現電流檢測。這樣,不僅提高了運算的速度,而且降低了濾波器的損耗,經濟上是可行的。
結語
本文所設計的有源電力濾波器可以有效抑製電力電子裝置所產生的諧波,它與無源濾波器相比,具有更好的補償特性,在一些諧波成分複雜、多變的場合更具有優勢。實踐表明,MATLAB仿真軟件可以很容易地應用於電力係統仿真領域,是電力係統分析的有利工具。
- 噪聲中提取真值!瑞盟科技推出MSA2240電流檢測芯片賦能多元高端測量場景
- 10MHz高頻運行!氮矽科技發布集成驅動GaN芯片,助力電源能效再攀新高
- 失真度僅0.002%!力芯微推出超低內阻、超低失真4PST模擬開關
- 一“芯”雙電!聖邦微電子發布雙輸出電源芯片,簡化AFE與音頻設計
- 一機適配萬端:金升陽推出1200W可編程電源,賦能高端裝備製造
- 從機械執行到智能互動:移遠Q-Robotbox助力具身智能加速落地
- 品英Pickering將亮相2026航空電子國際論壇,展示航電與電池測試前沿方案
- 模擬芯片設計師的噩夢:晶體管差1毫伏就廢了,溫度升1度特性全飄
- 3A大電流僅需3x1.6mm?意法半導體DCP3603重新定義電源設計
- 芯科科技Tech Talks與藍牙亞洲大會聯動,線上線下賦能物聯網創新
- 車規與基於V2X的車輛協同主動避撞技術展望
- 數字隔離助力新能源汽車安全隔離的新挑戰
- 汽車模塊拋負載的解決方案
- 車用連接器的安全創新應用
- Melexis Actuators Business Unit
- Position / Current Sensors - Triaxis Hall



