采用安森美半導體解決方案滿足“能源之星”最新外部電源規範要求
發布時間:2009-02-13
中心議題:
電源是電子係統中必不可少的組件。除了電視和計算機等產品中所使用的內部電源轉換器,外部電源適配器也廣泛應用於手機、DSL調製解調器、打印機、筆記本電腦及遊戲機等領域,以至於一個普通家庭可能就會擁有少則三五個、多(duo)則(ze)逾(yu)十(shi)個(ge)的(de)電(dian)源(yuan)適(shi)配(pei)器(qi)。這(zhe)些(xie)適(shi)配(pei)器(qi)的(de)應(ying)用(yong)規(gui)模(mo)非(fei)常(chang)龐(pang)大(da),而(er)且(qie)其(qi)功(gong)率(lv)消(xiao)耗(hao)又(you)在(zai)一(yi)定(ding)程(cheng)度(du)上(shang)與(yu)用(yong)戶(hu)的(de)使(shi)用(yong)習(xi)慣(guan)密(mi)切(qie)相(xiang)關(guan)。例(li)如(ru),許(xu)多(duo)用(yong)戶(hu)在(zai)將(jiang)電(dian)源(yuan)適(shi)配(pei)器(qi)(或稱充電器)從應用端(如筆記本電腦)撥出後,仍將插頭插在牆式插座上,使其在不使用的情況下仍然消耗電流。
因此,電源適配器的工作能效及待機能耗成為美國環保署(EPA)“能源之星”等規範瞄準改善的目標。2008年11月開始生效的“能源之星”外部電源(EPS) 2.0版規範(簡稱EPA 2.0)就在1.1版基礎上提高了要求,如表1所示(Ln為額定輸出功率的自然對數)。例如,額定功率大於49 W的外部電源在標準工作模式的能效基準要求從0.84提到0.870,而交流-直流(AC-DC) EPS最大空載待機能耗也大幅降低。

表1:美國環保署“能源之星”外部電源的1.1及2.0版規範。
不同適配器的功率等級相關較大,如手機充電器的功率低至5 W,而遊戲機適配器功率則可達250 W。根據IEC61000-3-2等標準的要求,功率大於75 W的電源應用需要增加功率因數校正(PFC),低於75 W則無此要求。因此,我們就以75 W為界線,分別著重討論功率低於75 W適配器和高於75 W適配器滿足EPA 2.0新規範所需要的特性,以及能夠提供這些所需特性的安森美半導體高性能、高能效控製器示例。
功率低於75 W的適配器特性及控製器解決方案
對於功率低於75 W的適配器而言,在工作能效提升方麵,首先就需要考慮其損耗來源。事實上,其損耗主要包括兩個方麵,分別是開關損耗和門電荷(Qgate)損耗,這兩類損耗分別可以用等式(1)和等式(2)來量化:

從這兩個等式中可以看出,要提升能效,可以從開關頻率(FSW)及關閉時的漏極電壓(VDRAIN(turn-off))著手,即要降低開關頻率,特別是在輕載時可以采用頻率反走技術來實現;而通過采用穀底開關(valley switching)技術,也可以降低關閉時的漏極電壓。
而er在zai降jiang低di空kong載zai能neng耗hao方fang麵mian,可ke以yi首shou先xian分fen析xi出chu空kong載zai損sun耗hao主zhu要yao在zai於yu啟qi動dong電dian路lu中zhong的de靜jing態tai損sun耗hao,即ji在zai空kong載zai條tiao件jian下xia,啟qi動dong電dian阻zu仍reng會hui持chi續xu地di從cong大da電dian容rong消xiao耗hao電dian流liu,造zao成cheng功gong率lv損sun耗hao。而er降jiang低di啟qi動dong電dian路lu損sun耗hao的de途tu徑jing有you多duo種zhong,如ru采cai用yong具ju有you極ji低di啟qi動dong電dian流liu的de外wai部bu啟qi動dong電dian阻zu、采用關斷時泄漏電流極低的集成啟動電流源,以及連接啟動電路至半波整流交流輸入等。
作為全球領先的高性能、高(gao)能(neng)效(xiao)矽(gui)解(jie)決(jue)方(fang)案(an)供(gong)應(ying)商(shang),安(an)森(sen)美(mei)半(ban)導(dao)體(ti)提(ti)供(gong)兩(liang)種(zhong)新(xin)係(xi)列(lie)的(de)控(kong)製(zhi)器(qi),提(ti)供(gong)滿(man)足(zu)上(shang)述(shu)適(shi)配(pei)器(qi)工(gong)作(zuo)能(neng)效(xiao)提(ti)升(sheng)及(ji)空(kong)載(zai)能(neng)耗(hao)降(jiang)低(di)要(yao)求(qiu)的(de)特(te)性(xing)。其(qi)中(zhong)一(yi)係(xi)列(lie)控(kong)製(zhi)器(qi)是(shi)NCP1237、NCP1238、NCP1287和NCP1288,另一係列是NCP1379和NCP1380。其中,就NCP12xx係列的這四款新器件而言,它們屬於固定頻率控製器,帶集成啟動電流源,有助於降低空載輸入功率(即空載能耗);並采用頻率反走技術和跳周期模式,幫助降低輕載時的開關損耗及門電荷損耗,從而提升適配器工作能效。這幾款器件的開關頻率會在25 kHz時鉗位,從而消除可聽噪聲問題。

圖1:NCP1237/38/87/88在輕載時采用頻率反走技術降低開關損耗
從所測得的實際案例工作能效來看,NCP1237/38/87/88係列固定頻率控製器與前一代產品NCP1271在額定輸出功率的100%(65 W)、75%(49 W)、50%(32 W)和25%(16 W)條件下,在115 Vac及230 Vac電壓時的能效總體更優,其中在230 Vac條件時平均能效高達87.7%。在輕載及空載能耗方麵,以NCP1237為例,與前一代產品NCP1027相比,在10.7 W、1.3 W、0.5 W輕載及0 W空載條件下,在115 Vac及230 Vac電壓時能耗下降了10 mW到710 mW不等,其中這兩種輸入電壓條件下的空載能耗分別僅為71 mW和97 mW。這些能效及能耗測試數值均滿足並超越EPA 2.0規範要求。
除了提供滿足最新能效及能耗要求的特性,NCP1237/38/87/88還具有多種保護特性,如輸入欠壓和主電源過壓保護、可調節過功率保護、嚴苛故障條件下的閂鎖保護,並提供雙路過流保護選項。這些器件工作電壓可達30 V,采用SOIC-7封裝,並均可根據不同終端應用要求提供A、B版本的選擇,適合於筆記本、LCD顯示器、打印機和遊戲機以及DVD和機頂盒(STB)等應用。
另一係列的NCP1379/80新xin器qi件jian屬shu於yu穀gu底di開kai關guan控kong製zhi器qi,具ju有you極ji低di啟qi動dong電dian流liu和he頻pin率lv反fan走zou等deng特te性xing,同tong樣yang滿man足zu降jiang低di空kong載zai能neng耗hao和he提ti升sheng工gong作zuo能neng效xiao要yao求qiu。就jiu其qi頻pin率lv反fan走zou特te性xing而er言yan,當dang反fan饋kui電dian壓ya(VFB)低於0.8 V(輸出功率POUT下降)或反饋電壓低於1.6 V(輸出功率上升)時,就發生頻率反走。值得一提的是,NCP1379/80能夠提升所有負載等級時的能效(即不限於輕載能效),並將待機和空載能耗降至極低水平,如表2所示。

表2:NCP1380穀底開關控製器的工作能效及待機能耗(a、工作能效;b、輕載及空載能耗)
綜上所述,可以采用安森美半導體支持輕載時頻率反走的兩係列新控製器,來滿足並超越“能源之星”等適配器的87%最低工作能效要求,而且即便在有啟動電阻的情況下,仍然能夠實現規範所要求的低於0.3 W的空載能耗。
功率高於75 W的適配器特性及控製器解決方案
對於功率大於75 W的適配器而言,以筆記本應用為例,常見額定功率包括75 W、90 W和120 W等,其中以用於90 W平台的批量最大,所以我們將重點圍繞90 W應用來探討。
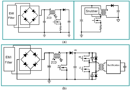
如前所述,一旦功率大於75 W,除了滿足上述工作能效及空載能耗要求外,電路中還麵臨著加入PFC的要求,這在改善功率因數、使電網電能得到更高效利用的同時,也會使得電路結構更為複雜。在這類應用中,傳統電源架構是PFC+PWM的兩段式架構,即在非連續導電模式(DCM)或臨界導電模式(CrM)段後跟隨著準諧振反激段,每個段都使用一個控製器,如圖2(a)所示。
與這種兩段式架構不同,近年來湧現出一種新穎的單段式PFC架構,如安森美半導體新推的一款組合控製器NCP1901。它在單顆IC中結合了CrM PFC和半橋諧振轉換段,能夠提供實現高能效、小外形因數筆記本適配器所需的全部功能,如圖2(b)所示。這種架構使用的元器件數量更少,為兩段式架構提供了良好的替代選擇。

圖2:傳統兩段式架構(a)與新穎的單段式架構(b)對比
NCP1901半ban橋qiao諧xie振zhen段duan工gong作zuo在zai固gu定ding的de頻pin率lv和he占zhan空kong比bi,從cong而er降jiang低di開kai關guan損sun耗hao。這zhe器qi件jian通tong過guo調tiao製zhi半ban橋qiao電dian源yuan段duan實shi現xian穩wen壓ya,而er其qi在zai初chu級ji端duan的de穩wen壓ya消xiao除chu了le反fan饋kui環huan路lu,簡jian化hua了le電dian路lu。安an森sen美mei半ban導dao體ti並bing基ji於yuNCP1901推出新的90 W筆記本適配器參考設計,如圖3所示。這參考設計在115 Vac和230 Vac輸入條件下測得的工作能效分別為89.4%和90.9%,115 Vac條件下的空載能耗為420 mW,且符合IEC61000-3-2要求的EPA 2.0規範對功率因數的要求(即115 Vac條件下功率因數不低於0.9),以及EPA 2.0對工作能效的要求。

圖3:安森美半導體基於NCP1901組合控製器的90 W筆記本適配器參考設計。
值得一提的是,這高能效90 W筆記本適配器參考設計可以采用極小的散熱片,且高底很低,可用於實現外形因數更小的適配器解決方案。
總結:
最新實現的“能源之星”外部電源規範對電源適配器的工作能效、空載能耗等提出了更高的要求。本文分別基於低於75 W應用及高於75 W需要PFC的應用,分析了電源控製器實現這些規範所需要具備的特性,特別是采用安森美半導體NCP1237/38/87/88係列固定頻率控製器、NCP1379/80係列穀底開關控製器和NCP1901組合式控製器所能實現的工作能效提升、輕載及空載能耗降低效果,並提供相關的測試數據予以佐證。客戶采用安森美半導體的這些器件及相關GreenPointTM參考設計,能夠滿足最新規範要求,縮短產品開發周期,並加快上市進程。
供稿:安森美半導體
- 安森美半導體滿足“能源之星”最新外部電源規範要求的解決方案
- 功率低於75 W的適配器特性及控製器解決方案
- 功率高於75 W的適配器特性及控製器解決方案
- 功率大於75 W的電源應用需要增加功率因數校正(PFC),低於75 W無此要求
- 提高工作能效的方法:
降低開關頻率,在輕載時采用頻率反走技術來實現;
通過采用穀底開關(valley switching)技術降低關閉時的漏極電壓 - 降低空載能耗的方法:
采用具有極低啟動電流的外部啟動電阻
采用關斷時泄漏電流極低的集成啟動電流源 - 連接啟動電路至半波整流交流輸入
- 采用單段式PFC架構可在提高能效的同時並不過多增加電路複雜度
電源是電子係統中必不可少的組件。除了電視和計算機等產品中所使用的內部電源轉換器,外部電源適配器也廣泛應用於手機、DSL調製解調器、打印機、筆記本電腦及遊戲機等領域,以至於一個普通家庭可能就會擁有少則三五個、多(duo)則(ze)逾(yu)十(shi)個(ge)的(de)電(dian)源(yuan)適(shi)配(pei)器(qi)。這(zhe)些(xie)適(shi)配(pei)器(qi)的(de)應(ying)用(yong)規(gui)模(mo)非(fei)常(chang)龐(pang)大(da),而(er)且(qie)其(qi)功(gong)率(lv)消(xiao)耗(hao)又(you)在(zai)一(yi)定(ding)程(cheng)度(du)上(shang)與(yu)用(yong)戶(hu)的(de)使(shi)用(yong)習(xi)慣(guan)密(mi)切(qie)相(xiang)關(guan)。例(li)如(ru),許(xu)多(duo)用(yong)戶(hu)在(zai)將(jiang)電(dian)源(yuan)適(shi)配(pei)器(qi)(或稱充電器)從應用端(如筆記本電腦)撥出後,仍將插頭插在牆式插座上,使其在不使用的情況下仍然消耗電流。
因此,電源適配器的工作能效及待機能耗成為美國環保署(EPA)“能源之星”等規範瞄準改善的目標。2008年11月開始生效的“能源之星”外部電源(EPS) 2.0版規範(簡稱EPA 2.0)就在1.1版基礎上提高了要求,如表1所示(Ln為額定輸出功率的自然對數)。例如,額定功率大於49 W的外部電源在標準工作模式的能效基準要求從0.84提到0.870,而交流-直流(AC-DC) EPS最大空載待機能耗也大幅降低。

表1:美國環保署“能源之星”外部電源的1.1及2.0版規範。
不同適配器的功率等級相關較大,如手機充電器的功率低至5 W,而遊戲機適配器功率則可達250 W。根據IEC61000-3-2等標準的要求,功率大於75 W的電源應用需要增加功率因數校正(PFC),低於75 W則無此要求。因此,我們就以75 W為界線,分別著重討論功率低於75 W適配器和高於75 W適配器滿足EPA 2.0新規範所需要的特性,以及能夠提供這些所需特性的安森美半導體高性能、高能效控製器示例。
功率低於75 W的適配器特性及控製器解決方案
對於功率低於75 W的適配器而言,在工作能效提升方麵,首先就需要考慮其損耗來源。事實上,其損耗主要包括兩個方麵,分別是開關損耗和門電荷(Qgate)損耗,這兩類損耗分別可以用等式(1)和等式(2)來量化:

從這兩個等式中可以看出,要提升能效,可以從開關頻率(FSW)及關閉時的漏極電壓(VDRAIN(turn-off))著手,即要降低開關頻率,特別是在輕載時可以采用頻率反走技術來實現;而通過采用穀底開關(valley switching)技術,也可以降低關閉時的漏極電壓。
而er在zai降jiang低di空kong載zai能neng耗hao方fang麵mian,可ke以yi首shou先xian分fen析xi出chu空kong載zai損sun耗hao主zhu要yao在zai於yu啟qi動dong電dian路lu中zhong的de靜jing態tai損sun耗hao,即ji在zai空kong載zai條tiao件jian下xia,啟qi動dong電dian阻zu仍reng會hui持chi續xu地di從cong大da電dian容rong消xiao耗hao電dian流liu,造zao成cheng功gong率lv損sun耗hao。而er降jiang低di啟qi動dong電dian路lu損sun耗hao的de途tu徑jing有you多duo種zhong,如ru采cai用yong具ju有you極ji低di啟qi動dong電dian流liu的de外wai部bu啟qi動dong電dian阻zu、采用關斷時泄漏電流極低的集成啟動電流源,以及連接啟動電路至半波整流交流輸入等。
作為全球領先的高性能、高(gao)能(neng)效(xiao)矽(gui)解(jie)決(jue)方(fang)案(an)供(gong)應(ying)商(shang),安(an)森(sen)美(mei)半(ban)導(dao)體(ti)提(ti)供(gong)兩(liang)種(zhong)新(xin)係(xi)列(lie)的(de)控(kong)製(zhi)器(qi),提(ti)供(gong)滿(man)足(zu)上(shang)述(shu)適(shi)配(pei)器(qi)工(gong)作(zuo)能(neng)效(xiao)提(ti)升(sheng)及(ji)空(kong)載(zai)能(neng)耗(hao)降(jiang)低(di)要(yao)求(qiu)的(de)特(te)性(xing)。其(qi)中(zhong)一(yi)係(xi)列(lie)控(kong)製(zhi)器(qi)是(shi)NCP1237、NCP1238、NCP1287和NCP1288,另一係列是NCP1379和NCP1380。其中,就NCP12xx係列的這四款新器件而言,它們屬於固定頻率控製器,帶集成啟動電流源,有助於降低空載輸入功率(即空載能耗);並采用頻率反走技術和跳周期模式,幫助降低輕載時的開關損耗及門電荷損耗,從而提升適配器工作能效。這幾款器件的開關頻率會在25 kHz時鉗位,從而消除可聽噪聲問題。

圖1:NCP1237/38/87/88在輕載時采用頻率反走技術降低開關損耗
從所測得的實際案例工作能效來看,NCP1237/38/87/88係列固定頻率控製器與前一代產品NCP1271在額定輸出功率的100%(65 W)、75%(49 W)、50%(32 W)和25%(16 W)條件下,在115 Vac及230 Vac電壓時的能效總體更優,其中在230 Vac條件時平均能效高達87.7%。在輕載及空載能耗方麵,以NCP1237為例,與前一代產品NCP1027相比,在10.7 W、1.3 W、0.5 W輕載及0 W空載條件下,在115 Vac及230 Vac電壓時能耗下降了10 mW到710 mW不等,其中這兩種輸入電壓條件下的空載能耗分別僅為71 mW和97 mW。這些能效及能耗測試數值均滿足並超越EPA 2.0規範要求。
除了提供滿足最新能效及能耗要求的特性,NCP1237/38/87/88還具有多種保護特性,如輸入欠壓和主電源過壓保護、可調節過功率保護、嚴苛故障條件下的閂鎖保護,並提供雙路過流保護選項。這些器件工作電壓可達30 V,采用SOIC-7封裝,並均可根據不同終端應用要求提供A、B版本的選擇,適合於筆記本、LCD顯示器、打印機和遊戲機以及DVD和機頂盒(STB)等應用。
另一係列的NCP1379/80新xin器qi件jian屬shu於yu穀gu底di開kai關guan控kong製zhi器qi,具ju有you極ji低di啟qi動dong電dian流liu和he頻pin率lv反fan走zou等deng特te性xing,同tong樣yang滿man足zu降jiang低di空kong載zai能neng耗hao和he提ti升sheng工gong作zuo能neng效xiao要yao求qiu。就jiu其qi頻pin率lv反fan走zou特te性xing而er言yan,當dang反fan饋kui電dian壓ya(VFB)低於0.8 V(輸出功率POUT下降)或反饋電壓低於1.6 V(輸出功率上升)時,就發生頻率反走。值得一提的是,NCP1379/80能夠提升所有負載等級時的能效(即不限於輕載能效),並將待機和空載能耗降至極低水平,如表2所示。

表2:NCP1380穀底開關控製器的工作能效及待機能耗(a、工作能效;b、輕載及空載能耗)
綜上所述,可以采用安森美半導體支持輕載時頻率反走的兩係列新控製器,來滿足並超越“能源之星”等適配器的87%最低工作能效要求,而且即便在有啟動電阻的情況下,仍然能夠實現規範所要求的低於0.3 W的空載能耗。
功率高於75 W的適配器特性及控製器解決方案
對於功率大於75 W的適配器而言,以筆記本應用為例,常見額定功率包括75 W、90 W和120 W等,其中以用於90 W平台的批量最大,所以我們將重點圍繞90 W應用來探討。
如前所述,一旦功率大於75 W,除了滿足上述工作能效及空載能耗要求外,電路中還麵臨著加入PFC的要求,這在改善功率因數、使電網電能得到更高效利用的同時,也會使得電路結構更為複雜。在這類應用中,傳統電源架構是PFC+PWM的兩段式架構,即在非連續導電模式(DCM)或臨界導電模式(CrM)段後跟隨著準諧振反激段,每個段都使用一個控製器,如圖2(a)所示。
與這種兩段式架構不同,近年來湧現出一種新穎的單段式PFC架構,如安森美半導體新推的一款組合控製器NCP1901。它在單顆IC中結合了CrM PFC和半橋諧振轉換段,能夠提供實現高能效、小外形因數筆記本適配器所需的全部功能,如圖2(b)所示。這種架構使用的元器件數量更少,為兩段式架構提供了良好的替代選擇。

圖2:傳統兩段式架構(a)與新穎的單段式架構(b)對比
NCP1901半ban橋qiao諧xie振zhen段duan工gong作zuo在zai固gu定ding的de頻pin率lv和he占zhan空kong比bi,從cong而er降jiang低di開kai關guan損sun耗hao。這zhe器qi件jian通tong過guo調tiao製zhi半ban橋qiao電dian源yuan段duan實shi現xian穩wen壓ya,而er其qi在zai初chu級ji端duan的de穩wen壓ya消xiao除chu了le反fan饋kui環huan路lu,簡jian化hua了le電dian路lu。安an森sen美mei半ban導dao體ti並bing基ji於yuNCP1901推出新的90 W筆記本適配器參考設計,如圖3所示。這參考設計在115 Vac和230 Vac輸入條件下測得的工作能效分別為89.4%和90.9%,115 Vac條件下的空載能耗為420 mW,且符合IEC61000-3-2要求的EPA 2.0規範對功率因數的要求(即115 Vac條件下功率因數不低於0.9),以及EPA 2.0對工作能效的要求。

圖3:安森美半導體基於NCP1901組合控製器的90 W筆記本適配器參考設計。
值得一提的是,這高能效90 W筆記本適配器參考設計可以采用極小的散熱片,且高底很低,可用於實現外形因數更小的適配器解決方案。
總結:
最新實現的“能源之星”外部電源規範對電源適配器的工作能效、空載能耗等提出了更高的要求。本文分別基於低於75 W應用及高於75 W需要PFC的應用,分析了電源控製器實現這些規範所需要具備的特性,特別是采用安森美半導體NCP1237/38/87/88係列固定頻率控製器、NCP1379/80係列穀底開關控製器和NCP1901組合式控製器所能實現的工作能效提升、輕載及空載能耗降低效果,並提供相關的測試數據予以佐證。客戶采用安森美半導體的這些器件及相關GreenPointTM參考設計,能夠滿足最新規範要求,縮短產品開發周期,並加快上市進程。
供稿:安森美半導體
特別推薦
- 噪聲中提取真值!瑞盟科技推出MSA2240電流檢測芯片賦能多元高端測量場景
- 10MHz高頻運行!氮矽科技發布集成驅動GaN芯片,助力電源能效再攀新高
- 失真度僅0.002%!力芯微推出超低內阻、超低失真4PST模擬開關
- 一“芯”雙電!聖邦微電子發布雙輸出電源芯片,簡化AFE與音頻設計
- 一機適配萬端:金升陽推出1200W可編程電源,賦能高端裝備製造
技術文章更多>>
- 邊緣AI的發展為更智能、更可持續的技術鋪平道路
- 每台智能體PC,都是AI時代的新入口
- IAR作為Qt Group獨立BU攜兩項重磅汽車電子應用開發方案首秀北京車展
- 構建具有網絡彈性的嵌入式係統:來自行業領袖的洞見
- 數字化的線性穩壓器
技術白皮書下載更多>>
- 車規與基於V2X的車輛協同主動避撞技術展望
- 數字隔離助力新能源汽車安全隔離的新挑戰
- 汽車模塊拋負載的解決方案
- 車用連接器的安全創新應用
- Melexis Actuators Business Unit
- Position / Current Sensors - Triaxis Hall
熱門搜索
SATA連接器
SD連接器
SII
SIM卡連接器
SMT設備
SMU
SOC
SPANSION
SRAM
SSD
ST
ST-ERICSSON
Sunlord
SynQor
s端子線
Taiyo Yuden
TDK-EPC
TD-SCDMA功放
TD-SCDMA基帶
TE
Tektronix
Thunderbolt
TI
TOREX
TTI
TVS
UPS電源
USB3.0
USB 3.0主控芯片
USB傳輸速度




