滿足新應用需求的先進PFC技術及解決方案
發布時間:2009-03-16 來源:安森美半導體供稿
中心議題:
解決方案:
功率因數校正(PFC)是電源設計人員麵臨的重要任務。根據IEC61000-3-2諧波標準中的D類規定,功率在75W以上的個人計算機和電視機等電子係統的電源要進行功率因數校正。
根據輸入電流控製原理的不同,PFC可以分為不同的類型,如臨界導電模式(CrM)、不連續導電模式(DCM)、連續導電模式(CCM)和頻率鉗位臨界導電模式(FCCrM)等。CrM的的主要特征是電流有效值(RMS)大,開關頻率不固定,常用於需要簡單控製方案的照明和交流適配器等低功率應用,典型解決方案如安森美半導體NCP1606;DCM的主要特征是電流有效值最高,線圈電感較低及穩定性最佳,常見於中低功率應用;CCM的主要特征是總是硬開關,電感值最大,電流有效值最小,在較高功率(>300 W)應用中特別受到青睞,典型解決方案如安森美半導體NCP1654;FCCrM的主要特征是電流有效值大,頻率被限製,線圈電感較小,在中等功率條件下具有極高能效,典型解決方案如安森美半導體NCP1605。
值得一提的是,FCCrM可以視作帶有頻率鉗位功能(由振蕩器設定)的臨界導電模式,綜合了CrM和DCM的優點:DCM限製最大開關頻率,而CrM降低最大電流應力。總的來看,FCCrM解決方案似乎擁有最高的能效。
新的應用需求為PFC提出更高要求
一些新的應用需求推動著業界開發新的PFC技術。這其中頗為受人矚目的就是新興的能效標準要求計算機ATX電源具有越來越高的能效。例如,80 PLUS銀級標準(等同於“能源之星”5.0版計算機電源標準及CSCI標準第三階段目標)要求,到2010年6月,多路輸出ATX電源在20%、50%和100%負載條件的能效分別達到85%、88%和85%,詳見表1所示。
要提高ATX電(dian)源(yuan)能(neng)效(xiao),以(yi)滿(man)足(zu)最(zui)新(xin)能(neng)效(xiao)標(biao)準(zhun)的(de)更(geng)高(gao)要(yao)求(qiu),重(zhong)要(yao)的(de)是(shi)以(yi)係(xi)統(tong)性(xing)的(de)途(tu)徑(jing)來(lai)分(fen)析(xi)功(gong)率(lv)損(sun)耗(hao)來(lai)源(yuan),並(bing)針(zhen)對(dui)性(xing)地(di)降(jiang)低(di)功(gong)率(lv)損(sun)耗(hao)。通(tong)常(chang)而(er)言(yan),我(wo)們(men)可(ke)以(yi)將(jiang)ATX電源分為PFC段、主開關電源段和次轉換器段。以常見的75%能效ATX電源為例,據測算,PFC段的損耗要占總損耗的40%。因此,將PFC段的能效提至最高,有利於實現更高的係統總能效。這就需要優化PFC控製器及其工作模式與其它元器件的選擇。

表1:80 PLUS等能效標準對多路輸出ATX電源的能效要求
此ci外wai,液ye晶jing電dian視shi市shi場chang近jin年nian來lai高gao速su發fa展zhan,而er纖xian薄bo型xing設she計ji則ze為wei液ye晶jing電dian視shi提ti供gong特te別bie的de賣mai點dian,受shou到dao消xiao費fei者zhe的de青qing睞lai。最zui新xin的de液ye晶jing電dian視shi設she計ji更geng是shi趨qu向xiang於yu將jiang厚hou度du降jiang至zhi10 mm以下,這就使元器件高度受到嚴格限製,設計人員必須盡可能采用更小型的元器件,並降低安裝高度。PFC段同樣受到這方麵的製約,值得一提的是,縮小PFC段元器件能夠幫助係統降低高度。
在這些背景下,一些新的PFC拓撲結構已經開始湧現和應用。其中尤以交錯式PFC和無橋PFC為典型。我們將探討這兩種新PFC拓撲結構的特征、解決方案及性能測試結果。
交錯式PFC的優勢及解決方案
交錯式PFC的主要想法是在原本放置單個較大功率PFC的地方並行放置兩個功率為一半的較小功率的PFC,參見圖1。這兩個較小功率PFC以180°的相移交替工作,它們在輸入端或輸出端累加時,每相電流紋波的主要部分將抵消。雖然交錯式PFC使用較多的元器件,但其好處也很明顯,如150 W的PFC就比300 W的PFC更易於設計,便於采用模塊化的方案,且兩個DCM PFC就像一個CCM PFC轉換器,這就簡化電磁幹擾(EMI)濾波,並減小輸入電流有效值。特別是采用兩個較小PFC的設計能夠支持厚度低至10 mm的超薄型液晶電視設計,且能效極高。

圖1:采用兩顆NCP1601 PFC控製器實現的交錯式PFC架構的功能框圖。
交錯式PFC有兩種具體實現方案:一為主/從(Master/Slave)方案,一為獨立相位(Independent Phases)方案。主/從方案指主分支自由工作,而從分支相對於主分支180°相移工作。主/從方案的主要挑戰在於保持在CrM工作模式(沒有CCM模式,沒有死區)。
獨立相位方案指每個相位都恰當地工作在CrM或FCCrM模式,而兩個分支相互配合以設定180°相移。獨立相位方案的主要挑戰是保持準確的相移。安森美半導體的雙NCP1601交錯式PFC方案是一種獨特的FCCrM方案,適合輸入電壓範圍較寬的應用。在這種方案中,2顆NCP1601驅動2個獨立的PFC分支,這2個分支具有相同的導通時間因而具有相同的開關周期,它們同步但彼此獨立工作,從而保證DCM工作模式(零電流檢測),沒有CCM工作風險,且在滿載時兩個分支都進入CrM工作模式。

圖2:安森美半導體雙NCP1601交錯式PFC方案在不同負載範圍下的能效。
對基於安森美半導體NCP1601交錯式PFC方案的寬輸入範圍、300 W PFC預轉換器進行的測試顯示,這解決方案在很寬的負載範圍內(從20%到100%)、90 Vrms電壓條件下實現95%的能效,如圖2所示。
無橋PFC的優勢及解決方案
傳統有源PFC中,交流輸入經過EMI濾(lv)波(bo)後(hou)會(hui)經(jing)過(guo)二(er)極(ji)管(guan)橋(qiao)整(zheng)流(liu)器(qi),但(dan)在(zai)整(zheng)流(liu)過(guo)程(cheng)中(zhong)存(cun)在(zai)功(gong)率(lv)耗(hao)散(san),其(qi)中(zhong)既(ji)包(bao)括(kuo)前(qian)端(duan)整(zheng)流(liu)橋(qiao)中(zhong)兩(liang)個(ge)二(er)極(ji)管(guan)導(dao)通(tong)壓(ya)降(jiang)帶(dai)來(lai)的(de)損(sun)耗(hao),也(ye)包(bao)括(kuo)升(sheng)壓(ya)轉(zhuan)換(huan)器(qi)中(zhong)功(gong)率(lv)開(kai)關(guan)管(guan)或(huo)續(xu)流(liu)二(er)極(ji)管(guan)的(de)導(dao)通(tong)損(sun)耗(hao)。據(ju)測(ce)算(suan),在(zai)低(di)壓(ya)市(shi)電(dian)應(ying)用(yong)(@90 Vrms)中,二極管橋會浪費大約2%的能效。有鑒於此,近年來業界提出了無橋PFC拓撲結構。實際上,如果去掉二極管整流橋,由此帶來的能效提升效果很明顯。這種PFC電路采用1隻電感、兩隻功率MOSFET和兩隻快恢複二極管組成。
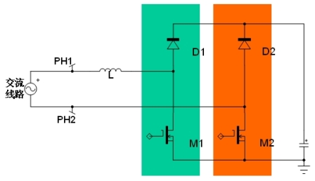
對於工頻交流輸入的正負半周期而言,這種無橋升壓電路可以等效為兩個電源電壓相反的升壓電路的組合。其中左邊的藍色方框是PH1為高電平、MOSFET開關管M2關閉時的開關單元,右邊的橙色方框是PH2為高電平、MOSFET開關管M1關閉時的開關單元。當PH1為高電平、PH2為低電平時,電路工作在正半周期,這時M2相當於體二極管(body diode),PH2通過M2接地;而當PH1為低電平、PH2為高電平時,電路工作在負半周期,這時M1相當於體二極管,PH1通過M1接地。

圖3:傳統的無橋PFC結構示意圖。
相對於傳統PFC段而言,這種無橋PFC節省了由二極管整流橋導致的損耗,但不工作MOSFET的(de)體(ti)二(er)極(ji)管(guan)傳(chuan)遞(di)線(xian)圈(quan)電(dian)流(liu)。最(zui)終(zhong),這(zhe)種(zhong)結(jie)構(gou)消(xiao)除(chu)了(le)線(xian)路(lu)電(dian)流(liu)通(tong)道(dao)中(zhong)一(yi)個(ge)二(er)極(ji)管(guan)的(de)壓(ya)降(jiang),提(ti)升(sheng)了(le)能(neng)效(xiao)。但(dan)實(shi)際(ji)上(shang),這(zhe)種(zhong)架(jia)構(gou)也(ye)存(cun)在(zai)幾(ji)處(chu)不(bu)便(bian),因(yin)為(wei)交(jiao)流(liu)線(xian)路(lu)電(dian)壓(ya)不(bu)像(xiang)傳(chuan)統(tong)PFC那樣對地參考,而是相對於PFC段接地而浮動,這就需要特定的PFC控製器來感測交流輸入電壓,而這種結構中的簡單電路並不能完成這項任務。這種架構也不能方便地監測線圈電流。 此外,EMI濾波也是一個主要問題。
圖4是Ivo Barbi無橋升壓PFC架構的新穎解決方案,這種方案中沒有全橋,相反,PFC電路的地通過二極管D1和D2連接至交流線路,且每個端子用於1個PFC段。故這種解決方案可視作2相PFC,其中2個分支並聯工作。這種架構也省下了電流通道中的一個二極管,並因此提升了能效。這種2相式架構並不需要特定的PFC控製器,具有增強的熱性能,且負相總是接地,解決了EMI問題。

圖4:改進的Ivo Barbi無橋升壓PFC架構
安森美半導體基於這種架構開發了800 W PFC段的原型。這原型采用NCP1653 PFC控製器及MC33152 MOSFET驅動器。經測試,這原型在90 Vrms、滿載、無風扇(機箱打開,室 溫)條件下的能效達94%,而在100 Vrms時達95%。在20%負載時能效更接近或超過96%。這種無橋PFC架構將是適合大功率應用的一種高能效解決方案。
總結:
交錯式PFC和無橋PFC等新穎拓撲結構的先進PFC技術可用於滿足功率大於75 W電源的新趨勢,有利於設計厚度低至10 mm以下的超薄型液晶電視,及滿足80 PLUS等能效標準越來越高的要求。安森美半導體身為全球領先的高性能、高能效矽解決方案供應商,提供基於NCP1601的交錯式PFC和基於NCP1653的無橋PFC等創新解決方案,具有小外形因數,適用於緊湊型設計,並減少PFC段的功率損耗,提供極高的能效,符合嚴苛的能效標準要求,幫助客戶在市場競爭中占據先機。
供稿:安森美半導體
參考資料:
1、安森美半導體,《先進的功率因數校正》,http://www.onsemi.com/pub_link/Collateral/TND344-D.PDF
2、Joël TURCHI,安森美半導體,《800 W無橋PFC段》,http://www.onsemi.com/pub_link/Collateral/AND8392-D.PDF
3、Joël TURCHI,安森美半導體,《交錯式PFC段特性》,
http://www.onsemi.com/pub_link/Collateral/AND8355-D.PDF
4、安森美半導體,《液晶電視AC-DC電源架構》,http://www.onsemi.com/pub_link/Collateral/TND353-D.PDF
- 新的應用需求為PFC提出更高要求
- 介紹兩種新的PFC拓撲——交錯式PFC和無橋PFC
解決方案:
- 交錯式PFC
交錯式PFC采用的150 W的PFC就比300 W的PFC更易於設計,便於采用模塊化的方案
兩個DCM PFC就像一個CCM PFC轉換器,簡化電磁幹擾(EMI)濾波,並減小輸入電流有效值
采用兩個較小PFC的設計能夠支持厚度低至10 mm的超薄型液晶電視設計,且能效極高 - 無橋PFC
傳統的無橋PFC可以提高能效但存在問題,如EMI
Ivo Barbi無橋升壓PFC架構不需要特定的PFC控製器,具有增強的熱性能,且負相總是接地,解決了EMI問題
功率因數校正(PFC)是電源設計人員麵臨的重要任務。根據IEC61000-3-2諧波標準中的D類規定,功率在75W以上的個人計算機和電視機等電子係統的電源要進行功率因數校正。
根據輸入電流控製原理的不同,PFC可以分為不同的類型,如臨界導電模式(CrM)、不連續導電模式(DCM)、連續導電模式(CCM)和頻率鉗位臨界導電模式(FCCrM)等。CrM的的主要特征是電流有效值(RMS)大,開關頻率不固定,常用於需要簡單控製方案的照明和交流適配器等低功率應用,典型解決方案如安森美半導體NCP1606;DCM的主要特征是電流有效值最高,線圈電感較低及穩定性最佳,常見於中低功率應用;CCM的主要特征是總是硬開關,電感值最大,電流有效值最小,在較高功率(>300 W)應用中特別受到青睞,典型解決方案如安森美半導體NCP1654;FCCrM的主要特征是電流有效值大,頻率被限製,線圈電感較小,在中等功率條件下具有極高能效,典型解決方案如安森美半導體NCP1605。
值得一提的是,FCCrM可以視作帶有頻率鉗位功能(由振蕩器設定)的臨界導電模式,綜合了CrM和DCM的優點:DCM限製最大開關頻率,而CrM降低最大電流應力。總的來看,FCCrM解決方案似乎擁有最高的能效。
新的應用需求為PFC提出更高要求
一些新的應用需求推動著業界開發新的PFC技術。這其中頗為受人矚目的就是新興的能效標準要求計算機ATX電源具有越來越高的能效。例如,80 PLUS銀級標準(等同於“能源之星”5.0版計算機電源標準及CSCI標準第三階段目標)要求,到2010年6月,多路輸出ATX電源在20%、50%和100%負載條件的能效分別達到85%、88%和85%,詳見表1所示。
要提高ATX電(dian)源(yuan)能(neng)效(xiao),以(yi)滿(man)足(zu)最(zui)新(xin)能(neng)效(xiao)標(biao)準(zhun)的(de)更(geng)高(gao)要(yao)求(qiu),重(zhong)要(yao)的(de)是(shi)以(yi)係(xi)統(tong)性(xing)的(de)途(tu)徑(jing)來(lai)分(fen)析(xi)功(gong)率(lv)損(sun)耗(hao)來(lai)源(yuan),並(bing)針(zhen)對(dui)性(xing)地(di)降(jiang)低(di)功(gong)率(lv)損(sun)耗(hao)。通(tong)常(chang)而(er)言(yan),我(wo)們(men)可(ke)以(yi)將(jiang)ATX電源分為PFC段、主開關電源段和次轉換器段。以常見的75%能效ATX電源為例,據測算,PFC段的損耗要占總損耗的40%。因此,將PFC段的能效提至最高,有利於實現更高的係統總能效。這就需要優化PFC控製器及其工作模式與其它元器件的選擇。

表1:80 PLUS等能效標準對多路輸出ATX電源的能效要求
此ci外wai,液ye晶jing電dian視shi市shi場chang近jin年nian來lai高gao速su發fa展zhan,而er纖xian薄bo型xing設she計ji則ze為wei液ye晶jing電dian視shi提ti供gong特te別bie的de賣mai點dian,受shou到dao消xiao費fei者zhe的de青qing睞lai。最zui新xin的de液ye晶jing電dian視shi設she計ji更geng是shi趨qu向xiang於yu將jiang厚hou度du降jiang至zhi10 mm以下,這就使元器件高度受到嚴格限製,設計人員必須盡可能采用更小型的元器件,並降低安裝高度。PFC段同樣受到這方麵的製約,值得一提的是,縮小PFC段元器件能夠幫助係統降低高度。
在這些背景下,一些新的PFC拓撲結構已經開始湧現和應用。其中尤以交錯式PFC和無橋PFC為典型。我們將探討這兩種新PFC拓撲結構的特征、解決方案及性能測試結果。
交錯式PFC的優勢及解決方案
交錯式PFC的主要想法是在原本放置單個較大功率PFC的地方並行放置兩個功率為一半的較小功率的PFC,參見圖1。這兩個較小功率PFC以180°的相移交替工作,它們在輸入端或輸出端累加時,每相電流紋波的主要部分將抵消。雖然交錯式PFC使用較多的元器件,但其好處也很明顯,如150 W的PFC就比300 W的PFC更易於設計,便於采用模塊化的方案,且兩個DCM PFC就像一個CCM PFC轉換器,這就簡化電磁幹擾(EMI)濾波,並減小輸入電流有效值。特別是采用兩個較小PFC的設計能夠支持厚度低至10 mm的超薄型液晶電視設計,且能效極高。

圖1:采用兩顆NCP1601 PFC控製器實現的交錯式PFC架構的功能框圖。
交錯式PFC有兩種具體實現方案:一為主/從(Master/Slave)方案,一為獨立相位(Independent Phases)方案。主/從方案指主分支自由工作,而從分支相對於主分支180°相移工作。主/從方案的主要挑戰在於保持在CrM工作模式(沒有CCM模式,沒有死區)。
獨立相位方案指每個相位都恰當地工作在CrM或FCCrM模式,而兩個分支相互配合以設定180°相移。獨立相位方案的主要挑戰是保持準確的相移。安森美半導體的雙NCP1601交錯式PFC方案是一種獨特的FCCrM方案,適合輸入電壓範圍較寬的應用。在這種方案中,2顆NCP1601驅動2個獨立的PFC分支,這2個分支具有相同的導通時間因而具有相同的開關周期,它們同步但彼此獨立工作,從而保證DCM工作模式(零電流檢測),沒有CCM工作風險,且在滿載時兩個分支都進入CrM工作模式。

圖2:安森美半導體雙NCP1601交錯式PFC方案在不同負載範圍下的能效。
對基於安森美半導體NCP1601交錯式PFC方案的寬輸入範圍、300 W PFC預轉換器進行的測試顯示,這解決方案在很寬的負載範圍內(從20%到100%)、90 Vrms電壓條件下實現95%的能效,如圖2所示。
無橋PFC的優勢及解決方案
傳統有源PFC中,交流輸入經過EMI濾(lv)波(bo)後(hou)會(hui)經(jing)過(guo)二(er)極(ji)管(guan)橋(qiao)整(zheng)流(liu)器(qi),但(dan)在(zai)整(zheng)流(liu)過(guo)程(cheng)中(zhong)存(cun)在(zai)功(gong)率(lv)耗(hao)散(san),其(qi)中(zhong)既(ji)包(bao)括(kuo)前(qian)端(duan)整(zheng)流(liu)橋(qiao)中(zhong)兩(liang)個(ge)二(er)極(ji)管(guan)導(dao)通(tong)壓(ya)降(jiang)帶(dai)來(lai)的(de)損(sun)耗(hao),也(ye)包(bao)括(kuo)升(sheng)壓(ya)轉(zhuan)換(huan)器(qi)中(zhong)功(gong)率(lv)開(kai)關(guan)管(guan)或(huo)續(xu)流(liu)二(er)極(ji)管(guan)的(de)導(dao)通(tong)損(sun)耗(hao)。據(ju)測(ce)算(suan),在(zai)低(di)壓(ya)市(shi)電(dian)應(ying)用(yong)(@90 Vrms)中,二極管橋會浪費大約2%的能效。有鑒於此,近年來業界提出了無橋PFC拓撲結構。實際上,如果去掉二極管整流橋,由此帶來的能效提升效果很明顯。這種PFC電路采用1隻電感、兩隻功率MOSFET和兩隻快恢複二極管組成。
對於工頻交流輸入的正負半周期而言,這種無橋升壓電路可以等效為兩個電源電壓相反的升壓電路的組合。其中左邊的藍色方框是PH1為高電平、MOSFET開關管M2關閉時的開關單元,右邊的橙色方框是PH2為高電平、MOSFET開關管M1關閉時的開關單元。當PH1為高電平、PH2為低電平時,電路工作在正半周期,這時M2相當於體二極管(body diode),PH2通過M2接地;而當PH1為低電平、PH2為高電平時,電路工作在負半周期,這時M1相當於體二極管,PH1通過M1接地。

圖3:傳統的無橋PFC結構示意圖。
相對於傳統PFC段而言,這種無橋PFC節省了由二極管整流橋導致的損耗,但不工作MOSFET的(de)體(ti)二(er)極(ji)管(guan)傳(chuan)遞(di)線(xian)圈(quan)電(dian)流(liu)。最(zui)終(zhong),這(zhe)種(zhong)結(jie)構(gou)消(xiao)除(chu)了(le)線(xian)路(lu)電(dian)流(liu)通(tong)道(dao)中(zhong)一(yi)個(ge)二(er)極(ji)管(guan)的(de)壓(ya)降(jiang),提(ti)升(sheng)了(le)能(neng)效(xiao)。但(dan)實(shi)際(ji)上(shang),這(zhe)種(zhong)架(jia)構(gou)也(ye)存(cun)在(zai)幾(ji)處(chu)不(bu)便(bian),因(yin)為(wei)交(jiao)流(liu)線(xian)路(lu)電(dian)壓(ya)不(bu)像(xiang)傳(chuan)統(tong)PFC那樣對地參考,而是相對於PFC段接地而浮動,這就需要特定的PFC控製器來感測交流輸入電壓,而這種結構中的簡單電路並不能完成這項任務。這種架構也不能方便地監測線圈電流。 此外,EMI濾波也是一個主要問題。
圖4是Ivo Barbi無橋升壓PFC架構的新穎解決方案,這種方案中沒有全橋,相反,PFC電路的地通過二極管D1和D2連接至交流線路,且每個端子用於1個PFC段。故這種解決方案可視作2相PFC,其中2個分支並聯工作。這種架構也省下了電流通道中的一個二極管,並因此提升了能效。這種2相式架構並不需要特定的PFC控製器,具有增強的熱性能,且負相總是接地,解決了EMI問題。

圖4:改進的Ivo Barbi無橋升壓PFC架構
安森美半導體基於這種架構開發了800 W PFC段的原型。這原型采用NCP1653 PFC控製器及MC33152 MOSFET驅動器。經測試,這原型在90 Vrms、滿載、無風扇(機箱打開,室 溫)條件下的能效達94%,而在100 Vrms時達95%。在20%負載時能效更接近或超過96%。這種無橋PFC架構將是適合大功率應用的一種高能效解決方案。
總結:
交錯式PFC和無橋PFC等新穎拓撲結構的先進PFC技術可用於滿足功率大於75 W電源的新趨勢,有利於設計厚度低至10 mm以下的超薄型液晶電視,及滿足80 PLUS等能效標準越來越高的要求。安森美半導體身為全球領先的高性能、高能效矽解決方案供應商,提供基於NCP1601的交錯式PFC和基於NCP1653的無橋PFC等創新解決方案,具有小外形因數,適用於緊湊型設計,並減少PFC段的功率損耗,提供極高的能效,符合嚴苛的能效標準要求,幫助客戶在市場競爭中占據先機。
供稿:安森美半導體
參考資料:
1、安森美半導體,《先進的功率因數校正》,http://www.onsemi.com/pub_link/Collateral/TND344-D.PDF
2、Joël TURCHI,安森美半導體,《800 W無橋PFC段》,http://www.onsemi.com/pub_link/Collateral/AND8392-D.PDF
3、Joël TURCHI,安森美半導體,《交錯式PFC段特性》,
http://www.onsemi.com/pub_link/Collateral/AND8355-D.PDF
4、安森美半導體,《液晶電視AC-DC電源架構》,http://www.onsemi.com/pub_link/Collateral/TND353-D.PDF
特別推薦
- 噪聲中提取真值!瑞盟科技推出MSA2240電流檢測芯片賦能多元高端測量場景
- 10MHz高頻運行!氮矽科技發布集成驅動GaN芯片,助力電源能效再攀新高
- 失真度僅0.002%!力芯微推出超低內阻、超低失真4PST模擬開關
- 一“芯”雙電!聖邦微電子發布雙輸出電源芯片,簡化AFE與音頻設計
- 一機適配萬端:金升陽推出1200W可編程電源,賦能高端裝備製造
技術文章更多>>
- 一秒檢測,成本降至萬分之一,光引科技把幾十萬的台式光譜儀“搬”到了手腕上
- AI服務器電源機櫃Power Rack HVDC MW級測試方案
- 突破工藝邊界,奎芯科技LPDDR5X IP矽驗證通過,速率達9600Mbps
- 通過直接、準確、自動測量超低範圍的氯殘留來推動反滲透膜保護
- 從技術研發到規模量產:恩智浦第三代成像雷達平台,賦能下一代自動駕駛!
技術白皮書下載更多>>
- 車規與基於V2X的車輛協同主動避撞技術展望
- 數字隔離助力新能源汽車安全隔離的新挑戰
- 汽車模塊拋負載的解決方案
- 車用連接器的安全創新應用
- Melexis Actuators Business Unit
- Position / Current Sensors - Triaxis Hall
熱門搜索



