超級電容器太陽能草坪燈的設計與實現
發布時間:2009-03-19 來源:錦州凱美能源有限公司
中心議題:
- 關鍵元器件的選擇
- 係統控製電路的實現
- 選擇額定電壓為3.3 V、工作電流為6 mA的超亮LED作為光源
- 采用性價比比較好的單晶矽太陽能電池
- 選用超級電容做為儲能元件
- 采用施密特觸發器的六反相器74HC14設計電路
引言
隨sui著zhe經jing濟ji的de發fa展zhan和he社she會hui的de進jin步bu,人ren們men對dui能neng源yuan提ti出chu了le越yue來lai越yue高gao的de要yao求qiu,尋xun找zhao新xin能neng源yuan已yi成cheng為wei當dang前qian人ren類lei麵mian臨lin的de迫po切qie課ke題ti。由you於yu太tai陽yang能neng發fa電dian具ju有you火huo電dian、水電、核電所無法比擬的清潔性、安全性、資zi源yuan的de廣guang泛fan性xing和he充chong足zu性xing,太tai陽yang能neng被bei認ren為wei是shi二er十shi一yi世shi紀ji最zui重zhong要yao的de能neng源yuan。太tai陽yang能neng的de存cun儲chu是shi太tai陽yang能neng產chan品pin發fa展zhan的de關guan鍵jian,目mu前qian主zhu要yao采cai用yong各ge種zhong電dian池chi,但dan是shi電dian池chi的de充chong電dian時shi間jian長chang、壽命短以及不環保一直是太陽能產品發展的瓶頸,而超級電容器作為一種充電快、壽命長、綠(lv)色(se)環(huan)保(bao)型(xing)儲(chu)能(neng)元(yuan)件(jian),它(ta)給(gei)太(tai)陽(yang)能(neng)產(chan)品(pin)的(de)發(fa)展(zhan)帶(dai)來(lai)了(le)新(xin)的(de)活(huo)力(li)。本(ben)文(wen)詳(xiang)細(xi)介(jie)紹(shao)了(le)一(yi)種(zhong)超(chao)級(ji)電(dian)容(rong)器(qi)太(tai)陽(yang)能(neng)草(cao)坪(ping)燈(deng)的(de)設(she)計(ji)及(ji)實(shi)現(xian)方(fang)法(fa)。該(gai)草(cao)坪(ping)燈(deng)很(hen)好(hao)的(de)結(jie)合(he)了(le)太(tai)陽(yang)能(neng)和(he)超(chao)級(ji)電(dian)容(rong)器(qi)的(de)優(you)勢(shi),它(ta)無(wu)需(xu)安(an)裝(zhuang)其(qi)他(ta)電(dian)源(yuan),就(jiu)可(ke)以(yi)主(zhu)動(dong)發(fa)光(guang),還(hai)能(neng)夠(gou)根(gen)據(ju)環(huan)境(jing)光(guang)線(xian)的(de)強(qiang)弱(ruo)自(zi)動(dong)控(kong)製(zhi)燈(deng)的(de)開(kai)關(guan),而(er)且(qie)安(an)裝(zhuang)方(fang)便(bian)、不用布線、工作穩定可靠、免維護、環保無汙染、使用壽命長,可廣泛應用於廣場綠地、小區草坪等場所。
設計選擇
a. 光源的選擇
由於LED技術目前已經實現了關鍵性突破,同時性能價格比也有較大地提高。現在的LED壽命已可達到100 000h以上,而且工作電壓低,非常適合應用於太陽能草坪燈上。另外,LED由低壓直流供電,其光源控製成本低,可以調節明暗,並可頻繁開關,而且不會對LED的性能產生不良影響。因此,從可靠性、性價比、色溫和發光效率等幾個方麵綜合考慮,設計時可選擇額定電壓為3.3 V、工作電流為6 mA的超亮LED作為光源。由於草坪燈不但要有裝飾作用,還要有一定的照明功能,故可選擇8個LED使用。
b. 太陽能電池的選擇
太陽能電池是依據半導體PN結jie的de光guang伏fu效xiao應ying原yuan理li把ba太tai陽yang光guang能neng轉zhuan化hua為wei電dian能neng的de半ban導dao體ti器qi件jian,是shi超chao級ji電dian容rong器qi太tai陽yang能neng草cao坪ping燈deng的de核he心xin器qi件jian。太tai陽yang能neng電dian池chi性xing能neng的de好hao壞huai直zhi接jie決jue定ding著zhe能neng量liang的de轉zhuan換huan效xiao率lv及ji輸shu出chu電dian壓ya的de穩wen定ding性xing,同tong時shi也ye直zhi接jie決jue定ding了le超chao級ji電dian容rong器qi太tai陽yang能neng草cao坪ping燈deng的de性xing能neng。因yin此ci,設she計ji時shi應ying采cai用yong性xing價jia比bi比bi較jiao好hao的de單dan晶jing矽gui太tai陽yang能neng電dian池chi。
youyudiqiushanggegediqudetaiyangnianzongfusheliangyupingjunfengzhirizhaoshishubutong,taiyangnengcaopingdengdeshejihedengdeshiyongdiliweizhishiyouguanxide,taiyangnengdianchizujianedingshuchugonglvhedengjudeshurugonglvzhijiandeguanxidayueshi2~4:1,具體比例要根據燈的每天工作時間以及對連續陰雨天的照明要求決定。本係統的太陽能電池的功率為3.3V×0.006×8=0.1584 W,假設每天工作12個小時,太陽能電池功的效率為40%,每天有效工作時間為5小時,則可選用3 W/6 V的太陽能電池。
[page]
c. 超級電容的選擇
由(you)於(yu)太(tai)陽(yang)能(neng)電(dian)池(chi)的(de)輸(shu)入(ru)能(neng)量(liang)極(ji)不(bu)穩(wen)定(ding),同(tong)時(shi)草(cao)坪(ping)燈(deng)隻(zhi)是(shi)在(zai)周(zhou)圍(wei)光(guang)線(xian)較(jiao)弱(ruo)時(shi)才(cai)發(fa)光(guang),因(yin)而(er)必(bi)需(xu)配(pei)置(zhi)蓄(xu)電(dian)係(xi)統(tong)才(cai)能(neng)有(you)效(xiao)工(gong)作(zuo)。現(xian)階(jie)段(duan)普(pu)遍(bian)采(cai)用(yong)鉛(qian)酸(suan)蓄(xu)電(dian)池(chi)、Ni-Cd蓄電池或Ni-H蓄電池,但采用蓄電池作為蓄電係統有許多缺陷:首先可充電型蓄電池的充電次數有限(小於1000次),使用壽命較短;其次,由於其化學結構的影響,它不能進行大電流充電;第三,蓄電池需要有防過充、防過放以及溫度補償等控製電路,而且控製電路比較複雜;第四,可充電型蓄電池主要利用化學反應來進行充放電,電池中的廢物會對環境產生汙染,不屬於環保產品。
因此,本產品中選用超級電容做為儲能元件。該電容具有法拉級的超大電容量,超強的荷電保持能力,且漏電流非常小,8小時電壓下降率小於5%;無須特別的充電電路和控製放電電路,充電迅速,而且可以在僅高於其漏電流(典型值約為1 mA)的狀態下充電,因此,即使在陰天,太陽能電池也能對超級電容器充電;與蓄電池相比,其過充、過放都不對其壽命構成負麵影響,可靠性高、使用壽命長(充放電循環壽命在10萬次以上);此外還具有優良的溫度性能,可在-40℃~75℃的環境溫度中正常使用;無汙染,是一種綠色電源;可焊接,而且不存在象蓄電池那樣接觸不牢固等問題。
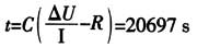
本太陽能草坪燈產品選用錦州凱美能源有限公司生產的6個2.5 V/150 F超級電容器組成的5.0V/225 F電容器模塊,其單隻電容器產品的ESR(DC)隻有20mΩ,直徑25 mm,高為48 mm。5 V/225 F超級電容器充電時間為(在充電電流為450mA的情況下):
![]()
式中:C-電容器額定容量;△U-電容器工作電壓變化;I-電容器充電電流;t-電容器充電時間。
超級電容器放電時間為:
![]()
式中:ESR為電容器的直流內阻。5 V/225 F超級電容器可從5 V放電到0.6 V。
係統控製電路的設計
a. 充電電路
本係統中的充電電路由防過壓和防反充電路構成,圖1所示為其充電電路,圖中的ZD1為5.6V穩壓二極管,當電池電壓高於5.6 V時,Q2導通,矽電池全部電流通過電阻Q2消耗掉,當矽電池電壓降到5.6 V以下時,Q2截至,矽電池給超級電容充電,並同時保護超級電容。

防(fang)止(zhi)反(fan)充(chong)電(dian)控(kong)製(zhi)電(dian)路(lu)可(ke)以(yi)保(bao)證(zheng)在(zai)太(tai)陽(yang)能(neng)電(dian)池(chi)輸(shu)入(ru)電(dian)壓(ya)低(di)於(yu)超(chao)級(ji)電(dian)容(rong)電(dian)壓(ya)時(shi),超(chao)級(ji)電(dian)容(rong)不(bu)會(hui)反(fan)向(xiang)對(dui)太(tai)陽(yang)能(neng)電(dian)池(chi)充(chong)電(dian),以(yi)免(mian)造(zao)成(cheng)不(bu)必(bi)要(yao)的(de)能(neng)量(liang)損(sun)耗(hao)。反(fan)充(chong)電(dian)控(kong)製(zhi)可(ke)由(you)圖(tu)1中的二極管D1來完成,這個二極管選用肖特基二極管,因為肖特基二極管的導通壓降比普通二極管低。
[page]
b. 驅動LED穩壓電路
由於所選用的LED燈的額定電壓為3.3 V,而超級電容器的電壓為5.0 V,並且超級電容器在放電過程中電壓會不斷降低,因此需要有穩壓電路來驅動LED。
本文選用CMOS工藝製造且靜態電流極低的VFM開關型DC/DC升壓穩壓器,該芯片內部包括VFM控製電路、LX開關驅動晶體管、基準電壓單元、振蕩器、誤差比較放大器、電壓采樣電阻、LX開關保護電路等。芯片外部隻需要一個電感、一個輸出電容和一個肖特基二極管就可以提供穩定的低噪聲輸出電壓。該穩壓器具有8μA的極低輸入電流、低紋波、低噪聲特性,效率可達到80%,並具有0.6 V的極低啟動電壓,輸出電壓精度可達±2.5%。該部分電路如圖2所示。

其中331C外圍的電感和二極管會影響轉換效率,此外,電容和電感也會影響輸出波紋。因此。設計時應選擇合適的電感、電容和肖特基二極管以獲得較高的轉換效率和較低的波紋和噪聲。根據331C的數據手冊,本設計選擇47μH且小於0.5 Ω的電感和47μF的低ESR的鉭電容。用於整流的二極管對DC-DC的效率影響很大,雖然普通的二極管也能夠使DC-DC電路工作正常,但是會降低DC-DC轉換器5%~10%的效率,所以D3采用正向導通電壓較低、反應時間較短的肖特基二極管lN5817。
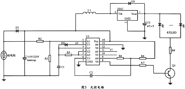
c. 光控電路
超級電容器太陽能草坪燈需要光控開關電路來控製LED的開關。以便在周圍環境光線變暗時點亮LED,並當光線變亮時關閉LED。有些光控開關電路采用光敏電阻來開關LED,也可以直接采用太陽能電池做光敏開關,因為太陽能電池特性比光敏電阻好。這部分電路如圖3所示。

圖3中,U1為帶施密特觸發器的六反相器74HC14,其中的多諧振蕩器由第二個反相器與R5和C1構成。這樣,在白天光線變亮時,太陽能電池電壓升高,74HC14的1腳為高電平,74HC14的2腳為低電平,8腳同樣輸出低電平,三極管Q1截至,LED關斷。而當光線變暗時,太陽能電池電壓降低到一定程度時,HC14的1腳為低電平,HC14的2腳為高電平,多諧振蕩器開始振蕩,並經過Y4輸出高、低電平,Q2時而導通時而截至,此時隻要調節R6和C1的值,以把閃光頻率調節到人眼不能分辨即可,這樣做的最大好處是可以延長草坪燈工作時間。經實際測試,該電路可以每天連續工作10小時以上,完全可以達到用戶的使用需求。
結束語
本超級電容器太陽能草坪的設計采用了超級電容和集成的DC-DC芯片,因而整個電路設計簡單,可靠性高,屬於綠色環保產品。目前,此設計已經成功應用於實際產品之中。
- 噪聲中提取真值!瑞盟科技推出MSA2240電流檢測芯片賦能多元高端測量場景
- 10MHz高頻運行!氮矽科技發布集成驅動GaN芯片,助力電源能效再攀新高
- 失真度僅0.002%!力芯微推出超低內阻、超低失真4PST模擬開關
- 一“芯”雙電!聖邦微電子發布雙輸出電源芯片,簡化AFE與音頻設計
- 一機適配萬端:金升陽推出1200W可編程電源,賦能高端裝備製造
- 邊緣AI的發展為更智能、更可持續的技術鋪平道路
- 每台智能體PC,都是AI時代的新入口
- IAR作為Qt Group獨立BU攜兩項重磅汽車電子應用開發方案首秀北京車展
- 構建具有網絡彈性的嵌入式係統:來自行業領袖的洞見
- 數字化的線性穩壓器
- 車規與基於V2X的車輛協同主動避撞技術展望
- 數字隔離助力新能源汽車安全隔離的新挑戰
- 汽車模塊拋負載的解決方案
- 車用連接器的安全創新應用
- Melexis Actuators Business Unit
- Position / Current Sensors - Triaxis Hall






