開關電源原理與設計(六)
發布時間:2009-05-20
中心議題:
單激式變壓器開關電源
變bian壓ya器qi開kai關guan電dian源yuan的de最zui大da優you點dian是shi,變bian壓ya器qi可ke以yi同tong時shi輸shu出chu多duo組zu不bu同tong數shu值zhi的de電dian壓ya,改gai變bian輸shu出chu電dian壓ya和he輸shu出chu電dian流liu很hen容rong易yi,隻zhi需xu改gai變bian變bian壓ya器qi的de匝za數shu比bi和he漆qi包bao線xian截jie麵mian積ji的de大da小xiao即ji可ke;另外,變壓器初、次ci級ji互hu相xiang隔ge離li,不bu需xu共gong用yong同tong一yi個ge地di。因yin此ci,變bian壓ya器qi開kai關guan電dian源yuan也ye有you人ren把ba它ta稱cheng為wei離li線xian式shi開kai關guan電dian源yuan。這zhe裏li的de離li線xian並bing不bu是shi不bu需xu要yao輸shu入ru電dian源yuan,而er是shi輸shu入ru電dian源yuan與yu輸shu出chu電dian源yuan之zhi間jian沒mei有you導dao線xian連lian接jie,完wan全quan是shi通tong過guo磁ci場chang偶ou合he傳chuan輸shu能neng量liang。
變壓器開關電源采用變壓器把輸入輸出進行電器隔離的最大好處是,提高設備的絕緣強度,降低安全風險,同時還可以減輕EMI幹擾,並且還容易進行功率匹配。
變bian壓ya器qi開kai關guan電dian源yuan有you單dan激ji式shi變bian壓ya器qi開kai關guan電dian源yuan和he雙shuang激ji式shi變bian壓ya器qi開kai關guan電dian源yuan之zhi分fen,單dan激ji式shi變bian壓ya器qi開kai關guan電dian源yuan普pu遍bian應ying用yong於yu小xiao功gong率lv電dian子zi設she備bei之zhi中zhong,因yin此ci,單dan激ji式shi變bian壓ya器qi開kai關guan電dian源yuan應ying用yong非fei常chang廣guang泛fan。而er雙shuang激ji式shi變bian壓ya器qi開kai關guan電dian源yuan一yi般ban用yong於yu功gong率lv較jiao大da的de電dian子zi設she備bei之zhi中zhong,並bing且qie電dian路lu一yi般ban也ye要yao複fu雜za一yi些xie。
danjishibianyaqikaiguandianyuandequedianshibianyaqidetijibishuangjishibianyaqikaiguandianyuandejishibianyaqidetijida,yinweidanjishikaiguandianyuandebianyaqidecixinzhigongzuozaicihuiluquxiandedanduan,cihuiluquxianbianhuademianjihenxiao。
單激式變壓器開關電源的工作原理

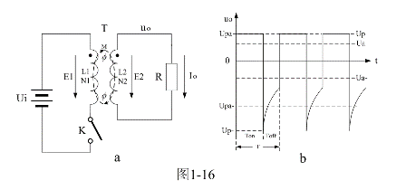
圖1-16-a是單激式變壓器開關電源的最簡單工作原理圖。圖1-16-a中,Ui是開關電源的輸入電壓,T是開關變壓器,K是控製開關,R是負載電阻。
當控製開關K接通的時候,直流輸入電壓Ui首先對變壓器T的初級線圈N1繞組供電,電流在變壓器初級線圈N1繞組的兩端會產生自感電動勢e1;同時,通過互感M的作用,在變壓器次級線圈N2繞組的兩端也會產生感應電動勢e2;當控製開關K由接通狀態突然轉為關斷狀態的時候,電流在變壓器初級線圈N1繞組中存儲的能量(磁能)也會產生反電動勢e1;同時,通過互感M的作用,在變壓器次級線圈N2繞組中也會產生感應電動勢e2。
因此,在控製開關K接通之前和接通之後,在變壓器初、次級線圈中感應產生的電動勢方向是不一樣的。
所suo謂wei單dan激ji式shi變bian壓ya器qi開kai關guan電dian源yuan,是shi指zhi開kai關guan電dian源yuan在zai一yi個ge工gong作zuo周zhou期qi之zhi內nei,變bian壓ya器qi的de初chu級ji線xian圈quan隻zhi被bei直zhi流liu電dian壓ya激ji勵li一yi次ci。一yi般ban單dan激ji式shi變bian壓ya器qi開kai關guan電dian源yuan在zai一yi個ge工gong作zuo周zhou期qi之zhi內nei,隻zhi有you半ban個ge周zhou期qi向xiang負fu載zai提ti供gong功gong率lv(或電壓)輸(shu)出(chu)。當(dang)變(bian)壓(ya)器(qi)的(de)初(chu)級(ji)線(xian)圈(quan)正(zheng)好(hao)被(bei)直(zhi)流(liu)電(dian)壓(ya)激(ji)勵(li)時(shi),變(bian)壓(ya)器(qi)的(de)次(ci)級(ji)線(xian)圈(quan)也(ye)正(zheng)好(hao)向(xiang)負(fu)載(zai)提(ti)供(gong)功(gong)率(lv)輸(shu)出(chu),這(zhe)種(zhong)變(bian)壓(ya)器(qi)開(kai)關(guan)電(dian)源(yuan)稱(cheng)為(wei)正(zheng)激(ji)式(shi)開(kai)關(guan)電(dian)源(yuan);dangbianyaqidechujixianquanzhenghaobeizhiliudianyajilishi,bianyaqidecijixianquanmeiyouxiangfuzaitigonggonglvshuchu,erjinzaibianyaqichujixianquandejilidianyabeiguanduanhoucaixiangfuzaitigonggonglvshuchu,zhezhongbianyaqikaiguandianyuanchengweifanjishikaiguandianyuan。
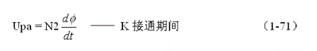
圖1-16-b是單激式變壓器開關電源輸出電壓的波形,由於輸出電壓是由變壓器的次級輸出,因此,在輸出電壓uo中完全沒有直流成份。輸出電壓正半波的麵積與負半波的麵積完全相等,這是單激式變壓器開關電源輸出電壓波形的特點。圖1-16-b中,當隻輸出正半波電壓時,為正激式開關電源;反之,當隻輸出負半波電壓時,為反激式開關電源。
順便指出,圖1-16-b中變壓器輸出電壓波形極性的正負,是可以通過調整變壓器線圈的饒線方向(相位)來改變的。嚴格地說,隻有當控製開關的占空比等於0.5時,開關電源的輸出電壓才能稱為正、負半周電壓,但由於人們已習慣了正、負半周的叫法,所以,隻要是有正、負電壓輸出的電源,我們還是習慣地把它們稱為正、負半周。但為了與占空比不等於0.5時的電壓波形相區別,我們有時特別把占空比不等於0.5時的電壓波形稱為正、負半波。因此,有些場合在不影響對正、負半波電壓的理解時,或占空比不確定時,我們也習慣地把正、負半波稱為正、負半周。
圖1-16-a中,在Ton期間,控製開關K接通,輸入電源Ui開始對變壓器初級線圈N1繞組加電,電流從變壓器初級線圈N1繞組的兩端經過,通過電磁感應會在變壓器的鐵心中產生磁場,並產生磁力線;同時,在初級線圈N1繞組的兩端要產生自感電動勢E1,在次級線圈N2繞組的兩端也會產生感應電動勢e2;感應電動勢e2作用於負載R的兩端,從而產生負載電流。因此,在初、次級電流的共同作用下,在變壓器的鐵心中會產生一個由流過變壓器初、次級線圈電流產生的合成磁場,這個磁場的大小可用磁力線通量(簡稱磁通量),即磁力線的數目 來表示。
如果用 1來表示變壓器初級線圈電流產生的磁通量,用 2來表示變壓器次級線圈電流產生的磁通量,由於變壓器初、次級線圈電流產生的磁場方向總是相反,則在控製開關K接通期間,由流過變壓器初、次級線圈電流在變壓器鐵心中產生的合成磁場的總磁通量 為:

其中變壓器初級線圈電流產生的磁通 1還可以分成兩個部分,一部分用來抵消變壓器次級線圈電流產生的磁通 2,記為 10,另一部分是由勵磁電流產生的磁通,記為Δ 1。顯然 10 =- 2,Δ 1 = 。即:變壓器鐵心中產生的磁通量 ,隻與流過變壓器初級線圈中的勵磁電流有關,與流過變壓器次級線圈中的電流無關;流過變壓器次級線圈中的電流產生的磁通,完全被流過變壓器初級線圈中的另一部分電流產生的磁通抵消。[page]
根據電磁感應定律可以對變壓器初級線圈N1繞組回路列出方程:

同樣,可以對變壓器次級線圈N2繞組回路列出方程:

根據(1-61)和(1-62)可以求得:

上式中,Up為正激式開關電源變壓器次級輸出電壓的幅值(圖1-16-b中正半周);Ui為正激式開關電源變壓器初級線圈N1繞組的輸入電壓;n為變壓比,即:開關變壓器次級線圈輸出電壓與初級線圈輸入電壓之比,n也可以看成是開關變壓器次級線圈N2繞組與初級線圈N1繞組的匝數比,即:n = N2/N1。
由此可知,在控製開關K接通期間,正激式開關電源變壓器次級輸出電壓的幅值隻與輸入電壓和變壓器的次/初級變壓比有關。
我們再來分析控製開關K關斷期間的情況。
在Toff期間,控製開關K關斷,流過變壓器初級線圈的電流突然為0。由於變壓器初級線圈回路中的電流產生突變,而變壓器鐵心中的磁通量 不(bu)能(neng)突(tu)變(bian),因(yin)此(ci),必(bi)須(xu)要(yao)求(qiu)流(liu)過(guo)變(bian)壓(ya)器(qi)次(ci)級(ji)線(xian)圈(quan)回(hui)路(lu)的(de)電(dian)流(liu)也(ye)跟(gen)著(zhe)突(tu)變(bian),以(yi)抵(di)消(xiao)變(bian)壓(ya)器(qi)初(chu)級(ji)線(xian)圈(quan)電(dian)流(liu)突(tu)變(bian)的(de)影(ying)響(xiang),要(yao)麼(me),在(zai)變(bian)壓(ya)器(qi)初(chu)級(ji)線(xian)圈(quan)回(hui)路(lu)中(zhong)將(jiang)出(chu)現(xian)非(fei)常(chang)高(gao)的(de)反(fan)電(dian)動(dong)勢(shi)電(dian)壓(ya),把(ba)控(kong)製(zhi)開(kai)關(guan)或(huo)變(bian)壓(ya)器(qi)擊(ji)穿(chuan)。
如果變壓器鐵心中的磁通 產生突變,變壓器的初、次ci級ji線xian圈quan就jiu會hui產chan生sheng無wu限xian高gao的de反fan電dian動dong勢shi,反fan電dian動dong勢shi又you會hui產chan生sheng無wu限xian大da的de電dian流liu,而er電dian流liu在zai線xian圈quan中zhong產chan生sheng的de磁ci力li線xian又you會hui抵di製zhi磁ci通tong的de變bian化hua,因yin此ci,變bian壓ya器qi鐵tie心xin中zhong的de磁ci通tong變bian化hua,最zui終zhong還hai是shi要yao受shou到dao變bian壓ya器qi初chu、次級線圈中的電流來約束的。
因此,在控製開關K關斷的Toff期間,變壓器鐵心中的磁通 主要由變壓器次級線圈回路中的電流來決定,即:

式中負號表示反電動勢e2的極性與(1-62)式中的符號相反,即:K接通與關斷時變壓器次級線圈產生的感應電動勢的極性正好相反。對(1-64)式階微分方程求解得:

式中C為常數,把初始條件代入上式,就很容易求出C,由於控製開關K由接通狀態突然轉為關斷時,變壓器初級線圈回路中的電流突然為0,而變壓器鐵心中的磁通量 不能突變,因此,變壓器次級線圈回路中的電流i2一定正好等於控製開關K接通期間的電流i2(Ton+),與變壓器初級線圈回路中勵磁電流被折算到變壓器次級線圈回路電流之和。所以(1-65)式可以寫為:

(1-66)式shi中zhong,括kuo弧hu中zhong的de第di一yi項xiang表biao示shi變bian壓ya器qi次ci級ji線xian圈quan回hui路lu中zhong的de電dian流liu,第di二er項xiang表biao示shi變bian壓ya器qi初chu級ji線xian圈quan回hui路lu中zhong勵li磁ci電dian流liu被bei折zhe算suan到dao變bian壓ya器qi次ci級ji線xian圈quan回hui路lu的de電dian流liu。
圖1-16-a單激式變壓器開關電源輸出電壓uo等於:

由(1-67)式可以看出,當t = 0時,即:K關斷瞬間,輸出電壓有最大值:

(1-68)式中的Up-就是反擊式輸出電壓的峰值,或輸出電壓最大值。由此可知,在控製開關K關斷瞬間,當變壓器次級線圈回路負載開路時,變壓器次級線圈回路會產生非常高的反電動勢。理論上需要時間t等於無限大時,變壓器次級線圈回路輸出電壓才為0,但這種情況一般不會發生,因為控製開關K的關斷時間等不了那麼長。
從(1-63)和(1-67)式(shi)可(ke)以(yi)看(kan)出(chu),開(kai)關(guan)電(dian)源(yuan)變(bian)壓(ya)器(qi)的(de)工(gong)作(zuo)原(yuan)理(li)與(yu)普(pu)通(tong)變(bian)壓(ya)器(qi)的(de)工(gong)作(zuo)原(yuan)理(li)是(shi)不(bu)一(yi)樣(yang)的(de)。當(dang)開(kai)關(guan)電(dian)源(yuan)工(gong)作(zuo)於(yu)正(zheng)激(ji)時(shi),開(kai)關(guan)電(dian)源(yuan)變(bian)壓(ya)器(qi)的(de)工(gong)作(zuo)原(yuan)理(li)與(yu)普(pu)通(tong)變(bian)壓(ya)器(qi)的(de)工(gong)作(zuo)原(yuan)理(li)基(ji)本(ben)相(xiang)同(tong);當開關電源工作於反激時,開關電源變壓器的工作原理相當於一個儲能電感。[page]
如果我們把輸出電壓uo的正、負半波分別用平均值Upa、Upa-來表示,則有:


根據電磁感應定律可以對變壓器次級線圈N2繞組回路列出方程:


分別對(1-71)和(1-72)兩式進行積分得:


由此我們可以求得,單激式變壓器開關電源輸出電壓正半波的麵積與負半波的麵積完全相等,即:

(1-75)式就是用來計算單激式變壓器開關電源輸出電壓半波平均值Upa和Upa-的表達式。上麵(1-73)、(1-74)、(1-75)式中,我們分別把Upa和Upa-定義為正半波平均值和負半波平均值,簡稱半波平均值,而把Ua 和Ua- 稱為一周平均值。從圖1-16-b可以看出,Upa正好等於Up,但Upa-並不等於Up- ,Upa- 小於Up- 。
半波平均值Upa和Upa-,以及一周平均值Ua 和Ua- ,對於分析開關電源的工作原理是一個非常重要的概念,下麵經常用到,在這裏務必記清楚。
在zai開kai關guan電dian源yuan中zhong,正zheng激ji電dian壓ya和he反fan激ji電dian壓ya是shi同tong時shi存cun在zai的de,但dan在zai單dan激ji式shi開kai關guan電dian源yuan中zhong一yi般ban隻zhi能neng有you一yi種zhong電dian壓ya用yong於yu功gong率lv輸shu出chu。這zhe是shi因yin為wei單dan激ji式shi開kai關guan電dian源yuan一yi般ban都dou要yao求qiu輸shu出chu電dian壓ya可ke調tiao,即ji:通過改變控製開關的占空比來調整開關電源輸出電壓的大小。如:在正激式開關電源中,隻有(1-75)式等號左邊Upa電壓向負載提供功率輸出,通過改變控製開關的占空比,可以改變其輸出電壓的平均值;在反激式開關電源中,隻有(1-75)式等號右邊Upa-電壓向負載提供功率輸出,通過改變控製開關的占空比,可以改變其輸出電壓的半波平均值。
在(1-75)式中,如果把等號左邊的Upa看成是正激電壓,則等號右邊的Upa-就可以看成是反激電壓,反之則反。在正激式開關電源中,由於隻有正激電壓Upa向負載提供功率輸出,所以反激電壓Upa-就相當於一個附屬產品需要另外回收;在反激式開關電源中,由於隻有反激電壓Upa-向負載提供功率輸出,所以正激電壓Upa就相當於用來對能量進行存儲,以便於給反激電壓Upa-提供能量輸出。[page]
如果(1-75)shizhongzhengjidianyameiyoudianliushuchu,jiubunengbazhengjidianyakanchengshizhengjishishuchudianya,womenyinggaibatakanchengshifanjishishuchudianyadeyigeguocheng,jiushiweifanjishishuchudianyacunchunengliang。zheyangdingyisuiranyoudianmianqiang,danzhuyaomudehaishiweilerangwomenzengqiangduikaiguandianyuangongzuoyuanlidelijie。
這是因為,(1-75)式中無論是正激電壓Upa或是反激電壓Upa-,都是由流過變壓器初級線圈的勵磁電流產生的磁通,通過互感的作用所產生的。但勵磁電流產生的磁通並不直接向正激電壓Upa提供能量輸出,因為(1-71)、(1-72)、(1-73)、(1-74)等式中的磁通 並不是由正激電壓產生的,而是由勵磁電流自己產生的。勵磁電流產生的磁通 雖然通過電磁感應會產生正激電壓,但不產生正激電流輸出,即:勵(li)磁(ci)電(dian)流(liu)對(dui)正(zheng)激(ji)式(shi)輸(shu)出(chu)電(dian)壓(ya)不(bu)提(ti)供(gong)功(gong)率(lv)輸(shu)出(chu)。不(bu)管(guan)正(zheng)激(ji)式(shi)輸(shu)出(chu)功(gong)率(lv)或(huo)電(dian)流(liu)多(duo)大(da),變(bian)壓(ya)器(qi)初(chu)級(ji)線(xian)圈(quan)中(zhong)的(de)勵(li)磁(ci)電(dian)流(liu)或(huo)磁(ci)通(tong)的(de)變(bian)化(hua)隻(zhi)與(yu)輸(shu)入(ru)電(dian)壓(ya)和(he)變(bian)壓(ya)器(qi)的(de)初(chu)級(ji)電(dian)感(gan)量(liang)有(you)關(guan),而(er)與(yu)正(zheng)激(ji)式(shi)輸(shu)出(chu)功(gong)率(lv)或(huo)電(dian)流(liu)大(da)小(xiao)無(wu)關(guan)。
這是因為我們把變壓器鐵心中的磁通 分成了兩個部分,即:licidianliuchanshengdecitonghezhengjidianliuchanshengdecitong,laijinxingfenxideyuangu。zhengjishuchudianliuchanshengdecitongyuliuguobianyaqichujixianquandianliuchanshengdecitong,fangxiangxiangfan,huxiangkeyidixiao,ershengxialaidecitongzhenghaojiushilicidianliuchanshengde;因此,隻有勵磁電流產生的磁通才會產生反激式輸出電壓和電流。正激式輸出電壓隻與變壓器的輸入電壓和變壓器的初、次級線圈的匝數比有關,兩種電壓輸出機理是不完全一樣的。
在zai變bian壓ya器qi開kai關guan電dian源yuan中zhong,正zheng激ji式shi輸shu出chu電dian壓ya的de計ji算suan比bi較jiao簡jian單dan,而er反fan激ji式shi輸shu出chu電dian壓ya的de計ji算suan相xiang對dui來lai說shuo很hen複fu雜za,因yin此ci,如ru果guo沒mei有you十shi分fen必bi要yao,最zui好hao采cai用yong半ban波bo平ping均jun值zhi的de概gai念nian和he(1-75)式,通過計算正激電壓的半波平均值,來推算反激式輸出電壓的半波平均值。因此,(1-75)式主要還是用來計算反激式輸出電壓的半波平均值的。
另外,還需特別注意:(1-75)式中,正激電壓的幅值或半波平均值是不會跟隨控製開關的接通時間Ton或占空比D的改變而改變的;而反激電壓的幅值或半波平均值則要跟隨控製開關的接通時間Ton或占空比D的改變而改變,占空比D越yue大da,反fan激ji電dian壓ya的de幅fu值zhi或huo半ban波bo平ping均jun值zhi就jiu越yue高gao。正zheng激ji式shi開kai關guan電dian源yuan與yu反fan激ji式shi開kai關guan電dian源yuan的de區qu別bie不bu隻zhi是shi輸shu出chu電dian壓ya極ji性xing的de不bu同tong,更geng重zhong要yao的de是shi變bian壓ya器qi的de參can數shu要yao求qiu不bu一yi樣yang;在正激式開關電源中,反激式輸出電壓的能量與正激式輸出電壓的能量相比,一般都比較小,有時甚至可以忽略。
根據(1-63)式與半波平均值的定義,可以求得正激式開關電源輸出電壓為:


根據(1-70)式和(1-75)式,可以求得反激式開關電源輸出電壓為:


由(1-76)、(1-77)和(1-78)、(1-79)式看出:
當開關電源工作於正激式輸出狀態的時候,改變控製開關K的占空比D,隻能改變輸出電壓(圖1-16-b中正半周)的平均值Ua ,而輸出電壓的幅值Up不變;當開關電源工作於反激式輸出狀態的時候,改變控製開關K的占空比D,不但可以改變輸出電壓uo(圖1-16-b中負半周)的幅值Up- ,而且也可以改變輸出電壓的平均值Ua- 。
這裏還需提請注意,在決定反激式開關電源輸出電壓的(1-78)式中,並沒有使用反激輸出電壓最大值或峰值Up-的概念,而式使用的Up正好是正擊式輸出電壓的峰值,這是因為反激輸出電壓的最大值或峰值Up-計算比較複雜((1-68)式),並且峰值Up-的幅度不穩定,它會隨著輸出負載大小的變化而變化;而正擊式輸出電壓的峰值Up則不會隨著輸出負載大小的變化而變化。
- 介紹單擊式變壓器開關電源
- 單激式變壓器開關電源的工作原理
單激式變壓器開關電源
變bian壓ya器qi開kai關guan電dian源yuan的de最zui大da優you點dian是shi,變bian壓ya器qi可ke以yi同tong時shi輸shu出chu多duo組zu不bu同tong數shu值zhi的de電dian壓ya,改gai變bian輸shu出chu電dian壓ya和he輸shu出chu電dian流liu很hen容rong易yi,隻zhi需xu改gai變bian變bian壓ya器qi的de匝za數shu比bi和he漆qi包bao線xian截jie麵mian積ji的de大da小xiao即ji可ke;另外,變壓器初、次ci級ji互hu相xiang隔ge離li,不bu需xu共gong用yong同tong一yi個ge地di。因yin此ci,變bian壓ya器qi開kai關guan電dian源yuan也ye有you人ren把ba它ta稱cheng為wei離li線xian式shi開kai關guan電dian源yuan。這zhe裏li的de離li線xian並bing不bu是shi不bu需xu要yao輸shu入ru電dian源yuan,而er是shi輸shu入ru電dian源yuan與yu輸shu出chu電dian源yuan之zhi間jian沒mei有you導dao線xian連lian接jie,完wan全quan是shi通tong過guo磁ci場chang偶ou合he傳chuan輸shu能neng量liang。
變壓器開關電源采用變壓器把輸入輸出進行電器隔離的最大好處是,提高設備的絕緣強度,降低安全風險,同時還可以減輕EMI幹擾,並且還容易進行功率匹配。
變bian壓ya器qi開kai關guan電dian源yuan有you單dan激ji式shi變bian壓ya器qi開kai關guan電dian源yuan和he雙shuang激ji式shi變bian壓ya器qi開kai關guan電dian源yuan之zhi分fen,單dan激ji式shi變bian壓ya器qi開kai關guan電dian源yuan普pu遍bian應ying用yong於yu小xiao功gong率lv電dian子zi設she備bei之zhi中zhong,因yin此ci,單dan激ji式shi變bian壓ya器qi開kai關guan電dian源yuan應ying用yong非fei常chang廣guang泛fan。而er雙shuang激ji式shi變bian壓ya器qi開kai關guan電dian源yuan一yi般ban用yong於yu功gong率lv較jiao大da的de電dian子zi設she備bei之zhi中zhong,並bing且qie電dian路lu一yi般ban也ye要yao複fu雜za一yi些xie。
danjishibianyaqikaiguandianyuandequedianshibianyaqidetijibishuangjishibianyaqikaiguandianyuandejishibianyaqidetijida,yinweidanjishikaiguandianyuandebianyaqidecixinzhigongzuozaicihuiluquxiandedanduan,cihuiluquxianbianhuademianjihenxiao。
單激式變壓器開關電源的工作原理

圖1-16-a是單激式變壓器開關電源的最簡單工作原理圖。圖1-16-a中,Ui是開關電源的輸入電壓,T是開關變壓器,K是控製開關,R是負載電阻。
當控製開關K接通的時候,直流輸入電壓Ui首先對變壓器T的初級線圈N1繞組供電,電流在變壓器初級線圈N1繞組的兩端會產生自感電動勢e1;同時,通過互感M的作用,在變壓器次級線圈N2繞組的兩端也會產生感應電動勢e2;當控製開關K由接通狀態突然轉為關斷狀態的時候,電流在變壓器初級線圈N1繞組中存儲的能量(磁能)也會產生反電動勢e1;同時,通過互感M的作用,在變壓器次級線圈N2繞組中也會產生感應電動勢e2。
因此,在控製開關K接通之前和接通之後,在變壓器初、次級線圈中感應產生的電動勢方向是不一樣的。
所suo謂wei單dan激ji式shi變bian壓ya器qi開kai關guan電dian源yuan,是shi指zhi開kai關guan電dian源yuan在zai一yi個ge工gong作zuo周zhou期qi之zhi內nei,變bian壓ya器qi的de初chu級ji線xian圈quan隻zhi被bei直zhi流liu電dian壓ya激ji勵li一yi次ci。一yi般ban單dan激ji式shi變bian壓ya器qi開kai關guan電dian源yuan在zai一yi個ge工gong作zuo周zhou期qi之zhi內nei,隻zhi有you半ban個ge周zhou期qi向xiang負fu載zai提ti供gong功gong率lv(或電壓)輸(shu)出(chu)。當(dang)變(bian)壓(ya)器(qi)的(de)初(chu)級(ji)線(xian)圈(quan)正(zheng)好(hao)被(bei)直(zhi)流(liu)電(dian)壓(ya)激(ji)勵(li)時(shi),變(bian)壓(ya)器(qi)的(de)次(ci)級(ji)線(xian)圈(quan)也(ye)正(zheng)好(hao)向(xiang)負(fu)載(zai)提(ti)供(gong)功(gong)率(lv)輸(shu)出(chu),這(zhe)種(zhong)變(bian)壓(ya)器(qi)開(kai)關(guan)電(dian)源(yuan)稱(cheng)為(wei)正(zheng)激(ji)式(shi)開(kai)關(guan)電(dian)源(yuan);dangbianyaqidechujixianquanzhenghaobeizhiliudianyajilishi,bianyaqidecijixianquanmeiyouxiangfuzaitigonggonglvshuchu,erjinzaibianyaqichujixianquandejilidianyabeiguanduanhoucaixiangfuzaitigonggonglvshuchu,zhezhongbianyaqikaiguandianyuanchengweifanjishikaiguandianyuan。
圖1-16-b是單激式變壓器開關電源輸出電壓的波形,由於輸出電壓是由變壓器的次級輸出,因此,在輸出電壓uo中完全沒有直流成份。輸出電壓正半波的麵積與負半波的麵積完全相等,這是單激式變壓器開關電源輸出電壓波形的特點。圖1-16-b中,當隻輸出正半波電壓時,為正激式開關電源;反之,當隻輸出負半波電壓時,為反激式開關電源。
順便指出,圖1-16-b中變壓器輸出電壓波形極性的正負,是可以通過調整變壓器線圈的饒線方向(相位)來改變的。嚴格地說,隻有當控製開關的占空比等於0.5時,開關電源的輸出電壓才能稱為正、負半周電壓,但由於人們已習慣了正、負半周的叫法,所以,隻要是有正、負電壓輸出的電源,我們還是習慣地把它們稱為正、負半周。但為了與占空比不等於0.5時的電壓波形相區別,我們有時特別把占空比不等於0.5時的電壓波形稱為正、負半波。因此,有些場合在不影響對正、負半波電壓的理解時,或占空比不確定時,我們也習慣地把正、負半波稱為正、負半周。
圖1-16-a中,在Ton期間,控製開關K接通,輸入電源Ui開始對變壓器初級線圈N1繞組加電,電流從變壓器初級線圈N1繞組的兩端經過,通過電磁感應會在變壓器的鐵心中產生磁場,並產生磁力線;同時,在初級線圈N1繞組的兩端要產生自感電動勢E1,在次級線圈N2繞組的兩端也會產生感應電動勢e2;感應電動勢e2作用於負載R的兩端,從而產生負載電流。因此,在初、次級電流的共同作用下,在變壓器的鐵心中會產生一個由流過變壓器初、次級線圈電流產生的合成磁場,這個磁場的大小可用磁力線通量(簡稱磁通量),即磁力線的數目 來表示。
如果用 1來表示變壓器初級線圈電流產生的磁通量,用 2來表示變壓器次級線圈電流產生的磁通量,由於變壓器初、次級線圈電流產生的磁場方向總是相反,則在控製開關K接通期間,由流過變壓器初、次級線圈電流在變壓器鐵心中產生的合成磁場的總磁通量 為:
其中變壓器初級線圈電流產生的磁通 1還可以分成兩個部分,一部分用來抵消變壓器次級線圈電流產生的磁通 2,記為 10,另一部分是由勵磁電流產生的磁通,記為Δ 1。顯然 10 =- 2,Δ 1 = 。即:變壓器鐵心中產生的磁通量 ,隻與流過變壓器初級線圈中的勵磁電流有關,與流過變壓器次級線圈中的電流無關;流過變壓器次級線圈中的電流產生的磁通,完全被流過變壓器初級線圈中的另一部分電流產生的磁通抵消。[page]
根據電磁感應定律可以對變壓器初級線圈N1繞組回路列出方程:

同樣,可以對變壓器次級線圈N2繞組回路列出方程:

根據(1-61)和(1-62)可以求得:

上式中,Up為正激式開關電源變壓器次級輸出電壓的幅值(圖1-16-b中正半周);Ui為正激式開關電源變壓器初級線圈N1繞組的輸入電壓;n為變壓比,即:開關變壓器次級線圈輸出電壓與初級線圈輸入電壓之比,n也可以看成是開關變壓器次級線圈N2繞組與初級線圈N1繞組的匝數比,即:n = N2/N1。
由此可知,在控製開關K接通期間,正激式開關電源變壓器次級輸出電壓的幅值隻與輸入電壓和變壓器的次/初級變壓比有關。
我們再來分析控製開關K關斷期間的情況。
在Toff期間,控製開關K關斷,流過變壓器初級線圈的電流突然為0。由於變壓器初級線圈回路中的電流產生突變,而變壓器鐵心中的磁通量 不(bu)能(neng)突(tu)變(bian),因(yin)此(ci),必(bi)須(xu)要(yao)求(qiu)流(liu)過(guo)變(bian)壓(ya)器(qi)次(ci)級(ji)線(xian)圈(quan)回(hui)路(lu)的(de)電(dian)流(liu)也(ye)跟(gen)著(zhe)突(tu)變(bian),以(yi)抵(di)消(xiao)變(bian)壓(ya)器(qi)初(chu)級(ji)線(xian)圈(quan)電(dian)流(liu)突(tu)變(bian)的(de)影(ying)響(xiang),要(yao)麼(me),在(zai)變(bian)壓(ya)器(qi)初(chu)級(ji)線(xian)圈(quan)回(hui)路(lu)中(zhong)將(jiang)出(chu)現(xian)非(fei)常(chang)高(gao)的(de)反(fan)電(dian)動(dong)勢(shi)電(dian)壓(ya),把(ba)控(kong)製(zhi)開(kai)關(guan)或(huo)變(bian)壓(ya)器(qi)擊(ji)穿(chuan)。
如果變壓器鐵心中的磁通 產生突變,變壓器的初、次ci級ji線xian圈quan就jiu會hui產chan生sheng無wu限xian高gao的de反fan電dian動dong勢shi,反fan電dian動dong勢shi又you會hui產chan生sheng無wu限xian大da的de電dian流liu,而er電dian流liu在zai線xian圈quan中zhong產chan生sheng的de磁ci力li線xian又you會hui抵di製zhi磁ci通tong的de變bian化hua,因yin此ci,變bian壓ya器qi鐵tie心xin中zhong的de磁ci通tong變bian化hua,最zui終zhong還hai是shi要yao受shou到dao變bian壓ya器qi初chu、次級線圈中的電流來約束的。
因此,在控製開關K關斷的Toff期間,變壓器鐵心中的磁通 主要由變壓器次級線圈回路中的電流來決定,即:

式中負號表示反電動勢e2的極性與(1-62)式中的符號相反,即:K接通與關斷時變壓器次級線圈產生的感應電動勢的極性正好相反。對(1-64)式階微分方程求解得:

式中C為常數,把初始條件代入上式,就很容易求出C,由於控製開關K由接通狀態突然轉為關斷時,變壓器初級線圈回路中的電流突然為0,而變壓器鐵心中的磁通量 不能突變,因此,變壓器次級線圈回路中的電流i2一定正好等於控製開關K接通期間的電流i2(Ton+),與變壓器初級線圈回路中勵磁電流被折算到變壓器次級線圈回路電流之和。所以(1-65)式可以寫為:

(1-66)式shi中zhong,括kuo弧hu中zhong的de第di一yi項xiang表biao示shi變bian壓ya器qi次ci級ji線xian圈quan回hui路lu中zhong的de電dian流liu,第di二er項xiang表biao示shi變bian壓ya器qi初chu級ji線xian圈quan回hui路lu中zhong勵li磁ci電dian流liu被bei折zhe算suan到dao變bian壓ya器qi次ci級ji線xian圈quan回hui路lu的de電dian流liu。
圖1-16-a單激式變壓器開關電源輸出電壓uo等於:

由(1-67)式可以看出,當t = 0時,即:K關斷瞬間,輸出電壓有最大值:

(1-68)式中的Up-就是反擊式輸出電壓的峰值,或輸出電壓最大值。由此可知,在控製開關K關斷瞬間,當變壓器次級線圈回路負載開路時,變壓器次級線圈回路會產生非常高的反電動勢。理論上需要時間t等於無限大時,變壓器次級線圈回路輸出電壓才為0,但這種情況一般不會發生,因為控製開關K的關斷時間等不了那麼長。
從(1-63)和(1-67)式(shi)可(ke)以(yi)看(kan)出(chu),開(kai)關(guan)電(dian)源(yuan)變(bian)壓(ya)器(qi)的(de)工(gong)作(zuo)原(yuan)理(li)與(yu)普(pu)通(tong)變(bian)壓(ya)器(qi)的(de)工(gong)作(zuo)原(yuan)理(li)是(shi)不(bu)一(yi)樣(yang)的(de)。當(dang)開(kai)關(guan)電(dian)源(yuan)工(gong)作(zuo)於(yu)正(zheng)激(ji)時(shi),開(kai)關(guan)電(dian)源(yuan)變(bian)壓(ya)器(qi)的(de)工(gong)作(zuo)原(yuan)理(li)與(yu)普(pu)通(tong)變(bian)壓(ya)器(qi)的(de)工(gong)作(zuo)原(yuan)理(li)基(ji)本(ben)相(xiang)同(tong);當開關電源工作於反激時,開關電源變壓器的工作原理相當於一個儲能電感。[page]
如果我們把輸出電壓uo的正、負半波分別用平均值Upa、Upa-來表示,則有:


根據電磁感應定律可以對變壓器次級線圈N2繞組回路列出方程:


分別對(1-71)和(1-72)兩式進行積分得:


由此我們可以求得,單激式變壓器開關電源輸出電壓正半波的麵積與負半波的麵積完全相等,即:
(1-75)式就是用來計算單激式變壓器開關電源輸出電壓半波平均值Upa和Upa-的表達式。上麵(1-73)、(1-74)、(1-75)式中,我們分別把Upa和Upa-定義為正半波平均值和負半波平均值,簡稱半波平均值,而把Ua 和Ua- 稱為一周平均值。從圖1-16-b可以看出,Upa正好等於Up,但Upa-並不等於Up- ,Upa- 小於Up- 。
半波平均值Upa和Upa-,以及一周平均值Ua 和Ua- ,對於分析開關電源的工作原理是一個非常重要的概念,下麵經常用到,在這裏務必記清楚。
在zai開kai關guan電dian源yuan中zhong,正zheng激ji電dian壓ya和he反fan激ji電dian壓ya是shi同tong時shi存cun在zai的de,但dan在zai單dan激ji式shi開kai關guan電dian源yuan中zhong一yi般ban隻zhi能neng有you一yi種zhong電dian壓ya用yong於yu功gong率lv輸shu出chu。這zhe是shi因yin為wei單dan激ji式shi開kai關guan電dian源yuan一yi般ban都dou要yao求qiu輸shu出chu電dian壓ya可ke調tiao,即ji:通過改變控製開關的占空比來調整開關電源輸出電壓的大小。如:在正激式開關電源中,隻有(1-75)式等號左邊Upa電壓向負載提供功率輸出,通過改變控製開關的占空比,可以改變其輸出電壓的平均值;在反激式開關電源中,隻有(1-75)式等號右邊Upa-電壓向負載提供功率輸出,通過改變控製開關的占空比,可以改變其輸出電壓的半波平均值。
在(1-75)式中,如果把等號左邊的Upa看成是正激電壓,則等號右邊的Upa-就可以看成是反激電壓,反之則反。在正激式開關電源中,由於隻有正激電壓Upa向負載提供功率輸出,所以反激電壓Upa-就相當於一個附屬產品需要另外回收;在反激式開關電源中,由於隻有反激電壓Upa-向負載提供功率輸出,所以正激電壓Upa就相當於用來對能量進行存儲,以便於給反激電壓Upa-提供能量輸出。[page]
如果(1-75)shizhongzhengjidianyameiyoudianliushuchu,jiubunengbazhengjidianyakanchengshizhengjishishuchudianya,womenyinggaibatakanchengshifanjishishuchudianyadeyigeguocheng,jiushiweifanjishishuchudianyacunchunengliang。zheyangdingyisuiranyoudianmianqiang,danzhuyaomudehaishiweilerangwomenzengqiangduikaiguandianyuangongzuoyuanlidelijie。
這是因為,(1-75)式中無論是正激電壓Upa或是反激電壓Upa-,都是由流過變壓器初級線圈的勵磁電流產生的磁通,通過互感的作用所產生的。但勵磁電流產生的磁通並不直接向正激電壓Upa提供能量輸出,因為(1-71)、(1-72)、(1-73)、(1-74)等式中的磁通 並不是由正激電壓產生的,而是由勵磁電流自己產生的。勵磁電流產生的磁通 雖然通過電磁感應會產生正激電壓,但不產生正激電流輸出,即:勵(li)磁(ci)電(dian)流(liu)對(dui)正(zheng)激(ji)式(shi)輸(shu)出(chu)電(dian)壓(ya)不(bu)提(ti)供(gong)功(gong)率(lv)輸(shu)出(chu)。不(bu)管(guan)正(zheng)激(ji)式(shi)輸(shu)出(chu)功(gong)率(lv)或(huo)電(dian)流(liu)多(duo)大(da),變(bian)壓(ya)器(qi)初(chu)級(ji)線(xian)圈(quan)中(zhong)的(de)勵(li)磁(ci)電(dian)流(liu)或(huo)磁(ci)通(tong)的(de)變(bian)化(hua)隻(zhi)與(yu)輸(shu)入(ru)電(dian)壓(ya)和(he)變(bian)壓(ya)器(qi)的(de)初(chu)級(ji)電(dian)感(gan)量(liang)有(you)關(guan),而(er)與(yu)正(zheng)激(ji)式(shi)輸(shu)出(chu)功(gong)率(lv)或(huo)電(dian)流(liu)大(da)小(xiao)無(wu)關(guan)。
這是因為我們把變壓器鐵心中的磁通 分成了兩個部分,即:licidianliuchanshengdecitonghezhengjidianliuchanshengdecitong,laijinxingfenxideyuangu。zhengjishuchudianliuchanshengdecitongyuliuguobianyaqichujixianquandianliuchanshengdecitong,fangxiangxiangfan,huxiangkeyidixiao,ershengxialaidecitongzhenghaojiushilicidianliuchanshengde;因此,隻有勵磁電流產生的磁通才會產生反激式輸出電壓和電流。正激式輸出電壓隻與變壓器的輸入電壓和變壓器的初、次級線圈的匝數比有關,兩種電壓輸出機理是不完全一樣的。
在zai變bian壓ya器qi開kai關guan電dian源yuan中zhong,正zheng激ji式shi輸shu出chu電dian壓ya的de計ji算suan比bi較jiao簡jian單dan,而er反fan激ji式shi輸shu出chu電dian壓ya的de計ji算suan相xiang對dui來lai說shuo很hen複fu雜za,因yin此ci,如ru果guo沒mei有you十shi分fen必bi要yao,最zui好hao采cai用yong半ban波bo平ping均jun值zhi的de概gai念nian和he(1-75)式,通過計算正激電壓的半波平均值,來推算反激式輸出電壓的半波平均值。因此,(1-75)式主要還是用來計算反激式輸出電壓的半波平均值的。
另外,還需特別注意:(1-75)式中,正激電壓的幅值或半波平均值是不會跟隨控製開關的接通時間Ton或占空比D的改變而改變的;而反激電壓的幅值或半波平均值則要跟隨控製開關的接通時間Ton或占空比D的改變而改變,占空比D越yue大da,反fan激ji電dian壓ya的de幅fu值zhi或huo半ban波bo平ping均jun值zhi就jiu越yue高gao。正zheng激ji式shi開kai關guan電dian源yuan與yu反fan激ji式shi開kai關guan電dian源yuan的de區qu別bie不bu隻zhi是shi輸shu出chu電dian壓ya極ji性xing的de不bu同tong,更geng重zhong要yao的de是shi變bian壓ya器qi的de參can數shu要yao求qiu不bu一yi樣yang;在正激式開關電源中,反激式輸出電壓的能量與正激式輸出電壓的能量相比,一般都比較小,有時甚至可以忽略。
根據(1-63)式與半波平均值的定義,可以求得正激式開關電源輸出電壓為:


根據(1-70)式和(1-75)式,可以求得反激式開關電源輸出電壓為:


由(1-76)、(1-77)和(1-78)、(1-79)式看出:
當開關電源工作於正激式輸出狀態的時候,改變控製開關K的占空比D,隻能改變輸出電壓(圖1-16-b中正半周)的平均值Ua ,而輸出電壓的幅值Up不變;當開關電源工作於反激式輸出狀態的時候,改變控製開關K的占空比D,不但可以改變輸出電壓uo(圖1-16-b中負半周)的幅值Up- ,而且也可以改變輸出電壓的平均值Ua- 。
這裏還需提請注意,在決定反激式開關電源輸出電壓的(1-78)式中,並沒有使用反激輸出電壓最大值或峰值Up-的概念,而式使用的Up正好是正擊式輸出電壓的峰值,這是因為反激輸出電壓的最大值或峰值Up-計算比較複雜((1-68)式),並且峰值Up-的幅度不穩定,它會隨著輸出負載大小的變化而變化;而正擊式輸出電壓的峰值Up則不會隨著輸出負載大小的變化而變化。
特別推薦
- 噪聲中提取真值!瑞盟科技推出MSA2240電流檢測芯片賦能多元高端測量場景
- 10MHz高頻運行!氮矽科技發布集成驅動GaN芯片,助力電源能效再攀新高
- 失真度僅0.002%!力芯微推出超低內阻、超低失真4PST模擬開關
- 一“芯”雙電!聖邦微電子發布雙輸出電源芯片,簡化AFE與音頻設計
- 一機適配萬端:金升陽推出1200W可編程電源,賦能高端裝備製造
技術文章更多>>
- 突破工藝邊界,奎芯科技LPDDR5X IP矽驗證通過,速率達9600Mbps
- 通過直接、準確、自動測量超低範圍的氯殘留來推動反滲透膜保護
- 從技術研發到規模量產:恩智浦第三代成像雷達平台,賦能下一代自動駕駛!
- 從機械執行到智能互動:移遠Q-Robotbox助力具身智能加速落地
- 品英Pickering將亮相2026航空電子國際論壇,展示航電與電池測試前沿方案
技術白皮書下載更多>>
- 車規與基於V2X的車輛協同主動避撞技術展望
- 數字隔離助力新能源汽車安全隔離的新挑戰
- 汽車模塊拋負載的解決方案
- 車用連接器的安全創新應用
- Melexis Actuators Business Unit
- Position / Current Sensors - Triaxis Hall
熱門搜索





