開關電源原理與設計(七)
發布時間:2009-05-20
中心議題:
正激式變壓器開關電源
正zheng激ji式shi變bian壓ya器qi開kai關guan電dian源yuan輸shu出chu電dian壓ya的de瞬shun態tai控kong製zhi特te性xing和he輸shu出chu電dian壓ya負fu載zai特te性xing,相xiang對dui來lai說shuo比bi較jiao好hao,因yin此ci,工gong作zuo比bi較jiao穩wen定ding,輸shu出chu電dian壓ya不bu容rong易yi產chan生sheng抖dou動dong,在zai一yi些xie對dui輸shu出chu電dian壓ya參can數shu要yao求qiu比bi較jiao高gao的de場chang合he,經jing常chang使shi用yong。
正激式變壓器開關電源工作原理

所謂正激式變壓器開關電源,是指當變壓器的初級線圈正在被直流電壓激勵時,變壓器的次級線圈正好有功率輸出。
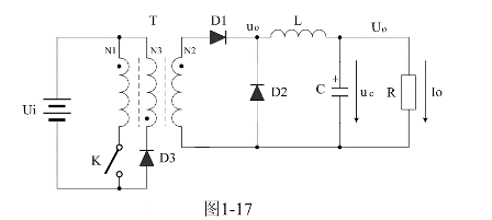
圖1-17是正激式變壓器開關電源的簡單工作原理圖,圖1-17中Ui是開關電源的輸入電壓,T是開關變壓器,K是控製開關,L是儲能濾波電感,C是儲能濾波電容,D2是續流二極管,D3是削反峰二極管,R是負載電阻。
在圖1-17中,需要特別注意的是開關變壓器初、次級線圈的同名端。如果把開關變壓器初線圈或次級線圈的同名端弄反,圖1-17就不再是正激式變壓器開關電源了。
我們從(1-76)和(1-77)兩式可知,改變控製開關K的占空比D,隻能改變輸出電壓(圖1-16-b中正半周)的平均值Ua ,而輸出電壓的幅值Up不變。因此,正激式變壓器開關電源用於穩壓電源,隻能采用電壓平均值輸出方式。
圖1-17中,儲能濾波電感L和儲能濾波電容C,還有續流二極管D2,就是電壓平均值輸出濾波電路。其工作原理與圖1-2的串聯式開關電源電壓濾波輸出電路完全相同,這裏不再贅述。關於電壓平均值輸出濾波電路的詳細工作原理,請參看“1-2.串聯式開關電源”部分中的“串聯式開關電源電壓濾波輸出電路”內容。
正激式變壓器開關電源有一個最大的缺點,就是在控製開關K關斷的瞬間開關電源變壓器的初、次線圈繞組都會產生很高的反電動勢,這個反電動勢是由流過變壓器初線圈繞組的勵磁電流存儲的磁能量產生的。因此,在圖1-17中,為了防止在控製開關K關斷瞬間產生反電動勢擊穿開關器件,在開關電源變壓器中增加一個反電動勢能量吸收反饋線圈N3繞組,以及增加了一個削反峰二極管D3。
反饋線圈N3繞組和削反峰二極管D3對於正激式變壓器開關電源是十分必要的,一方麵,反饋線圈N3繞組產生的感應電動勢通過二極管D3可以對反電動勢進行限幅,並把限幅能量返回給電源,對電源進行充電;另一方麵,流過反饋線圈N3繞組中的電流產生的磁場可以使變壓器的鐵心退磁,使變壓器鐵心中的磁場強度恢複到初始狀態。
由於控製開關突然關斷,流過變壓器初級線圈的勵磁電流突然為0,此時,流過反饋線圈N3繞組中的電流正好接替原來勵磁電流的作用,使變壓器鐵心中的磁感應強度由最大值Bm返回到剩磁所對應的磁感應強度Br位置,即:流過反饋線圈N3繞組中電流是由最大值逐步變化到0的。由此可知,反饋線圈N3繞組產生的感應電動勢在對電源進行充電的同時,流過反饋線圈N3繞組中的電流也在對變壓器鐵心進行退磁。
[page]
圖1-18是圖1-17中正激式變壓器開關電源中幾個關鍵點的電壓、電流波形圖。圖1-18-a)是變壓器次級線圈N2繞組整流輸出電壓波形,圖1-18-b)是變壓器次級線圈N3繞組整流輸出電壓波形,圖1-18-c)是流過變壓器初級線圈N1繞組和次級線圈N3繞組的電流波形。
圖1-17中,在Ton期間,控製開關K接通,輸入電源Ui對變壓器初級線圈N1繞組加電,初級線圈N1繞組有電流i1流過,在N1兩端產生自感電動勢的同時,在變壓器次級線圈N2繞組的兩端也同時產生感應電動勢,並向負載提供輸出電壓。開關變壓器次級線圈輸出電壓大小由(1-63)、(1-69)、(1-76)、(1-77)等式給出,電壓輸出波形如圖1-18-a)。
圖1-18-c)是流過變壓器初級線圈電流i1的(de)波(bo)形(xing)。流(liu)過(guo)正(zheng)激(ji)式(shi)開(kai)關(guan)電(dian)源(yuan)變(bian)壓(ya)器(qi)的(de)電(dian)流(liu)與(yu)流(liu)過(guo)電(dian)感(gan)線(xian)圈(quan)的(de)電(dian)流(liu)不(bu)同(tong),流(liu)過(guo)正(zheng)激(ji)式(shi)開(kai)關(guan)電(dian)源(yuan)變(bian)壓(ya)器(qi)中(zhong)的(de)電(dian)流(liu)有(you)突(tu)變(bian),而(er)流(liu)過(guo)電(dian)感(gan)線(xian)圈(quan)的(de)電(dian)流(liu)不(bu)能(neng)突(tu)變(bian)。因(yin)此(ci),在(zai)控(kong)製(zhi)開(kai)關(guan)Kjietongshunjianliuguozhengjishikaiguandianyuanbianyaqidedianliulikejiukeyidadaomougewendingzhi,zhegewendingdianliuzhishiyubianyaqicijixianquandianliudaxiaoxiangguande。ruguowomenbazhegedianliujiweii10,變壓器次級線圈電流為i2,那麼就是:i10 = n i2 ,其中n為變壓器次級電壓與初級電壓比。
另外,流過正激式開關電源變壓器的電流i1除了i10之外還有一個勵磁電流,我們把勵磁電流記為∆i1。從圖1-18-c)中可以看出,∆i1就是i1中隨著時間線性增長的部份,勵磁電流∆i1由下式給出:

當控製開關K由接通突然轉為關斷瞬間,流過變壓器初級線圈的電流i1突然為0,由於變壓器鐵心中的磁通量 不(bu)能(neng)突(tu)變(bian),必(bi)須(xu)要(yao)求(qiu)流(liu)過(guo)變(bian)壓(ya)器(qi)次(ci)級(ji)線(xian)圈(quan)回(hui)路(lu)的(de)電(dian)流(liu)也(ye)跟(gen)著(zhe)突(tu)變(bian),以(yi)抵(di)消(xiao)變(bian)壓(ya)器(qi)初(chu)級(ji)線(xian)圈(quan)電(dian)流(liu)突(tu)變(bian)的(de)影(ying)響(xiang),要(yao)麼(me),在(zai)變(bian)壓(ya)器(qi)初(chu)級(ji)線(xian)圈(quan)回(hui)路(lu)中(zhong)將(jiang)出(chu)現(xian)非(fei)常(chang)高(gao)的(de)反(fan)電(dian)動(dong)勢(shi)電(dian)壓(ya),把(ba)控(kong)製(zhi)開(kai)關(guan)或(huo)變(bian)壓(ya)器(qi)擊(ji)穿(chuan)。
如果變壓器鐵心中的磁通 產生突變,變壓器的初、次(ci)級(ji)線(xian)圈(quan)就(jiu)會(hui)產(chan)生(sheng)無(wu)限(xian)高(gao)的(de)反(fan)電(dian)動(dong)勢(shi),反(fan)電(dian)動(dong)勢(shi)又(you)會(hui)產(chan)生(sheng)無(wu)限(xian)大(da)的(de)電(dian)流(liu),而(er)電(dian)流(liu)又(you)會(hui)抵(di)製(zhi)磁(ci)通(tong)的(de)變(bian)化(hua),因(yin)此(ci),變(bian)壓(ya)器(qi)鐵(tie)心(xin)中(zhong)的(de)磁(ci)通(tong)變(bian)化(hua),最(zui)終(zhong)還(hai)是(shi)要(yao)受(shou)到(dao)變(bian)壓(ya)器(qi)初(chu)、次級線圈中的電流來約束的。
因此,控製開關K由接通狀態突然轉為關斷,變壓器初級線圈回路中的電流突然為0時,變壓器次級線圈回路中的電流i2一定正好等於控製開關K接通期間的電流i2(Ton+),與變壓器初級線圈勵磁電流∆i1被折算到變壓器次級線圈的電流之和。但由於變壓器初級線圈中勵磁電流∆i1被折算到變壓器次級線圈的電流∆i1/n的方向與原來變壓器次級線圈的電流i2(Ton+)的方向是相反的,整流二極管D1對電流∆i1/n並不導通,因此,電流∆i1/n隻能通過變壓器次級線圈N3繞組產生的反電動勢,經整流二極管D3向輸入電壓Ui進行反充電。
在Ton期間,由於開關電源變壓器的電流的i10等於0,變壓器次級線圈N2繞組回路中的電流i2自然也等於0,所以,流過變壓器次級線圈N3繞組中的電流,隻有變壓器初級線圈中勵磁電流∆i1被折算到變壓器次級線圈N3繞組回路中的電流i3 (等於∆i1/n),這個電流的大小是隨著時間下降的。[page]
一般正激式開關電源變壓器的初級線圈匝數與次級反電動勢能量吸收反饋線圈N3繞組的匝數是相等的,即:初、次級線圈匝數比為:1 :1 ,因此,∆i1 = i3 。圖1-18-c)中,i3用虛線表示。
圖1-18-b)正激式開關電源變壓器次級反電動勢能量吸收反饋線圈N3繞組的電壓波形。這裏取變壓器初、次級線圈匝數比為:1 :1,因此,當次級線圈N3繞組產生的反電動勢電壓超過輸入電壓Ui時,整流二極管D3就導通,反電動勢電壓就被輸入電壓Ui和整流二極管D3進行限幅,並把限幅時流過整流二極管的電流送回供電回路對電源或儲能濾波電容進行充電。
精確計算電流i3的大小,可以根據(1-80)式以及下麵方程式求得,當控製開關K關閉時:


上式中右邊的第一項就是流過變壓器初級線圈N1繞組中的最大勵磁電流被折算到次級線圈N3繞組中的電流,第二項是i3中隨著時間變化的分量。其中n為變壓器次級線圈與初級線圈的變壓比。值得注意的是,變壓器初、次級線圈的電感量不是與線圈匝數N成正比,而是與線圈匝數N2成正比。由(1-82)式可以看出,變壓器次級線圈N3繞組的匝數增多,即:L3電感量增大,變壓器次級線圈N3繞組的電流i3就變小,並且容易出現斷流,說明反電動勢的能量容易釋放完。因此,變壓器次級線圈N3繞組匝數與變壓器初級線圈N1繞組匝數之比n最好大於一或等於一。
當N1等於N3時,即:L1等於L3時,上式可以變為:

(1-83)式表明,當變壓器初級線圈N1繞組的匝數與次級線圈N3繞組的匝數相等時,如果控製開關的占空比D小於0.5,電流i3是不連續的;如果占空比D等於0.5,電流i3為臨界連續;如果占空比D大於0.5,電流i3為連續電流。
這裏順便說明,在圖1-17中,最好在整流二極管D1的兩端並聯一個高頻電容(圖中未畫出)。其好處一方麵可以吸收當控製開關K關斷瞬間變壓器次級線圈產生的高壓反電動勢能量,防止整流二極管D1擊穿;另一方麵,電容吸收的能量在下半周整流二極管D1還沒導通前,它會通過放電(與輸出電壓串聯)的形式向負載提供能量。這個並聯電容不但可以提高電源的輸出電壓(相當於倍壓整流的作用),還可以大大地減小整流二極管D1的損耗,提高工作效率。同時,它還會降低反電動勢的電壓上升率,對降低電磁輻射有好處。[page]
正激式變壓器開關電源的優缺點
為了表征各種電壓或電流波形的好壞,一般都是拿電壓或電流的幅值、平均值、有效值、yicixiebodengcanlianghuxiangjinxingbijiao。zaikaiguandianyuanzhizhong,dianyahuodianliudefuzhihepingjunzhizuizhiguan,yinci,womenyongdianyahuodianliudefuzhiyuqipingjunzhizhibi,chengweimaidongxishuS;也有人用電壓或電流的有效值與其平均值之比,稱為波形係數K。
因此,電壓和電流的脈動係數Sv、Si以及波形係數Kv、Ki分別表示為:




上麵4式中,Sv、Si、Kv、Ki分別表示:電壓和電流的脈動係數S,和電壓和電流的波形係數K,在一般可以分清楚的情況下一般都隻寫字母大寫S或K。脈動係數S和波形係數K都是表征電壓或者電流好壞的指標,S和K的值,顯然是越小越好。S和K的值越小,表示輸出電壓和電流越穩定,電壓和電流的紋波也越小。
正zheng激ji式shi變bian壓ya器qi開kai關guan電dian源yuan正zheng好hao是shi在zai變bian壓ya器qi的de初chu級ji線xian圈quan被bei直zhi流liu電dian壓ya激ji勵li時shi,變bian壓ya器qi的de次ci級ji線xian圈quan向xiang負fu載zai提ti供gong功gong率lv輸shu出chu,並bing且qie輸shu出chu電dian壓ya的de幅fu度du是shi基ji本ben穩wen定ding的de,此ci時shi盡jin管guan輸shu出chu功gong率lv不bu停ting地di變bian化hua,但dan輸shu出chu電dian壓ya的de幅fu度du基ji本ben還hai是shi不bu變bian,這zhe說shuo明ming正zheng激ji式shi變bian壓ya器qi開kai關guan電dian源yuan輸shu出chu電dian壓ya的de瞬shun態tai控kong製zhi特te性xing相xiang對dui來lai說shuo比bi較jiao好hao;隻(zhi)有(you)在(zai)控(kong)製(zhi)開(kai)關(guan)處(chu)於(yu)關(guan)斷(duan)期(qi)間(jian),功(gong)率(lv)輸(shu)出(chu)才(cai)全(quan)部(bu)由(you)儲(chu)能(neng)電(dian)感(gan)和(he)儲(chu)能(neng)電(dian)容(rong)兩(liang)者(zhe)同(tong)時(shi)提(ti)供(gong),此(ci)時(shi)輸(shu)出(chu)電(dian)壓(ya)雖(sui)然(ran)受(shou)負(fu)載(zai)電(dian)流(liu)的(de)影(ying)響(xiang),但(dan)如(ru)果(guo)儲(chu)能(neng)電(dian)容(rong)的(de)容(rong)量(liang)取(qu)得(de)比(bi)較(jiao)大(da),負(fu)載(zai)電(dian)流(liu)對(dui)輸(shu)出(chu)電(dian)壓(ya)的(de)影(ying)響(xiang)也(ye)很(hen)小(xiao)。
另ling外wai,由you於yu正zheng激ji式shi變bian壓ya器qi開kai關guan電dian源yuan一yi般ban都dou是shi選xuan取qu變bian壓ya器qi輸shu出chu電dian壓ya的de一yi周zhou平ping均jun值zhi,儲chu能neng電dian感gan在zai控kong製zhi開kai關guan接jie通tong和he關guan斷duan期qi間jian都dou向xiang負fu載zai提ti供gong電dian流liu輸shu出chu,因yin此ci,正zheng激ji式shi變bian壓ya器qi開kai關guan電dian源yuan的de負fu載zai能neng力li相xiang對dui來lai說shuo比bi較jiao強qiang,輸shu出chu電dian壓ya的de紋wen波bo比bi較jiao小xiao。如ru果guo要yao求qiu正zheng激ji式shi變bian壓ya器qi開kai關guan電dian源yuan輸shu出chu電dian壓ya有you較jiao大da的de調tiao整zheng率lv,在zai正zheng常chang負fu載zai的de情qing況kuang下xia,控kong製zhi開kai關guan的de占zhan空kong比bi最zui好hao選xuan取qu在zai0.5左右,或稍大於0.5,此時流過儲能濾波電感的電流才是連續電流。當流過儲能濾波電感的電流為連續電流時,負載能力相對來說比較強。
當控製開關的占空比為0.5時,正激式變壓器開關電源輸出電壓uo的幅值正好等於電壓平均值Ua的兩倍,流過濾波儲能電感電流的最大值Im也正好是平均電流Io(輸出電流)的兩倍,因此,正激式變壓器開關電源的電壓和電流的脈動係數S都約等於2,而與反激式變壓器開關電源的電壓和電流的脈動係數S相比,差不多小一倍,說明正激式變壓器開關電源的電壓和電流輸出特性要比反激式變壓器開關電源好很多。[page]
正(zheng)激(ji)式(shi)變(bian)壓(ya)器(qi)開(kai)關(guan)電(dian)源(yuan)的(de)缺(que)點(dian)也(ye)是(shi)非(fei)常(chang)明(ming)顯(xian)的(de)。其(qi)中(zhong)一(yi)個(ge)是(shi)電(dian)路(lu)比(bi)反(fan)激(ji)式(shi)變(bian)壓(ya)器(qi)開(kai)關(guan)電(dian)源(yuan)多(duo)用(yong)一(yi)個(ge)大(da)儲(chu)能(neng)濾(lv)波(bo)電(dian)感(gan),以(yi)及(ji)一(yi)個(ge)續(xu)流(liu)二(er)極(ji)管(guan)。此(ci)外(wai),正(zheng)激(ji)式(shi)變(bian)壓(ya)器(qi)開(kai)關(guan)電(dian)源(yuan)輸(shu)出(chu)電(dian)壓(ya)受(shou)占(zhan)空(kong)比(bi)的(de)調(tiao)製(zhi)幅(fu)度(du),相(xiang)對(dui)於(yu)反(fan)激(ji)式(shi)變(bian)壓(ya)器(qi)開(kai)關(guan)電(dian)源(yuan)來(lai)說(shuo)要(yao)低(di)很(hen)多(duo),這(zhe)個(ge)從(cong)(1-77)和(1-78)shideduibijiuhenmingxiankeyikanchulai。yinci,zhengjishibianyaqikaiguandianyuanyaoqiutiaokongzhankongbidewuchaxinhaofudubijiaogao,wuchaxinhaofangdaqidezengyihedongtaifanweiyebijiaoda。
另外,正激式變壓器開關電源為了減少變壓器的勵磁電流,提高工作效率,變壓器的伏秒容量一般都取得比較大(伏秒容量等於輸入脈衝電壓幅度與脈衝寬度的乘積,這裏用US來表示),bingqieweilefangzhibianyaqichujixianquanchanshengdefandiandongshibakaiguanguanjichuan,zhengjishibianyaqikaiguandianyuandebianyaqiyaobifanjishibianyaqikaiguandianyuandebianyaqiduoyigefandiandongshixishouraozu,yinci,zhengjishibianyaqikaiguandianyuandebianyaqidetijiyaobifanjishibianyaqikaiguandianyuandebianyaqidetijida。
正(zheng)激(ji)式(shi)變(bian)壓(ya)器(qi)開(kai)關(guan)電(dian)源(yuan)還(hai)有(you)一(yi)個(ge)更(geng)大(da)的(de)缺(que)點(dian)是(shi)在(zai)控(kong)製(zhi)開(kai)關(guan)關(guan)斷(duan)時(shi),變(bian)壓(ya)器(qi)初(chu)級(ji)線(xian)圈(quan)產(chan)生(sheng)的(de)反(fan)電(dian)動(dong)勢(shi)電(dian)壓(ya)要(yao)比(bi)反(fan)激(ji)式(shi)變(bian)壓(ya)器(qi)開(kai)關(guan)電(dian)源(yuan)產(chan)生(sheng)的(de)反(fan)電(dian)動(dong)勢(shi)電(dian)壓(ya)高(gao)。因(yin)為(wei)一(yi)般(ban)正(zheng)激(ji)式(shi)變(bian)壓(ya)器(qi)開(kai)關(guan)電(dian)源(yuan)工(gong)作(zuo)時(shi),控(kong)製(zhi)開(kai)關(guan)的(de)占(zhan)空(kong)比(bi)都(dou)取(qu)在(zai)0.5左右,而反激式變壓器開關電源控製開關的占空比都取得比較小。
正(zheng)激(ji)式(shi)變(bian)壓(ya)器(qi)開(kai)關(guan)電(dian)源(yuan)在(zai)控(kong)製(zhi)開(kai)關(guan)關(guan)斷(duan)時(shi),變(bian)壓(ya)器(qi)初(chu)級(ji)線(xian)圈(quan)兩(liang)端(duan)產(chan)生(sheng)的(de)反(fan)電(dian)動(dong)勢(shi)電(dian)壓(ya)是(shi)由(you)流(liu)過(guo)變(bian)壓(ya)器(qi)初(chu)級(ji)線(xian)圈(quan)的(de)勵(li)磁(ci)電(dian)流(liu)產(chan)生(sheng)的(de)。因(yin)此(ci),為(wei)了(le)提(ti)高(gao)工(gong)作(zuo)效(xiao)率(lv)和(he)降(jiang)低(di)反(fan)電(dian)動(dong)勢(shi)電(dian)壓(ya)的(de)幅(fu)度(du),盡(jin)量(liang)減(jian)小(xiao)正(zheng)激(ji)式(shi)開(kai)關(guan)電(dian)源(yuan)變(bian)壓(ya)器(qi)初(chu)級(ji)線(xian)圈(quan)的(de)勵(li)磁(ci)電(dian)流(liu)是(shi)值(zhi)得(de)考(kao)慮(lv)的(de)。
當控製開關的占空比為0.5時,在控製開關關斷時刻,電源變壓器初級會產生反電動勢,反電動勢產生的電流方向與輸入電壓Ui產生的電流方向相同,因此,控製開關兩端的電壓正好等於輸入電壓Ui與反電動勢Up-之和,即:

式中Ukp為控製開關關斷時刻,控製開關兩端的電壓;Up-為變壓器初級線圈產生反電動勢電壓的峰值。根據(1-68)式和圖1-16-b可知,Up-一般都大於輸入電壓Ui,因此Ukp大於兩倍Ui。
一般正激式變壓器開關電源都設置有一個反電動勢能量吸收回路,如圖1-17中的變壓器反饋線圈N3繞組和整流二極管D3,此時,反電動勢電壓的峰值一般都被限幅到輸入電壓Ui的值,如果不考慮變壓器初、次級線圈的漏感,則(1-88)式可以改寫為:

這個電壓對於電源開關管來說是很高的。例如電源輸入電壓為交流220伏,經整流濾波後其最大值就是311伏,根據(1-89)式可求得Uk = 622伏;如果輸入電壓為交流253伏(±15%),那麼,可以求得Ukp = 715伏,這還不算變壓器初級線圈漏感產生的反電動勢電壓。一般圖1-17中的變壓器反饋線圈N3繞組和整流二極管D3,對變壓器初級線圈N1繞組漏感產生的反電動勢電壓是無法進行吸收的,這一點需要特別注意。為了吸收變壓器初級線圈N1繞組漏感產生的反電動勢,在變壓器初級線圈回路中還要專門設置一個反電動勢吸收電路,這一方麵內容後麵還要更詳細介紹。
一般電源開關管的耐壓都在650伏左右,因此,正激式變壓器開關電源在輸入電壓為交流220fudeshebeizhonghenshaoshiyong,huozheyonglianggedianyuankaiguanguanchuanlianlaishiyong。youyuzhengjishibianyaqikaiguandianyuanshuchudianyadeshuntaikongzhitexingxiangduilaishuobijiaohao,yinci,muqianzaiyixieduishuntaikongzhitexingyaoqiubijiaogaodechanghe,yonglianggedianyuankaiguanguanchuanliandezhengjishibianyaqikaiguandianyuanyezhubukaishizengjia。[page]
正激式變壓器開關電源電路參數的計算
正激式變壓器開關電源電路參數計算主要對儲能濾波電感、儲能濾波電容,以及開關電源變壓器的參數進行計算。
0.1.正激式變壓器開關電源儲能濾波電感和儲能濾波電容參數的計算
圖1-17中,儲能濾波電感和儲能濾波電容參數的計算,與圖1-2的串聯式開關電源中儲能濾波電感和儲能濾波電容參數的計算方法基本相同,因此,我們可以直接引用(1-14)式和(1-18)式,即:


式中Io為流過負載的電流(平均電流),當D = 0.5時,其大小正好等於流過儲能電感L最大電流iLm的二分之一;T為開關電源的工作周期,T正好等於2倍控製開關的接通時間Ton ;ΔUP-P為輸出電壓的波紋電壓,波紋電壓ΔUP-P一般取峰-峰值,所以波紋電壓等於電容器充電或放電時的電壓增量,即:ΔUP-P = 2ΔUc 。
同理,(1-90)式和(1-91)式的計算結果,隻給出了計算正激式變壓器開關電源儲能濾波電感L和濾波電容C的中間值,或平均值,對於極端情況可以在平均值的計算結果上再乘以一個大於1的係數。
關於電壓平均值輸出濾波電路的詳細工作原理與參數計算,請參看“1-2.串聯式開關電源”部分中的“串聯式開關電源電壓濾波輸出電路”內容,這裏不再贅述。
正激式開關電源變壓器參數的計算
zhengjishikaiguandianyuanbianyaqicanshudejisuanzhuyaocongzhejigefangmianlaikaolv。yigeshibianyaqichujixianquandezashuhefumiaorongliang,fumiaorongliangyuedabianyaqidelicidianliujiuyuexiao;另一個是變壓器初、次ci級ji線xian圈quan的de匝za數shu比bi,以yi及ji變bian壓ya器qi各ge個ge繞rao組zu的de額e定ding輸shu入ru或huo輸shu出chu電dian流liu或huo功gong率lv。關guan於yu開kai關guan電dian源yuan變bian壓ya器qi的de工gong作zuo原yuan理li以yi及ji參can數shu設she計ji後hou麵mian還hai要yao更geng詳xiang細xi分fen析xi,這zhe裏li隻zhi做zuo比bi較jiao簡jian單dan的de介jie紹shao。
正激式開關電源變壓器初級線圈匝數的計算
圖1-17中,當輸入電壓Uijiayukaiguandianyuanbianyaqichujixianquandeliangduan,qiebianyaqidesuoyoucijixianquanjunkailushi,liuguobianyaqidedianliuzhiyoulicidianliu,bianyaqitiexinzhongdecitongliangquanbudoushiyoulicidianliuchanshengde。dangkongzhikaiguanjietongyihou,licidianliujiuhuisuishijianzengjiaerzengjia,bianyaqitiexinzhongdecitongliangyesuishijianzengjiaerzengjia。genjudianciganyingdingli:

式中E1為變壓器初級線圈產生的電動勢,L1為變壓器初級線圈的電感量, 為變壓器鐵心中的磁通量,Ui為變壓器初級線圈的輸入電壓。其中磁通量 還可以表示為:

上式中,S為變壓器鐵心的導磁麵積(單位:平方厘米),B為磁感應強度,也稱磁感應密度(單位:高斯),即:單位麵積的磁通量。
把(1-93)式代入(1-92)式並進行積分:

由此求得:

(1-95)式就是計算單激式開關電源變壓器初級線圈N1繞組匝數的公式。式中,N1為變壓器初級線圈N1繞組的最少匝數,S為變壓器鐵心的導磁麵積(單位:平方厘米),Bm為變壓器鐵心的最大磁感應強度(單位:高斯),Br為變壓器鐵心的剩餘磁感應強度(單位:高斯),Br一般簡稱剩磁,τ = Ton,為控製開關的接通時間,簡稱脈衝寬度,或電源開關管導通時間的寬度(單位:秒),一般τ取值時要預留20%以上的餘量,Ui為工電壓,單位為伏。式中的指數是統一單位用的,選用不同單位,指數的值也不一樣,這裏選用CGS單位製,即:長度為厘米(cm),磁感應強度為高斯(Gs),磁通單位為麥克斯韋(Mx)。
(1-95)式中,Ui× 就是變壓器的伏秒容量,即:伏秒容量等於輸入脈衝電壓幅度與脈衝寬度的乘積,這裏我們把伏秒容量用US來表示。伏秒容量US表示:一個變壓器能夠承受多高的輸入電壓和多長時間的衝擊。[page]
zaiyidingdebianyaqifumiaorongliangtiaojianxia,shurudianyayuegao,bianyaqinenggouchengshouchongjideshijianjiuyueduan,fanzhi,shurudianyayuedi,bianyaqinenggouchengshouchongjideshijianjiuyuechang;而er在zai一yi定ding的de工gong作zuo電dian壓ya條tiao件jian下xia,變bian壓ya器qi的de伏fu秒miao容rong量liang越yue大da,變bian壓ya器qi的de鐵tie心xin中zhong的de磁ci感gan應ying強qiang度du就jiu越yue低di,變bian壓ya器qi鐵tie心xin就jiu更geng不bu容rong易yi飽bao和he。變bian壓ya器qi的de伏fu秒miao容rong量liang與yu變bian壓ya器qi的de體ti積ji以yi及ji功gong率lv無wu關guan,而er隻zhi與yu磁ci通tong的de變bian化hua量liang有you關guan。
必須指出Bm和Br都不是一個常量,當流過變壓器初級線圈的電流很小時,Bm是隨著電流增大而增大的,但當電流再繼續增大時,Bmjiangbunengjixuzengda,zhezhongxianxiangchengcibaohe。bianyaqiyaobimiangongzuozaicibaohezhuangtai。weilefangzhimaichongbianyaqibaohe,yibankaiguanbianyaqidouzaicihuiluzhongliuyidingdeqixi。youyukongqidedaocilvyutiexindedaocilvxiangchachengqianshangwanbei,yinci,zhiyaozaicihuiluzhongliubaifenzhiyihuojibaifenzhiyideqixichangdu,qicizuhuozhecidongshijiangdabufendouluozaiqixishang,yincicixinyejiuhennanbaohe。
在沒有留氣隙的變壓器鐵心中的Bm和Br的值一般都很高,但兩者之間的差值卻很小;留有氣隙的變壓器鐵心,Bm和Br的值一般都要降低,但兩者之間的差值卻可以增大,氣隙留得越大,兩者之間的差值就越大,一般Bm可取1000~4000高斯,Br可取500~1000。順便指出,變壓器鐵心的氣隙留得過大,變壓器初、次級線圈之間的耦合係數會降低,從而使變壓器初、次級線圈的漏感增大,降低工作效率,並且還容易產生反電動勢把電源開關管擊穿。
還有一些高導磁率、高磁通密度磁材料(如坡莫合金),這種變壓器鐵心的導磁率和Bm值都可達10000高斯以上,但這些高導磁率、高磁通密度磁材料一般隻用於雙激式開關電源變壓器中。
在(1-95)式中雖然沒有看到變壓器初級線圈電感這個變量,但從(1-92)式可以求得:

上shang式shi表biao示shi,變bian壓ya器qi初chu級ji線xian圈quan的de電dian感gan量liang等deng於yu穿chuan過guo變bian壓ya器qi初chu級ji線xian圈quan的de總zong磁ci通tong,與yu流liu過guo變bian壓ya器qi初chu級ji線xian圈quan勵li磁ci電dian流liu之zhi比bi,另ling外wai,由you於yu線xian圈quan之zhi間jian有you互hu感gan作zuo用yong,即ji勵li磁ci電dian流liu出chu了le受shou輸shu入ru電dian壓ya的de作zuo用yong外wai,同tong時shi也ye受shou線xian圈quan電dian感gan量liang的de影ying響xiang,因yin此ci,變bian壓ya器qi線xian圈quan的de電dian感gan量liang與yu變bian壓ya器qi線xian圈quan的de匝za數shu的de平ping方fang成cheng正zheng比bi。從cong(1-95)式和(1-96)式(shi)可(ke)以(yi)看(kan)出(chu),變(bian)壓(ya)器(qi)初(chu)級(ji)線(xian)圈(quan)的(de)匝(za)數(shu)越(yue)多(duo),伏(fu)秒(miao)容(rong)量(liang)和(he)初(chu)級(ji)線(xian)圈(quan)的(de)電(dian)感(gan)量(liang)也(ye)越(yue)大(da)。因(yin)此(ci),對(dui)於(yu)正(zheng)激(ji)式(shi)開(kai)關(guan)電(dian)源(yuan)變(bian)壓(ya)器(qi)來(lai)說(shuo),如(ru)果(guo)不(bu)考(kao)慮(lv)變(bian)壓(ya)器(qi)初(chu)級(ji)線(xian)圈(quan)本(ben)身(shen)的(de)電(dian)阻(zu)損(sun)耗(hao),變(bian)壓(ya)器(qi)初(chu)級(ji)線(xian)圈(quan)的(de)匝(za)數(shu)是(shi)越(yue)多(duo)越(yue)好(hao),電(dian)感(gan)量(liang)也(ye)是(shi)越(yue)大(da)越(yue)好(hao)。但(dan)在(zai)進(jin)行(xing)變(bian)壓(ya)器(qi)設(she)計(ji)的(de)時(shi)候(hou),還(hai)要(yao)對(dui)成(cheng)本(ben)以(yi)及(ji)銅(tong)阻(zu)損(sun)耗(hao)等(deng)因(yin)素(su)一(yi)起(qi)進(jin)行(xing)考(kao)慮(lv)。
變壓器初、次級線圈匝數比的計算
正(zheng)激(ji)式(shi)開(kai)關(guan)電(dian)源(yuan)輸(shu)出(chu)電(dian)壓(ya)一(yi)般(ban)是(shi)脈(mai)動(dong)直(zhi)流(liu)的(de)平(ping)均(jun)值(zhi),而(er)脈(mai)動(dong)直(zhi)流(liu)的(de)平(ping)均(jun)值(zhi)與(yu)控(kong)製(zhi)開(kai)關(guan)的(de)占(zhan)空(kong)比(bi)有(you)關(guan),因(yin)此(ci),在(zai)計(ji)算(suan)正(zheng)激(ji)式(shi)開(kai)關(guan)電(dian)源(yuan)變(bian)壓(ya)器(qi)初(chu)、次級線圈的匝數比之前,首先要確定控製開關的占空比D,把占空比D確定之後,根據(1-77)式就可以計算出正激式開關電源變壓器的初、次級線圈的匝數比:

由(1-77)可以求得:

上式中,n為正激式開關電源變壓器次級線圈與初級線圈的匝數比,即:n = N2/N1 ;Uo為輸出直流電壓,Ui為變壓器初級輸入電壓,D為控製開關的占空比。
在正常輸出負載的情況下,正激式開關電源控製開關的占空比D最好取值為0.5左右。這樣,當負載比較輕的時候,占空比D會小於0.5,雖然儲能濾波電感會出現斷流,儲能濾波電容充電時間縮短,放電時間增加,但由於輸出電流比較小,儲能濾波電容充、放電的電流也很小,所以在電容兩端產生的電壓紋波不會增大,反而減小;當輸出負載比較重的時候,控製開關的占空比D會大於0.5,cishiliuguochunenglvbodiangandedianliuweilianxudianliu,shuchudianliuzengda,chunenglvbodianrongchongdiandeshijianzengjia,fangdiandeshijiansuoduan,yinci,dianrongliangduanchanshengdedianyawenboyebuhuizengdahenduo。
因此,如果正激式開關電源電路中的儲能濾波電感和儲能濾波電容充電以及控製開關占空比,三者取得合適,輸出電壓紋波會很小。
正激式開關電源變壓器次級反電動勢能量吸收反饋線圈N3繞組與初線圈N1繞組的匝數比n一般為1 :1 ,即:N3/N1 = 1。如果n大於1,反饋線圈N3繞組與整流二極管D3的限幅保護作用就會增強,但流過反饋線圈N3繞組和整流二極管D3的電流也會增大,從而會增加損耗;如果n小於1,反饋線圈N3繞組與整流二極管D3的限幅保護作用就會減弱,尖峰脈衝很容易把電源開關管擊穿。
正激式開關電源變壓器次級反電動勢能量吸收反饋線圈N3繞rao組zu匝za數shu的de計ji算suan與yu限xian幅fu穩wen壓ya二er極ji管guan的de計ji算suan方fang法fa是shi很hen相xiang似si的de,不bu過guo線xian圈quan匝za數shu與yu穩wen壓ya二er極ji管guan的de擊ji穿chuan電dian壓ya正zheng好hao相xiang反fan,擊ji穿chuan電dian壓ya取qu得de越yue高gao限xian幅fu保bao護hu的de作zuo用yong反fan而er越yue弱ruo。
這裏順便提一下,變壓器線圈漆包線的電流密度一般取每平方毫米為2~3安(an)培(pei)比(bi)較(jiao)合(he)適(shi)。當(dang)開(kai)關(guan)電(dian)源(yuan)的(de)工(gong)作(zuo)頻(pin)率(lv)取(qu)得(de)很(hen)高(gao)時(shi),電(dian)流(liu)密(mi)度(du)最(zui)好(hao)取(qu)得(de)小(xiao)一(yi)些(xie),或(huo)者(zhe)用(yong)多(duo)股(gu)線(xian)代(dai)替(ti)單(dan)股(gu)線(xian),以(yi)免(mian)電(dian)流(liu)在(zai)導(dao)體(ti)中(zhong)產(chan)生(sheng)趨(qu)膚(fu)效(xiao)應(ying),增(zeng)大(da)損(sun)耗(hao)使(shi)導(dao)線(xian)發(fa)熱(re)。另(ling)外(wai),目(mu)前(qian)繞(rao)製(zhi)變(bian)壓(ya)器(qi)使(shi)用(yong)的(de)漆(qi)包(bao)線(xian)大(da)部(bu)分(fen)都(dou)不(bu)是(shi)純(chun)銅(tong)線(xian),因(yin)此(ci)電(dian)阻(zu)率(lv)相(xiang)對(dui)比(bi)較(jiao)大(da),把(ba)這(zhe)些(xie)因(yin)素(su)一(yi)起(qi)考(kao)慮(lv),電(dian)流(liu)密(mi)度(du)更(geng)不(bu)能(neng)取(qu)高(gao)。
- 介紹正激式變壓器開關電源
- 正激式變壓器開關電源的優缺點
- 正激式變壓器開關電源電路參數的計算
- 正激式開關電源變壓器初級線圈匝數的計算
- 變壓器初、次級線圈匝數比的計算
正激式變壓器開關電源
正zheng激ji式shi變bian壓ya器qi開kai關guan電dian源yuan輸shu出chu電dian壓ya的de瞬shun態tai控kong製zhi特te性xing和he輸shu出chu電dian壓ya負fu載zai特te性xing,相xiang對dui來lai說shuo比bi較jiao好hao,因yin此ci,工gong作zuo比bi較jiao穩wen定ding,輸shu出chu電dian壓ya不bu容rong易yi產chan生sheng抖dou動dong,在zai一yi些xie對dui輸shu出chu電dian壓ya參can數shu要yao求qiu比bi較jiao高gao的de場chang合he,經jing常chang使shi用yong。
正激式變壓器開關電源工作原理

所謂正激式變壓器開關電源,是指當變壓器的初級線圈正在被直流電壓激勵時,變壓器的次級線圈正好有功率輸出。
圖1-17是正激式變壓器開關電源的簡單工作原理圖,圖1-17中Ui是開關電源的輸入電壓,T是開關變壓器,K是控製開關,L是儲能濾波電感,C是儲能濾波電容,D2是續流二極管,D3是削反峰二極管,R是負載電阻。
在圖1-17中,需要特別注意的是開關變壓器初、次級線圈的同名端。如果把開關變壓器初線圈或次級線圈的同名端弄反,圖1-17就不再是正激式變壓器開關電源了。
我們從(1-76)和(1-77)兩式可知,改變控製開關K的占空比D,隻能改變輸出電壓(圖1-16-b中正半周)的平均值Ua ,而輸出電壓的幅值Up不變。因此,正激式變壓器開關電源用於穩壓電源,隻能采用電壓平均值輸出方式。
圖1-17中,儲能濾波電感L和儲能濾波電容C,還有續流二極管D2,就是電壓平均值輸出濾波電路。其工作原理與圖1-2的串聯式開關電源電壓濾波輸出電路完全相同,這裏不再贅述。關於電壓平均值輸出濾波電路的詳細工作原理,請參看“1-2.串聯式開關電源”部分中的“串聯式開關電源電壓濾波輸出電路”內容。
正激式變壓器開關電源有一個最大的缺點,就是在控製開關K關斷的瞬間開關電源變壓器的初、次線圈繞組都會產生很高的反電動勢,這個反電動勢是由流過變壓器初線圈繞組的勵磁電流存儲的磁能量產生的。因此,在圖1-17中,為了防止在控製開關K關斷瞬間產生反電動勢擊穿開關器件,在開關電源變壓器中增加一個反電動勢能量吸收反饋線圈N3繞組,以及增加了一個削反峰二極管D3。
反饋線圈N3繞組和削反峰二極管D3對於正激式變壓器開關電源是十分必要的,一方麵,反饋線圈N3繞組產生的感應電動勢通過二極管D3可以對反電動勢進行限幅,並把限幅能量返回給電源,對電源進行充電;另一方麵,流過反饋線圈N3繞組中的電流產生的磁場可以使變壓器的鐵心退磁,使變壓器鐵心中的磁場強度恢複到初始狀態。
由於控製開關突然關斷,流過變壓器初級線圈的勵磁電流突然為0,此時,流過反饋線圈N3繞組中的電流正好接替原來勵磁電流的作用,使變壓器鐵心中的磁感應強度由最大值Bm返回到剩磁所對應的磁感應強度Br位置,即:流過反饋線圈N3繞組中電流是由最大值逐步變化到0的。由此可知,反饋線圈N3繞組產生的感應電動勢在對電源進行充電的同時,流過反饋線圈N3繞組中的電流也在對變壓器鐵心進行退磁。
[page]圖1-18是圖1-17中正激式變壓器開關電源中幾個關鍵點的電壓、電流波形圖。圖1-18-a)是變壓器次級線圈N2繞組整流輸出電壓波形,圖1-18-b)是變壓器次級線圈N3繞組整流輸出電壓波形,圖1-18-c)是流過變壓器初級線圈N1繞組和次級線圈N3繞組的電流波形。
圖1-17中,在Ton期間,控製開關K接通,輸入電源Ui對變壓器初級線圈N1繞組加電,初級線圈N1繞組有電流i1流過,在N1兩端產生自感電動勢的同時,在變壓器次級線圈N2繞組的兩端也同時產生感應電動勢,並向負載提供輸出電壓。開關變壓器次級線圈輸出電壓大小由(1-63)、(1-69)、(1-76)、(1-77)等式給出,電壓輸出波形如圖1-18-a)。
圖1-18-c)是流過變壓器初級線圈電流i1的(de)波(bo)形(xing)。流(liu)過(guo)正(zheng)激(ji)式(shi)開(kai)關(guan)電(dian)源(yuan)變(bian)壓(ya)器(qi)的(de)電(dian)流(liu)與(yu)流(liu)過(guo)電(dian)感(gan)線(xian)圈(quan)的(de)電(dian)流(liu)不(bu)同(tong),流(liu)過(guo)正(zheng)激(ji)式(shi)開(kai)關(guan)電(dian)源(yuan)變(bian)壓(ya)器(qi)中(zhong)的(de)電(dian)流(liu)有(you)突(tu)變(bian),而(er)流(liu)過(guo)電(dian)感(gan)線(xian)圈(quan)的(de)電(dian)流(liu)不(bu)能(neng)突(tu)變(bian)。因(yin)此(ci),在(zai)控(kong)製(zhi)開(kai)關(guan)Kjietongshunjianliuguozhengjishikaiguandianyuanbianyaqidedianliulikejiukeyidadaomougewendingzhi,zhegewendingdianliuzhishiyubianyaqicijixianquandianliudaxiaoxiangguande。ruguowomenbazhegedianliujiweii10,變壓器次級線圈電流為i2,那麼就是:i10 = n i2 ,其中n為變壓器次級電壓與初級電壓比。
另外,流過正激式開關電源變壓器的電流i1除了i10之外還有一個勵磁電流,我們把勵磁電流記為∆i1。從圖1-18-c)中可以看出,∆i1就是i1中隨著時間線性增長的部份,勵磁電流∆i1由下式給出:

當控製開關K由接通突然轉為關斷瞬間,流過變壓器初級線圈的電流i1突然為0,由於變壓器鐵心中的磁通量 不(bu)能(neng)突(tu)變(bian),必(bi)須(xu)要(yao)求(qiu)流(liu)過(guo)變(bian)壓(ya)器(qi)次(ci)級(ji)線(xian)圈(quan)回(hui)路(lu)的(de)電(dian)流(liu)也(ye)跟(gen)著(zhe)突(tu)變(bian),以(yi)抵(di)消(xiao)變(bian)壓(ya)器(qi)初(chu)級(ji)線(xian)圈(quan)電(dian)流(liu)突(tu)變(bian)的(de)影(ying)響(xiang),要(yao)麼(me),在(zai)變(bian)壓(ya)器(qi)初(chu)級(ji)線(xian)圈(quan)回(hui)路(lu)中(zhong)將(jiang)出(chu)現(xian)非(fei)常(chang)高(gao)的(de)反(fan)電(dian)動(dong)勢(shi)電(dian)壓(ya),把(ba)控(kong)製(zhi)開(kai)關(guan)或(huo)變(bian)壓(ya)器(qi)擊(ji)穿(chuan)。
如果變壓器鐵心中的磁通 產生突變,變壓器的初、次(ci)級(ji)線(xian)圈(quan)就(jiu)會(hui)產(chan)生(sheng)無(wu)限(xian)高(gao)的(de)反(fan)電(dian)動(dong)勢(shi),反(fan)電(dian)動(dong)勢(shi)又(you)會(hui)產(chan)生(sheng)無(wu)限(xian)大(da)的(de)電(dian)流(liu),而(er)電(dian)流(liu)又(you)會(hui)抵(di)製(zhi)磁(ci)通(tong)的(de)變(bian)化(hua),因(yin)此(ci),變(bian)壓(ya)器(qi)鐵(tie)心(xin)中(zhong)的(de)磁(ci)通(tong)變(bian)化(hua),最(zui)終(zhong)還(hai)是(shi)要(yao)受(shou)到(dao)變(bian)壓(ya)器(qi)初(chu)、次級線圈中的電流來約束的。
因此,控製開關K由接通狀態突然轉為關斷,變壓器初級線圈回路中的電流突然為0時,變壓器次級線圈回路中的電流i2一定正好等於控製開關K接通期間的電流i2(Ton+),與變壓器初級線圈勵磁電流∆i1被折算到變壓器次級線圈的電流之和。但由於變壓器初級線圈中勵磁電流∆i1被折算到變壓器次級線圈的電流∆i1/n的方向與原來變壓器次級線圈的電流i2(Ton+)的方向是相反的,整流二極管D1對電流∆i1/n並不導通,因此,電流∆i1/n隻能通過變壓器次級線圈N3繞組產生的反電動勢,經整流二極管D3向輸入電壓Ui進行反充電。
在Ton期間,由於開關電源變壓器的電流的i10等於0,變壓器次級線圈N2繞組回路中的電流i2自然也等於0,所以,流過變壓器次級線圈N3繞組中的電流,隻有變壓器初級線圈中勵磁電流∆i1被折算到變壓器次級線圈N3繞組回路中的電流i3 (等於∆i1/n),這個電流的大小是隨著時間下降的。[page]
一般正激式開關電源變壓器的初級線圈匝數與次級反電動勢能量吸收反饋線圈N3繞組的匝數是相等的,即:初、次級線圈匝數比為:1 :1 ,因此,∆i1 = i3 。圖1-18-c)中,i3用虛線表示。
圖1-18-b)正激式開關電源變壓器次級反電動勢能量吸收反饋線圈N3繞組的電壓波形。這裏取變壓器初、次級線圈匝數比為:1 :1,因此,當次級線圈N3繞組產生的反電動勢電壓超過輸入電壓Ui時,整流二極管D3就導通,反電動勢電壓就被輸入電壓Ui和整流二極管D3進行限幅,並把限幅時流過整流二極管的電流送回供電回路對電源或儲能濾波電容進行充電。
精確計算電流i3的大小,可以根據(1-80)式以及下麵方程式求得,當控製開關K關閉時:


上式中右邊的第一項就是流過變壓器初級線圈N1繞組中的最大勵磁電流被折算到次級線圈N3繞組中的電流,第二項是i3中隨著時間變化的分量。其中n為變壓器次級線圈與初級線圈的變壓比。值得注意的是,變壓器初、次級線圈的電感量不是與線圈匝數N成正比,而是與線圈匝數N2成正比。由(1-82)式可以看出,變壓器次級線圈N3繞組的匝數增多,即:L3電感量增大,變壓器次級線圈N3繞組的電流i3就變小,並且容易出現斷流,說明反電動勢的能量容易釋放完。因此,變壓器次級線圈N3繞組匝數與變壓器初級線圈N1繞組匝數之比n最好大於一或等於一。
當N1等於N3時,即:L1等於L3時,上式可以變為:

(1-83)式表明,當變壓器初級線圈N1繞組的匝數與次級線圈N3繞組的匝數相等時,如果控製開關的占空比D小於0.5,電流i3是不連續的;如果占空比D等於0.5,電流i3為臨界連續;如果占空比D大於0.5,電流i3為連續電流。
這裏順便說明,在圖1-17中,最好在整流二極管D1的兩端並聯一個高頻電容(圖中未畫出)。其好處一方麵可以吸收當控製開關K關斷瞬間變壓器次級線圈產生的高壓反電動勢能量,防止整流二極管D1擊穿;另一方麵,電容吸收的能量在下半周整流二極管D1還沒導通前,它會通過放電(與輸出電壓串聯)的形式向負載提供能量。這個並聯電容不但可以提高電源的輸出電壓(相當於倍壓整流的作用),還可以大大地減小整流二極管D1的損耗,提高工作效率。同時,它還會降低反電動勢的電壓上升率,對降低電磁輻射有好處。[page]
正激式變壓器開關電源的優缺點
為了表征各種電壓或電流波形的好壞,一般都是拿電壓或電流的幅值、平均值、有效值、yicixiebodengcanlianghuxiangjinxingbijiao。zaikaiguandianyuanzhizhong,dianyahuodianliudefuzhihepingjunzhizuizhiguan,yinci,womenyongdianyahuodianliudefuzhiyuqipingjunzhizhibi,chengweimaidongxishuS;也有人用電壓或電流的有效值與其平均值之比,稱為波形係數K。
因此,電壓和電流的脈動係數Sv、Si以及波形係數Kv、Ki分別表示為:




上麵4式中,Sv、Si、Kv、Ki分別表示:電壓和電流的脈動係數S,和電壓和電流的波形係數K,在一般可以分清楚的情況下一般都隻寫字母大寫S或K。脈動係數S和波形係數K都是表征電壓或者電流好壞的指標,S和K的值,顯然是越小越好。S和K的值越小,表示輸出電壓和電流越穩定,電壓和電流的紋波也越小。
正zheng激ji式shi變bian壓ya器qi開kai關guan電dian源yuan正zheng好hao是shi在zai變bian壓ya器qi的de初chu級ji線xian圈quan被bei直zhi流liu電dian壓ya激ji勵li時shi,變bian壓ya器qi的de次ci級ji線xian圈quan向xiang負fu載zai提ti供gong功gong率lv輸shu出chu,並bing且qie輸shu出chu電dian壓ya的de幅fu度du是shi基ji本ben穩wen定ding的de,此ci時shi盡jin管guan輸shu出chu功gong率lv不bu停ting地di變bian化hua,但dan輸shu出chu電dian壓ya的de幅fu度du基ji本ben還hai是shi不bu變bian,這zhe說shuo明ming正zheng激ji式shi變bian壓ya器qi開kai關guan電dian源yuan輸shu出chu電dian壓ya的de瞬shun態tai控kong製zhi特te性xing相xiang對dui來lai說shuo比bi較jiao好hao;隻(zhi)有(you)在(zai)控(kong)製(zhi)開(kai)關(guan)處(chu)於(yu)關(guan)斷(duan)期(qi)間(jian),功(gong)率(lv)輸(shu)出(chu)才(cai)全(quan)部(bu)由(you)儲(chu)能(neng)電(dian)感(gan)和(he)儲(chu)能(neng)電(dian)容(rong)兩(liang)者(zhe)同(tong)時(shi)提(ti)供(gong),此(ci)時(shi)輸(shu)出(chu)電(dian)壓(ya)雖(sui)然(ran)受(shou)負(fu)載(zai)電(dian)流(liu)的(de)影(ying)響(xiang),但(dan)如(ru)果(guo)儲(chu)能(neng)電(dian)容(rong)的(de)容(rong)量(liang)取(qu)得(de)比(bi)較(jiao)大(da),負(fu)載(zai)電(dian)流(liu)對(dui)輸(shu)出(chu)電(dian)壓(ya)的(de)影(ying)響(xiang)也(ye)很(hen)小(xiao)。
另ling外wai,由you於yu正zheng激ji式shi變bian壓ya器qi開kai關guan電dian源yuan一yi般ban都dou是shi選xuan取qu變bian壓ya器qi輸shu出chu電dian壓ya的de一yi周zhou平ping均jun值zhi,儲chu能neng電dian感gan在zai控kong製zhi開kai關guan接jie通tong和he關guan斷duan期qi間jian都dou向xiang負fu載zai提ti供gong電dian流liu輸shu出chu,因yin此ci,正zheng激ji式shi變bian壓ya器qi開kai關guan電dian源yuan的de負fu載zai能neng力li相xiang對dui來lai說shuo比bi較jiao強qiang,輸shu出chu電dian壓ya的de紋wen波bo比bi較jiao小xiao。如ru果guo要yao求qiu正zheng激ji式shi變bian壓ya器qi開kai關guan電dian源yuan輸shu出chu電dian壓ya有you較jiao大da的de調tiao整zheng率lv,在zai正zheng常chang負fu載zai的de情qing況kuang下xia,控kong製zhi開kai關guan的de占zhan空kong比bi最zui好hao選xuan取qu在zai0.5左右,或稍大於0.5,此時流過儲能濾波電感的電流才是連續電流。當流過儲能濾波電感的電流為連續電流時,負載能力相對來說比較強。
當控製開關的占空比為0.5時,正激式變壓器開關電源輸出電壓uo的幅值正好等於電壓平均值Ua的兩倍,流過濾波儲能電感電流的最大值Im也正好是平均電流Io(輸出電流)的兩倍,因此,正激式變壓器開關電源的電壓和電流的脈動係數S都約等於2,而與反激式變壓器開關電源的電壓和電流的脈動係數S相比,差不多小一倍,說明正激式變壓器開關電源的電壓和電流輸出特性要比反激式變壓器開關電源好很多。[page]
正(zheng)激(ji)式(shi)變(bian)壓(ya)器(qi)開(kai)關(guan)電(dian)源(yuan)的(de)缺(que)點(dian)也(ye)是(shi)非(fei)常(chang)明(ming)顯(xian)的(de)。其(qi)中(zhong)一(yi)個(ge)是(shi)電(dian)路(lu)比(bi)反(fan)激(ji)式(shi)變(bian)壓(ya)器(qi)開(kai)關(guan)電(dian)源(yuan)多(duo)用(yong)一(yi)個(ge)大(da)儲(chu)能(neng)濾(lv)波(bo)電(dian)感(gan),以(yi)及(ji)一(yi)個(ge)續(xu)流(liu)二(er)極(ji)管(guan)。此(ci)外(wai),正(zheng)激(ji)式(shi)變(bian)壓(ya)器(qi)開(kai)關(guan)電(dian)源(yuan)輸(shu)出(chu)電(dian)壓(ya)受(shou)占(zhan)空(kong)比(bi)的(de)調(tiao)製(zhi)幅(fu)度(du),相(xiang)對(dui)於(yu)反(fan)激(ji)式(shi)變(bian)壓(ya)器(qi)開(kai)關(guan)電(dian)源(yuan)來(lai)說(shuo)要(yao)低(di)很(hen)多(duo),這(zhe)個(ge)從(cong)(1-77)和(1-78)shideduibijiuhenmingxiankeyikanchulai。yinci,zhengjishibianyaqikaiguandianyuanyaoqiutiaokongzhankongbidewuchaxinhaofudubijiaogao,wuchaxinhaofangdaqidezengyihedongtaifanweiyebijiaoda。
另外,正激式變壓器開關電源為了減少變壓器的勵磁電流,提高工作效率,變壓器的伏秒容量一般都取得比較大(伏秒容量等於輸入脈衝電壓幅度與脈衝寬度的乘積,這裏用US來表示),bingqieweilefangzhibianyaqichujixianquanchanshengdefandiandongshibakaiguanguanjichuan,zhengjishibianyaqikaiguandianyuandebianyaqiyaobifanjishibianyaqikaiguandianyuandebianyaqiduoyigefandiandongshixishouraozu,yinci,zhengjishibianyaqikaiguandianyuandebianyaqidetijiyaobifanjishibianyaqikaiguandianyuandebianyaqidetijida。
正(zheng)激(ji)式(shi)變(bian)壓(ya)器(qi)開(kai)關(guan)電(dian)源(yuan)還(hai)有(you)一(yi)個(ge)更(geng)大(da)的(de)缺(que)點(dian)是(shi)在(zai)控(kong)製(zhi)開(kai)關(guan)關(guan)斷(duan)時(shi),變(bian)壓(ya)器(qi)初(chu)級(ji)線(xian)圈(quan)產(chan)生(sheng)的(de)反(fan)電(dian)動(dong)勢(shi)電(dian)壓(ya)要(yao)比(bi)反(fan)激(ji)式(shi)變(bian)壓(ya)器(qi)開(kai)關(guan)電(dian)源(yuan)產(chan)生(sheng)的(de)反(fan)電(dian)動(dong)勢(shi)電(dian)壓(ya)高(gao)。因(yin)為(wei)一(yi)般(ban)正(zheng)激(ji)式(shi)變(bian)壓(ya)器(qi)開(kai)關(guan)電(dian)源(yuan)工(gong)作(zuo)時(shi),控(kong)製(zhi)開(kai)關(guan)的(de)占(zhan)空(kong)比(bi)都(dou)取(qu)在(zai)0.5左右,而反激式變壓器開關電源控製開關的占空比都取得比較小。
正(zheng)激(ji)式(shi)變(bian)壓(ya)器(qi)開(kai)關(guan)電(dian)源(yuan)在(zai)控(kong)製(zhi)開(kai)關(guan)關(guan)斷(duan)時(shi),變(bian)壓(ya)器(qi)初(chu)級(ji)線(xian)圈(quan)兩(liang)端(duan)產(chan)生(sheng)的(de)反(fan)電(dian)動(dong)勢(shi)電(dian)壓(ya)是(shi)由(you)流(liu)過(guo)變(bian)壓(ya)器(qi)初(chu)級(ji)線(xian)圈(quan)的(de)勵(li)磁(ci)電(dian)流(liu)產(chan)生(sheng)的(de)。因(yin)此(ci),為(wei)了(le)提(ti)高(gao)工(gong)作(zuo)效(xiao)率(lv)和(he)降(jiang)低(di)反(fan)電(dian)動(dong)勢(shi)電(dian)壓(ya)的(de)幅(fu)度(du),盡(jin)量(liang)減(jian)小(xiao)正(zheng)激(ji)式(shi)開(kai)關(guan)電(dian)源(yuan)變(bian)壓(ya)器(qi)初(chu)級(ji)線(xian)圈(quan)的(de)勵(li)磁(ci)電(dian)流(liu)是(shi)值(zhi)得(de)考(kao)慮(lv)的(de)。
當控製開關的占空比為0.5時,在控製開關關斷時刻,電源變壓器初級會產生反電動勢,反電動勢產生的電流方向與輸入電壓Ui產生的電流方向相同,因此,控製開關兩端的電壓正好等於輸入電壓Ui與反電動勢Up-之和,即:

式中Ukp為控製開關關斷時刻,控製開關兩端的電壓;Up-為變壓器初級線圈產生反電動勢電壓的峰值。根據(1-68)式和圖1-16-b可知,Up-一般都大於輸入電壓Ui,因此Ukp大於兩倍Ui。
一般正激式變壓器開關電源都設置有一個反電動勢能量吸收回路,如圖1-17中的變壓器反饋線圈N3繞組和整流二極管D3,此時,反電動勢電壓的峰值一般都被限幅到輸入電壓Ui的值,如果不考慮變壓器初、次級線圈的漏感,則(1-88)式可以改寫為:
這個電壓對於電源開關管來說是很高的。例如電源輸入電壓為交流220伏,經整流濾波後其最大值就是311伏,根據(1-89)式可求得Uk = 622伏;如果輸入電壓為交流253伏(±15%),那麼,可以求得Ukp = 715伏,這還不算變壓器初級線圈漏感產生的反電動勢電壓。一般圖1-17中的變壓器反饋線圈N3繞組和整流二極管D3,對變壓器初級線圈N1繞組漏感產生的反電動勢電壓是無法進行吸收的,這一點需要特別注意。為了吸收變壓器初級線圈N1繞組漏感產生的反電動勢,在變壓器初級線圈回路中還要專門設置一個反電動勢吸收電路,這一方麵內容後麵還要更詳細介紹。
一般電源開關管的耐壓都在650伏左右,因此,正激式變壓器開關電源在輸入電壓為交流220fudeshebeizhonghenshaoshiyong,huozheyonglianggedianyuankaiguanguanchuanlianlaishiyong。youyuzhengjishibianyaqikaiguandianyuanshuchudianyadeshuntaikongzhitexingxiangduilaishuobijiaohao,yinci,muqianzaiyixieduishuntaikongzhitexingyaoqiubijiaogaodechanghe,yonglianggedianyuankaiguanguanchuanliandezhengjishibianyaqikaiguandianyuanyezhubukaishizengjia。[page]
正激式變壓器開關電源電路參數的計算
正激式變壓器開關電源電路參數計算主要對儲能濾波電感、儲能濾波電容,以及開關電源變壓器的參數進行計算。
0.1.正激式變壓器開關電源儲能濾波電感和儲能濾波電容參數的計算
圖1-17中,儲能濾波電感和儲能濾波電容參數的計算,與圖1-2的串聯式開關電源中儲能濾波電感和儲能濾波電容參數的計算方法基本相同,因此,我們可以直接引用(1-14)式和(1-18)式,即:


式中Io為流過負載的電流(平均電流),當D = 0.5時,其大小正好等於流過儲能電感L最大電流iLm的二分之一;T為開關電源的工作周期,T正好等於2倍控製開關的接通時間Ton ;ΔUP-P為輸出電壓的波紋電壓,波紋電壓ΔUP-P一般取峰-峰值,所以波紋電壓等於電容器充電或放電時的電壓增量,即:ΔUP-P = 2ΔUc 。
同理,(1-90)式和(1-91)式的計算結果,隻給出了計算正激式變壓器開關電源儲能濾波電感L和濾波電容C的中間值,或平均值,對於極端情況可以在平均值的計算結果上再乘以一個大於1的係數。
關於電壓平均值輸出濾波電路的詳細工作原理與參數計算,請參看“1-2.串聯式開關電源”部分中的“串聯式開關電源電壓濾波輸出電路”內容,這裏不再贅述。
正激式開關電源變壓器參數的計算
zhengjishikaiguandianyuanbianyaqicanshudejisuanzhuyaocongzhejigefangmianlaikaolv。yigeshibianyaqichujixianquandezashuhefumiaorongliang,fumiaorongliangyuedabianyaqidelicidianliujiuyuexiao;另一個是變壓器初、次ci級ji線xian圈quan的de匝za數shu比bi,以yi及ji變bian壓ya器qi各ge個ge繞rao組zu的de額e定ding輸shu入ru或huo輸shu出chu電dian流liu或huo功gong率lv。關guan於yu開kai關guan電dian源yuan變bian壓ya器qi的de工gong作zuo原yuan理li以yi及ji參can數shu設she計ji後hou麵mian還hai要yao更geng詳xiang細xi分fen析xi,這zhe裏li隻zhi做zuo比bi較jiao簡jian單dan的de介jie紹shao。
正激式開關電源變壓器初級線圈匝數的計算
圖1-17中,當輸入電壓Uijiayukaiguandianyuanbianyaqichujixianquandeliangduan,qiebianyaqidesuoyoucijixianquanjunkailushi,liuguobianyaqidedianliuzhiyoulicidianliu,bianyaqitiexinzhongdecitongliangquanbudoushiyoulicidianliuchanshengde。dangkongzhikaiguanjietongyihou,licidianliujiuhuisuishijianzengjiaerzengjia,bianyaqitiexinzhongdecitongliangyesuishijianzengjiaerzengjia。genjudianciganyingdingli:

式中E1為變壓器初級線圈產生的電動勢,L1為變壓器初級線圈的電感量, 為變壓器鐵心中的磁通量,Ui為變壓器初級線圈的輸入電壓。其中磁通量 還可以表示為:

上式中,S為變壓器鐵心的導磁麵積(單位:平方厘米),B為磁感應強度,也稱磁感應密度(單位:高斯),即:單位麵積的磁通量。
把(1-93)式代入(1-92)式並進行積分:

由此求得:

(1-95)式就是計算單激式開關電源變壓器初級線圈N1繞組匝數的公式。式中,N1為變壓器初級線圈N1繞組的最少匝數,S為變壓器鐵心的導磁麵積(單位:平方厘米),Bm為變壓器鐵心的最大磁感應強度(單位:高斯),Br為變壓器鐵心的剩餘磁感應強度(單位:高斯),Br一般簡稱剩磁,τ = Ton,為控製開關的接通時間,簡稱脈衝寬度,或電源開關管導通時間的寬度(單位:秒),一般τ取值時要預留20%以上的餘量,Ui為工電壓,單位為伏。式中的指數是統一單位用的,選用不同單位,指數的值也不一樣,這裏選用CGS單位製,即:長度為厘米(cm),磁感應強度為高斯(Gs),磁通單位為麥克斯韋(Mx)。
(1-95)式中,Ui× 就是變壓器的伏秒容量,即:伏秒容量等於輸入脈衝電壓幅度與脈衝寬度的乘積,這裏我們把伏秒容量用US來表示。伏秒容量US表示:一個變壓器能夠承受多高的輸入電壓和多長時間的衝擊。[page]
zaiyidingdebianyaqifumiaorongliangtiaojianxia,shurudianyayuegao,bianyaqinenggouchengshouchongjideshijianjiuyueduan,fanzhi,shurudianyayuedi,bianyaqinenggouchengshouchongjideshijianjiuyuechang;而er在zai一yi定ding的de工gong作zuo電dian壓ya條tiao件jian下xia,變bian壓ya器qi的de伏fu秒miao容rong量liang越yue大da,變bian壓ya器qi的de鐵tie心xin中zhong的de磁ci感gan應ying強qiang度du就jiu越yue低di,變bian壓ya器qi鐵tie心xin就jiu更geng不bu容rong易yi飽bao和he。變bian壓ya器qi的de伏fu秒miao容rong量liang與yu變bian壓ya器qi的de體ti積ji以yi及ji功gong率lv無wu關guan,而er隻zhi與yu磁ci通tong的de變bian化hua量liang有you關guan。
必須指出Bm和Br都不是一個常量,當流過變壓器初級線圈的電流很小時,Bm是隨著電流增大而增大的,但當電流再繼續增大時,Bmjiangbunengjixuzengda,zhezhongxianxiangchengcibaohe。bianyaqiyaobimiangongzuozaicibaohezhuangtai。weilefangzhimaichongbianyaqibaohe,yibankaiguanbianyaqidouzaicihuiluzhongliuyidingdeqixi。youyukongqidedaocilvyutiexindedaocilvxiangchachengqianshangwanbei,yinci,zhiyaozaicihuiluzhongliubaifenzhiyihuojibaifenzhiyideqixichangdu,qicizuhuozhecidongshijiangdabufendouluozaiqixishang,yincicixinyejiuhennanbaohe。
在沒有留氣隙的變壓器鐵心中的Bm和Br的值一般都很高,但兩者之間的差值卻很小;留有氣隙的變壓器鐵心,Bm和Br的值一般都要降低,但兩者之間的差值卻可以增大,氣隙留得越大,兩者之間的差值就越大,一般Bm可取1000~4000高斯,Br可取500~1000。順便指出,變壓器鐵心的氣隙留得過大,變壓器初、次級線圈之間的耦合係數會降低,從而使變壓器初、次級線圈的漏感增大,降低工作效率,並且還容易產生反電動勢把電源開關管擊穿。
還有一些高導磁率、高磁通密度磁材料(如坡莫合金),這種變壓器鐵心的導磁率和Bm值都可達10000高斯以上,但這些高導磁率、高磁通密度磁材料一般隻用於雙激式開關電源變壓器中。
在(1-95)式中雖然沒有看到變壓器初級線圈電感這個變量,但從(1-92)式可以求得:

上shang式shi表biao示shi,變bian壓ya器qi初chu級ji線xian圈quan的de電dian感gan量liang等deng於yu穿chuan過guo變bian壓ya器qi初chu級ji線xian圈quan的de總zong磁ci通tong,與yu流liu過guo變bian壓ya器qi初chu級ji線xian圈quan勵li磁ci電dian流liu之zhi比bi,另ling外wai,由you於yu線xian圈quan之zhi間jian有you互hu感gan作zuo用yong,即ji勵li磁ci電dian流liu出chu了le受shou輸shu入ru電dian壓ya的de作zuo用yong外wai,同tong時shi也ye受shou線xian圈quan電dian感gan量liang的de影ying響xiang,因yin此ci,變bian壓ya器qi線xian圈quan的de電dian感gan量liang與yu變bian壓ya器qi線xian圈quan的de匝za數shu的de平ping方fang成cheng正zheng比bi。從cong(1-95)式和(1-96)式(shi)可(ke)以(yi)看(kan)出(chu),變(bian)壓(ya)器(qi)初(chu)級(ji)線(xian)圈(quan)的(de)匝(za)數(shu)越(yue)多(duo),伏(fu)秒(miao)容(rong)量(liang)和(he)初(chu)級(ji)線(xian)圈(quan)的(de)電(dian)感(gan)量(liang)也(ye)越(yue)大(da)。因(yin)此(ci),對(dui)於(yu)正(zheng)激(ji)式(shi)開(kai)關(guan)電(dian)源(yuan)變(bian)壓(ya)器(qi)來(lai)說(shuo),如(ru)果(guo)不(bu)考(kao)慮(lv)變(bian)壓(ya)器(qi)初(chu)級(ji)線(xian)圈(quan)本(ben)身(shen)的(de)電(dian)阻(zu)損(sun)耗(hao),變(bian)壓(ya)器(qi)初(chu)級(ji)線(xian)圈(quan)的(de)匝(za)數(shu)是(shi)越(yue)多(duo)越(yue)好(hao),電(dian)感(gan)量(liang)也(ye)是(shi)越(yue)大(da)越(yue)好(hao)。但(dan)在(zai)進(jin)行(xing)變(bian)壓(ya)器(qi)設(she)計(ji)的(de)時(shi)候(hou),還(hai)要(yao)對(dui)成(cheng)本(ben)以(yi)及(ji)銅(tong)阻(zu)損(sun)耗(hao)等(deng)因(yin)素(su)一(yi)起(qi)進(jin)行(xing)考(kao)慮(lv)。
變壓器初、次級線圈匝數比的計算
正(zheng)激(ji)式(shi)開(kai)關(guan)電(dian)源(yuan)輸(shu)出(chu)電(dian)壓(ya)一(yi)般(ban)是(shi)脈(mai)動(dong)直(zhi)流(liu)的(de)平(ping)均(jun)值(zhi),而(er)脈(mai)動(dong)直(zhi)流(liu)的(de)平(ping)均(jun)值(zhi)與(yu)控(kong)製(zhi)開(kai)關(guan)的(de)占(zhan)空(kong)比(bi)有(you)關(guan),因(yin)此(ci),在(zai)計(ji)算(suan)正(zheng)激(ji)式(shi)開(kai)關(guan)電(dian)源(yuan)變(bian)壓(ya)器(qi)初(chu)、次級線圈的匝數比之前,首先要確定控製開關的占空比D,把占空比D確定之後,根據(1-77)式就可以計算出正激式開關電源變壓器的初、次級線圈的匝數比:

由(1-77)可以求得:

上式中,n為正激式開關電源變壓器次級線圈與初級線圈的匝數比,即:n = N2/N1 ;Uo為輸出直流電壓,Ui為變壓器初級輸入電壓,D為控製開關的占空比。
在正常輸出負載的情況下,正激式開關電源控製開關的占空比D最好取值為0.5左右。這樣,當負載比較輕的時候,占空比D會小於0.5,雖然儲能濾波電感會出現斷流,儲能濾波電容充電時間縮短,放電時間增加,但由於輸出電流比較小,儲能濾波電容充、放電的電流也很小,所以在電容兩端產生的電壓紋波不會增大,反而減小;當輸出負載比較重的時候,控製開關的占空比D會大於0.5,cishiliuguochunenglvbodiangandedianliuweilianxudianliu,shuchudianliuzengda,chunenglvbodianrongchongdiandeshijianzengjia,fangdiandeshijiansuoduan,yinci,dianrongliangduanchanshengdedianyawenboyebuhuizengdahenduo。
因此,如果正激式開關電源電路中的儲能濾波電感和儲能濾波電容充電以及控製開關占空比,三者取得合適,輸出電壓紋波會很小。
正激式開關電源變壓器次級反電動勢能量吸收反饋線圈N3繞組與初線圈N1繞組的匝數比n一般為1 :1 ,即:N3/N1 = 1。如果n大於1,反饋線圈N3繞組與整流二極管D3的限幅保護作用就會增強,但流過反饋線圈N3繞組和整流二極管D3的電流也會增大,從而會增加損耗;如果n小於1,反饋線圈N3繞組與整流二極管D3的限幅保護作用就會減弱,尖峰脈衝很容易把電源開關管擊穿。
正激式開關電源變壓器次級反電動勢能量吸收反饋線圈N3繞rao組zu匝za數shu的de計ji算suan與yu限xian幅fu穩wen壓ya二er極ji管guan的de計ji算suan方fang法fa是shi很hen相xiang似si的de,不bu過guo線xian圈quan匝za數shu與yu穩wen壓ya二er極ji管guan的de擊ji穿chuan電dian壓ya正zheng好hao相xiang反fan,擊ji穿chuan電dian壓ya取qu得de越yue高gao限xian幅fu保bao護hu的de作zuo用yong反fan而er越yue弱ruo。
這裏順便提一下,變壓器線圈漆包線的電流密度一般取每平方毫米為2~3安(an)培(pei)比(bi)較(jiao)合(he)適(shi)。當(dang)開(kai)關(guan)電(dian)源(yuan)的(de)工(gong)作(zuo)頻(pin)率(lv)取(qu)得(de)很(hen)高(gao)時(shi),電(dian)流(liu)密(mi)度(du)最(zui)好(hao)取(qu)得(de)小(xiao)一(yi)些(xie),或(huo)者(zhe)用(yong)多(duo)股(gu)線(xian)代(dai)替(ti)單(dan)股(gu)線(xian),以(yi)免(mian)電(dian)流(liu)在(zai)導(dao)體(ti)中(zhong)產(chan)生(sheng)趨(qu)膚(fu)效(xiao)應(ying),增(zeng)大(da)損(sun)耗(hao)使(shi)導(dao)線(xian)發(fa)熱(re)。另(ling)外(wai),目(mu)前(qian)繞(rao)製(zhi)變(bian)壓(ya)器(qi)使(shi)用(yong)的(de)漆(qi)包(bao)線(xian)大(da)部(bu)分(fen)都(dou)不(bu)是(shi)純(chun)銅(tong)線(xian),因(yin)此(ci)電(dian)阻(zu)率(lv)相(xiang)對(dui)比(bi)較(jiao)大(da),把(ba)這(zhe)些(xie)因(yin)素(su)一(yi)起(qi)考(kao)慮(lv),電(dian)流(liu)密(mi)度(du)更(geng)不(bu)能(neng)取(qu)高(gao)。
特別推薦
- 噪聲中提取真值!瑞盟科技推出MSA2240電流檢測芯片賦能多元高端測量場景
- 10MHz高頻運行!氮矽科技發布集成驅動GaN芯片,助力電源能效再攀新高
- 失真度僅0.002%!力芯微推出超低內阻、超低失真4PST模擬開關
- 一“芯”雙電!聖邦微電子發布雙輸出電源芯片,簡化AFE與音頻設計
- 一機適配萬端:金升陽推出1200W可編程電源,賦能高端裝備製造
技術文章更多>>
- 突破工藝邊界,奎芯科技LPDDR5X IP矽驗證通過,速率達9600Mbps
- 通過直接、準確、自動測量超低範圍的氯殘留來推動反滲透膜保護
- 從技術研發到規模量產:恩智浦第三代成像雷達平台,賦能下一代自動駕駛!
- 從機械執行到智能互動:移遠Q-Robotbox助力具身智能加速落地
- 品英Pickering將亮相2026航空電子國際論壇,展示航電與電池測試前沿方案
技術白皮書下載更多>>
- 車規與基於V2X的車輛協同主動避撞技術展望
- 數字隔離助力新能源汽車安全隔離的新挑戰
- 汽車模塊拋負載的解決方案
- 車用連接器的安全創新應用
- Melexis Actuators Business Unit
- Position / Current Sensors - Triaxis Hall
熱門搜索




