開關變壓器第四講 直流脈衝對鐵芯的磁化
發布時間:2009-07-02
直流脈衝對鐵芯的磁化過程類似電容器充、放電,不同之處在於當電流消失之後鐵芯中存在剩磁。經過N個直流脈衝之後,磁通密度和磁場強度以及磁矯頑力三者之間會形成一個動態平衡點,使變壓器鐵芯中的最大磁通密度Bm和剩餘磁通密度Br能夠達到相對穩定。具體分析請看文中圖形。
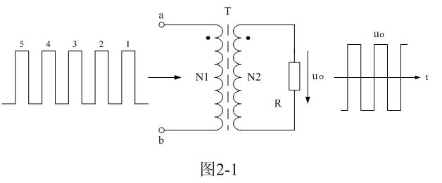
為了簡單起見,我們把單激式變壓器開關電源等效成如圖2-1所示電路,其中我們把直流輸入電壓通過控製開關通、duandezuoyong,kanchengshiyixuliezhiliumaichongdianya,jidanjixingmaichongdianya,zhijiegeikaiguanbianyaqigongdian。zheliwomentebiebabianyaqichengweikaiguanbianyaqi,yibiaoshitu2-1所示電路與一般電源變壓器電路在工作原理方麵還有區別的。
在一般的電源變壓器電路中,當電源變壓器兩端的輸入電壓為0時,表示輸入端是短路的,因為電源內阻可以看作為0;而在開關變壓器電路中,當開關變壓器兩端的輸入電壓為0時,表示輸入端是開路的,因為電源內阻可以看作為無限大。

在圖2-1中,當一組序列號為1、2、3、…的直流脈衝電壓分別加到開關變壓器初級線圈a、b兩端時,在開關變壓器的初級線圈中就會有勵磁電流流過,同時,在開關變壓器的鐵芯中就會產生磁場,在磁場強度為H的磁場作用下又會產生磁通密度為B的磁力線通量,簡稱磁通,用“
”表示。
在變壓器鐵芯中,磁通密度B或磁通
受磁場強度H的作用而發生變化的過程,稱為磁化過程;因此,用來描述磁通密度B與磁場強度H之間對應變化的關係曲線,人們都把它稱為磁化曲線。圖2-2是單激式開關變壓器鐵芯被磁化時,磁通密度B與磁場強度H之間對應變化的關係曲線圖。
shunbianzhichu,zaifenxibianyaqitiexindecihuaguochengzhong,jingchangshiyongcitongmiduheciganyingqiangduzhelianggemingcheng,zhelianggemingchengzaibenzhishangmeiqubie,huxiangkeyitongyong,butongchangheshiyongbutongmingcheng,zhishiweileshiyongfangbian。
如(ru)果(guo)開(kai)關(guan)變(bian)壓(ya)器(qi)的(de)鐵(tie)芯(xin)在(zai)這(zhe)之(zhi)前(qian)從(cong)來(lai)沒(mei)有(you)被(bei)任(ren)何(he)磁(ci)場(chang)磁(ci)化(hua)過(guo),並(bing)且(qie)開(kai)關(guan)變(bian)壓(ya)器(qi)的(de)伏(fu)秒(miao)容(rong)量(liang)足(zu)夠(gou)大(da),那(na)麼(me),當(dang)第(di)一(yi)個(ge)直(zhi)流(liu)脈(mai)衝(chong)電(dian)壓(ya)加(jia)到(dao)變(bian)壓(ya)器(qi)初(chu)級(ji)線(xian)圈(quan)a、b兩端時,在變壓器初級線圈中將有勵磁電流流過,並在變壓器鐵芯中產生磁場。
在磁場強度H的作用下,變壓器鐵芯中的磁感應強度B將會按圖2-2中0-1磁化曲線上升;當第一個直流脈衝電壓將要結束時,磁場強度達到第一個最大值Hm1,同時磁感應強度將會被磁場強度磁化到第一個最大值Bm1 ;由此產生一個磁感應強度增量ΔB,ΔB = Bm1- 0 。磁感應強度增加,表示流過變壓器初級線圈中的勵磁電流產生的磁場在對變壓器鐵芯進行充磁。[page]

當序列脈衝電壓加到開關變壓器初級線圈a、b兩端時,在變壓器鐵芯中會產生的磁場,這磁場完全是由流過變壓器初級線圈的勵磁電流產生的,流過變壓器初級線圈的勵磁電流為:

(2-8)式中,
為流過變壓器初級線圈的勵磁電流,E為加到變壓器初級線圈兩端的電壓,L1為變壓器初級線圈的電感量,t為時間,
(0)為初始電流,即t = 0時流過變壓器初級線圈的勵磁電流。
如果脈衝序列的占空係數(占空比)滿足磁化電流在後一個脈衝進入前下降為零,即開關電源工作於電流臨界連續或不連續狀態。
當第一個直流脈衝結束以後,由於開關變壓器初級線圈開路,雖然流過變壓器初級線圈中的勵磁電流下降到零,但磁場強度H不會馬上下降到零;此時,變壓器的初、次級線圈會同時產生反電動勢,由於反電動勢的作用,在變壓器的初、次級線圈回路中都會有電流流過,這種回路電流屬於感應電流,或稱感生電流。
當第一個直流脈衝結束時,如果開關變壓器初級線圈不開路,反電動勢會對輸入電壓進行反充電;如果開關變壓器初級線圈是開路的,反電動勢會對初級線圈中的分布電容進行充放電,從而會在初級線圈內部產生高頻振蕩。
由反電動勢產生的感應電流會在變壓器鐵芯中產生反向磁場,使變壓器鐵芯退磁,磁場強度H開始由第一最大值Hm1逐步下降到0;但變壓器鐵芯中的磁通密度B並不是按充磁時的0-1磁化曲線原路返回,跟隨磁場強度下降到零,而是按另一條新的磁化曲線1-2返回到2點;即:第一個剩餘磁通密度Br1處。因此,人們都習慣地把磁通密度位於2點的值,稱為剩餘磁通密度,或簡稱“剩磁”。變壓器鐵芯有剩磁說明變壓器鐵芯有記憶特性,這是鐵磁材料的基本特性。
[page]
磁場強度H下(xia)降(jiang)到(dao)零(ling),但(dan)變(bian)壓(ya)器(qi)鐵(tie)芯(xin)中(zhong)的(de)磁(ci)通(tong)密(mi)度(du)不(bu)能(neng)跟(gen)隨(sui)磁(ci)場(chang)強(qiang)度(du)下(xia)降(jiang)到(dao)零(ling),而(er)隻(zhi)能(neng)下(xia)降(jiang)到(dao)某(mou)個(ge)磁(ci)通(tong)密(mi)度(du)剩(sheng)餘(yu)值(zhi),這(zhe)種(zhong)現(xian)象(xiang)稱(cheng)為(wei)變(bian)壓(ya)器(qi)鐵(tie)芯(xin)具(ju)有(you)磁(ci)矯(jiao)頑(wan)力(li),簡(jian)稱(cheng)矯(jiao)頑(wan)力(li),用(yong)Hc表示。變壓器鐵芯具有磁矯頑力,這是鐵磁材料或磁性材料最基本的性質。
同理,當第二個直流脈衝加到變壓器初級線圈a、b兩端時,變壓器鐵芯中的磁通密度B將按圖2-2中新的磁化曲線2-3上升,磁通密度被磁場強度磁化到第二個最大值Bm2,使磁通密度產生一個增量ΔB,ΔB = Bm2-Br1 。
第二個直流脈衝結束以後,流過變壓器初級線圈中的勵磁電流下降到零,變壓器初、次級線圈產生的反電動勢,又會使磁通密度按另一條新的退磁化曲線3-4返回到第二個剩餘磁通密度Br2處;當然,Br2同樣也隻是變壓器鐵芯被退磁時磁通密度變化過程中的又一個臨時剩餘值。
其餘依次類推,第3、4個直流脈衝電壓同樣也會讓磁通密度增加一個增量ΔB ,即:

(2-9)式中,ΔB為磁通密度增量;隻要作用於開關變壓器線圈上的脈衝電壓的幅度U和脈衝寬度τ不變,則變壓器鐵芯片的磁化過程就會在磁通密度增量為常數(∆B = 常數)的條件下進行。
但在直流脈衝的幅度和寬度不變的情況下,磁通密度的增量ΔB不改變,並不意味著磁場強度的增量可以保證不變,這是磁強度度與磁場強度之間的一個重要區別。
經過n個直流脈衝電壓之後,變壓器鐵芯中的最大磁通密度Bm和剩餘磁通密度Br才能基本穩定在某個數值之上,即:脈衝序列的作用達到穩定狀態後,磁化過程將沿原始曲線上某一固定局部磁滯回線n點重複;這時剩餘磁通密度為Br n(Br n= Br),磁通密度變化無論磁場強度增長或降低,其ΔB值基本不變。
顯然,局部磁滯回線固定於什麼位置,對某種材料來說隻取決於∆B值的大小。如果∆B足夠大,則局部磁滯回線的最低點位於最大局部磁滯回線的剩餘磁通密度點Br點處。此時Br對應每個輸入直流脈衝的起點,Bm對應每個直流脈衝的終點。
磁通密度達到最大值Bm後(hou)不(bu)再(zai)繼(ji)續(xu)增(zeng)加(jia)是(shi)可(ke)以(yi)理(li)解(jie)的(de),因(yin)為(wei),磁(ci)通(tong)密(mi)度(du)和(he)磁(ci)場(chang)強(qiang)度(du)既(ji)可(ke)以(yi)是(shi)勢(shi)能(neng)也(ye)可(ke)以(yi)是(shi)位(wei)能(neng),兩(liang)者(zhe)可(ke)以(yi)互(hu)相(xiang)轉(zhuan)換(huan),它(ta)們(men)與(yu)電(dian)容(rong)充(chong)放(fang)電(dian)的(de)過(guo)程(cheng)是(shi)很(hen)相(xiang)似(si)的(de)。例(li)如(ru):當電源電壓對電容充電時,電容兩端的電壓會上升;當電源斷開的時候,電容就會對負載放電,其兩端電壓就會下降;當電容充電的電荷與放電的電荷完全相等的時候,電容兩端電壓紋波就會穩定在某個數值之上。
用∆H表示磁場強度增量,它在固定局部磁滯回線上磁通密度增量∆B相對應,即它們之間可用下麵關係式表示:

(2-10)式稱為磁場強度增量∆H與磁通密度增量∆B的脈衝靜態特性關係。在直流狀態條件下,(2-10)式不成立。
磁場強度增量∆H和磁通密度增量∆B的對應關係還可以用下式表示:


本上都是固定的,並且是單極性脈衝,其磁滯回線的麵積相對來說很小,因此,鐵芯的脈衝導磁率
幾乎可以看成是一個常數;而er開kai關guan變bian壓ya器qi輸shu入ru脈mai衝chong電dian壓ya的de幅fu度du以yi及ji寬kuan度du都dou不bu是shi固gu定ding的de,其qi磁ci滯zhi回hui線xian的de麵mian積ji相xiang對dui來lai說shuo變bian化hua比bi較jiao大da,鐵tie芯xin導dao磁ci率lv的de變bian化hua範fan圍wei也ye很hen大da,特te別bie是shi雙shuang激ji式shi開kai關guan變bian壓ya器qi,因yin此ci,隻zhi能neng用yong平ping均jun導dao磁ci率lv
的概念來描述。
[page]
勵磁電流或磁場強度對變壓器鐵芯進行磁化時也具有類似電容器充、放電的特點:當變壓器初級線圈中的勵磁電流產生的磁場強度對變壓器鐵芯進行磁化時,磁通密度就會增加,相當於對電容器充電;當變壓器初級線圈中的勵磁電流為零時,變壓器初、次ci級ji線xian圈quan會hui產chan生sheng反fan電dian動dong勢shi,其qi感gan應ying產chan生sheng的de電dian流liu就jiu會hui產chan生sheng反fan向xiang磁ci場chang對dui變bian壓ya器qi鐵tie芯xin進jin行xing退tui磁ci,使shi磁ci通tong密mi度du下xia降jiang,與yu充chong電dian電dian容rong器qi對dui負fu載zai放fang電dian的de情qing況kuang很hen類lei似si。
當變壓器鐵芯被磁化時產生的磁通密度增量與變壓器鐵芯被退磁時產生的磁通密度增量(負值)完全相等的時候,變壓器鐵芯中的最大磁通密度Bm和剩餘磁通密度Br就會分別穩定在某個數值之上。
此時,我們可稱,變壓器鐵芯磁化過程已經進入了基本穩定狀態,即:每輸入一個直流脈衝電壓,變壓器鐵芯中的磁通密度都會產生一個磁通密度增量ΔB,ΔB = Bm-Br ,當直流脈衝結束以後,磁通密度又從最大值Bm回到剩餘磁通密度Br的位置。這樣,我們把磁化曲線所對應的Br值稱為剩磁(或剩餘磁通密度),而磁化曲線所對應的Bm值稱為磁通密度的最大值。
不過,變壓器鐵芯磁化曲線中最大磁通密度Bm以及剩餘磁通密度Br的值不是一成不變的,它們會隨著輸入脈衝電壓的幅度以及脈衝寬度的改變而改變;隻有在輸入脈衝電壓的幅度以及脈衝寬度基本保持不變的情況下,變壓器鐵芯磁化曲線中的最大磁通密度Bm以及剩餘磁通密度Br的值才會基本保持不變。
至於要經過多少個直流脈衝電壓之後,開關變壓器鐵芯中的磁通密度才達到最大值Bm,這(zhe)個(ge)與(yu)直(zhi)流(liu)脈(mai)衝(chong)電(dian)壓(ya)的(de)幅(fu)度(du)有(you)關(guan),而(er)且(qie)與(yu)直(zhi)流(liu)脈(mai)衝(chong)電(dian)壓(ya)的(de)脈(mai)衝(chong)寬(kuan)度(du)還(hai)有(you)關(guan),即(ji)與(yu)開(kai)關(guan)變(bian)壓(ya)器(qi)的(de)伏(fu)秒(miao)容(rong)量(liang)大(da)小(xiao)有(you)關(guan)。開(kai)關(guan)變(bian)壓(ya)器(qi)的(de)伏(fu)秒(miao)容(rong)量(liang)越(yue)大(da),對(dui)應(ying)每(mei)個(ge)直(zhi)流(liu)脈(mai)衝(chong)產(chan)生(sheng)的(de)磁(ci)通(tong)密(mi)度(du)增(zeng)量(liang)ΔB數值就越小,因此,需要直流脈衝的個數就越多;反(fan)之(zhi),變(bian)壓(ya)器(qi)的(de)伏(fu)秒(miao)容(rong)量(liang)越(yue)小(xiao),需(xu)要(yao)直(zhi)流(liu)脈(mai)衝(chong)的(de)個(ge)數(shu)也(ye)越(yue)少(shao)。當(dang)變(bian)壓(ya)器(qi)的(de)伏(fu)秒(miao)容(rong)量(liang)很(hen)小(xiao)時(shi),可(ke)能(neng)隻(zhi)需(xu)要(yao)一(yi)個(ge)直(zhi)流(liu)脈(mai)衝(chong),就(jiu)可(ke)以(yi)使(shi)磁(ci)通(tong)密(mi)度(du)達(da)到(dao)最(zui)大(da)值(zhi)Bm ,甚至會使變壓器鐵芯出現磁飽和。
變壓器的伏秒容量對磁化曲線的影響非常大,變壓器的伏秒容量越大,對應每個直流脈衝電壓產生的磁通密度增量ΔB相對也越小,磁通密度的最大值Bm也越小;同樣一種變壓器鐵芯材料,選取不同的變壓器的伏秒容量,對應的Bm值和Br值也是不一樣的。因此,變壓器的伏秒容量對於變壓器設計是一個非常重要的參數。
如果變壓器的伏秒容量取得比較小,而加到變壓器初級線圈a、b兩端的直流脈衝電壓幅度又比較高,且脈衝寬度也比較寬,則流過變壓器初級線圈的勵磁電流將很大;此時,變壓器鐵芯中的磁通密度將很容易出現飽和。當變壓器鐵芯中的磁通密度出現飽和的時候,磁通密度B或磁通 將不會隨著磁場強度或勵磁電流的增加而增加,此時的最大磁通密度一般稱為飽和磁通密度,用Bs表示,對應的磁通密度增量用ΔBs表示。
這裏還需補充說明:變bian壓ya器qi鐵tie芯xin充chong磁ci和he退tui磁ci的de過guo程cheng雖sui然ran與yu電dian容rong器qi充chong放fang電dian的de過guo程cheng很hen相xiang似si,但dan還hai是shi有you很hen大da區qu別bie的de。電dian容rong器qi充chong滿man電dian後hou,如ru果guo電dian源yuan斷duan開kai,不bu再zai對dui電dian容rong器qi繼ji續xu充chong電dian,則ze電dian容rong器qi會hui對dui負fu載zai放fang電dian,並bing且qie放fang電dian過guo程cheng將jiang會hui一yi直zhi進jin行xing下xia去qu,直zhi到dao電dian容rong器qi存cun儲chu的de電dian荷he全quan部bu釋shi放fang光guang為wei止zhi;而變壓器鐵芯被磁化到磁通密度的最大值Bm後,變壓器初、次級線圈產生的反電動勢,以及其感應電流產生的反向磁場對變壓器鐵芯進行退磁,卻不能使磁通密度由最大值Bm退回到零,而隻能退回到剩餘磁通密度Br 。
當磁場強度H下降到零時,變壓器鐵芯中的磁通密度不能跟隨返回到零,而隻能退回到剩餘磁通密度Br 。這種現象稱為變壓器鐵芯具有磁矯頑力,簡稱矯頑力,用Hc表示;這同時也說明變壓器鐵芯鐵芯的磁化過程是不可逆的。變壓器鐵芯存在磁矯頑力這是鐵磁材料或磁性材料最基本的性質;不同性質的磁性材料,其具有的磁矯頑力大小也不同;一般變壓器鐵芯都選用磁矯頑力較小的鐵磁物質為製造材料。
變壓器鐵芯的磁矯頑力Hc與剩餘磁通密度Br的概念是不一樣的,從磁矯頑力的定義來說,磁矯頑力Hc就是變壓器鐵芯退磁時,由最大剩餘磁通密度Brm下降到0,對應所需要的磁場強度,不過這裏的最大剩餘磁通密度Brm是指變壓器鐵芯達到磁飽和時所產生的剩餘磁通密度Br ,因為一般意義的剩餘磁通密度Br都是對應動態最大磁通密度來說的。
但我們不要理解為,隻有變壓器鐵芯達到磁飽和後,才會有磁矯頑力;在變壓器鐵芯被磁化的過程中,磁矯頑力從始至終都是存在的,隻不過與習慣上定義的Hczaishuzhishangbuyiyang。cijiaowanliyudaocilvyiyang,yeshirenmenyonglaiyangaizhurenleizhijinhaimeiyouwanquanjieshide,cichangqiangduyudiancitongmiduzhijianneizaiguanxidegainian。
因此,嚴格來說,磁矯頑力也是隨著磁場強度H大小改變的,它與磁通密度一樣,會隨著磁場強度H的增大,而趨於飽和。這就是為什麼,變壓器鐵芯中的最大磁通密度Bm和剩餘磁通密度Br最終能夠分別穩定在某個數值之上的主要原因。
由圖2-2我wo們men可ke以yi看kan出chu,隨sui著zhe磁ci通tong密mi度du的de增zeng加jia,需xu要yao磁ci場chang強qiang度du增zeng加jia更geng大da,因yin為wei鐵tie芯xin的de導dao磁ci率lv會hui隨sui著zhe磁ci場chang強qiang度du的de增zeng大da反fan而er變bian小xiao,而er鐵tie芯xin的de磁ci矯jiao頑wan力li也ye不bu會hui因yin磁ci場chang強qiang度du的de增zeng大da而er增zeng大da,它ta總zong會hui有you一yi個ge極ji限xian值zhi;dangbianyaqixianquanzhongchanshengfandiandongshiheganyingdianliu,ganyingdianliuchanshengdefanxiangcichangduibianyaqitiexinjinxingtuicishi,tiexindedaocilvhecijiaowanlidezengliangfanerhuixiangzengdadefangxiangbianhua,yinci,duiyumeishuruyigemaichongdianya,zongkeyizaicitongmiduhecichangqiangduyijicijiaowanlisanzhezhijianzhaodaoyigedongtaipinghengdian,shibianyaqitiexinzhongdezuidacitongmiduBm和剩餘磁通密度Br能夠達到相對穩定。
- 噪聲中提取真值!瑞盟科技推出MSA2240電流檢測芯片賦能多元高端測量場景
- 10MHz高頻運行!氮矽科技發布集成驅動GaN芯片,助力電源能效再攀新高
- 失真度僅0.002%!力芯微推出超低內阻、超低失真4PST模擬開關
- 一“芯”雙電!聖邦微電子發布雙輸出電源芯片,簡化AFE與音頻設計
- 一機適配萬端:金升陽推出1200W可編程電源,賦能高端裝備製造
- 突破工藝邊界,奎芯科技LPDDR5X IP矽驗證通過,速率達9600Mbps
- 通過直接、準確、自動測量超低範圍的氯殘留來推動反滲透膜保護
- 從技術研發到規模量產:恩智浦第三代成像雷達平台,賦能下一代自動駕駛!
- 從機械執行到智能互動:移遠Q-Robotbox助力具身智能加速落地
- 品英Pickering將亮相2026航空電子國際論壇,展示航電與電池測試前沿方案
- 車規與基於V2X的車輛協同主動避撞技術展望
- 數字隔離助力新能源汽車安全隔離的新挑戰
- 汽車模塊拋負載的解決方案
- 車用連接器的安全創新應用
- Melexis Actuators Business Unit
- Position / Current Sensors - Triaxis Hall



