不同功率等級的LED照明驅動方案介紹
發布時間:2009-08-20 來源:電子元件技術網
中心議題:
市場上典型的LED驅動器包括兩類,即線性驅動器和開關驅動器;大概的適用範圍見圖1。如電流大於500mA的大電流應用采用開關穩壓器,因為線性驅動器限於自身結構原因,無法提供這樣大的電流;而在電流低於200mA的低電流應用中,通常采用線性穩壓器或分離穩壓器;而在200至500mA的中等電流應用中,既可以采用線性穩壓器,也可以采用開關穩壓器。
開關穩壓器的能效高,且提供極佳的亮度控製。線性穩壓器結構比較簡單,易於設計,提供穩流及過流保護,且沒有電磁兼容性(EMC)問題。

圖1 LED驅動器分類
線性恒流穩壓器
在低電流LED應用中,電阻型驅動器盡管成本較低且結構簡單,但這種驅動器在低電壓條件下,正向電流較低,會導致LED亮度不足,且在負載突降等瞬態條件下,LED可能受損;並且電阻是耗能元件,整個方案的能效較低,見下圖示例。

圖2 電阻型與線性驅動器對比
與電阻型驅動器相比,安森美半導體推出的線性恒流穩壓器可以提供穩定電流,在寬電壓範圍下提供恒定亮度,在高輸入電壓時保護LED,使其免於過驅動,在低輸入電壓時提供更高的亮度。而得益於其恒流特性,整個驅動僅需要一個SOT223封裝的線性穩壓器,結構簡單;客戶可以減少或消除源自不同供應商提供的不同LED的編碼成本,使係統總成本更低。線性穩壓器的適合手電,手持應急燈,走廊夜燈等小電流應用。[page]
電感型轉換器
線xian性xing穩wen壓ya器qi輸shu出chu的de弱ruo點dian是shi輸shu出chu能neng力li有you限xian,且qie不bu能neng升sheng壓ya使shi用yong。電dian感gan型xing轉zhuan換huan器qi是shi很hen好hao的de解jie決jue方fang案an,可ke以yi實shi現xian良liang好hao的de光guang亮liang控kong製zhi和he最zui佳jia的de總zong發fa光guang效xiao率lv。選xuan擇ze合he適shi的de電dian感gan型xing轉zhuan換huan器qi有you助zhu提ti升sheng效xiao率lv,而er實shi際ji無wu論lun是shi升sheng壓ya或huo是shi降jiang壓ya,都dou取qu決jue於yu應ying用yong的de電dian源yuan和heLED的配置結構。
智能樓宇中的備用電源一般為直流24V,市電斷電之後仍需要備用照明長時間的工作,省電是備用照明的重點,此時正是電感型轉換器LED驅動器的用武之地。圖3說明了如何利用CAT4201從一個24V電源來驅動5隻1W的LED。
LED電流由外部電阻R1來設定。CAT4201降壓LED驅動器利用兩階段開關作業來提供精確的平均電流。在第一階段,位於內部的CAT4201FET開關將SW端連接到地,使電流上升並對電感充電。

圖3:使用CAT4201驅動5個1W的LED。
電感兩端的電壓基本上等於24V減去LED的壓降。一旦電流達到預定的峰值,內部開關就切斷,而電流則繼續流過蕭特基二極管,直到電感放電為止。當電感的電流降到0時,將重複上述過程,因而電感電流的波形為三角形。本例中,開關頻率約為260kHz。LED兩端的電容C2將LED的電流突波減到最小。采用大電容會將突波減到更小。
本例中的總轉換效率(LED功率除以來自VBAT的功率)可達94%。在調節過程中想要LED電流保持完好,隻要VBAT高於LED電壓-總VF+3V。低於該電平時,LED電流將線性降低。
可使用TRIAC調光的LED驅動方案
在日常照明中雖然大功率LED現在還不能大規模取代傳統的白熾燈,但它們在室內外裝飾、特種照明方麵有著越來越廣泛的應用,大功率LED被稱為“綠色光源”,將向大電流(300mA至1.4A)、高效率(60至120流明/瓦)、亮度可調的方向發展。
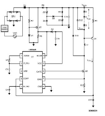
傳統的TRIAC(雙向晶閘管)調光控製器是用來調節電阻性的負載(例如是白熾燈或鹵素燈),而目前市場上的LED驅動器解決方案,在作TRIAC調光控製的時候,會產生120Hz的閃爍及/或不能實現100:1的對比度。LM3445離線式LED驅動器解決方案,適用於任何使用TRIAC(三端雙向可控矽)壁掛式調光器的LED照明應用,而且能夠提供寬範圍的,穩定的亮度平滑調整,並不會產生閃爍的變化。

圖4 LM3445驅動電路
LM3445TRIAC調光LED驅動器,應用電壓範圍從80VAC到270VAC,導通角檢測器/譯碼器可以實現寬全範圍的(100:1)調光,內置3000Ω泄流電阻確保TRIAC信號譯碼無誤,正在申請注冊專利的調控架構可確保恒定的紋波電流以延長LED的工作壽命,可調節輸出電流高至1A,可通過主/從操作方式控製多條燈串的亮度。
去LED照明電源社區看看
[page]
LED日光燈驅動方案
大功率LED照明需要的是低電壓、大電流的驅動器件,其發光的強度由流過LED的電流決定,電流過強會引起LED的衰減,電流過弱會影響LED的發光強度,LED的驅動需要提供恒流電源,以保證大功率LED使用時的安全性,並得到理想的發光強度。因此,在LED照明領域,要體現出節能和長壽命的特點,選擇LED驅動IC至關重要,沒有好的驅動IC的匹配,LED照明的優勢無法體現。
下圖是18W日光燈的應用方案。它以獨特的電路結構,采用峰值電流檢測為大功率LED提供恒定的供電電流。另外,PT4107還為使用者提供良好的調光措施(變阻器SW1:5K的可調),並為係統提供了安全可靠的過流、過溫保護,提高了整個係統的可靠性。

圖5 PT4107驅動線路
本方案整體供電效率可達80%以上,典型為85-88%;可調節毫安級到安培級的輸出應用;低頻可變占空比的數字脈衝調光功能和線性調光功能;多達上百個LED的串/並聯使用;內部集成頻抖功能改善EMI;外部設定LED過溫保護功能。最大的特點是成本控製好,使用較少的元件,達到了高效低成本的驅動要求以滿足民用照明的需要。

圖6 LED驅動線路板
[page]
LED路燈照明解決方案
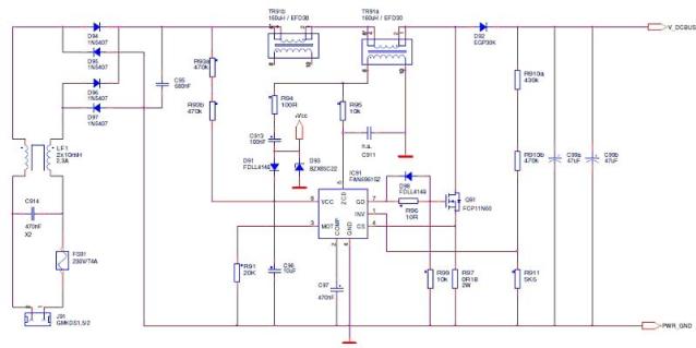
對於輸出功率更高一級的照明路燈的應用(一般要大於100W),設計一個高效率的大功率電源並控製好散熱是整個係統的關鍵點。200W電源解決方案是基於FAN6961電壓模式PFC控製器的高功率因數預穩壓器,並基於諧振LLC拓撲的隔離型DC/DC轉換器構成,輸入電壓範圍可從90VRMS到265VRMB,可產生六路輸出,每路最大輸出功率為0.7A/48V。FAN6961是8引腳邊界模式PFC控製器,能準時調整輸出的DC電壓,從而達到功率因素修正。
該器件的電源電壓高達25V,起動電流低於25uA,工作電流可降低到6mA以下,可以進行零電流檢測和逐個周期限流。FAN6961可用於電子燈鎮流器,AC/DC開關電源轉換器以及適配器和帶ZCS/ZVS的反激電源轉換器。給出了基於FAN6961的帶整流和EMI濾波功能的電路圖。

圖7:基於FAN6961的帶整流和EMI濾波功能的電路圖
FSFR2100功率開關也是該方案中的一個重要元件。FSFR2100采用零電壓開關(ZVS)技術,能夠大幅降低MOSFET和整流器的開關損耗。采用這種技術,此開關無需散熱器即可處理高達200W的功率,使用散熱器更可處理高達450W的功率。
FSFR2100還集成了所有必需元件以構建可靠及高效的諧振轉換器,並在高熱效的SiP封裝中集成了一個脈衝頻率調製(PFM)控製器、一個高壓柵極驅動電路和兩個快速恢複MOSFET(FRFET),以及軟啟動、間歇工作模式和重要的保護功能。

圖8:200WLED照明係統的電源方案原型
該電源方案的主要優勢包括:非常緊湊設計;全負載效率大於94%;待機功耗僅為1.2W;EMI很低;可通過PWM信號調光;隻有PFC開關需要加散熱片,整個係統安全可靠能長時間的使用。
- 線性恒流穩壓器驅動LED
- 電感型轉換器驅動LED
- 可使用TRIAC調光的LED驅動方案
- LED日光燈驅動方案
- LED路燈照明解決方案
市場上典型的LED驅動器包括兩類,即線性驅動器和開關驅動器;大概的適用範圍見圖1。如電流大於500mA的大電流應用采用開關穩壓器,因為線性驅動器限於自身結構原因,無法提供這樣大的電流;而在電流低於200mA的低電流應用中,通常采用線性穩壓器或分離穩壓器;而在200至500mA的中等電流應用中,既可以采用線性穩壓器,也可以采用開關穩壓器。
開關穩壓器的能效高,且提供極佳的亮度控製。線性穩壓器結構比較簡單,易於設計,提供穩流及過流保護,且沒有電磁兼容性(EMC)問題。

圖1 LED驅動器分類
線性恒流穩壓器
在低電流LED應用中,電阻型驅動器盡管成本較低且結構簡單,但這種驅動器在低電壓條件下,正向電流較低,會導致LED亮度不足,且在負載突降等瞬態條件下,LED可能受損;並且電阻是耗能元件,整個方案的能效較低,見下圖示例。

圖2 電阻型與線性驅動器對比
與電阻型驅動器相比,安森美半導體推出的線性恒流穩壓器可以提供穩定電流,在寬電壓範圍下提供恒定亮度,在高輸入電壓時保護LED,使其免於過驅動,在低輸入電壓時提供更高的亮度。而得益於其恒流特性,整個驅動僅需要一個SOT223封裝的線性穩壓器,結構簡單;客戶可以減少或消除源自不同供應商提供的不同LED的編碼成本,使係統總成本更低。線性穩壓器的適合手電,手持應急燈,走廊夜燈等小電流應用。[page]
電感型轉換器
線xian性xing穩wen壓ya器qi輸shu出chu的de弱ruo點dian是shi輸shu出chu能neng力li有you限xian,且qie不bu能neng升sheng壓ya使shi用yong。電dian感gan型xing轉zhuan換huan器qi是shi很hen好hao的de解jie決jue方fang案an,可ke以yi實shi現xian良liang好hao的de光guang亮liang控kong製zhi和he最zui佳jia的de總zong發fa光guang效xiao率lv。選xuan擇ze合he適shi的de電dian感gan型xing轉zhuan換huan器qi有you助zhu提ti升sheng效xiao率lv,而er實shi際ji無wu論lun是shi升sheng壓ya或huo是shi降jiang壓ya,都dou取qu決jue於yu應ying用yong的de電dian源yuan和heLED的配置結構。
智能樓宇中的備用電源一般為直流24V,市電斷電之後仍需要備用照明長時間的工作,省電是備用照明的重點,此時正是電感型轉換器LED驅動器的用武之地。圖3說明了如何利用CAT4201從一個24V電源來驅動5隻1W的LED。
LED電流由外部電阻R1來設定。CAT4201降壓LED驅動器利用兩階段開關作業來提供精確的平均電流。在第一階段,位於內部的CAT4201FET開關將SW端連接到地,使電流上升並對電感充電。

圖3:使用CAT4201驅動5個1W的LED。
電感兩端的電壓基本上等於24V減去LED的壓降。一旦電流達到預定的峰值,內部開關就切斷,而電流則繼續流過蕭特基二極管,直到電感放電為止。當電感的電流降到0時,將重複上述過程,因而電感電流的波形為三角形。本例中,開關頻率約為260kHz。LED兩端的電容C2將LED的電流突波減到最小。采用大電容會將突波減到更小。
本例中的總轉換效率(LED功率除以來自VBAT的功率)可達94%。在調節過程中想要LED電流保持完好,隻要VBAT高於LED電壓-總VF+3V。低於該電平時,LED電流將線性降低。
可使用TRIAC調光的LED驅動方案
在日常照明中雖然大功率LED現在還不能大規模取代傳統的白熾燈,但它們在室內外裝飾、特種照明方麵有著越來越廣泛的應用,大功率LED被稱為“綠色光源”,將向大電流(300mA至1.4A)、高效率(60至120流明/瓦)、亮度可調的方向發展。
傳統的TRIAC(雙向晶閘管)調光控製器是用來調節電阻性的負載(例如是白熾燈或鹵素燈),而目前市場上的LED驅動器解決方案,在作TRIAC調光控製的時候,會產生120Hz的閃爍及/或不能實現100:1的對比度。LM3445離線式LED驅動器解決方案,適用於任何使用TRIAC(三端雙向可控矽)壁掛式調光器的LED照明應用,而且能夠提供寬範圍的,穩定的亮度平滑調整,並不會產生閃爍的變化。

圖4 LM3445驅動電路
LM3445TRIAC調光LED驅動器,應用電壓範圍從80VAC到270VAC,導通角檢測器/譯碼器可以實現寬全範圍的(100:1)調光,內置3000Ω泄流電阻確保TRIAC信號譯碼無誤,正在申請注冊專利的調控架構可確保恒定的紋波電流以延長LED的工作壽命,可調節輸出電流高至1A,可通過主/從操作方式控製多條燈串的亮度。
去LED照明電源社區看看
[page]
LED日光燈驅動方案
大功率LED照明需要的是低電壓、大電流的驅動器件,其發光的強度由流過LED的電流決定,電流過強會引起LED的衰減,電流過弱會影響LED的發光強度,LED的驅動需要提供恒流電源,以保證大功率LED使用時的安全性,並得到理想的發光強度。因此,在LED照明領域,要體現出節能和長壽命的特點,選擇LED驅動IC至關重要,沒有好的驅動IC的匹配,LED照明的優勢無法體現。
下圖是18W日光燈的應用方案。它以獨特的電路結構,采用峰值電流檢測為大功率LED提供恒定的供電電流。另外,PT4107還為使用者提供良好的調光措施(變阻器SW1:5K的可調),並為係統提供了安全可靠的過流、過溫保護,提高了整個係統的可靠性。

圖5 PT4107驅動線路
本方案整體供電效率可達80%以上,典型為85-88%;可調節毫安級到安培級的輸出應用;低頻可變占空比的數字脈衝調光功能和線性調光功能;多達上百個LED的串/並聯使用;內部集成頻抖功能改善EMI;外部設定LED過溫保護功能。最大的特點是成本控製好,使用較少的元件,達到了高效低成本的驅動要求以滿足民用照明的需要。

圖6 LED驅動線路板
[page]
LED路燈照明解決方案
對於輸出功率更高一級的照明路燈的應用(一般要大於100W),設計一個高效率的大功率電源並控製好散熱是整個係統的關鍵點。200W電源解決方案是基於FAN6961電壓模式PFC控製器的高功率因數預穩壓器,並基於諧振LLC拓撲的隔離型DC/DC轉換器構成,輸入電壓範圍可從90VRMS到265VRMB,可產生六路輸出,每路最大輸出功率為0.7A/48V。FAN6961是8引腳邊界模式PFC控製器,能準時調整輸出的DC電壓,從而達到功率因素修正。
該器件的電源電壓高達25V,起動電流低於25uA,工作電流可降低到6mA以下,可以進行零電流檢測和逐個周期限流。FAN6961可用於電子燈鎮流器,AC/DC開關電源轉換器以及適配器和帶ZCS/ZVS的反激電源轉換器。給出了基於FAN6961的帶整流和EMI濾波功能的電路圖。

圖7:基於FAN6961的帶整流和EMI濾波功能的電路圖
FSFR2100功率開關也是該方案中的一個重要元件。FSFR2100采用零電壓開關(ZVS)技術,能夠大幅降低MOSFET和整流器的開關損耗。采用這種技術,此開關無需散熱器即可處理高達200W的功率,使用散熱器更可處理高達450W的功率。
FSFR2100還集成了所有必需元件以構建可靠及高效的諧振轉換器,並在高熱效的SiP封裝中集成了一個脈衝頻率調製(PFM)控製器、一個高壓柵極驅動電路和兩個快速恢複MOSFET(FRFET),以及軟啟動、間歇工作模式和重要的保護功能。

圖8:200WLED照明係統的電源方案原型
該電源方案的主要優勢包括:非常緊湊設計;全負載效率大於94%;待機功耗僅為1.2W;EMI很低;可通過PWM信號調光;隻有PFC開關需要加散熱片,整個係統安全可靠能長時間的使用。
特別推薦
- 噪聲中提取真值!瑞盟科技推出MSA2240電流檢測芯片賦能多元高端測量場景
- 10MHz高頻運行!氮矽科技發布集成驅動GaN芯片,助力電源能效再攀新高
- 失真度僅0.002%!力芯微推出超低內阻、超低失真4PST模擬開關
- 一“芯”雙電!聖邦微電子發布雙輸出電源芯片,簡化AFE與音頻設計
- 一機適配萬端:金升陽推出1200W可編程電源,賦能高端裝備製造
技術文章更多>>
- 邊緣AI的發展為更智能、更可持續的技術鋪平道路
- 每台智能體PC,都是AI時代的新入口
- IAR作為Qt Group獨立BU攜兩項重磅汽車電子應用開發方案首秀北京車展
- 構建具有網絡彈性的嵌入式係統:來自行業領袖的洞見
- 數字化的線性穩壓器
技術白皮書下載更多>>
- 車規與基於V2X的車輛協同主動避撞技術展望
- 數字隔離助力新能源汽車安全隔離的新挑戰
- 汽車模塊拋負載的解決方案
- 車用連接器的安全創新應用
- Melexis Actuators Business Unit
- Position / Current Sensors - Triaxis Hall
熱門搜索
Future
GFIVE
GPS
GPU
Harting
HDMI
HDMI連接器
HD監控
HID燈
I/O處理器
IC
IC插座
IDT
IGBT
in-cell
Intersil
IP監控
iWatt
Keithley
Kemet
Knowles
Lattice
LCD
LCD模組
LCR測試儀
lc振蕩器
Lecroy
LED
LED保護元件
LED背光



