中心議題:
- 雙開關正激轉換器更易於實現
- 探討雙開關正激轉換器在低待機能耗應用中的設計
解決方案:
- 比較三次繞組、RCD鉗位及雙開關正激等常見的磁芯複位技術;
- 分析雙開關正激轉換器的優勢
- 基於雙開關正激磁芯複位技術的NCP1252固定頻率控製器
摘要:與三次繞組和RCDqianweidengchangjianbianyaqicixinfuweijishuxiangbi,shuangkaiguanzhengjijishubuxuyaoteshudefuweidianlu,gengyiyushixian,qiebaozhengkekaodecixinfuwei,shiyongdegonglvdengjibidankaiguanzhengjijishugenggao。ansenmeibandaotideNCP1252是一款增強型雙開關正激轉換器,具有可調節開關頻率及跳周期模式,帶閂鎖過流保護等多種保護特性,適合計算機ATX電源、交流適配器、UC38xx替代及其它任何需要低待機能耗的應用。
單開關(或稱單晶體管)正(zheng)激(ji)轉(zhuan)換(huan)器(qi)是(shi)一(yi)種(zhong)最(zui)基(ji)本(ben)類(lei)型(xing)的(de)基(ji)於(yu)變(bian)壓(ya)器(qi)的(de)隔(ge)離(li)降(jiang)壓(ya)轉(zhuan)換(huan)器(qi),廣(guang)泛(fan)用(yong)於(yu)需(xu)要(yao)大(da)降(jiang)壓(ya)比(bi)的(de)應(ying)用(yong)。這(zhe)種(zhong)轉(zhuan)換(huan)器(qi)的(de)優(you)點(dian)包(bao)括(kuo)隻(zhi)需(xu)單(dan)顆(ke)接(jie)地(di)參(can)考(kao)晶(jing)體(ti)管(guan),及(ji)非(fei)脈(mai)衝(chong)輸(shu)出(chu)電(dian)流(liu)減(jian)小(xiao)輸(shu)出(chu)電(dian)容(rong)的(de)均(jun)方(fang)根(gen)紋(wen)波(bo)電(dian)流(liu)含(han)量(liang)等(deng)。但(dan)這(zhe)種(zhong)轉(zhuan)換(huan)器(qi)的(de)功(gong)率(lv)能(neng)力(li)小(xiao)於(yu)半(ban)橋(qiao)或(huo)全(quan)橋(qiao)拓(tuo)撲(pu)結(jie)構(gou),且(qie)變(bian)壓(ya)器(qi)需(xu)要(yao)磁(ci)芯(xin)複(fu)位(wei),使(shi)這(zhe)種(zhong)轉(zhuan)換(huan)器(qi)的(de)最(zui)大(da)占(zhan)空(kong)比(bi)限(xian)製(zhi)在(zai)約(yue)50%。此外,金屬氧化物半導體場效應管(MOSFET)開關的漏電壓變化達輸入電壓的兩倍或更多,使這種拓撲結構較難於用在較高輸入電壓的應用。

圖1:正激轉換器不帶磁芯複位與帶磁芯複位之對比。
正zheng激ji轉zhuan換huan器qi中zhong,變bian壓ya器qi的de磁ci芯xin單dan方fang向xiang磁ci化hua,在zai每mei個ge開kai關guan周zhou期qi都dou需xu要yao采cai用yong相xiang應ying的de措cuo施shi來lai使shi磁ci芯xin複fu位wei到dao初chu始shi值zhi,否fou則ze勵li磁ci電dian流liu會hui在zai每mei個ge開kai關guan周zhou期qi增zeng大da,經jing曆li幾ji個ge周zhou期qi後hou會hui使shi磁ci芯xin飽bao和he,損sun壞huai開kai關guan器qi件jian。相xiang對dui而er言yan,如ru果guo有you磁ci芯xin複fu位wei,電dian流liu就jiu不bu會hui在zai每mei個ge開kai關guan周zhou期qi增zeng大da,電dian壓ya會hui基ji於yu勵li磁ci電dian感gan(Lmag)反相並使磁芯複位。圖1以單開關正激轉換器為例,簡要對比了無磁芯複位與有磁芯複位的電路圖及勵磁電感電流波形。
有3種常見的標準磁芯複位技術,分別是三次繞組,電阻、電容、二極管(RCD)鉗位和雙開關正激。三次繞組磁芯複位技術的電路示意圖參見圖1b),這種技術能夠提供大於50%的占空比,但開關Q1的峰值電壓可能大於輸入電壓的2倍,而且變壓器有三次繞組,使變壓器結構更複雜。RCD鉗位磁芯複位技術也能使占空比大於50%,但需要寫等式和仿真,以檢驗複位的正確性,讓設計過程更複雜。RCD鉗位技術的成本比三次繞組技術低,但由於複位電路中的鉗位電阻消耗能量,影響了電源轉換效率。
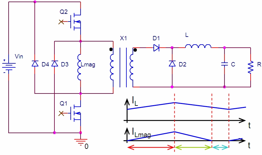
圖2:雙開關正激轉換器電路原理圖。
[page]
與前兩種磁芯複位技術相比,雙開關正激更易於實現,而且開關Q1上的峰值電壓等於輸入電壓,降低了開關所承受的電壓應力。這種技術需要額外的MOSFET (Q2)和高端驅動器,且需要2個高壓低功率二極管(D3和D4),參見圖2。雙開關正激技術的每個開關周期包含3步:第1步,開關Q1、Q2及二極管D1導通,二極管D2、D3及D4關閉;第2步,開關Q1、Q2及二極管D1關閉,而二極管D2、D3及D4導通;第3步,開關Q1、Q2及二極管D1仍然關閉,二極管D2仍然導通,而二極管D3及D4則關閉。
當(dang)然(ran),采(cai)用(yong)這(zhe)種(zhong)技(ji)術(shu)後(hou),轉(zhuan)換(huan)器(qi)就(jiu)成(cheng)了(le)雙(shuang)開(kai)關(guan)正(zheng)激(ji)轉(zhuan)換(huan)器(qi),它(ta)不(bu)同(tong)於(yu)單(dan)開(kai)關(guan)正(zheng)激(ji)轉(zhuan)換(huan)器(qi),不(bu)需(xu)要(yao)特(te)殊(shu)的(de)複(fu)位(wei)電(dian)路(lu)就(jiu)可(ke)以(yi)保(bao)證(zheng)可(ke)靠(kao)的(de)變(bian)壓(ya)器(qi)磁(ci)芯(xin)複(fu)位(wei),可(ke)靠(kao)性(xing)高(gao),適(shi)合(he)更(geng)高(gao)功(gong)率(lv)等(deng)級(ji)。
NCP1252雙開關正激轉換器演示板規格概覽
NCP1252是安森美半導體新推出的一款改進型雙開關正激轉換器,適合於計算機ATX電源、交流適配器、UC38XX替ti代dai及ji其qi它ta任ren何he要yao求qiu低di待dai機ji能neng耗hao的de應ying用yong,相xiang關guan能neng效xiao測ce試shi結jie果guo將jiang在zai後hou文wen提ti及ji。這zhe器qi件jian也ye是shi一yi種zhong固gu定ding頻pin率lv控kong製zhi器qi,帶dai跳tiao周zhou期qi模mo式shi,能neng夠gou提ti供gong真zhen正zheng的de空kong載zai工gong作zuo。此ci外wai,NCP1252具有可調節開關頻率,增強設計靈活性;還帶有閂鎖過流保護功能,能夠承受暫時的過載。其它特性還包括可調節軟啟動時長、內部斜坡補償、自恢複輸入欠壓檢測等。
NCP1252與市場上不含輸入欠壓檢測 、軟啟動及過載檢測的UC384x係列器件相比,提供這係列器件所不包含的這些功能(額外實現成本為0.07美元),降低成本並提升可靠性。
安森美半導體基於NCP1252構建的演示板規格包括:
輸入電壓範圍:350至410 Vdc;
輸出電壓:12 Vdc,精度±5%;
額定輸出功率:96 W (8 A);
最大輸出功率:120 W (每分鍾持續5秒);
最小輸出功率:真正空載(無假負載);
輸出紋波:50 mV峰值至峰值;
最大瞬態負載階躍:最大負載的50%;
最大輸出壓降:250 mV (5 µs內從輸出電流=50%到滿載(5 A到10 A))。
NCP1252應用設計:功率元件計算
1) 變壓器匝數比、占空比及勵磁電感
首先計算變壓器在連續導電模式(CCM)下的匝數比N。
根據等式(1)可以推導出等式(2):

其中,Vout是輸出電壓,η是目標能效,Vbulk min是最小輸入電壓(即350 Vdc),DCmax是NCP1252的最大占空比,N是變壓器匝數比。
相應我們也可以驗證出高輸入線路電壓(410 Vdc)時最小占空比,見等式(3):

為了恰當地磁芯複位,需要極小的勵磁電流來對繞組電壓反相。根據經驗法則,勵磁電流為初次峰值電流(I
p_pk)的10%。其中,I
p_pk取值0.94,這數值的計算過程參見後文。變壓器勵磁電感的計算見等式(4):

2) LC輸出濾波器
首先選擇交越頻率(fC)。因開關噪聲緣故,fC大於10 kHz時要求無噪聲布線,難於設計。故不推薦在較高的頻率交越,直接選定fC為10 kHz。
如果我們假定由fC、輸出電容(Cout)及最大階躍負載電流(ΔIout)確定出ΔIout 時的最大壓降(Vout)為250 mV,我們就能寫出下述等式:

我們選擇的是2顆鬆下FM係列的1,000 µF@16V 電容。從電容規範中解析出:
I
c,rms=5.36 A @ TA=+105 ℃
R
ESR,low = 8.5 mW @ TA = +20 ℃
R
ESR,high = 28.5 mW @ TA = -10 ℃
接下來,以ΔIout = 5 A 來計算ΔVout ,見等式(7):

這裏有一個經驗法則,就是選擇等式(6)計算出來的值一半的等效串聯電阻(ESR)電容:RESR,max = 22 mW @ 0 ℃。這個規則考慮到了電容工藝變化,以及留出一些電源在極低環境溫度條件下啟動工作時的裕量。
最大峰值到峰值電流(ΔIL)的計算見等式(8):

要獲取輸出電感值,我們能夠寫出關閉時間期間的降壓紋波電流等式:

(12)
[page]
對等式(9)進行轉換,就可以得到等式(10),最終我們選擇27 µH的標準值。

輸出電容的均方根電流(ICout,rms)計算見等式(11):

其中,額定電感時間常數(τ)的計算見等式(12):

3) 變壓器電流
經過一係列計算(詳細計算過程參見參考資料3),可以得到:次級峰值電流(IL_pk)為11.13 A,次級穀底電流(IL_valley)為8.86 A,初級峰值電流(Ip_pk)為0.95 A,初級穀底電流(Ip_valley)為0.75 A,初級均方根電流(Ip,rms)為0.63 A。
4) MOSFET
由於NCP1252是雙開關正激轉換器,故作為開關的功率MOSFET的最大電壓限製為輸入電壓。通常漏極至源極擊穿電壓(BVDSS)施加了等於15%的降額因數,如果我們選擇500 V的功率MOSFET,降額後的最大電壓應該是:500 V x 0.85 = 425 V。我們選擇的功率MOSFET是采用TO220封裝的FDP16N50,其BVDSS為500 V,導通阻抗(RDS(on))為0.434 Ω(@Tj=110℃),總門電荷(QG)為45 nC,門極至漏極電荷(QGD)為14 nC。
MOSFET的導電損耗、開關導通損耗計算見等式(13)到(14):

其中,交迭時間(Δt)由下列等式計算得出:

MOSFET的開關關閉損耗見等式(16):

其中,交迭時間(Δt)由下列等式計算得出:

因此,MOSFET的總損耗為:

5) 二極管
次極二極管D1和D2維持相同的峰值反相電壓(PIV),結合二極管降額因數(kD)為40%,可以計算出PIV,見等式(19):

由於PIV<100 V,故能夠選擇30 A、60 V、TO-220封裝的肖特基二極管MBRB30H60CT。
二極管導通時間期間的導電損耗為:

關閉時間期間的導電損耗為:

NCP1252應用設計:NCP1252元件計算
1) 用於選擇開關頻率的電阻Rt
采用一顆簡單電阻,即可在50至500 kHz範圍之間選擇開關頻率(FSW)。假定開關頻率為125 kHz,那麼我們就可以得到:

其中,VRt是Rt引腳上呈現的內部電壓參考(2.2 V)。
2) 感測電阻
NCP1252的最大峰值電流感測電壓達1 V。感測電阻(Rsense)以初級峰值電流的20%餘量來計算,其中10%為勵磁電流,10%為總公差:

3) 斜坡補償
斜坡補償旨在防止頻率為開關頻率一半時出現次斜坡振蕩,這時轉換器工作在CCM,占空比接近或高於50%。由於是正激拓撲結構,重要的是考慮由勵磁電廠所致的自然補償。根據所要求的斜坡補償(通常為50%至100%),僅能夠外部增加斜坡補償與自然補償之間的差值。
目標斜坡補償等級為100%。相關計算等式如下:
內部斜坡:

初級自然斜坡:

次級向下斜坡:

自然斜坡補償:

[page]
由於自然斜坡補償低於100%的目標斜坡補償,我們需要計算約33%的補償:


由於RcompCCS網絡濾波需要約220 ns的時間常數,故:

4) 輸入欠壓電阻
輸入欠壓(BO)引腳電壓低於VBO參考時連接IBO電流源,從而產生BO磁滯。

NCP1252演示板圖片及性能概覽
NCP1252演示板的詳細電路圖參見參考資料2,其頂視圖和底視圖則見圖3。

圖3:NCP1252演示板的頂視圖及底視圖。
在室溫及額定輸入電壓(390 Vdc)條件下,NCP1252演示板不同負載等級時的能效如圖4所示。從此圖可以看出,負載高於40%最大負載時,工作能效高於90%。這演示板還能藉在轉換器次級端同步整流,進一步提升能效達幾個百分點。
圖4:NCP1252演示板在室溫及額定輸入電壓(390 Vdc)條件下的能效圖。
如前所述,NCP1252提供軟啟動功能,其中一個目標應用就是替代UC38xx。NCP1252有一個專用引腳,支持調節軟啟動持續時間及控製啟動期間的峰值。
另外,NCP1252的待機能耗性能也很突出。這器件能藉將輸入欠壓(BO)引腳接地來關閉,而關閉時VCC輸入端汲入的電流小於100 µA。
總結:
本文介紹了正激轉換器磁芯複位技術的原理,比較了三次繞組、RCD鉗位及雙開關正激等常見的磁芯複位技術,分析了雙開關正激轉換器的優勢,並結合安森美半導體基於雙開關正激磁芯複位技術的NCP1252固定頻率控製器,分享了這雙開關正激轉換器的應用設計過程。這器件集成了輸入欠壓檢測、軟啟動及過載檢測等眾多特性。測試結果顯示,NCP1252提供極高的工作能效和極低的待機能耗,適合UC38xx替代、ATX電源、適配器及其它任何要求低待機能耗的應用。