電網有源濾波器結構及其應用
發布時間:2010-10-04 來源:維庫開發網
有源濾波器的中心議題:
- 有源濾波器的原理及其結構
- 有源濾波器的拓撲結構及其應用
- 有源濾波器的發展趨勢
- 並聯型
- 串聯型
- 混合型
1 引言
隨sui著zhe電dian力li電dian子zi技ji術shu的de迅xun猛meng發fa展zhan和he成cheng熟shu,電dian力li係xi統tong中zhong的de大da型xing功gong率lv電dian子zi裝zhuang置zhi日ri益yi增zeng多duo,在zai提ti高gao工gong業ye自zi動dong化hua水shui平ping和he效xiao益yi的de同tong時shi,由you於yu是shi各ge種zhong使shi用yong傳chuan統tong相xiang控kong整zheng流liu技ji術shu的de大da容rong量liang非fei線xian性xing負fu荷he,在zai運yun行xing過guo程cheng中zhong所suo產chan生sheng的de高gao諧xie波bo和he低di功gong率lv因yin數shu的de運yun行xing狀zhuang態tai,嚴yan重zhong危wei害hai著zhe電dian力li係xi統tong的de安an全quan和he電dian網wang供gong電dian質zhi量liang。
傳統的諧波抑製和無功補償的方法是將電力無源濾波器與需補償的非線性負載並聯,為諧波提供一個低阻通路的同時也提供負載所需的無功功率。無源濾波器(PF)具有結構簡單,使用方便,技術成熟以及成本低等優點。同時,它的缺點也很明顯[1]: 1)它的補償特性受電網及負載影響較大,其濾波效果依賴於電網和負載的參數,濾波特性較差;2)給電網帶來一定隱患,可能發生電網與濾波器間的串、並聯諧振;3)隻能補償固定的無功功率,對變化的無功功率不能進行精確的補償,不能對諧波和無功實現動態補償;4)所需儲能元件的體積大。有源濾波器(APF, AcTIve POWER Filter)則有效的解決了無源濾波器的缺點。有源濾波器的補償特性受電網及負載影響很小,不但避免了與電網發生串、並聯諧振的危險,同時還可抑製串並聯諧振的發生;實現了動態補償,可以對頻率和大小都變化的諧波以及變化的無功功率進行迅速的動態跟蹤補償;可(ke)以(yi)同(tong)時(shi)對(dui)諧(xie)波(bo)和(he)無(wu)功(gong)進(jin)行(xing)補(bu)償(chang),且(qie)補(bu)償(chang)無(wu)功(gong)的(de)大(da)小(xiao)可(ke)做(zuo)到(dao)連(lian)續(xu)調(tiao)節(jie),既(ji)可(ke)對(dui)一(yi)個(ge)諧(xie)波(bo)和(he)無(wu)功(gong)源(yuan)單(dan)獨(du)補(bu)償(chang),也(ye)可(ke)對(dui)多(duo)個(ge)諧(xie)波(bo)和(he)無(wu)功(gong)源(yuan)進(jin)行(xing)綜(zong)合(he)補(bu)償(chang);有源濾波器補償無功功率時不需儲能元件,補償諧波時所需儲能元件容量不大。
benwenzaijieshaoyouyuanlvboqidejibenyuanlihejiegoutediandejichushang,jieshaoleyouyuanlvboqituopujiegoudefazhanxianzhuangjiqiyunyong,zuihouzhanwangleyouyuanlvboqidefazhanqianjing。
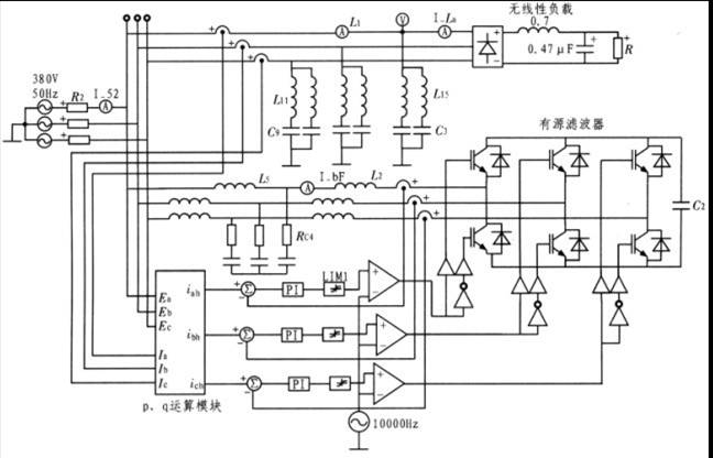
2 有源濾波器的原理及其結構
有you源yuan濾lv波bo器qi是shi由you一yi組zu開kai關guan器qi件jian和he無wu源yuan儲chu能neng元yuan件jian如ru電dian感gan和he電dian容rong組zu成cheng,其qi係xi統tong主zhu要yao由you指zhi令ling電dian流liu運yun算suan電dian路lu和he補bu償chang電dian流liu發fa生sheng電dian路lu兩liang大da部bu分fen組zu成cheng。有you源yuan濾lv波bo器qi結jie構gou如ru圖tu1。設負載電流 的高次諧波含量為 。它的基本工作原理是:檢測補償對象的電流(或電壓),經過指令運算電路得到補償電流的指令信號。該信號經控製器由補償電流發生電路獲得,補償電流 與負載中的諧波電流 抵消,使電網的電流恢複為純正弦波形;同時,有源濾波器發出基波無功電流,進行無功補償。

圖1 有源濾波器的結構
[page]
3 有源濾波器的拓撲結構及其應用
根據電力有源濾波器接入電網的方式,可將其係統構成分為三大類,即並聯型[2-4],串聯型[5,6]和混合型。
3.1 並聯型有源濾波器
一般情況下,並聯型有源濾波器有三種使用方式,單獨使用方式、與PF混合使用方式以及注入電流方式。
3.1.1 並聯APF單獨使用方式
圖2為wei單dan獨du使shi用yong方fang式shi的de並bing聯lian型xing有you源yuan濾lv波bo係xi統tong的de構gou成cheng拓tuo撲pu。它ta是shi有you源yuan濾lv波bo器qi中zhong最zui基ji本ben的de形xing式shi,它ta可ke產chan生sheng與yu負fu載zai諧xie波bo大da小xiao相xiang等deng,方fang向xiang相xiang反fan的de補bu償chang電dian流liu,從cong而er將jiang電dian源yuan側ce電dian流liu補bu償chang為wei正zheng弦xian波bo。並bing聯lian型xing有you源yuan濾lv波bo器qi主zhu要yao用yong於yu感gan性xing電dian流liu源yuan型xing負fu載zai的de補bu償chang,它ta也ye是shi工gong業ye上shang已yi投tou入ru運yun行xing最zui多duo的de一yi種zhong方fang案an,但dan由you於yu電dian源yuan電dian壓ya直zhi接jie加jia在zai逆ni變bian橋qiao上shang,因yin此ci對dui開kai關guan元yuan件jian的de電dian壓ya等deng級ji要yao求qiu高gao;負載諧波電流含量高時要求這種APF的容量必須很大,同時具備大的補償容量和寬的補償頻帶比較困難。

圖2 單獨使用的並聯APF
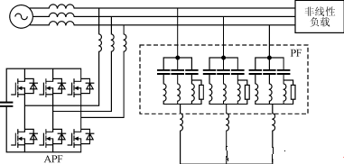
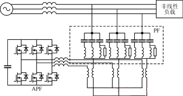
3.1.2 與PF混合使用方式
為克服單獨使用時麵臨的缺點,並聯型APF常常與PF混合使用。就與PF混合使用的形式來說又可分為兩種:一種是有源電力濾波器與無源濾波器並聯;另一種是有源電力濾波器與無源濾波器串聯。圖3(a)是並聯型APF與PF並聯的結構圖。APF與PF並聯接入電網,共同承擔補償諧波的任務。PF主(zhu)要(yao)補(bu)償(chang)較(jiao)高(gao)次(ci)的(de)諧(xie)波(bo),是(shi)一(yi)個(ge)高(gao)通(tong)濾(lv)波(bo)器(qi),它(ta)一(yi)方(fang)麵(mian)用(yong)於(yu)消(xiao)除(chu)補(bu)償(chang)電(dian)流(liu)中(zhong)因(yin)主(zhu)電(dian)路(lu)中(zhong)器(qi)件(jian)通(tong)斷(duan)而(er)引(yin)起(qi)的(de)諧(xie)波(bo),另(ling)一(yi)方(fang)麵(mian)它(ta)可(ke)濾(lv)除(chu)補(bu)償(chang)對(dui)象(xiang)中(zhong)次(ci)數(shu)較(jiao)高(gao)的(de)諧(xie)波(bo),從(cong)而(er)可(ke)降(jiang)低(di)對(dui)APF主電路中器件開關頻率的要求。圖3(b)為並聯型APF與PF串聯使用的結構圖,該方式中,APF的用於改善PF的濾波特性,克服PF易受電網阻抗影響和易與電網阻抗發生諧振缺點。而諧波和無功主要由PF補償,而這種方式中,APF不承受交流電源的基波電壓,因此裝置容量比較小。並聯混合型有源電力濾波器具有安裝、維護簡單的優點, 可以直接在已有的無源濾波器上進行改造, 因此並聯混合型電力有源濾波器的使用最為廣泛。

圖3(a)是並聯型APF與PF並聯的結構圖

圖3(b)為並聯型APF與PF串聯使用的結構圖
3.1.3 注入電路方式
注入電路方式又可分為與LC串聯諧振注入電路方式和與LC並聯諧振注入電路方式兩種。這種方式可降低APF的容量,它是用電感和電容構成注入回路,利用電感電容電路的諧振特性,使得APF隻需承受很小部分的基波電壓,從而使APF 容量減小。
3.2 串聯型有源濾波器
串聯型APF的包括單獨使用方式和與無源濾波器混合使用方式兩種。串聯型APF的結構圖如圖4。zhezhongzhuangzhixiangdangyuyigedianyakongzhidianyayuan,tongguoduidianyuandianyazhongdexiebofenliangdejiance,chanshengyuzhixiangfandefujiadianyaxinhao,congershixianxitongyuxiebodegeli,shidianyuanduandianyahuifuzhengxianboxing。zhezhongfangshidetedianshiyouyuanlvboqizuoweidianyayuanchuanlianzaidianyuanhejiboyuanzhijian,tazhuyaoyongyuxiaochudaidianrongerjiguanzhengliudianludeng,dianyaxingxieboyuanfuzaiduixitongdeyingxiang,yijixitongcedianyaxieboyudianyabodongduiminganfuzaideyingxiang。
與並聯型APF相比,由於串聯型APF中流過的是正常負荷電流,因此損耗較大;此外,串聯型APF的投切,故障後的退出及各種保護也較並聯APF複雜。因此,目前應用較多的是串聯型APF與PF混合使用方式。圖5為這種方式的典型係統結構。該方案的特點是諧波基本由PF補償,而APF作用隻是改善PF的濾波特性。
[page]
3.3 混合型有源濾波器
混合型是指串聯APF和並聯APF的混合使用。如圖6,串聯的APFI將電源與負載隔離,阻止電源諧波電壓傳入負載端,同時也阻止了負載中的諧波電流汙染電網;並聯的APFII則提供了一個低阻抗的諧波電流支路,用於吸收負載中的諧波電流,阻止負載中的諧波電流在電源端產生額外的諧波電壓。
這種混合型APF結合了串聯型APF和並聯型APF的優點,又稱為統一電能質量調節器(UPQC)。混合型APF結構的主要缺點是控製方法複雜,成本較高。
4 有源濾波器的發展趨勢
有源濾波器是改善供電質量,淨化電網汙染的一種有效裝置,自從七十年代提出以來,有源濾波技術得到了長足的發展,越來越多的APF投入了運行,無論從現實功能還是運行功率上都有明顯進步。目前,APFyijingyunyongzaitigaodiannengzhiliang,jiejuesanxiangdianlixitongzhongzhongduandianyatiaojie,dianyabodongyizhi,dianyapinghenggaishanyijixieboxiaochuhewugongbuchangdengwentishang。congjinnianlaideyanjiuheyingyong[1-8]可以看出,有源濾波器的發展前景如下:
1)隨(sui)著(zhe)新(xin)型(xing)能(neng)源(yuan)的(de)發(fa)展(zhan),有(you)源(yuan)濾(lv)波(bo)器(qi)的(de)運(yun)用(yong)範(fan)圍(wei)得(de)到(dao)極(ji)大(da)擴(kuo)展(zhan)。特(te)別(bie)是(shi)新(xin)型(xing)能(neng)源(yuan)發(fa)電(dian)後(hou)並(bing)入(ru)電(dian)網(wang)時(shi),有(you)源(yuan)濾(lv)波(bo)器(qi)可(ke)減(jian)少(shao)其(qi)對(dui)電(dian)網(wang)產(chan)生(sheng)危(wei)害(hai),如(ru)文(wen)獻(xian)[8]介紹了一種可運用於太陽能發電的有源濾波器。
2)從成本和效率,以及擴大容量來說,APF與PF混合使用的有源濾波器係統將得到更加廣泛得運用。
3)有源濾波器裝置的多功能化也是其發展的一個方向。APF在(zai)消(xiao)除(chu)高(gao)次(ci)諧(xie)波(bo)的(de)同(tong)時(shi),提(ti)高(gao)電(dian)力(li)係(xi)統(tong)的(de)穩(wen)定(ding)性(xing),抑(yi)製(zhi)閃(shan)變(bian)和(he)補(bu)償(chang)無(wu)功(gong)。這(zhe)樣(yang)既(ji)符(fu)合(he)電(dian)力(li)係(xi)統(tong)發(fa)展(zhan)的(de)需(xu)要(yao),又(you)從(cong)功(gong)能(neng)上(shang)降(jiang)低(di)了(le)裝(zhuang)置(zhi)得(de)成(cheng)本(ben)。
5 結束語
本ben文wen在zai介jie紹shao有you源yuan濾lv波bo器qi的de工gong作zuo原yuan理li的de基ji礎chu上shang,分fen析xi了le各ge種zhong有you源yuan濾lv波bo器qi的de結jie構gou特te點dian,總zong結jie了le有you源yuan濾lv波bo器qi的de發fa展zhan現xian狀zhuang,展zhan望wang了le有you源yuan濾lv波bo器qi的de發fa展zhan趨qu勢shi。
隨著我國電力事業的發展,電能質量的要求將不斷提高,利用有源濾波進行電能質量治理有著巨大的市場潛力。特別在補償諧波、無功功率、中線電流、不平衡電流等方麵,有源濾波技術必將擁有更加廣闊的前景。
特別推薦
- 噪聲中提取真值!瑞盟科技推出MSA2240電流檢測芯片賦能多元高端測量場景
- 10MHz高頻運行!氮矽科技發布集成驅動GaN芯片,助力電源能效再攀新高
- 失真度僅0.002%!力芯微推出超低內阻、超低失真4PST模擬開關
- 一“芯”雙電!聖邦微電子發布雙輸出電源芯片,簡化AFE與音頻設計
- 一機適配萬端:金升陽推出1200W可編程電源,賦能高端裝備製造
技術文章更多>>
- 一秒檢測,成本降至萬分之一,光引科技把幾十萬的台式光譜儀“搬”到了手腕上
- AI服務器電源機櫃Power Rack HVDC MW級測試方案
- 突破工藝邊界,奎芯科技LPDDR5X IP矽驗證通過,速率達9600Mbps
- 通過直接、準確、自動測量超低範圍的氯殘留來推動反滲透膜保護
- 從技術研發到規模量產:恩智浦第三代成像雷達平台,賦能下一代自動駕駛!
技術白皮書下載更多>>
- 車規與基於V2X的車輛協同主動避撞技術展望
- 數字隔離助力新能源汽車安全隔離的新挑戰
- 汽車模塊拋負載的解決方案
- 車用連接器的安全創新應用
- Melexis Actuators Business Unit
- Position / Current Sensors - Triaxis Hall
熱門搜索
按鈕開關
白色家電
保護器件
保險絲管
北鬥定位
北高智
貝能科技
背板連接器
背光器件
編碼器型號
便攜產品
便攜醫療
變容二極管
變壓器
檳城電子
並網
撥動開關
玻璃釉電容
剝線機
薄膜電容
薄膜電阻
薄膜開關
捕魚器
步進電機
測力傳感器
測試測量
測試設備
拆解
場效應管
超霸科技



