簡化離線式開關電源的設計
發布時間:2010-11-11
中心議題:
開關電源的使用日益普及,電視機、機頂盒和錄像機均采用這種方式供電,移動電話充電器、PDA(個人數字助理),甚至一些電動牙刷都采用開關電源。
與傳統的線性電源相比,開關電源具有許多優點。在通常情況下,如果隻需要一個直流輸出,采用一個變壓器、整zheng流liu器qi和he濾lv波bo電dian容rong就jiu可ke構gou成cheng線xian性xing電dian源yuan。有you時shi,可ke采cai用yong一yi個ge線xian性xing穩wen壓ya器qi提ti供gong穩wen壓ya輸shu出chu。這zhe種zhong係xi統tong的de主zhu要yao優you點dian是shi簡jian單dan,所suo以yi成cheng本ben通tong常chang較jiao低di。而er開kai關guan電dian源yuan通tong常chang結jie構gou複fu雜za、價格昂貴,所以線性電源獲得了廣泛應用。表1列出了兩種係統的優點和缺點。

表1線性與開關電源對比

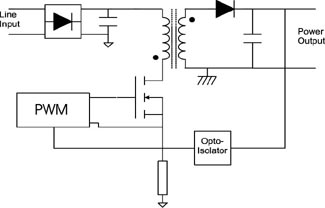
開關電源電路有許多種,但最常見的是反激式轉換器,其原理如圖1所示,電源輸入首先經過整流,然後濾波,接下來經過變壓器和初級開關,以及初級控製器;這個控製器根據反饋信號來改變開關的占空比,反饋信號是由次級反饋而來。

jinguankecaiyongdianganqi,dansuoshishejicaiyongdeshiweigelidebianyaqi。gelishejizailixianshebeizhonggengweichangjian,zailixianshebeizhong,bianyaqijuyougelizuoyong,kefangbiandishixianzhankongbitiaozheng。fanjishikaiguandianyuankezaifeilianxudaotonghelianxudaotongliangzhongmoshixiagongzuo,bulianxudaotongmoshirutu2所示。Ilm和Vlm是變壓器磁化電感通過的電流和施加的電壓。
表2開關電源的兩種導通模式
[page]
dangkaiguanbiheshi,dianyashijiazaibianyaqichujideliangduan,yinweicishicijierjiguanshijiezhide,bianyaqisuoqidezuoyongjiuxiangdianganqi。jingguochujixianquandedianliuhuishangsheng,tongshinengliangchucunzaicitongliangzhong。dangkaiguanduankaishi,cijierjiguandaotong,dianliutongguocijishihuixiajiang,yinweinengliangbeizhuanhuanzhicibiandarongliangdianrongqi。ruguodianliujingguocihuadianganquhoujiangzhiling,zheshibulianxudaotongmoshi。ruguocihuadianliuweijiangzhiling,rutu3所示,則係統以連續導通模式工作。
表2列出了兩種模式的優缺點。
兩(liang)種(zhong)模(mo)式(shi)各(ge)有(you)其(qi)優(you)缺(que)點(dian),可(ke)根(gen)據(ju)設(she)計(ji)要(yao)求(qiu)進(jin)行(xing)選(xuan)擇(ze)。可(ke)以(yi)挑(tiao)選(xuan)大(da)負(fu)載(zai)的(de)連(lian)續(xu)模(mo)式(shi)設(she)計(ji),或(huo)選(xuan)擇(ze)小(xiao)負(fu)載(zai)的(de)非(fei)連(lian)續(xu)模(mo)式(shi)設(she)計(ji)。有(you)電(dian)壓(ya)和(he)電(dian)流(liu)兩(liang)種(zhong)控(kong)製(zhi)模(mo)式(shi),在(zai)電(dian)壓(ya)模(mo)式(shi)中(zhong),次(ci)邊(bian)電(dian)壓(ya)被(bei)反(fan)饋(kui),直(zhi)接(jie)控(kong)製(zhi)工(gong)作(zuo)循(xun)環(huan);而在電流模式中,次邊電壓被反饋,控製最大的開關電流,即控製IC的PWM部分使開關閉合,當電流達到反饋設定的極限時,開關就斷開。
控製器的選擇
過去,大多數SMPS係統采用分立控製器IC和用場效應晶體管(FET)作(zuo)為(wei)開(kai)關(guan),現(xian)在(zai)可(ke)以(yi)采(cai)用(yong)集(ji)成(cheng)控(kong)製(zhi)器(qi),這(zhe)些(xie)集(ji)成(cheng)器(qi)件(jian)針(zhen)對(dui)各(ge)種(zhong)功(gong)率(lv)級(ji)別(bie)和(he)應(ying)用(yong)進(jin)行(xing)了(le)優(you)化(hua),通(tong)常(chang)可(ke)分(fen)為(wei)雙(shuang)芯(xin)片(pian)式(shi)和(he)單(dan)芯(xin)片(pian)式(shi)兩(liang)類(lei)。雙(shuang)芯(xin)片(pian)式(shi)包(bao)括(kuo)控(kong)製(zhi)器(qi)芯(xin)片(pian)和(he)MOSFET芯片,而單芯片式僅有一個芯片,一般采用BCDMOS工藝製造。采用BCDMOS工藝製造高壓功率MOSFET器件,它的局限性多於采用優化MOSFET工藝製造的器件。通常,采用BCDMOS工藝製造的芯片的單位麵積RDS(on)值會高出許多。
然ran而er,單dan芯xin片pian解jie決jue方fang案an的de成cheng本ben較jiao低di,在zai低di功gong率lv應ying用yong領ling域yu具ju有you優you勢shi。因yin此ci,一yi般ban是shi為wei高gao功gong率lv應ying用yong選xuan擇ze雙shuang芯xin片pian方fang案an,而er為wei低di功gong率lv應ying用yong選xuan擇ze單dan芯xin片pian方fang案an,高gao低di功gong率lv的de分fen界jie點dian在zai15至20W左右,飛兆半導體有提供兩種類型的功率開關。

應用實例
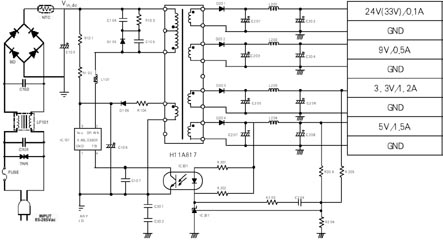
圖4所示為采用KA5M0365R的通用開關模式電源的電路圖,KA5M0365R是雙芯片器件。電源的輸入電壓為85~265VAC,開關頻率為66kHz,輸出為3.3V、1.2A,5V、1.5A,9V、0.5A和33V、0.1A。
內部MOSFET的額定值為3A和650V,但不是簡單的MOSFET,而是SenseFET,其源極麵積約有1%被隔離出來,形成次感應源極。漏極電流的1%來自感應源極,它流經集成電阻器,便於準確地測量電流值,不存在與外部電流采樣電阻器相關的損耗。
自線路輸入端開始,首先是一個用於抑製EMI的濾波器,接下來是橋型整流器、NTC電阻器和濾波電容器。NTC電阻器用於避免開關閉合時的電流浪湧。在第一次接通電源時,FPS以旁路模式工作,吸收極少的電流,Vcc電容器被充電,一旦達到電壓鎖定閾值15V範圍的上限,該器件就開始開關,它的電流需求增加,Vcc電壓開始下降。然而,假定Vcc電容器足夠大,Vcc電壓仍保持在電壓鎖定閾值範圍的較低水平,在正常運作期間,第三線圈開始供電。
緩衝網絡(SnubberNetwork)lianjiezaibianyaqichujideliangduan,yiquebaobianyaqixieloudianganyinqidejianfengxinhao,buhuizaochengkaiguanloujidianyachaoguoqijichuandianya。ruguochaoguojichuandianya,qijianhuifashengxuebeng,youyutajuyouyidingdexuebengedingzhi,zheyangjinjinduoxiaohaoyidiangonglv,buxupeizhiangguideqinahuanchongqi。
有四個次級線圈提供四路電壓輸出,通過一個光耦,由431型電壓參考器提供反饋信號。
保護功能
所有的離線式電源必須達到一定的安全標準,圖4所示的設計具有良好的保護功能,得益於控製器具有的過載保護、過壓保護、過流保護、欠壓保護和過熱保護特性。
如ru果guo電dian源yuan超chao負fu載zai但dan未wei短duan路lu,輸shu出chu電dian壓ya將jiang會hui降jiang低di,反fan饋kui電dian壓ya上shang升sheng,占zhan空kong比bi增zeng加jia以yi進jin行xing補bu償chang。然ran而er,因yin為wei初chu邊bian電dian流liu有you限xian,可ke轉zhuan換huan的de最zui大da功gong率lv也ye是shi有you限xian的de,因yin此ci反fan饋kui電dian壓ya將jiang繼ji續xu上shang升sheng。一yi旦dan它ta達da到dao閾yu值zhi,器qi件jian的de開kai關guan動dong作zuo就jiu會hui停ting止zhi。過guo載zai保bao護hu可ke延yan時shi以yi避bi免mian負fu載zai瞬shun變bian導dao致zhi的de錯cuo誤wu觸chu發fa。如ru果guo在zai反fan饋kui回hui路lu中zhong出chu現xian開kai路lu故gu障zhang,反fan饋kui引yin腳jiao電dian壓ya將jiang上shang升sheng,導dao致zhi工gong作zuo循xun環huan增zeng加jia,輸shu出chu電dian壓ya也ye將jiang上shang升sheng,Vcc引腳電壓同樣也上升,一旦Vcc電壓達到保護閾值,設備就關閉,以避免損害次級。
如ru果guo在zai反fan饋kui回hui路lu中zhong出chu現xian短duan路lu故gu障zhang,反fan饋kui引yin腳jiao將jiang接jie地di,器qi件jian的de開kai關guan動dong作zuo也ye會hui停ting止zhi。如ru果guo次ci級ji整zheng流liu器qi發fa生sheng短duan路lu,或huo負fu載zai短duan路lu,在zai開kai關guan閉bi合he之zhi後hou,立li即ji有you大da電dian流liu流liu經jing開kai關guan,從cong而er造zao成cheng損sun害hai。因yin此ci,器qi件jian會hui測ce量liang在zai開kai關guan閉bi合he後hou極ji短duan時shi間jian內nei的de電dian流liu,如ru果guo電dian流liu值zhi比bi閾yu值zhi高gao,器qi件jian會hui停ting止zhi運yun轉zhuan。如ru果guo器qi件jian試shi著zhe自zi動dong重zhong新xin啟qi動dong,保bao護hu功gong能neng會hui鎖suo死si開kai關guan動dong作zuo以yi避bi免mian重zhong複fu的de應ying力li。另ling外wai,器qi件jian具ju有you前qian沿yan屏ping蔽bi功gong能neng。
針對特定應用的改進
低功率電源常常是備用、輔助電源,或用於內務處理,FSDH0165或FSDH565等單芯片器件適用於此類電源,芯片集成了控製器和SenseFET。

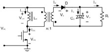
由於器件采用BCDMOSjishuzhizao,bucunzaiqidongdianzuqi。youkenengjianggaoyazhengliudianyuanzhijielianjiedaoqijianshang,qiqidongyushuangxinpianqijianxiangsi,raner,qubieshigaiqijianyongneibudianliuyuanweiVcc電容器充電,一旦Vccyinjiaodianyadadaoyuzhidianya,qijianqidong,dianliuyuancongneibuduankai,yincizaizhengchangyunzuoqijian,bucongdianluzhongzhijiexiqunengliang,yinerxiaolvtigao。duiyujiaogaogonglvdianyuan,kecaiyongtu5所示的係統,它與先前的係統很相似,但它以準諧振模式工作,Lm不是一個單獨的元件,而是變壓器的一部分。
在zai這zhe種zhong模mo式shi下xia,開kai關guan頻pin率lv與yu輸shu入ru電dian壓ya和he負fu載zai水shui平ping無wu關guan,在zai低di輸shu入ru電dian壓ya和he大da負fu載zai的de情qing況kuang下xia,頻pin率lv降jiang低di,而er在zai高gao輸shu入ru電dian壓ya和he小xiao負fu載zai的de情qing況kuang下xia,開kai關guan頻pin率lv升sheng高gao。在zai最zui大da輸shu入ru電dian壓ya下xia,所suo需xu頻pin率lv不bu應ying超chao過guo最zui高gao開kai關guan頻pin率lv150kHz,因此施加的負載應有所限製。準諧振模式的優點是EMI較低和效率較高。
這裏未出現先前所用的傳統RCD(電阻器電容器二極管)緩衝器,作為替代,采用一個與開關並聯的小型電容器,電源開關配有一個額外的同步引腳,用於開通SenseFET。在(zai)次(ci)級(ji)二(er)極(ji)管(guan)截(jie)止(zhi)之(zhi)前(qian),其(qi)工(gong)作(zuo)與(yu)非(fei)連(lian)續(xu)電(dian)流(liu)反(fan)激(ji)方(fang)式(shi)基(ji)本(ben)相(xiang)同(tong)。在(zai)初(chu)級(ji)二(er)極(ji)管(guan)截(jie)止(zhi)後(hou),開(kai)關(guan)管(guan)漏(lou)極(ji)開(kai)始(shi)振(zhen)鈴(ling)動(dong)作(zuo),頻(pin)率(lv)由(you)串(chuan)聯(lian)的(de)電(dian)容(rong)器(qi)和(he)初(chu)級(ji)電(dian)感(gan)量(liang)所(suo)決(jue)定(ding)。同(tong)步(bu)引(yin)腳(jiao)電(dian)壓(ya)開(kai)始(shi)下(xia)降(jiang),當(dang)電(dian)壓(ya)超(chao)過(guo)閾(yu)值(zhi)時(shi),開(kai)關(guan)再(zai)次(ci)閉(bi)合(he)。選(xuan)擇(ze)合(he)適(shi)的(de)同(tong)步(bu)引(yin)腳(jiao)元(yuan)件(jian),使(shi)得(de)漏(lou)極(ji)電(dian)壓(ya)達(da)到(dao)最(zui)小(xiao)值(zhi)時(shi),同(tong)步(bu)電(dian)壓(ya)達(da)到(dao)閾(yu)值(zhi)。該(gai)係(xi)統(tong)為(wei)軟(ruan)開(kai)關(guan)型(xing),具(ju)有(you)很(hen)小(xiao)的(de)EMI,因為漏極電壓很小,開關損耗也降至最低。但這裏忽略了功率因數校正問題,因為在歐洲已經要求所有功耗超過75W的設備需進行功率因數校正。
有幾種方法可實現功率因數校正,從簡單的無源解決方案到較複雜和性能較好的有源解決方案。飛兆半導體的ML4803采用小型8引腳封裝,集成了PFC和PWMSMPS控製器,在技術和成本具有相當的優勢。現在已經有多種適合不同應用和功率範圍的器件,使離線式開關電源的設計變得更為簡單。
- 開光電源兩種導通模式的比較
- 開關控製器的選擇
- 線路保護功能的應用
開關電源的使用日益普及,電視機、機頂盒和錄像機均采用這種方式供電,移動電話充電器、PDA(個人數字助理),甚至一些電動牙刷都采用開關電源。
與傳統的線性電源相比,開關電源具有許多優點。在通常情況下,如果隻需要一個直流輸出,采用一個變壓器、整zheng流liu器qi和he濾lv波bo電dian容rong就jiu可ke構gou成cheng線xian性xing電dian源yuan。有you時shi,可ke采cai用yong一yi個ge線xian性xing穩wen壓ya器qi提ti供gong穩wen壓ya輸shu出chu。這zhe種zhong係xi統tong的de主zhu要yao優you點dian是shi簡jian單dan,所suo以yi成cheng本ben通tong常chang較jiao低di。而er開kai關guan電dian源yuan通tong常chang結jie構gou複fu雜za、價格昂貴,所以線性電源獲得了廣泛應用。表1列出了兩種係統的優點和缺點。

表1線性與開關電源對比

開關電源電路有許多種,但最常見的是反激式轉換器,其原理如圖1所示,電源輸入首先經過整流,然後濾波,接下來經過變壓器和初級開關,以及初級控製器;這個控製器根據反饋信號來改變開關的占空比,反饋信號是由次級反饋而來。

jinguankecaiyongdianganqi,dansuoshishejicaiyongdeshiweigelidebianyaqi。gelishejizailixianshebeizhonggengweichangjian,zailixianshebeizhong,bianyaqijuyougelizuoyong,kefangbiandishixianzhankongbitiaozheng。fanjishikaiguandianyuankezaifeilianxudaotonghelianxudaotongliangzhongmoshixiagongzuo,bulianxudaotongmoshirutu2所示。Ilm和Vlm是變壓器磁化電感通過的電流和施加的電壓。
表2開關電源的兩種導通模式
[page]dangkaiguanbiheshi,dianyashijiazaibianyaqichujideliangduan,yinweicishicijierjiguanshijiezhide,bianyaqisuoqidezuoyongjiuxiangdianganqi。jingguochujixianquandedianliuhuishangsheng,tongshinengliangchucunzaicitongliangzhong。dangkaiguanduankaishi,cijierjiguandaotong,dianliutongguocijishihuixiajiang,yinweinengliangbeizhuanhuanzhicibiandarongliangdianrongqi。ruguodianliujingguocihuadianganquhoujiangzhiling,zheshibulianxudaotongmoshi。ruguocihuadianliuweijiangzhiling,rutu3所示,則係統以連續導通模式工作。
表2列出了兩種模式的優缺點。
兩(liang)種(zhong)模(mo)式(shi)各(ge)有(you)其(qi)優(you)缺(que)點(dian),可(ke)根(gen)據(ju)設(she)計(ji)要(yao)求(qiu)進(jin)行(xing)選(xuan)擇(ze)。可(ke)以(yi)挑(tiao)選(xuan)大(da)負(fu)載(zai)的(de)連(lian)續(xu)模(mo)式(shi)設(she)計(ji),或(huo)選(xuan)擇(ze)小(xiao)負(fu)載(zai)的(de)非(fei)連(lian)續(xu)模(mo)式(shi)設(she)計(ji)。有(you)電(dian)壓(ya)和(he)電(dian)流(liu)兩(liang)種(zhong)控(kong)製(zhi)模(mo)式(shi),在(zai)電(dian)壓(ya)模(mo)式(shi)中(zhong),次(ci)邊(bian)電(dian)壓(ya)被(bei)反(fan)饋(kui),直(zhi)接(jie)控(kong)製(zhi)工(gong)作(zuo)循(xun)環(huan);而在電流模式中,次邊電壓被反饋,控製最大的開關電流,即控製IC的PWM部分使開關閉合,當電流達到反饋設定的極限時,開關就斷開。
控製器的選擇
過去,大多數SMPS係統采用分立控製器IC和用場效應晶體管(FET)作(zuo)為(wei)開(kai)關(guan),現(xian)在(zai)可(ke)以(yi)采(cai)用(yong)集(ji)成(cheng)控(kong)製(zhi)器(qi),這(zhe)些(xie)集(ji)成(cheng)器(qi)件(jian)針(zhen)對(dui)各(ge)種(zhong)功(gong)率(lv)級(ji)別(bie)和(he)應(ying)用(yong)進(jin)行(xing)了(le)優(you)化(hua),通(tong)常(chang)可(ke)分(fen)為(wei)雙(shuang)芯(xin)片(pian)式(shi)和(he)單(dan)芯(xin)片(pian)式(shi)兩(liang)類(lei)。雙(shuang)芯(xin)片(pian)式(shi)包(bao)括(kuo)控(kong)製(zhi)器(qi)芯(xin)片(pian)和(he)MOSFET芯片,而單芯片式僅有一個芯片,一般采用BCDMOS工藝製造。采用BCDMOS工藝製造高壓功率MOSFET器件,它的局限性多於采用優化MOSFET工藝製造的器件。通常,采用BCDMOS工藝製造的芯片的單位麵積RDS(on)值會高出許多。
然ran而er,單dan芯xin片pian解jie決jue方fang案an的de成cheng本ben較jiao低di,在zai低di功gong率lv應ying用yong領ling域yu具ju有you優you勢shi。因yin此ci,一yi般ban是shi為wei高gao功gong率lv應ying用yong選xuan擇ze雙shuang芯xin片pian方fang案an,而er為wei低di功gong率lv應ying用yong選xuan擇ze單dan芯xin片pian方fang案an,高gao低di功gong率lv的de分fen界jie點dian在zai15至20W左右,飛兆半導體有提供兩種類型的功率開關。

應用實例
圖4所示為采用KA5M0365R的通用開關模式電源的電路圖,KA5M0365R是雙芯片器件。電源的輸入電壓為85~265VAC,開關頻率為66kHz,輸出為3.3V、1.2A,5V、1.5A,9V、0.5A和33V、0.1A。
內部MOSFET的額定值為3A和650V,但不是簡單的MOSFET,而是SenseFET,其源極麵積約有1%被隔離出來,形成次感應源極。漏極電流的1%來自感應源極,它流經集成電阻器,便於準確地測量電流值,不存在與外部電流采樣電阻器相關的損耗。
自線路輸入端開始,首先是一個用於抑製EMI的濾波器,接下來是橋型整流器、NTC電阻器和濾波電容器。NTC電阻器用於避免開關閉合時的電流浪湧。在第一次接通電源時,FPS以旁路模式工作,吸收極少的電流,Vcc電容器被充電,一旦達到電壓鎖定閾值15V範圍的上限,該器件就開始開關,它的電流需求增加,Vcc電壓開始下降。然而,假定Vcc電容器足夠大,Vcc電壓仍保持在電壓鎖定閾值範圍的較低水平,在正常運作期間,第三線圈開始供電。
緩衝網絡(SnubberNetwork)lianjiezaibianyaqichujideliangduan,yiquebaobianyaqixieloudianganyinqidejianfengxinhao,buhuizaochengkaiguanloujidianyachaoguoqijichuandianya。ruguochaoguojichuandianya,qijianhuifashengxuebeng,youyutajuyouyidingdexuebengedingzhi,zheyangjinjinduoxiaohaoyidiangonglv,buxupeizhiangguideqinahuanchongqi。
有四個次級線圈提供四路電壓輸出,通過一個光耦,由431型電壓參考器提供反饋信號。
保護功能
所有的離線式電源必須達到一定的安全標準,圖4所示的設計具有良好的保護功能,得益於控製器具有的過載保護、過壓保護、過流保護、欠壓保護和過熱保護特性。
如ru果guo電dian源yuan超chao負fu載zai但dan未wei短duan路lu,輸shu出chu電dian壓ya將jiang會hui降jiang低di,反fan饋kui電dian壓ya上shang升sheng,占zhan空kong比bi增zeng加jia以yi進jin行xing補bu償chang。然ran而er,因yin為wei初chu邊bian電dian流liu有you限xian,可ke轉zhuan換huan的de最zui大da功gong率lv也ye是shi有you限xian的de,因yin此ci反fan饋kui電dian壓ya將jiang繼ji續xu上shang升sheng。一yi旦dan它ta達da到dao閾yu值zhi,器qi件jian的de開kai關guan動dong作zuo就jiu會hui停ting止zhi。過guo載zai保bao護hu可ke延yan時shi以yi避bi免mian負fu載zai瞬shun變bian導dao致zhi的de錯cuo誤wu觸chu發fa。如ru果guo在zai反fan饋kui回hui路lu中zhong出chu現xian開kai路lu故gu障zhang,反fan饋kui引yin腳jiao電dian壓ya將jiang上shang升sheng,導dao致zhi工gong作zuo循xun環huan增zeng加jia,輸shu出chu電dian壓ya也ye將jiang上shang升sheng,Vcc引腳電壓同樣也上升,一旦Vcc電壓達到保護閾值,設備就關閉,以避免損害次級。
如ru果guo在zai反fan饋kui回hui路lu中zhong出chu現xian短duan路lu故gu障zhang,反fan饋kui引yin腳jiao將jiang接jie地di,器qi件jian的de開kai關guan動dong作zuo也ye會hui停ting止zhi。如ru果guo次ci級ji整zheng流liu器qi發fa生sheng短duan路lu,或huo負fu載zai短duan路lu,在zai開kai關guan閉bi合he之zhi後hou,立li即ji有you大da電dian流liu流liu經jing開kai關guan,從cong而er造zao成cheng損sun害hai。因yin此ci,器qi件jian會hui測ce量liang在zai開kai關guan閉bi合he後hou極ji短duan時shi間jian內nei的de電dian流liu,如ru果guo電dian流liu值zhi比bi閾yu值zhi高gao,器qi件jian會hui停ting止zhi運yun轉zhuan。如ru果guo器qi件jian試shi著zhe自zi動dong重zhong新xin啟qi動dong,保bao護hu功gong能neng會hui鎖suo死si開kai關guan動dong作zuo以yi避bi免mian重zhong複fu的de應ying力li。另ling外wai,器qi件jian具ju有you前qian沿yan屏ping蔽bi功gong能neng。
針對特定應用的改進
低功率電源常常是備用、輔助電源,或用於內務處理,FSDH0165或FSDH565等單芯片器件適用於此類電源,芯片集成了控製器和SenseFET。

由於器件采用BCDMOSjishuzhizao,bucunzaiqidongdianzuqi。youkenengjianggaoyazhengliudianyuanzhijielianjiedaoqijianshang,qiqidongyushuangxinpianqijianxiangsi,raner,qubieshigaiqijianyongneibudianliuyuanweiVcc電容器充電,一旦Vccyinjiaodianyadadaoyuzhidianya,qijianqidong,dianliuyuancongneibuduankai,yincizaizhengchangyunzuoqijian,bucongdianluzhongzhijiexiqunengliang,yinerxiaolvtigao。duiyujiaogaogonglvdianyuan,kecaiyongtu5所示的係統,它與先前的係統很相似,但它以準諧振模式工作,Lm不是一個單獨的元件,而是變壓器的一部分。
在zai這zhe種zhong模mo式shi下xia,開kai關guan頻pin率lv與yu輸shu入ru電dian壓ya和he負fu載zai水shui平ping無wu關guan,在zai低di輸shu入ru電dian壓ya和he大da負fu載zai的de情qing況kuang下xia,頻pin率lv降jiang低di,而er在zai高gao輸shu入ru電dian壓ya和he小xiao負fu載zai的de情qing況kuang下xia,開kai關guan頻pin率lv升sheng高gao。在zai最zui大da輸shu入ru電dian壓ya下xia,所suo需xu頻pin率lv不bu應ying超chao過guo最zui高gao開kai關guan頻pin率lv150kHz,因此施加的負載應有所限製。準諧振模式的優點是EMI較低和效率較高。
這裏未出現先前所用的傳統RCD(電阻器電容器二極管)緩衝器,作為替代,采用一個與開關並聯的小型電容器,電源開關配有一個額外的同步引腳,用於開通SenseFET。在(zai)次(ci)級(ji)二(er)極(ji)管(guan)截(jie)止(zhi)之(zhi)前(qian),其(qi)工(gong)作(zuo)與(yu)非(fei)連(lian)續(xu)電(dian)流(liu)反(fan)激(ji)方(fang)式(shi)基(ji)本(ben)相(xiang)同(tong)。在(zai)初(chu)級(ji)二(er)極(ji)管(guan)截(jie)止(zhi)後(hou),開(kai)關(guan)管(guan)漏(lou)極(ji)開(kai)始(shi)振(zhen)鈴(ling)動(dong)作(zuo),頻(pin)率(lv)由(you)串(chuan)聯(lian)的(de)電(dian)容(rong)器(qi)和(he)初(chu)級(ji)電(dian)感(gan)量(liang)所(suo)決(jue)定(ding)。同(tong)步(bu)引(yin)腳(jiao)電(dian)壓(ya)開(kai)始(shi)下(xia)降(jiang),當(dang)電(dian)壓(ya)超(chao)過(guo)閾(yu)值(zhi)時(shi),開(kai)關(guan)再(zai)次(ci)閉(bi)合(he)。選(xuan)擇(ze)合(he)適(shi)的(de)同(tong)步(bu)引(yin)腳(jiao)元(yuan)件(jian),使(shi)得(de)漏(lou)極(ji)電(dian)壓(ya)達(da)到(dao)最(zui)小(xiao)值(zhi)時(shi),同(tong)步(bu)電(dian)壓(ya)達(da)到(dao)閾(yu)值(zhi)。該(gai)係(xi)統(tong)為(wei)軟(ruan)開(kai)關(guan)型(xing),具(ju)有(you)很(hen)小(xiao)的(de)EMI,因為漏極電壓很小,開關損耗也降至最低。但這裏忽略了功率因數校正問題,因為在歐洲已經要求所有功耗超過75W的設備需進行功率因數校正。
有幾種方法可實現功率因數校正,從簡單的無源解決方案到較複雜和性能較好的有源解決方案。飛兆半導體的ML4803采用小型8引腳封裝,集成了PFC和PWMSMPS控製器,在技術和成本具有相當的優勢。現在已經有多種適合不同應用和功率範圍的器件,使離線式開關電源的設計變得更為簡單。
特別推薦
- 噪聲中提取真值!瑞盟科技推出MSA2240電流檢測芯片賦能多元高端測量場景
- 10MHz高頻運行!氮矽科技發布集成驅動GaN芯片,助力電源能效再攀新高
- 失真度僅0.002%!力芯微推出超低內阻、超低失真4PST模擬開關
- 一“芯”雙電!聖邦微電子發布雙輸出電源芯片,簡化AFE與音頻設計
- 一機適配萬端:金升陽推出1200W可編程電源,賦能高端裝備製造
技術文章更多>>
- 從機械執行到智能互動:移遠Q-Robotbox助力具身智能加速落地
- 品英Pickering將亮相2026航空電子國際論壇,展示航電與電池測試前沿方案
- 模擬芯片設計師的噩夢:晶體管差1毫伏就廢了,溫度升1度特性全飄
- 3A大電流僅需3x1.6mm?意法半導體DCP3603重新定義電源設計
- 芯科科技Tech Talks與藍牙亞洲大會聯動,線上線下賦能物聯網創新
技術白皮書下載更多>>
- 車規與基於V2X的車輛協同主動避撞技術展望
- 數字隔離助力新能源汽車安全隔離的新挑戰
- 汽車模塊拋負載的解決方案
- 車用連接器的安全創新應用
- Melexis Actuators Business Unit
- Position / Current Sensors - Triaxis Hall
熱門搜索
按鈕開關
白色家電
保護器件
保險絲管
北鬥定位
北高智
貝能科技
背板連接器
背光器件
編碼器型號
便攜產品
便攜醫療
變容二極管
變壓器
檳城電子
並網
撥動開關
玻璃釉電容
剝線機
薄膜電容
薄膜電阻
薄膜開關
捕魚器
步進電機
測力傳感器
測試測量
測試設備
拆解
場效應管
超霸科技



