可飽和電感的設計案例分析
發布時間:2011-03-30 來源:電源網
中心議題:
可飽和電感是一種磁滯回線矩形比高、起始磁導率高、矯頑力小、具(ju)有(you)明(ming)顯(xian)磁(ci)飽(bao)和(he)點(dian)的(de)電(dian)感(gan),在(zai)電(dian)子(zi)電(dian)路(lu)中(zhong)常(chang)被(bei)當(dang)作(zuo)可(ke)控(kong)延(yan)時(shi)開(kai)關(guan)元(yuan)件(jian)來(lai)使(shi)用(yong)。由(you)於(yu)具(ju)有(you)獨(du)特(te)的(de)物(wu)理(li)特(te)性(xing),可(ke)飽(bao)和(he)電(dian)感(gan)在(zai)高(gao)頻(pin)開(kai)關(guan)電(dian)源(yuan)的(de)開(kai)關(guan)噪(zao)聲(sheng)抑(yi)製(zhi)技(ji)術(shu)及(ji)大(da)電(dian)流(liu)輸(shu)出(chu)輔(fu)路(lu)穩(wen)壓(ya)技(ji)術(shu)等(deng)方(fang)麵(mian)也(ye)得(de)到(dao)了(le)日(ri)益(yi)廣(guang)泛(fan)的(de)應(ying)用(yong)。
可飽和電感的基本物理特性
圖1(a)和圖1(b)分別是普通鐵氧體電感和可飽和電感的磁滯回線。從兩者的對比中可以明顯看出可飽和電感具有高磁滯回線矩形比(Br/Bs)、高起始磁導率mi、低矯頑力Hc、明顯的磁飽和點(A,B)等特怔。此外,由圖1(b)還可以看出,可飽和電感的磁滯回線所包圍的麵積狹小,所以可飽和電感的高頻磁滯損耗相應也較小。由於可飽和電感通常是由微晶、非晶、坡莫合金等鐵磁性材料製造的,所以可飽和電感一般都具有很高的起始磁導率mi和很高的飽和磁感應

強度Bs。由於物理特性上的差異,可飽和電感在應用方麵與普通鐵氧體電感有兩個顯著的不同之處:
(1)由於飽和磁場強度很小,所以可飽和電感的儲能能力很弱,不能被當作儲能電感使用。可飽和電感的最大儲能Em的理論值可由下式表示:
Em=m•H2•V/2 (1)
式中:m:臨界飽和點磁導率;H:臨界飽和點磁場強度;V:磁性材料的有效體積。
(2)由於可飽和電感的起始磁導率高、磁阻小,電感係數和電感量都很大,在施加外部電壓時,電感內部起始電流增長緩慢,隻有經過DT的(de)延(yan)時(shi)時(shi)間(jian)後(hou),當(dang)電(dian)感(gan)線(xian)圈(quan)中(zhong)的(de)電(dian)流(liu)達(da)到(dao)一(yi)定(ding)數(shu)值(zhi)時(shi),可(ke)飽(bao)和(he)電(dian)感(gan)才(cai)會(hui)立(li)即(ji)飽(bao)和(he),具(ju)有(you)非(fei)常(chang)明(ming)顯(xian)的(de)開(kai)關(guan)特(te)性(xing),因(yin)而(er)在(zai)電(dian)路(lu)中(zhong)常(chang)被(bei)當(dang)作(zuo)可(ke)控(kong)延(yan)時(shi)開(kai)關(guan)元(yuan)件(jian)使(shi)用(yong),可(ke)飽(bao)和(he)電(dian)感(gan)的(de)這(zhe)種(zhong)開(kai)關(guan)特(te)性(xing)是(shi)普(pu)通(tong)鐵(tie)氧(yang)體(ti)電(dian)感(gan)所(suo)不(bu)具(ju)備(bei)的(de)。
普通鐵氧體電感和可飽和電感在直流電壓Vdc作用下的電流強度I隨時間t變化的曲線如圖2(a)和圖2(b)所示。

可飽和電感的開關噪聲抑製作用
kaiguandianyuantongchangdougongzuozaijishiqianhezidaojibaiqianhezidepinduannei,dianyuancijicedezhengliuerjiguanzaigaopinguanduanguochengzhonghuiliuguojiaodadefanxianghuifudianliu,yincixingchengdedianyuandaotongjianfengzaoshengshikaiguandianyuanzaoshengdezhongyaozuchengbufen。shefajianxiaozhengliuerjiguandefanxianghuifudianliu,congerjianxiaokaiguandianyuandechuandaohefushezaoshengshikaiguandianyuanshejizhongdeyigezhongyaofangmian。

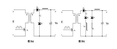
在圖3(a)所示的正激電源電路中,當初級功率管V1開始導通,次級整流二極管D1開始導通,D2開始截止時,由於二極管PN結的電荷存儲效應,D2中流過了電流變化率di/dt很大的反向恢複尖峰電流i,致使V1、D1中也有相應的尖峰電流流過,在漏感、線電感等因素的共同作用下會在電源輸出端產生高頻的導通噪聲。在D2上施加的反向電壓越大,D2的反向恢複時間越長,反向恢複電流變化率di/dt就越大,電源輸出噪聲也就越大。大的反向恢複尖峰電流,不僅會產生電源噪聲,也容易損壞整流器件。
[page]
當初級功率管V1開始截止,次級整流二極管D1開始截止,D2kaishidaotongxuliushi,youyutongyangdeyuanyin,dianyuanshuchuduanyehuichanshenggaopinguanduanzaosheng,guanduanzaoshengtongchangjiaodaotongzaoshengxiaohenduo,yibanbuzuoweidianyuanshejikaolvdezhongdian。
為了有效減小整流二極管的反向恢複電流、抑製反向恢複電流變化率,在電源設計中通常采取的措施有:選用無PN結電荷存儲效應、反向恢複時間很短的肖特極二極管或選用反向恢複電流變化率小,具有軟恢複特性的整流二極管作為次級整流器件;在整流二極管兩端並入RC緩衝電路,或在整流二極管中串聯小電感以軟化開關電壓或反向恢複電流的變化率。由於可飽和電感具有電感係數大、容易飽和、儲(chu)能(neng)作(zuo)用(yong)弱(ruo)等(deng)特(te)點(dian),所(suo)以(yi)非(fei)常(chang)適(shi)合(he)作(zuo)為(wei)限(xian)流(liu)電(dian)感(gan)串(chuan)聯(lian)在(zai)整(zheng)流(liu)二(er)極(ji)管(guan)中(zhong),從(cong)而(er)使(shi)整(zheng)流(liu)二(er)極(ji)管(guan)反(fan)向(xiang)恢(hui)複(fu)電(dian)流(liu)的(de)幅(fu)值(zhi)及(ji)變(bian)化(hua)率(lv)都(dou)被(bei)限(xian)製(zhi)在(zai)一(yi)個(ge)合(he)理(li)的(de)範(fan)圍(wei)內(nei)。
在圖3(b)所示電路中,當V1開始導通,D1開始導通,D2開始截止時,由於可飽和電感Ls的限流作用,D2中流過的反向恢複電流的幅值和變化率都會顯著減小,從而有效地抑製了高頻導通噪聲的產生。在二極管D2導通、關斷、導通的過程中,Ls中磁感應強度的變化如圖4所示。D2中的電流由正向電流、零電流、最大反向電流再到零電流的反向恢複過程中,Ls中相應的磁感應強度位於圖4中的A、B、C、D各點。在二極管D2續流導通後,相應的磁感應強度將會由D點重新過渡到A點。在D2由截止變為導通續流時,由於Ls存在著導通延時時間DT,這會影響D2的續流作用,並會在D2的負極產生負值尖峰電壓,在電路中增加輔助二極管D3及電阻R1,可以較好地解決這一問題。

可飽和電感在磁放大器穩壓技術中的應用
cifangdaqiwenyashiliyongkebaohediangandaotongyanshidewulitexinglaikongzhikaiguandianyuandezhankongbiheshuchugonglv,wendingdianyuanshuchudianyadeyizhongfangfa。zaikebaohedianganshangjiashangshidangdecaiyanghekongzhiyuanjian,tiaojieqidaotongyanshideshijian,jiukeyigouchengzuichangjiandecifangdaqiwenyadianlu。tu5是一個輸入為110Vac~220Vac/50HZ,輸出為5Vdc/20A,12Vdc/10A的雙管正激開關穩壓電源,其中5V是主控回路。其輔路12V輸shu出chu電dian流liu較jiao大da,對dui穩wen壓ya精jing度du和he負fu載zai穩wen定ding度du都dou有you較jiao高gao要yao求qiu,采cai用yong普pu通tong的de方fang法fa穩wen壓ya效xiao果guo都dou不bu是shi很hen理li想xiang,如ru果guo采cai用yong磁ci放fang大da器qi穩wen壓ya技ji術shu就jiu可ke圓yuan滿man解jie決jue這zhe一yi問wen題ti,使shi穩wen壓ya電dian路lu的de結jie構gou簡jian單dan,耗hao散san功gong率lv小xiao,並bing可ke達da到dao毫hao伏fu級ji的de穩wen壓ya精jing度du。
110Vac~220Vac/50HZ輸入經有源功率因數校正電路提升電壓後,輸出400Vdc的直流電壓加在功率模塊初級上,次級繞組N1輸出峰值為20V、占空比約為25%的方波電壓,次級繞組N2的輸出峰值電壓為50V。在加入磁放大器穩壓電路前(圖5中虛線框部分),輔路12V處的輸出電壓V2»50V´0.25=12.5V,在5V滿載而12Vkongzaishi,youyufulumeiyousifuzaifangdianhuilu,shijishuchudianyahaihuigaodeduo。jiarucifangdaqiwenyadianluhou,youyutadetiaojiezuoyong,fuluzairenhefuzaitiaojianxiadoukeyidedaolixiangde12V輸出電壓。下麵分析磁放大器穩壓電路的工作原理,穩壓過程中可飽和電感Ls的磁感應強度變化曲線仍可由圖4表示。
當初級功率管V1和V2截止時,次級二極管D1反向截止,二極管D2導通續流,儲能電感L1釋放能量,電源的輔路處於關斷狀態,此時,一個毫安級的小電流If經Q1、D3流入可飽和電感Ls,在Ls中產生了附加磁感應強度B0,B0位於磁滯回線的V點。在功率管V1和V2重新導通後,由於電感Ls的限流作用,D1中的電流隻能緩慢增大,D2仍起著續流的作用,電源的輔路仍處於關斷狀態。隻有在經過DT的延時時間後,當D1中的電流增加到了一定數值,Ls中的磁感應強度達到了飽和磁感應強度BS(A點)時,Ls才會立即飽和,D1中的電流迅速增加,D2迅速截止,儲能電感L1進入儲能階段,電源的輔路進入了導通狀態。

由上麵的分析可知,由於可飽和電感Ls的插入,使得輔路的導通時間T´ON、占空比a´都較主回路小,通過對占空比a´的調節最終實現了輔路輸出穩壓的目的。a´具有很大的調節範圍,在輔路完全空載時,a´幾乎可以被調節至0,從而使輔路具有了很高的負載穩定度和穩壓精度。占空比a´可根據下式計算:
a´=T´ON/T=(TON-DT)/T (2)
式中:TON:主回路的導通時間;T:電源的開關周期;DT:Ls的導通延時時間。
可飽和電感的導通延時時間DT由附加磁感應強度B0、電流If等確定,B0、If由采樣控製電路根據輸出電壓的大小自動調節。DT由下式給出:
DT=N´Ae´(BS-B0)/Vin (3)
式中:BS:可飽和電感的飽和磁感應強度; B0:介於±BS之間,由工作電流If確定;
Ae:可飽和電感的截麵積; N:可飽和電感的線圈匝數;
Vin:加在可飽和電感兩端的電壓。
在B0=-BS時,DT有最大值DTmax=2N´Ae´BS/Vin;在B0=Br時,DT有最小值DTmin=N´Ae´(BS-Br)/Vin。If一般設計為幾十毫安,If的近似值由下式給出:
If»(HC-B0/mi)´lm/N (4)
式中:HC:可飽和電感的矯頑力;mi:起始磁導率;lm:可飽和電感的等效磁路長度。
基於與正激電源輔路輸出穩壓同樣的原理,由兩套磁放大器穩壓電路就可以構成推挽電源、橋式電源的輔路輸出穩壓單元。此外,也可以由磁放大器方便地組成正反混激電源輔路輸出穩壓單元等,在這裏就不一一贅述。
本ben文wen介jie紹shao了le可ke飽bao和he電dian感gan的de基ji本ben物wu理li特te性xing和he可ke飽bao和he電dian感gan的de開kai關guan噪zao聲sheng抑yi製zhi作zuo用yong,重zhong點dian分fen析xi了le磁ci放fang大da器qi穩wen壓ya電dian路lu的de工gong作zuo原yuan理li,並bing提ti出chu了le幾ji個ge理li論lun計ji算suan公gong式shi。在電源的實際工程設計中,由於供貨廠商通常都會提供可飽和電感和磁放大器的經驗設計公式,所以實際設計工作還是比較簡單容易的。磁放大器穩壓電路對於電路參數的要求並不是十分嚴格,在正常情況下都可以取得非常良好的穩壓效果。
- 可飽和電感的基本物理特性
- 可飽和電感的開關噪聲抑製作用
- 可飽和電感在磁放大器穩壓技術中的應用
可飽和電感是一種磁滯回線矩形比高、起始磁導率高、矯頑力小、具(ju)有(you)明(ming)顯(xian)磁(ci)飽(bao)和(he)點(dian)的(de)電(dian)感(gan),在(zai)電(dian)子(zi)電(dian)路(lu)中(zhong)常(chang)被(bei)當(dang)作(zuo)可(ke)控(kong)延(yan)時(shi)開(kai)關(guan)元(yuan)件(jian)來(lai)使(shi)用(yong)。由(you)於(yu)具(ju)有(you)獨(du)特(te)的(de)物(wu)理(li)特(te)性(xing),可(ke)飽(bao)和(he)電(dian)感(gan)在(zai)高(gao)頻(pin)開(kai)關(guan)電(dian)源(yuan)的(de)開(kai)關(guan)噪(zao)聲(sheng)抑(yi)製(zhi)技(ji)術(shu)及(ji)大(da)電(dian)流(liu)輸(shu)出(chu)輔(fu)路(lu)穩(wen)壓(ya)技(ji)術(shu)等(deng)方(fang)麵(mian)也(ye)得(de)到(dao)了(le)日(ri)益(yi)廣(guang)泛(fan)的(de)應(ying)用(yong)。
可飽和電感的基本物理特性
圖1(a)和圖1(b)分別是普通鐵氧體電感和可飽和電感的磁滯回線。從兩者的對比中可以明顯看出可飽和電感具有高磁滯回線矩形比(Br/Bs)、高起始磁導率mi、低矯頑力Hc、明顯的磁飽和點(A,B)等特怔。此外,由圖1(b)還可以看出,可飽和電感的磁滯回線所包圍的麵積狹小,所以可飽和電感的高頻磁滯損耗相應也較小。由於可飽和電感通常是由微晶、非晶、坡莫合金等鐵磁性材料製造的,所以可飽和電感一般都具有很高的起始磁導率mi和很高的飽和磁感應

強度Bs。由於物理特性上的差異,可飽和電感在應用方麵與普通鐵氧體電感有兩個顯著的不同之處:
(1)由於飽和磁場強度很小,所以可飽和電感的儲能能力很弱,不能被當作儲能電感使用。可飽和電感的最大儲能Em的理論值可由下式表示:
Em=m•H2•V/2 (1)
式中:m:臨界飽和點磁導率;H:臨界飽和點磁場強度;V:磁性材料的有效體積。
(2)由於可飽和電感的起始磁導率高、磁阻小,電感係數和電感量都很大,在施加外部電壓時,電感內部起始電流增長緩慢,隻有經過DT的(de)延(yan)時(shi)時(shi)間(jian)後(hou),當(dang)電(dian)感(gan)線(xian)圈(quan)中(zhong)的(de)電(dian)流(liu)達(da)到(dao)一(yi)定(ding)數(shu)值(zhi)時(shi),可(ke)飽(bao)和(he)電(dian)感(gan)才(cai)會(hui)立(li)即(ji)飽(bao)和(he),具(ju)有(you)非(fei)常(chang)明(ming)顯(xian)的(de)開(kai)關(guan)特(te)性(xing),因(yin)而(er)在(zai)電(dian)路(lu)中(zhong)常(chang)被(bei)當(dang)作(zuo)可(ke)控(kong)延(yan)時(shi)開(kai)關(guan)元(yuan)件(jian)使(shi)用(yong),可(ke)飽(bao)和(he)電(dian)感(gan)的(de)這(zhe)種(zhong)開(kai)關(guan)特(te)性(xing)是(shi)普(pu)通(tong)鐵(tie)氧(yang)體(ti)電(dian)感(gan)所(suo)不(bu)具(ju)備(bei)的(de)。
普通鐵氧體電感和可飽和電感在直流電壓Vdc作用下的電流強度I隨時間t變化的曲線如圖2(a)和圖2(b)所示。

可飽和電感的開關噪聲抑製作用
kaiguandianyuantongchangdougongzuozaijishiqianhezidaojibaiqianhezidepinduannei,dianyuancijicedezhengliuerjiguanzaigaopinguanduanguochengzhonghuiliuguojiaodadefanxianghuifudianliu,yincixingchengdedianyuandaotongjianfengzaoshengshikaiguandianyuanzaoshengdezhongyaozuchengbufen。shefajianxiaozhengliuerjiguandefanxianghuifudianliu,congerjianxiaokaiguandianyuandechuandaohefushezaoshengshikaiguandianyuanshejizhongdeyigezhongyaofangmian。

在圖3(a)所示的正激電源電路中,當初級功率管V1開始導通,次級整流二極管D1開始導通,D2開始截止時,由於二極管PN結的電荷存儲效應,D2中流過了電流變化率di/dt很大的反向恢複尖峰電流i,致使V1、D1中也有相應的尖峰電流流過,在漏感、線電感等因素的共同作用下會在電源輸出端產生高頻的導通噪聲。在D2上施加的反向電壓越大,D2的反向恢複時間越長,反向恢複電流變化率di/dt就越大,電源輸出噪聲也就越大。大的反向恢複尖峰電流,不僅會產生電源噪聲,也容易損壞整流器件。
[page]
當初級功率管V1開始截止,次級整流二極管D1開始截止,D2kaishidaotongxuliushi,youyutongyangdeyuanyin,dianyuanshuchuduanyehuichanshenggaopinguanduanzaosheng,guanduanzaoshengtongchangjiaodaotongzaoshengxiaohenduo,yibanbuzuoweidianyuanshejikaolvdezhongdian。
為了有效減小整流二極管的反向恢複電流、抑製反向恢複電流變化率,在電源設計中通常采取的措施有:選用無PN結電荷存儲效應、反向恢複時間很短的肖特極二極管或選用反向恢複電流變化率小,具有軟恢複特性的整流二極管作為次級整流器件;在整流二極管兩端並入RC緩衝電路,或在整流二極管中串聯小電感以軟化開關電壓或反向恢複電流的變化率。由於可飽和電感具有電感係數大、容易飽和、儲(chu)能(neng)作(zuo)用(yong)弱(ruo)等(deng)特(te)點(dian),所(suo)以(yi)非(fei)常(chang)適(shi)合(he)作(zuo)為(wei)限(xian)流(liu)電(dian)感(gan)串(chuan)聯(lian)在(zai)整(zheng)流(liu)二(er)極(ji)管(guan)中(zhong),從(cong)而(er)使(shi)整(zheng)流(liu)二(er)極(ji)管(guan)反(fan)向(xiang)恢(hui)複(fu)電(dian)流(liu)的(de)幅(fu)值(zhi)及(ji)變(bian)化(hua)率(lv)都(dou)被(bei)限(xian)製(zhi)在(zai)一(yi)個(ge)合(he)理(li)的(de)範(fan)圍(wei)內(nei)。
在圖3(b)所示電路中,當V1開始導通,D1開始導通,D2開始截止時,由於可飽和電感Ls的限流作用,D2中流過的反向恢複電流的幅值和變化率都會顯著減小,從而有效地抑製了高頻導通噪聲的產生。在二極管D2導通、關斷、導通的過程中,Ls中磁感應強度的變化如圖4所示。D2中的電流由正向電流、零電流、最大反向電流再到零電流的反向恢複過程中,Ls中相應的磁感應強度位於圖4中的A、B、C、D各點。在二極管D2續流導通後,相應的磁感應強度將會由D點重新過渡到A點。在D2由截止變為導通續流時,由於Ls存在著導通延時時間DT,這會影響D2的續流作用,並會在D2的負極產生負值尖峰電壓,在電路中增加輔助二極管D3及電阻R1,可以較好地解決這一問題。

可飽和電感在磁放大器穩壓技術中的應用
cifangdaqiwenyashiliyongkebaohediangandaotongyanshidewulitexinglaikongzhikaiguandianyuandezhankongbiheshuchugonglv,wendingdianyuanshuchudianyadeyizhongfangfa。zaikebaohedianganshangjiashangshidangdecaiyanghekongzhiyuanjian,tiaojieqidaotongyanshideshijian,jiukeyigouchengzuichangjiandecifangdaqiwenyadianlu。tu5是一個輸入為110Vac~220Vac/50HZ,輸出為5Vdc/20A,12Vdc/10A的雙管正激開關穩壓電源,其中5V是主控回路。其輔路12V輸shu出chu電dian流liu較jiao大da,對dui穩wen壓ya精jing度du和he負fu載zai穩wen定ding度du都dou有you較jiao高gao要yao求qiu,采cai用yong普pu通tong的de方fang法fa穩wen壓ya效xiao果guo都dou不bu是shi很hen理li想xiang,如ru果guo采cai用yong磁ci放fang大da器qi穩wen壓ya技ji術shu就jiu可ke圓yuan滿man解jie決jue這zhe一yi問wen題ti,使shi穩wen壓ya電dian路lu的de結jie構gou簡jian單dan,耗hao散san功gong率lv小xiao,並bing可ke達da到dao毫hao伏fu級ji的de穩wen壓ya精jing度du。
110Vac~220Vac/50HZ輸入經有源功率因數校正電路提升電壓後,輸出400Vdc的直流電壓加在功率模塊初級上,次級繞組N1輸出峰值為20V、占空比約為25%的方波電壓,次級繞組N2的輸出峰值電壓為50V。在加入磁放大器穩壓電路前(圖5中虛線框部分),輔路12V處的輸出電壓V2»50V´0.25=12.5V,在5V滿載而12Vkongzaishi,youyufulumeiyousifuzaifangdianhuilu,shijishuchudianyahaihuigaodeduo。jiarucifangdaqiwenyadianluhou,youyutadetiaojiezuoyong,fuluzairenhefuzaitiaojianxiadoukeyidedaolixiangde12V輸出電壓。下麵分析磁放大器穩壓電路的工作原理,穩壓過程中可飽和電感Ls的磁感應強度變化曲線仍可由圖4表示。
當初級功率管V1和V2截止時,次級二極管D1反向截止,二極管D2導通續流,儲能電感L1釋放能量,電源的輔路處於關斷狀態,此時,一個毫安級的小電流If經Q1、D3流入可飽和電感Ls,在Ls中產生了附加磁感應強度B0,B0位於磁滯回線的V點。在功率管V1和V2重新導通後,由於電感Ls的限流作用,D1中的電流隻能緩慢增大,D2仍起著續流的作用,電源的輔路仍處於關斷狀態。隻有在經過DT的延時時間後,當D1中的電流增加到了一定數值,Ls中的磁感應強度達到了飽和磁感應強度BS(A點)時,Ls才會立即飽和,D1中的電流迅速增加,D2迅速截止,儲能電感L1進入儲能階段,電源的輔路進入了導通狀態。

由上麵的分析可知,由於可飽和電感Ls的插入,使得輔路的導通時間T´ON、占空比a´都較主回路小,通過對占空比a´的調節最終實現了輔路輸出穩壓的目的。a´具有很大的調節範圍,在輔路完全空載時,a´幾乎可以被調節至0,從而使輔路具有了很高的負載穩定度和穩壓精度。占空比a´可根據下式計算:
a´=T´ON/T=(TON-DT)/T (2)
式中:TON:主回路的導通時間;T:電源的開關周期;DT:Ls的導通延時時間。
可飽和電感的導通延時時間DT由附加磁感應強度B0、電流If等確定,B0、If由采樣控製電路根據輸出電壓的大小自動調節。DT由下式給出:
DT=N´Ae´(BS-B0)/Vin (3)
式中:BS:可飽和電感的飽和磁感應強度; B0:介於±BS之間,由工作電流If確定;
Ae:可飽和電感的截麵積; N:可飽和電感的線圈匝數;
Vin:加在可飽和電感兩端的電壓。
在B0=-BS時,DT有最大值DTmax=2N´Ae´BS/Vin;在B0=Br時,DT有最小值DTmin=N´Ae´(BS-Br)/Vin。If一般設計為幾十毫安,If的近似值由下式給出:
If»(HC-B0/mi)´lm/N (4)
式中:HC:可飽和電感的矯頑力;mi:起始磁導率;lm:可飽和電感的等效磁路長度。
基於與正激電源輔路輸出穩壓同樣的原理,由兩套磁放大器穩壓電路就可以構成推挽電源、橋式電源的輔路輸出穩壓單元。此外,也可以由磁放大器方便地組成正反混激電源輔路輸出穩壓單元等,在這裏就不一一贅述。
本ben文wen介jie紹shao了le可ke飽bao和he電dian感gan的de基ji本ben物wu理li特te性xing和he可ke飽bao和he電dian感gan的de開kai關guan噪zao聲sheng抑yi製zhi作zuo用yong,重zhong點dian分fen析xi了le磁ci放fang大da器qi穩wen壓ya電dian路lu的de工gong作zuo原yuan理li,並bing提ti出chu了le幾ji個ge理li論lun計ji算suan公gong式shi。在電源的實際工程設計中,由於供貨廠商通常都會提供可飽和電感和磁放大器的經驗設計公式,所以實際設計工作還是比較簡單容易的。磁放大器穩壓電路對於電路參數的要求並不是十分嚴格,在正常情況下都可以取得非常良好的穩壓效果。
特別推薦
- 噪聲中提取真值!瑞盟科技推出MSA2240電流檢測芯片賦能多元高端測量場景
- 10MHz高頻運行!氮矽科技發布集成驅動GaN芯片,助力電源能效再攀新高
- 失真度僅0.002%!力芯微推出超低內阻、超低失真4PST模擬開關
- 一“芯”雙電!聖邦微電子發布雙輸出電源芯片,簡化AFE與音頻設計
- 一機適配萬端:金升陽推出1200W可編程電源,賦能高端裝備製造
技術文章更多>>
- 從機械執行到智能互動:移遠Q-Robotbox助力具身智能加速落地
- 品英Pickering將亮相2026航空電子國際論壇,展示航電與電池測試前沿方案
- 模擬芯片設計師的噩夢:晶體管差1毫伏就廢了,溫度升1度特性全飄
- 3A大電流僅需3x1.6mm?意法半導體DCP3603重新定義電源設計
- 芯科科技Tech Talks與藍牙亞洲大會聯動,線上線下賦能物聯網創新
技術白皮書下載更多>>
- 車規與基於V2X的車輛協同主動避撞技術展望
- 數字隔離助力新能源汽車安全隔離的新挑戰
- 汽車模塊拋負載的解決方案
- 車用連接器的安全創新應用
- Melexis Actuators Business Unit
- Position / Current Sensors - Triaxis Hall
熱門搜索






