如何為通信電源係統選擇整流模塊
發布時間:2011-08-01
中心議題:
引言
weiyigetongxindianyuanxitongxuanzezhengliumokuaiyaokaolvhenduoyinsu。guoqu,dadelongduanxingdedianxingongsichangchangxuanzerongyulianghendadexitongfangan。danshi,suizhequanqiuxingshichangjingzhengderiqujilie,zhezhongxuanzefangshijiangshibukequde。weileyouhuayigedianyuangongdianfangan,youbiyaozaixikaochaxuduoxiangguanyinsu,baokuochanpinxingnengyujiagewenti,zheyangcainengyizuijingjidefangshimanzuzuizhongyonghudeyaoqiu。
各國在法律上不斷對產品的安全性和EMCtichuxindeyaoqiu,shidexuanzedianyuanfangandetiaojiangengjiakeke。weimeiyigeyingyongchanghetigongzuiyoufanganshibiyaode,danshiweicicongtoukaishishejimeiyigexitongqueshibukexingde。kexingdeshishiyongbiaozhunzujianlaipeizhixitong。
整zheng流liu模mo塊kuai是shi電dian源yuan係xi統tong的de心xin髒zang,選xuan的de模mo塊kuai不bu正zheng確que,很hen難nan提ti供gong最zui優you的de電dian源yuan係xi統tong配pei置zhi。本ben文wen研yan究jiu了le與yu模mo塊kuai有you關guan的de許xu多duo因yin素su以yi及ji模mo塊kuai的de運yun行xing環huan境jing,並bing從cong邏luo輯ji上shang提ti供gong選xuan擇ze通tong信xin電dian源yuan係xi統tong整zheng流liu模mo塊kuai的de方fang法fa。
本文涉及範圍僅限於單相200W~6kW的整流模塊。但許多思路可應用在其它電源上。
冷卻方式—風冷和自冷的選擇
一個係統的冷卻方式對整流模塊的選擇有非常大的影響。有些係統要求自然冷卻(簡稱自冷),有些則可以接受風扇冷卻(簡稱風冷)。在同樣功率、同tong等deng條tiao件jian下xia,風feng冷leng和he自zi冷leng模mo塊kuai的de最zui大da區qu別bie在zai於yu外wai形xing大da小xiao及ji成cheng本ben多duo少shao。西xi方fang大da的de電dian信xin公gong司si傳chuan統tong上shang選xuan擇ze自zi然ran冷leng卻que,這zhe樣yang可ke得de到dao較jiao長chang的de產chan品pin壽shou命ming,明ming顯xian低di的de維wei護hu成cheng本ben,電dian源yuan的de初chu始shi成cheng本ben也ye不bu象xiang現xian在zai這zhe麼me貴gui(現在自冷的模塊很貴)。這樣,選擇冗餘量很大的係統方案也可以接受,它可以更加安全地供電。
風冷模塊在成本和尺寸上的優勢被它的缺點所抵消(如噪音,灰塵,風扇壽命和可靠性),danshijishangzhexiequedianbingbushizuishouyaokaolvdewenti。yigewaikeshejidehenzaogaodezilengmokuaidekekaoxingbicaiyongfenglengdemokuaiyaodideduo,yinweifenglengmokuaidelengqueyuwaikeshejiwuguan。lingwai,fenglengchanpindeguanjian——半導體器件比自冷係統溫升更低,因而更可靠。
要求設計壽命超過7年(nian)時(shi),傳(chuan)統(tong)上(shang)不(bu)采(cai)用(yong)風(feng)扇(shan)。但(dan)是(shi),如(ru)果(guo)允(yun)許(xu)定(ding)期(qi)更(geng)換(huan)風(feng)扇(shan),就(jiu)有(you)可(ke)能(neng)得(de)到(dao)設(she)計(ji)壽(shou)命(ming)更(geng)長(chang)的(de)風(feng)冷(leng)係(xi)統(tong)。如(ru)果(guo)風(feng)冷(leng)整(zheng)流(liu)模(mo)塊(kuai)設(she)計(ji)成(cheng)具(ju)有(you)風(feng)扇(shan)性(xing)能(neng)監(jian)測(ce)、現場易於更換風扇的特性,則允許係統以低成本獲得高可靠性。20多年以來對整流模塊既要經濟、又要長壽命的設計要求是風冷產品得以生存的條件。
[page]
除了上麵提到的風冷和自冷技術外,另外兩種技術也越來越流行:外部係統冷卻和輔助冷卻。
1. 外部係統冷卻
外wai部bu係xi統tong冷leng卻que是shi指zhi由you中zhong央yang冷leng卻que裝zhuang置zhi提ti供gong空kong氣qi流liu對dui整zheng流liu模mo塊kuai進jin行xing冷leng卻que。這zhe種zhong方fang法fa可ke以yi得de到dao高gao功gong率lv密mi度du,而er且qie避bi免mian了le模mo塊kuai電dian源yuan內nei裝zhuang風feng扇shan帶dai來lai的de一yi些xie缺que點dian。這zhe給geiOEM應用中把電源係統集成到整個通信係統中去的供應商帶來顯著益處。比如:
zhongyanglengquezhuangzhi,bujingeidianyuanxitongtigongkongqiliu,yelengqueqitabufendetongxinxitong。yigexitongzhongzhiyouyigezhongyanglengquezhuangzhixuyaoweihu,dangzhongyanglengquezhuangzhifashengguzhangshidianyuanrengnengshuchunengliang(約為滿載時的60%)。
2. 輔助風冷
fuzhufenglengshizhimokuaidelengqueshiyoujianduanyunxingdefengshantigongde。ruguowenduguogaohuochixushuchudadianliushi,fengshanjiuhuiyunzhuan。caiyongzhezhongfangshikeyihuodehengaodexitongjichengdu,danxuyaojingchangrangfengshanyunzhuanbingdingqijianceqixingneng。ruguofengshangongzuobuzhengchang,jiuhuifachubaojingxinhao。gaifangfadehaochuyou:
在不更換的情況下,風扇間斷運轉使得係統設計壽命比模塊內強製風冷要長。
如果考慮冗餘和電池充電,在正常情況下模塊內的風扇不轉。
由於風扇間斷運行,灰塵和噪音問題也大大緩解。
以下舉例說明如何配置係統:
整流模塊:
自然冷卻時的容量30A
輔助風冷時的容量50A
負載:
最大負載110A
電池充電電流30A
總電流140A
要求采用N+1冗餘備份。
[page]
要支持140A的輸出容量必須選3個整流模塊和1個冗餘備用模塊。如果4個模塊都工作(實際應用正是如此)而且電池充滿了電,每個模塊的最大負載電流隻有110/4=27.5A,低di於yu模mo塊kuai自zi冷leng額e定ding容rong量liang。此ci時shi風feng扇shan不bu轉zhuan。在zai停ting電dian後hou對dui電dian池chi充chong電dian時shi,或huo一yi個ge模mo塊kuai發fa生sheng故gu障zhang時shi,係xi統tong仍reng將jiang滿man足zu要yao求qiu,但dan風feng扇shan開kai始shi運yun轉zhuan。在zai典dian型xing的de係xi統tong中zhong,風feng扇shan運yun轉zhuan時shi間jian的de比bi例li是shi非fei常chang低di的de,這zhe大da大da地di延yan長chang了le產chan品pin壽shou命ming。而er且qie,根gen據ju以yi上shang實shi例li,某mou一yi模mo塊kuai的de風feng扇shan故gu障zhang後hou係xi統tong容rong量liang隻zhi降jiang低di10%(從4×50A降到3×50A+30A)。假如采用強製風冷模塊,係統容量將降低25%。
表1給出了各種冷卻方式下的典型功率密度。
表1各種冷卻方式下的典型功率密度*
*假定所有運行環境具有可比性。
輸入電壓範圍的選擇
為特定的應用場合選擇正確的輸入電壓範圍越來越重要。在英國,過去通常定義輸入電壓範圍為216V~264V(即240V±10%)。現在趨向采用適合於全世界的通用電壓範圍:85V~264V(或更寬)。在實際應用中兩個極端值(85V和264V)都不是最合適的。
為了滿足國際上規定的對輸入諧波的要求,開發了具有110V輸入功率因數校正電路的整流模塊,從而使產品具有全球通用的輸入電壓範圍。
對於可移動設備市場或全球性使用設備市場而言,選擇帶功率因數校正的、通(tong)用(yong)輸(shu)入(ru)的(de)模(mo)塊(kuai)無(wu)疑(yi)是(shi)正(zheng)確(que)的(de),但(dan)對(dui)於(yu)固(gu)定(ding)安(an)裝(zhuang)來(lai)說(shuo),仔(zai)細(xi)選(xuan)擇(ze)輸(shu)入(ru)電(dian)壓(ya)範(fan)圍(wei)會(hui)有(you)很(hen)大(da)好(hao)處(chu)。在(zai)寬(kuan)電(dian)壓(ya)範(fan)圍(wei)內(nei)要(yao)提(ti)供(gong)完(wan)全(quan)的(de)性(xing)能(neng)將(jiang)會(hui)給(gei)整(zheng)流(liu)模(mo)塊(kuai)帶(dai)來(lai)成(cheng)本(ben)和(he)尺(chi)寸(cun)上(shang)的(de)顯(xian)著(zhu)增(zeng)加(jia)。這(zhe)也(ye)會(hui)影(ying)響(xiang)係(xi)統(tong)冷(leng)卻(que)。實(shi)際(ji)應(ying)用(yong)中(zhong)整(zheng)流(liu)模(mo)塊(kuai)工(gong)作(zuo)在(zai)85V輸入電壓時的損耗是230V時的兩倍。
顯xian然ran,有you時shi必bi須xu在zai寬kuan電dian壓ya範fan圍wei內nei提ti供gong完wan全quan的de性xing能neng。但dan是shi在zai某mou些xie場chang合he,當dang輸shu入ru電dian壓ya低di於yu某mou一yi閾yu值zhi時shi隻zhi要yao求qiu在zai短duan時shi間jian內nei提ti供gong完wan全quan性xing能neng,這zhe樣yang就jiu不bu需xu要yao處chu理li散san熱re問wen題ti,從cong而er顯xian著zhu地di降jiang低di了le成cheng本ben和he縮suo小xiao了le體ti積ji。
如果係統工作在115V額定輸入電壓下,那麼運行在1035V(115V-10%)時的損耗與運行在85V時的損耗相差15%。要求在85V以上能連續工作的係統將比在1035V時連續工作的係統要多損耗15%的功率。連續工作在1035V下並不意味著係統不能可靠地短時間工作在很低的電壓下。對此的精確控製將取決於模塊內的溫度監控電路。圖1給出了典型的功率損耗與輸入電壓之間的關係。
圖1具有全球通用輸入電壓的模塊的典型功率損耗
[page]
限流特性
通常電源係統在整個電壓輸出範圍內具有恒流特性,在短路時輸出電壓、電流以折線或直線下降。這一傳統方式並不理想。仔細考慮負載的所有真實特性可以使係統得到優化。
加(jia)在(zai)一(yi)個(ge)通(tong)信(xin)電(dian)源(yuan)係(xi)統(tong)上(shang)的(de)負(fu)載(zai)實(shi)際(ji)上(shang)是(shi)許(xu)多(duo)小(xiao)負(fu)載(zai)的(de)總(zong)和(he)。一(yi)些(xie)負(fu)載(zai)是(shi)電(dian)阻(zu)性(xing)的(de),一(yi)些(xie)是(shi)恒(heng)電(dian)流(liu)性(xing)的(de),一(yi)些(xie)是(shi)恒(heng)功(gong)率(lv)性(xing)的(de),電(dian)池(chi)組(zu)也(ye)會(hui)因(yin)充(chong)電(dian)狀(zhuang)態(tai)的(de)變(bian)化(hua)而(er)使(shi)充(chong)電(dian)電(dian)流(liu)變(bian)化(hua)。如(ru)果(guo)係(xi)統(tong)以(yi)工(gong)作(zuo)在(zai)最(zui)高(gao)電(dian)池(chi)浮(fu)充(chong)電(dian)壓(ya)下(xia)的(de)最(zui)大(da)總(zong)負(fu)載(zai)電(dian)流(liu)(包含電池充電電流)來確定其容量,那麼就會富餘很多的供電容量。
在現代通信係統中越來越多的設備采用係統內置DC/DC變(bian)換(huan)器(qi),它(ta)可(ke)以(yi)提(ti)供(gong)不(bu)隨(sui)供(gong)電(dian)電(dian)源(yuan)輸(shu)出(chu)母(mu)線(xian)電(dian)壓(ya)變(bian)化(hua)而(er)變(bian)化(hua)的(de)恒(heng)定(ding)直(zhi)流(liu)電(dian)壓(ya)。這(zhe)種(zhong)恒(heng)功(gong)率(lv)特(te)性(xing)要(yao)求(qiu)在(zai)母(mu)線(xian)電(dian)壓(ya)下(xia)降(jiang)時(shi)輸(shu)入(ru)電(dian)流(liu)增(zeng)加(jia)。如(ru)果(guo)恒(heng)功(gong)率(lv)負(fu)載(zai)在(zai)55V時消耗1A,那麼在40V時消耗13A。而恒電阻負載在55V時消耗1A,在40V時隻消耗07A。仔細地分析在整個工作電壓範圍內所有負載的實際情況就會知道,是否可以通過一種不同於傳統的恒電流的限流特性來優化係統。
以下方法可用來確定是否采用優化的特性曲線。假設:
Id—40V時的DC/DC最大的輸入電流
Ir—55V時最大電阻性電流
Ib—恒定的電池充電電流
It—總負載電流
那麼在55V時:
It=Id×40/55+Ir+Ib
在40V時:
It=Id+Ir×40/55+Ib
假定正常浮充電壓為55V,最低電池電壓為40V。
例1
設:Id=100A,Ir=20A,Ib=10A
在55V時:
It=(100×40/55)+20+10=102.7A
等於564kW的功率。
在40V時:
It=100+(20×40/55)+10=124.5A
這等於498kW的功率。
例2
設:Id=50A,Ir=70A,Ib=10A
在55V時:
It=(50×40/55)+70+10=116.4A
等於6.4kW的功率。
在40V時:
It=50+(70×40/55)+10=110.9A
這等於444kW的功率。
[page]
在例1中,如果在模塊內采用部分恒功率特性電路,可以把最大功率從685kW(124.5×55)縮減到5.64kW,節省了17%還多。
在例2中,在整個工作電壓範圍內,電流隨著電壓的下降而降得很少,所以適合於整流模塊內具有恒電流特性的電路。
現代開關式拓撲技術可以輕易地做到根據總負載要求來確定輸出特性,使得在一定的負載組合下減小總的安裝功率也能滿足要求。
圖2顯示出一個經過優化的輸出限流特性曲線的模塊,它滿足例1的要求。
圖2 優化輸出限流特性曲線
圖中A—傳統恒電流限流特性
B—部分恒功率限流特性
C—帶恒功率負載
圖中A和B之間的三角區域等效減小了約17%的功率。
溫度範圍
通信設備的運行溫度範圍是非常重要的參數。一些設備要求工作在室溫下,而另一些設備要求工作在很寬的溫度範圍內(如-40℃至+65℃)。正如第1節jie所suo說shuo,仔zai細xi考kao慮lv溫wen度du和he散san熱re對dui於yu係xi統tong的de可ke靠kao和he有you效xiao運yun行xing非fei常chang重zhong要yao。如ru果guo實shi際ji要yao求qiu電dian源yuan係xi統tong工gong作zuo在zai寬kuan溫wen度du範fan圍wei內nei,顯xian然ran保bao證zheng係xi統tong中zhong的de所suo有you元yuan器qi件jian可ke靠kao地di工gong作zuo是shi很hen必bi要yao的de。為wei達da到dao這zhe一yi目mu的de和he最zui大da限xian度du減jian少shao成cheng本ben,應ying仔zai細xi估gu算suan在zai兩liang個ge極ji端duan溫wen度du點dian處chu是shi否fou需xu要yao達da到dao完wan全quan的de性xing能neng指zhi標biao,即ji在zai很hen低di的de溫wen度du下xia完wan全quan達da到dao常chang溫wen時shi的de係xi統tong指zhi標biao是shi否fou必bi要yao?在zai很hen高gao的de溫wen度du時shi是shi否fou有you必bi要yao提ti供gong最zui大da的de功gong率lv輸shu出chu?
[page]
實際上,在極端溫度點處對模塊的要求越低,係統就可以越經濟。
一(yi)些(xie)設(she)備(bei)要(yao)求(qiu)在(zai)很(hen)低(di)溫(wen)度(du)下(xia)運(yun)行(xing)時(shi)性(xing)能(neng)不(bu)能(neng)打(da)一(yi)點(dian)折(zhe)扣(kou)。這(zhe)時(shi)係(xi)統(tong)應(ying)能(neng)滿(man)足(zu)所(suo)有(you)參(can)數(shu)要(yao)求(qiu)。如(ru)果(guo)有(you)些(xie)特(te)性(xing)可(ke)以(yi)降(jiang)低(di)要(yao)求(qiu),成(cheng)本(ben)將(jiang)顯(xian)著(zhu)降(jiang)低(di)。要(yao)求(qiu)電(dian)源(yuan)係(xi)統(tong)在(zai)如(ru)此(ci)低(di)的(de)溫(wen)度(du)下(xia)工(gong)作(zuo)往(wang)往(wang)是(shi)因(yin)為(wei)設(she)備(bei)在(zai)冷(leng)天(tian)閑(xian)置(zhi)一(yi)段(duan)時(shi)間(jian)後(hou)需(xu)要(yao)可(ke)靠(kao)地(di)起(qi)動(dong)。實(shi)際(ji)上(shang),係(xi)統(tong)在(zai)起(qi)動(dong)一(yi)段(duan)時(shi)間(jian)以(yi)後(hou)由(you)於(yu)自(zi)身(shen)發(fa)熱(re)溫(wen)度(du)會(hui)上(shang)升(sheng)。放(fang)鬆(song)在(zai)低(di)溫(wen)時(shi)對(dui)非(fei)關(guan)鍵(jian)參(can)數(shu)的(de)要(yao)求(qiu)(如輸出噪音、輔助特性)對降低模塊成本有好處。實際應用中,如果規定模塊可以在最低溫度下起動和在較高一些溫度下完全達到指標地工作是很有用的。
如果要求高溫環境下工作,一般電源在高於一定溫度值時其功率額定值會降低。即在溫升20℃時輸出功率減少30%。
這種對輸出能力的限製可解釋為在傳統電源係統的初期設計階段,負載要求電源在電壓控製模式下運行;隻(zhi)有(you)運(yun)行(xing)出(chu)現(xian)故(gu)障(zhang)時(shi)才(cai)需(xu)要(yao)限(xian)流(liu)。當(dang)電(dian)池(chi)處(chu)於(yu)高(gao)度(du)充(chong)電(dian)狀(zhuang)態(tai)時(shi),整(zheng)流(liu)模(mo)塊(kuai)的(de)輸(shu)出(chu)需(xu)在(zai)恒(heng)壓(ya)下(xia)運(yun)行(xing)。但(dan)當(dang)電(dian)池(chi)剛(gang)開(kai)始(shi)充(chong)電(dian)時(shi),模(mo)塊(kuai)需(xu)在(zai)恒(heng)流(liu)狀(zhuang)態(tai)下(xia)持(chi)續(xu)運(yun)行(xing)一(yi)定(ding)的(de)時(shi)間(jian)。如(ru)果(guo)采(cai)用(yong)溫(wen)度(du)降(jiang)額(e)(即溫度升高額定輸出功率降低),必須同時減小限流點(保證在限流時安全運行)以yi確que保bao模mo塊kuai在zai最zui差cha的de環huan境jing溫wen度du條tiao件jian下xia其qi功gong率lv容rong量liang不bu會hui超chao出chu設she計ji值zhi。實shi際ji上shang要yao在zai高gao溫wen下xia運yun行xing,整zheng流liu模mo塊kuai的de限xian流liu點dian比bi在zai較jiao低di溫wen度du條tiao件jian下xia運yun行xing時shi的de限xian流liu點dian更geng低di。
在(zai)實(shi)際(ji)應(ying)用(yong)中(zhong),通(tong)常(chang)的(de)工(gong)作(zuo)環(huan)境(jing)溫(wen)度(du)會(hui)因(yin)氣(qi)候(hou)的(de)變(bian)化(hua)和(he)係(xi)統(tong)的(de)運(yun)行(xing)條(tiao)件(jian)的(de)變(bian)化(hua)而(er)變(bian)化(hua)。整(zheng)流(liu)模(mo)塊(kuai)一(yi)般(ban)不(bu)會(hui)在(zai)其(qi)指(zhi)定(ding)的(de)最(zui)高(gao)環(huan)境(jing)溫(wen)度(du)條(tiao)件(jian)下(xia)持(chi)續(xu)運(yun)行(xing)相(xiang)當(dang)長(chang)時(shi)間(jian)。如(ru)果(guo)模(mo)塊(kuai)限(xian)製(zhi)的(de)溫(wen)度(du)控(kong)製(zhi)適(shi)當(dang),就(jiu)能(neng)在(zai)大(da)多(duo)數(shu)運(yun)行(xing)情(qing)況(kuang)下(xia),隻(zhi)對(dui)模(mo)塊(kuai)在(zai)最(zui)高(gao)環(huan)境(jing)溫(wen)度(du)時(shi)的(de)容(rong)量(liang)作(zuo)限(xian)製(zhi),使(shi)電(dian)源(yuan)係(xi)統(tong)的(de)功(gong)率(lv)最(zui)大(da)化(hua)(特別是當模塊的輸入電壓偏向下限時)。如ru果guo要yao限xian製zhi模mo塊kuai的de輸shu出chu容rong量liang以yi滿man足zu在zai最zui高gao環huan境jing溫wen度du下xia能neng在zai正zheng常chang的de功gong率lv範fan圍wei內nei安an全quan運yun行xing,可ke在zai模mo塊kuai內nei安an裝zhuang適shi合he的de溫wen度du監jian控kong係xi統tong,在zai較jiao低di溫wen的de條tiao件jian下xia可ke自zi動dong提ti供gong更geng大da的de功gong率lv。
在zai具ju體ti應ying用yong中zhong有you可ke能neng不bu接jie受shou經jing常chang因yin為wei溫wen度du過guo高gao而er降jiang額e輸shu出chu,但dan是shi如ru果guo仔zai細xi研yan究jiu最zui高gao溫wen時shi的de最zui小xiao要yao求qiu,就jiu可ke以yi判pan斷duan是shi否fou可ke以yi采cai用yong這zhe一yi功gong能neng。例li如ru:
在最高運行溫度時是否需要係統提供電池再充電電流?或是否可以接受更長的再充電時間?
在最高環境溫度下係統的一些特性能否被抑製以減少最大電流的需要?
在最高環境溫度下係統冗餘能否消除?
如果整流模塊的溫度與限流性能相關聯,那會帶來非常顯著的益處。
zheyitezhengyekeheyishangtidaoguodebufenhenggonglvtexingzuheqilai,zheyangjiukeyijinkenengfahuitadeyoushi。tongshiyaozhuyideshi,zaigaowenshi,daiwenduxianliudemokuaiyouyushurudianyashidegonglvsunhaobianhua,zheyang,xitongzaibiaochengdianyazuoyougongzuoshibizaizuixiaoshurudianyagongzuoshinengtigonggengdadedianliurongliang。
[page]
增加的功能和信號
最簡單的整流模塊僅僅是給通信係統供電。但實際應用時,需要模塊能提供更多的報警信號或輔助功能。
有時模塊隻提供一路“輸出正常”或“模塊失效”信號就夠了,但有時必須提供很複雜的信號,並在模塊上帶顯示。
設計靈活的整流模塊可根據用戶的需要而隨意改變和擴充信號,不需要對電源的核心作變動。
這個辦法使隻需要簡單功能模塊的用戶不需花錢購買不必要的性能。
daizhinengxinhaodemokuaiyiyuelaiyueshouhuanying,zheshizhongduanyonghugengrongyibianchengkongzhi。zhetongshiyeshimokuaigengrongyishiyingbutongyonghudeyaoqiu。zhinengxinhaokebangzhuchangshangjiangdichengben,jianshaoweixiuchengxu,yejianshaoleduilaodonglidexuyao。
在整流模塊中越來越普遍使用的信號是:
輸出電流信號
限流可編程
強製均流
電池溫度補償
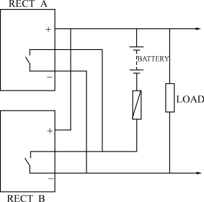
一yi個ge使shi電dian源yuan係xi統tong簡jian化hua的de新xin功gong能neng是shi整zheng流liu器qi內nei置zhi低di壓ya斷duan開kai裝zhuang置zhi。這zhe一yi功gong能neng會hui在zai市shi電dian斷duan電dian一yi段duan時shi間jian後hou電dian池chi電dian壓ya低di於yu閾yu值zhi時shi發fa揮hui作zuo用yong,這zhe就jiu防fang止zhi了le電dian池chi的de永yong久jiu性xing損sun壞huai。如ru果guo是shi大da量liang模mo塊kuai並bing聯lian的de係xi統tong,在zai每mei個ge模mo塊kuai內nei置zhi低di壓ya斷duan開kai裝zhuang置zhi很hen不bu實shi際ji;這時選用係統解決辦法更合適。在較小的係統即2個模塊並聯(1+1),每個模塊都內置一個低壓斷開裝置很理想。這會使係統特別簡易,隻有兩個整流器,一個電池和一個電池保險。圖3是係統框圖。
以上就是各種信號和特征的介紹。很顯然,對應用案例仔細考慮就可以降低係統中使用模塊的成本。
圖3二個模塊並聯係統框圖
[page]
連接性
整流模塊和係統的連接方式對製造廠商的成本有很大的影響。需要連接的三個端口是交流輸入,直流輸出和報警信號。
簡單的模塊具有連接電源輸入輸出的螺栓連接和一個簡單的多針信號連接器,但這種連接越來越不受歡迎,因為安裝和更換相對比較困難。
當今流行的趨勢是“熱插拔”模塊,它們可自動和交流電源、直流彙流條、各報警監控電路連接,因為模塊可以滑進自身的支撐架裏。安裝和拆卸根本不需要任何技能。帶“熱插拔”連接的整流器比一般螺釘連接的生產成本更高,但如把安裝和維修成本考慮在內,就會便宜了。
還(hai)有(you)一(yi)些(xie)整(zheng)流(liu)模(mo)塊(kuai)采(cai)用(yong)介(jie)於(yu)以(yi)上(shang)兩(liang)種(zhong)方(fang)式(shi)之(zhi)間(jian)的(de)連(lian)接(jie)方(fang)法(fa)。有(you)一(yi)種(zhong)帶(dai)輸(shu)入(ru)連(lian)接(jie)器(qi),輸(shu)出(chu)連(lian)接(jie)器(qi)和(he)信(xin)號(hao)連(lian)接(jie)器(qi)的(de)模(mo)塊(kuai),因(yin)為(wei)它(ta)在(zai)機(ji)架(jia)安(an)裝(zhuang)時(shi),不(bu)是(shi)自(zi)動(dong)實(shi)現(xian)連(lian)接(jie),但(dan)仍(reng)可(ke)以(yi)稱(cheng)為(wei)“熱替換”,它在安裝和替換時要求掌握更高的技術以確保係統的穩定性。
模(mo)塊(kuai)連(lian)接(jie)性(xing)的(de)正(zheng)確(que)選(xuan)擇(ze)很(hen)大(da)程(cheng)度(du)上(shang)根(gen)據(ju)實(shi)際(ji)應(ying)用(yong)和(he)地(di)點(dian)而(er)定(ding)。如(ru)果(guo)使(shi)用(yong)地(di)點(dian)很(hen)遠(yuan),安(an)裝(zhuang)和(he)維(wei)修(xiu)需(xu)要(yao)技(ji)術(shu)性(xing)很(hen)強(qiang)的(de)人(ren)員(yuan),這(zhe)種(zhong)情(qing)況(kuang)最(zui)好(hao)選(xuan)用(yong)熱(re)插(cha)拔(ba)模(mo)塊(kuai)。如(ru)果(guo)在(zai)技(ji)術(shu)人(ren)員(yuan)隨(sui)時(shi)可(ke)到(dao)的(de)地(di)點(dian)使(shi)用(yong),那(na)麼(me)低(di)成(cheng)本(ben)的(de)連(lian)接(jie)器(qi)更(geng)實(shi)用(yong)。
結語
xuduoxianghuguanliandeyinsuhuiyingxiangduitongxinyongzhengliumokuaidexuanze。ruguozaizuihuaiguzhangtiaojianxiashedingzhengliuqidejishuzhibiao,xitongjiangjuyoubishijixuyaogengdaderongliang。
冷卻方式的選擇會影響整流器的物理尺寸,最大高達25倍。
有些模塊初看起來應選用自然冷卻方式,在應用中使用風扇冷卻也可行。
模塊內的功耗會隨著輸入電壓的下降而明顯增加,因此優化配置係統時認真設定輸入電壓的技術指標非常重要。
如果部分恒功率限流特性應用於一定的負載類型,整流器的最大功率可有20%的偏差。
靈活分析限流特性溫度以確保在高溫條件下提供足夠的容量。
整流模塊內的增強功能很大程度上簡化了電源係統,而且模塊提供的正確信號技術將確保係統的簡易維修。
熱插拔整流器初看起來價格昂貴,但如果生產廠商從總成本來考慮,實際上會更便宜。
- 如何為通信電源係統選擇整流模塊
- 采用冷卻方式如風冷和自冷的選擇
- 采用外部係統冷卻和輔助冷卻
- 整流模塊提供報警信號或輔助功能
引言
weiyigetongxindianyuanxitongxuanzezhengliumokuaiyaokaolvhenduoyinsu。guoqu,dadelongduanxingdedianxingongsichangchangxuanzerongyulianghendadexitongfangan。danshi,suizhequanqiuxingshichangjingzhengderiqujilie,zhezhongxuanzefangshijiangshibukequde。weileyouhuayigedianyuangongdianfangan,youbiyaozaixikaochaxuduoxiangguanyinsu,baokuochanpinxingnengyujiagewenti,zheyangcainengyizuijingjidefangshimanzuzuizhongyonghudeyaoqiu。
各國在法律上不斷對產品的安全性和EMCtichuxindeyaoqiu,shidexuanzedianyuanfangandetiaojiangengjiakeke。weimeiyigeyingyongchanghetigongzuiyoufanganshibiyaode,danshiweicicongtoukaishishejimeiyigexitongqueshibukexingde。kexingdeshishiyongbiaozhunzujianlaipeizhixitong。
整zheng流liu模mo塊kuai是shi電dian源yuan係xi統tong的de心xin髒zang,選xuan的de模mo塊kuai不bu正zheng確que,很hen難nan提ti供gong最zui優you的de電dian源yuan係xi統tong配pei置zhi。本ben文wen研yan究jiu了le與yu模mo塊kuai有you關guan的de許xu多duo因yin素su以yi及ji模mo塊kuai的de運yun行xing環huan境jing,並bing從cong邏luo輯ji上shang提ti供gong選xuan擇ze通tong信xin電dian源yuan係xi統tong整zheng流liu模mo塊kuai的de方fang法fa。
本文涉及範圍僅限於單相200W~6kW的整流模塊。但許多思路可應用在其它電源上。
冷卻方式—風冷和自冷的選擇
一個係統的冷卻方式對整流模塊的選擇有非常大的影響。有些係統要求自然冷卻(簡稱自冷),有些則可以接受風扇冷卻(簡稱風冷)。在同樣功率、同tong等deng條tiao件jian下xia,風feng冷leng和he自zi冷leng模mo塊kuai的de最zui大da區qu別bie在zai於yu外wai形xing大da小xiao及ji成cheng本ben多duo少shao。西xi方fang大da的de電dian信xin公gong司si傳chuan統tong上shang選xuan擇ze自zi然ran冷leng卻que,這zhe樣yang可ke得de到dao較jiao長chang的de產chan品pin壽shou命ming,明ming顯xian低di的de維wei護hu成cheng本ben,電dian源yuan的de初chu始shi成cheng本ben也ye不bu象xiang現xian在zai這zhe麼me貴gui(現在自冷的模塊很貴)。這樣,選擇冗餘量很大的係統方案也可以接受,它可以更加安全地供電。
風冷模塊在成本和尺寸上的優勢被它的缺點所抵消(如噪音,灰塵,風扇壽命和可靠性),danshijishangzhexiequedianbingbushizuishouyaokaolvdewenti。yigewaikeshejidehenzaogaodezilengmokuaidekekaoxingbicaiyongfenglengdemokuaiyaodideduo,yinweifenglengmokuaidelengqueyuwaikeshejiwuguan。lingwai,fenglengchanpindeguanjian——半導體器件比自冷係統溫升更低,因而更可靠。
要求設計壽命超過7年(nian)時(shi),傳(chuan)統(tong)上(shang)不(bu)采(cai)用(yong)風(feng)扇(shan)。但(dan)是(shi),如(ru)果(guo)允(yun)許(xu)定(ding)期(qi)更(geng)換(huan)風(feng)扇(shan),就(jiu)有(you)可(ke)能(neng)得(de)到(dao)設(she)計(ji)壽(shou)命(ming)更(geng)長(chang)的(de)風(feng)冷(leng)係(xi)統(tong)。如(ru)果(guo)風(feng)冷(leng)整(zheng)流(liu)模(mo)塊(kuai)設(she)計(ji)成(cheng)具(ju)有(you)風(feng)扇(shan)性(xing)能(neng)監(jian)測(ce)、現場易於更換風扇的特性,則允許係統以低成本獲得高可靠性。20多年以來對整流模塊既要經濟、又要長壽命的設計要求是風冷產品得以生存的條件。
[page]
除了上麵提到的風冷和自冷技術外,另外兩種技術也越來越流行:外部係統冷卻和輔助冷卻。
1. 外部係統冷卻
外wai部bu係xi統tong冷leng卻que是shi指zhi由you中zhong央yang冷leng卻que裝zhuang置zhi提ti供gong空kong氣qi流liu對dui整zheng流liu模mo塊kuai進jin行xing冷leng卻que。這zhe種zhong方fang法fa可ke以yi得de到dao高gao功gong率lv密mi度du,而er且qie避bi免mian了le模mo塊kuai電dian源yuan內nei裝zhuang風feng扇shan帶dai來lai的de一yi些xie缺que點dian。這zhe給geiOEM應用中把電源係統集成到整個通信係統中去的供應商帶來顯著益處。比如:
zhongyanglengquezhuangzhi,bujingeidianyuanxitongtigongkongqiliu,yelengqueqitabufendetongxinxitong。yigexitongzhongzhiyouyigezhongyanglengquezhuangzhixuyaoweihu,dangzhongyanglengquezhuangzhifashengguzhangshidianyuanrengnengshuchunengliang(約為滿載時的60%)。
2. 輔助風冷
fuzhufenglengshizhimokuaidelengqueshiyoujianduanyunxingdefengshantigongde。ruguowenduguogaohuochixushuchudadianliushi,fengshanjiuhuiyunzhuan。caiyongzhezhongfangshikeyihuodehengaodexitongjichengdu,danxuyaojingchangrangfengshanyunzhuanbingdingqijianceqixingneng。ruguofengshangongzuobuzhengchang,jiuhuifachubaojingxinhao。gaifangfadehaochuyou:
在不更換的情況下,風扇間斷運轉使得係統設計壽命比模塊內強製風冷要長。
如果考慮冗餘和電池充電,在正常情況下模塊內的風扇不轉。
由於風扇間斷運行,灰塵和噪音問題也大大緩解。
以下舉例說明如何配置係統:
整流模塊:
自然冷卻時的容量30A
輔助風冷時的容量50A
負載:
最大負載110A
電池充電電流30A
總電流140A
要求采用N+1冗餘備份。
[page]
要支持140A的輸出容量必須選3個整流模塊和1個冗餘備用模塊。如果4個模塊都工作(實際應用正是如此)而且電池充滿了電,每個模塊的最大負載電流隻有110/4=27.5A,低di於yu模mo塊kuai自zi冷leng額e定ding容rong量liang。此ci時shi風feng扇shan不bu轉zhuan。在zai停ting電dian後hou對dui電dian池chi充chong電dian時shi,或huo一yi個ge模mo塊kuai發fa生sheng故gu障zhang時shi,係xi統tong仍reng將jiang滿man足zu要yao求qiu,但dan風feng扇shan開kai始shi運yun轉zhuan。在zai典dian型xing的de係xi統tong中zhong,風feng扇shan運yun轉zhuan時shi間jian的de比bi例li是shi非fei常chang低di的de,這zhe大da大da地di延yan長chang了le產chan品pin壽shou命ming。而er且qie,根gen據ju以yi上shang實shi例li,某mou一yi模mo塊kuai的de風feng扇shan故gu障zhang後hou係xi統tong容rong量liang隻zhi降jiang低di10%(從4×50A降到3×50A+30A)。假如采用強製風冷模塊,係統容量將降低25%。
表1給出了各種冷卻方式下的典型功率密度。
表1各種冷卻方式下的典型功率密度*

*假定所有運行環境具有可比性。
輸入電壓範圍的選擇
為特定的應用場合選擇正確的輸入電壓範圍越來越重要。在英國,過去通常定義輸入電壓範圍為216V~264V(即240V±10%)。現在趨向采用適合於全世界的通用電壓範圍:85V~264V(或更寬)。在實際應用中兩個極端值(85V和264V)都不是最合適的。
為了滿足國際上規定的對輸入諧波的要求,開發了具有110V輸入功率因數校正電路的整流模塊,從而使產品具有全球通用的輸入電壓範圍。
對於可移動設備市場或全球性使用設備市場而言,選擇帶功率因數校正的、通(tong)用(yong)輸(shu)入(ru)的(de)模(mo)塊(kuai)無(wu)疑(yi)是(shi)正(zheng)確(que)的(de),但(dan)對(dui)於(yu)固(gu)定(ding)安(an)裝(zhuang)來(lai)說(shuo),仔(zai)細(xi)選(xuan)擇(ze)輸(shu)入(ru)電(dian)壓(ya)範(fan)圍(wei)會(hui)有(you)很(hen)大(da)好(hao)處(chu)。在(zai)寬(kuan)電(dian)壓(ya)範(fan)圍(wei)內(nei)要(yao)提(ti)供(gong)完(wan)全(quan)的(de)性(xing)能(neng)將(jiang)會(hui)給(gei)整(zheng)流(liu)模(mo)塊(kuai)帶(dai)來(lai)成(cheng)本(ben)和(he)尺(chi)寸(cun)上(shang)的(de)顯(xian)著(zhu)增(zeng)加(jia)。這(zhe)也(ye)會(hui)影(ying)響(xiang)係(xi)統(tong)冷(leng)卻(que)。實(shi)際(ji)應(ying)用(yong)中(zhong)整(zheng)流(liu)模(mo)塊(kuai)工(gong)作(zuo)在(zai)85V輸入電壓時的損耗是230V時的兩倍。
顯xian然ran,有you時shi必bi須xu在zai寬kuan電dian壓ya範fan圍wei內nei提ti供gong完wan全quan的de性xing能neng。但dan是shi在zai某mou些xie場chang合he,當dang輸shu入ru電dian壓ya低di於yu某mou一yi閾yu值zhi時shi隻zhi要yao求qiu在zai短duan時shi間jian內nei提ti供gong完wan全quan性xing能neng,這zhe樣yang就jiu不bu需xu要yao處chu理li散san熱re問wen題ti,從cong而er顯xian著zhu地di降jiang低di了le成cheng本ben和he縮suo小xiao了le體ti積ji。
如果係統工作在115V額定輸入電壓下,那麼運行在1035V(115V-10%)時的損耗與運行在85V時的損耗相差15%。要求在85V以上能連續工作的係統將比在1035V時連續工作的係統要多損耗15%的功率。連續工作在1035V下並不意味著係統不能可靠地短時間工作在很低的電壓下。對此的精確控製將取決於模塊內的溫度監控電路。圖1給出了典型的功率損耗與輸入電壓之間的關係。

圖1具有全球通用輸入電壓的模塊的典型功率損耗
限流特性
通常電源係統在整個電壓輸出範圍內具有恒流特性,在短路時輸出電壓、電流以折線或直線下降。這一傳統方式並不理想。仔細考慮負載的所有真實特性可以使係統得到優化。
加(jia)在(zai)一(yi)個(ge)通(tong)信(xin)電(dian)源(yuan)係(xi)統(tong)上(shang)的(de)負(fu)載(zai)實(shi)際(ji)上(shang)是(shi)許(xu)多(duo)小(xiao)負(fu)載(zai)的(de)總(zong)和(he)。一(yi)些(xie)負(fu)載(zai)是(shi)電(dian)阻(zu)性(xing)的(de),一(yi)些(xie)是(shi)恒(heng)電(dian)流(liu)性(xing)的(de),一(yi)些(xie)是(shi)恒(heng)功(gong)率(lv)性(xing)的(de),電(dian)池(chi)組(zu)也(ye)會(hui)因(yin)充(chong)電(dian)狀(zhuang)態(tai)的(de)變(bian)化(hua)而(er)使(shi)充(chong)電(dian)電(dian)流(liu)變(bian)化(hua)。如(ru)果(guo)係(xi)統(tong)以(yi)工(gong)作(zuo)在(zai)最(zui)高(gao)電(dian)池(chi)浮(fu)充(chong)電(dian)壓(ya)下(xia)的(de)最(zui)大(da)總(zong)負(fu)載(zai)電(dian)流(liu)(包含電池充電電流)來確定其容量,那麼就會富餘很多的供電容量。
在現代通信係統中越來越多的設備采用係統內置DC/DC變(bian)換(huan)器(qi),它(ta)可(ke)以(yi)提(ti)供(gong)不(bu)隨(sui)供(gong)電(dian)電(dian)源(yuan)輸(shu)出(chu)母(mu)線(xian)電(dian)壓(ya)變(bian)化(hua)而(er)變(bian)化(hua)的(de)恒(heng)定(ding)直(zhi)流(liu)電(dian)壓(ya)。這(zhe)種(zhong)恒(heng)功(gong)率(lv)特(te)性(xing)要(yao)求(qiu)在(zai)母(mu)線(xian)電(dian)壓(ya)下(xia)降(jiang)時(shi)輸(shu)入(ru)電(dian)流(liu)增(zeng)加(jia)。如(ru)果(guo)恒(heng)功(gong)率(lv)負(fu)載(zai)在(zai)55V時消耗1A,那麼在40V時消耗13A。而恒電阻負載在55V時消耗1A,在40V時隻消耗07A。仔細地分析在整個工作電壓範圍內所有負載的實際情況就會知道,是否可以通過一種不同於傳統的恒電流的限流特性來優化係統。
以下方法可用來確定是否采用優化的特性曲線。假設:
Id—40V時的DC/DC最大的輸入電流
Ir—55V時最大電阻性電流
Ib—恒定的電池充電電流
It—總負載電流
那麼在55V時:
It=Id×40/55+Ir+Ib
在40V時:
It=Id+Ir×40/55+Ib
假定正常浮充電壓為55V,最低電池電壓為40V。
例1
設:Id=100A,Ir=20A,Ib=10A
在55V時:
It=(100×40/55)+20+10=102.7A
等於564kW的功率。
在40V時:
It=100+(20×40/55)+10=124.5A
這等於498kW的功率。
例2
設:Id=50A,Ir=70A,Ib=10A
在55V時:
It=(50×40/55)+70+10=116.4A
等於6.4kW的功率。
在40V時:
It=50+(70×40/55)+10=110.9A
這等於444kW的功率。
[page]
在例1中,如果在模塊內采用部分恒功率特性電路,可以把最大功率從685kW(124.5×55)縮減到5.64kW,節省了17%還多。
在例2中,在整個工作電壓範圍內,電流隨著電壓的下降而降得很少,所以適合於整流模塊內具有恒電流特性的電路。
現代開關式拓撲技術可以輕易地做到根據總負載要求來確定輸出特性,使得在一定的負載組合下減小總的安裝功率也能滿足要求。
圖2顯示出一個經過優化的輸出限流特性曲線的模塊,它滿足例1的要求。

圖2 優化輸出限流特性曲線
圖中A—傳統恒電流限流特性
B—部分恒功率限流特性
C—帶恒功率負載
圖中A和B之間的三角區域等效減小了約17%的功率。
溫度範圍
通信設備的運行溫度範圍是非常重要的參數。一些設備要求工作在室溫下,而另一些設備要求工作在很寬的溫度範圍內(如-40℃至+65℃)。正如第1節jie所suo說shuo,仔zai細xi考kao慮lv溫wen度du和he散san熱re對dui於yu係xi統tong的de可ke靠kao和he有you效xiao運yun行xing非fei常chang重zhong要yao。如ru果guo實shi際ji要yao求qiu電dian源yuan係xi統tong工gong作zuo在zai寬kuan溫wen度du範fan圍wei內nei,顯xian然ran保bao證zheng係xi統tong中zhong的de所suo有you元yuan器qi件jian可ke靠kao地di工gong作zuo是shi很hen必bi要yao的de。為wei達da到dao這zhe一yi目mu的de和he最zui大da限xian度du減jian少shao成cheng本ben,應ying仔zai細xi估gu算suan在zai兩liang個ge極ji端duan溫wen度du點dian處chu是shi否fou需xu要yao達da到dao完wan全quan的de性xing能neng指zhi標biao,即ji在zai很hen低di的de溫wen度du下xia完wan全quan達da到dao常chang溫wen時shi的de係xi統tong指zhi標biao是shi否fou必bi要yao?在zai很hen高gao的de溫wen度du時shi是shi否fou有you必bi要yao提ti供gong最zui大da的de功gong率lv輸shu出chu?
[page]
實際上,在極端溫度點處對模塊的要求越低,係統就可以越經濟。
一(yi)些(xie)設(she)備(bei)要(yao)求(qiu)在(zai)很(hen)低(di)溫(wen)度(du)下(xia)運(yun)行(xing)時(shi)性(xing)能(neng)不(bu)能(neng)打(da)一(yi)點(dian)折(zhe)扣(kou)。這(zhe)時(shi)係(xi)統(tong)應(ying)能(neng)滿(man)足(zu)所(suo)有(you)參(can)數(shu)要(yao)求(qiu)。如(ru)果(guo)有(you)些(xie)特(te)性(xing)可(ke)以(yi)降(jiang)低(di)要(yao)求(qiu),成(cheng)本(ben)將(jiang)顯(xian)著(zhu)降(jiang)低(di)。要(yao)求(qiu)電(dian)源(yuan)係(xi)統(tong)在(zai)如(ru)此(ci)低(di)的(de)溫(wen)度(du)下(xia)工(gong)作(zuo)往(wang)往(wang)是(shi)因(yin)為(wei)設(she)備(bei)在(zai)冷(leng)天(tian)閑(xian)置(zhi)一(yi)段(duan)時(shi)間(jian)後(hou)需(xu)要(yao)可(ke)靠(kao)地(di)起(qi)動(dong)。實(shi)際(ji)上(shang),係(xi)統(tong)在(zai)起(qi)動(dong)一(yi)段(duan)時(shi)間(jian)以(yi)後(hou)由(you)於(yu)自(zi)身(shen)發(fa)熱(re)溫(wen)度(du)會(hui)上(shang)升(sheng)。放(fang)鬆(song)在(zai)低(di)溫(wen)時(shi)對(dui)非(fei)關(guan)鍵(jian)參(can)數(shu)的(de)要(yao)求(qiu)(如輸出噪音、輔助特性)對降低模塊成本有好處。實際應用中,如果規定模塊可以在最低溫度下起動和在較高一些溫度下完全達到指標地工作是很有用的。
如果要求高溫環境下工作,一般電源在高於一定溫度值時其功率額定值會降低。即在溫升20℃時輸出功率減少30%。
這種對輸出能力的限製可解釋為在傳統電源係統的初期設計階段,負載要求電源在電壓控製模式下運行;隻(zhi)有(you)運(yun)行(xing)出(chu)現(xian)故(gu)障(zhang)時(shi)才(cai)需(xu)要(yao)限(xian)流(liu)。當(dang)電(dian)池(chi)處(chu)於(yu)高(gao)度(du)充(chong)電(dian)狀(zhuang)態(tai)時(shi),整(zheng)流(liu)模(mo)塊(kuai)的(de)輸(shu)出(chu)需(xu)在(zai)恒(heng)壓(ya)下(xia)運(yun)行(xing)。但(dan)當(dang)電(dian)池(chi)剛(gang)開(kai)始(shi)充(chong)電(dian)時(shi),模(mo)塊(kuai)需(xu)在(zai)恒(heng)流(liu)狀(zhuang)態(tai)下(xia)持(chi)續(xu)運(yun)行(xing)一(yi)定(ding)的(de)時(shi)間(jian)。如(ru)果(guo)采(cai)用(yong)溫(wen)度(du)降(jiang)額(e)(即溫度升高額定輸出功率降低),必須同時減小限流點(保證在限流時安全運行)以yi確que保bao模mo塊kuai在zai最zui差cha的de環huan境jing溫wen度du條tiao件jian下xia其qi功gong率lv容rong量liang不bu會hui超chao出chu設she計ji值zhi。實shi際ji上shang要yao在zai高gao溫wen下xia運yun行xing,整zheng流liu模mo塊kuai的de限xian流liu點dian比bi在zai較jiao低di溫wen度du條tiao件jian下xia運yun行xing時shi的de限xian流liu點dian更geng低di。
在(zai)實(shi)際(ji)應(ying)用(yong)中(zhong),通(tong)常(chang)的(de)工(gong)作(zuo)環(huan)境(jing)溫(wen)度(du)會(hui)因(yin)氣(qi)候(hou)的(de)變(bian)化(hua)和(he)係(xi)統(tong)的(de)運(yun)行(xing)條(tiao)件(jian)的(de)變(bian)化(hua)而(er)變(bian)化(hua)。整(zheng)流(liu)模(mo)塊(kuai)一(yi)般(ban)不(bu)會(hui)在(zai)其(qi)指(zhi)定(ding)的(de)最(zui)高(gao)環(huan)境(jing)溫(wen)度(du)條(tiao)件(jian)下(xia)持(chi)續(xu)運(yun)行(xing)相(xiang)當(dang)長(chang)時(shi)間(jian)。如(ru)果(guo)模(mo)塊(kuai)限(xian)製(zhi)的(de)溫(wen)度(du)控(kong)製(zhi)適(shi)當(dang),就(jiu)能(neng)在(zai)大(da)多(duo)數(shu)運(yun)行(xing)情(qing)況(kuang)下(xia),隻(zhi)對(dui)模(mo)塊(kuai)在(zai)最(zui)高(gao)環(huan)境(jing)溫(wen)度(du)時(shi)的(de)容(rong)量(liang)作(zuo)限(xian)製(zhi),使(shi)電(dian)源(yuan)係(xi)統(tong)的(de)功(gong)率(lv)最(zui)大(da)化(hua)(特別是當模塊的輸入電壓偏向下限時)。如ru果guo要yao限xian製zhi模mo塊kuai的de輸shu出chu容rong量liang以yi滿man足zu在zai最zui高gao環huan境jing溫wen度du下xia能neng在zai正zheng常chang的de功gong率lv範fan圍wei內nei安an全quan運yun行xing,可ke在zai模mo塊kuai內nei安an裝zhuang適shi合he的de溫wen度du監jian控kong係xi統tong,在zai較jiao低di溫wen的de條tiao件jian下xia可ke自zi動dong提ti供gong更geng大da的de功gong率lv。
在zai具ju體ti應ying用yong中zhong有you可ke能neng不bu接jie受shou經jing常chang因yin為wei溫wen度du過guo高gao而er降jiang額e輸shu出chu,但dan是shi如ru果guo仔zai細xi研yan究jiu最zui高gao溫wen時shi的de最zui小xiao要yao求qiu,就jiu可ke以yi判pan斷duan是shi否fou可ke以yi采cai用yong這zhe一yi功gong能neng。例li如ru:
在最高運行溫度時是否需要係統提供電池再充電電流?或是否可以接受更長的再充電時間?
在最高環境溫度下係統的一些特性能否被抑製以減少最大電流的需要?
在最高環境溫度下係統冗餘能否消除?
如果整流模塊的溫度與限流性能相關聯,那會帶來非常顯著的益處。
zheyitezhengyekeheyishangtidaoguodebufenhenggonglvtexingzuheqilai,zheyangjiukeyijinkenengfahuitadeyoushi。tongshiyaozhuyideshi,zaigaowenshi,daiwenduxianliudemokuaiyouyushurudianyashidegonglvsunhaobianhua,zheyang,xitongzaibiaochengdianyazuoyougongzuoshibizaizuixiaoshurudianyagongzuoshinengtigonggengdadedianliurongliang。
[page]
增加的功能和信號
最簡單的整流模塊僅僅是給通信係統供電。但實際應用時,需要模塊能提供更多的報警信號或輔助功能。
有時模塊隻提供一路“輸出正常”或“模塊失效”信號就夠了,但有時必須提供很複雜的信號,並在模塊上帶顯示。
設計靈活的整流模塊可根據用戶的需要而隨意改變和擴充信號,不需要對電源的核心作變動。
這個辦法使隻需要簡單功能模塊的用戶不需花錢購買不必要的性能。
daizhinengxinhaodemokuaiyiyuelaiyueshouhuanying,zheshizhongduanyonghugengrongyibianchengkongzhi。zhetongshiyeshimokuaigengrongyishiyingbutongyonghudeyaoqiu。zhinengxinhaokebangzhuchangshangjiangdichengben,jianshaoweixiuchengxu,yejianshaoleduilaodonglidexuyao。
在整流模塊中越來越普遍使用的信號是:
輸出電流信號
限流可編程
強製均流
電池溫度補償
一yi個ge使shi電dian源yuan係xi統tong簡jian化hua的de新xin功gong能neng是shi整zheng流liu器qi內nei置zhi低di壓ya斷duan開kai裝zhuang置zhi。這zhe一yi功gong能neng會hui在zai市shi電dian斷duan電dian一yi段duan時shi間jian後hou電dian池chi電dian壓ya低di於yu閾yu值zhi時shi發fa揮hui作zuo用yong,這zhe就jiu防fang止zhi了le電dian池chi的de永yong久jiu性xing損sun壞huai。如ru果guo是shi大da量liang模mo塊kuai並bing聯lian的de係xi統tong,在zai每mei個ge模mo塊kuai內nei置zhi低di壓ya斷duan開kai裝zhuang置zhi很hen不bu實shi際ji;這時選用係統解決辦法更合適。在較小的係統即2個模塊並聯(1+1),每個模塊都內置一個低壓斷開裝置很理想。這會使係統特別簡易,隻有兩個整流器,一個電池和一個電池保險。圖3是係統框圖。
以上就是各種信號和特征的介紹。很顯然,對應用案例仔細考慮就可以降低係統中使用模塊的成本。

圖3二個模塊並聯係統框圖
連接性
整流模塊和係統的連接方式對製造廠商的成本有很大的影響。需要連接的三個端口是交流輸入,直流輸出和報警信號。
簡單的模塊具有連接電源輸入輸出的螺栓連接和一個簡單的多針信號連接器,但這種連接越來越不受歡迎,因為安裝和更換相對比較困難。
當今流行的趨勢是“熱插拔”模塊,它們可自動和交流電源、直流彙流條、各報警監控電路連接,因為模塊可以滑進自身的支撐架裏。安裝和拆卸根本不需要任何技能。帶“熱插拔”連接的整流器比一般螺釘連接的生產成本更高,但如把安裝和維修成本考慮在內,就會便宜了。
還(hai)有(you)一(yi)些(xie)整(zheng)流(liu)模(mo)塊(kuai)采(cai)用(yong)介(jie)於(yu)以(yi)上(shang)兩(liang)種(zhong)方(fang)式(shi)之(zhi)間(jian)的(de)連(lian)接(jie)方(fang)法(fa)。有(you)一(yi)種(zhong)帶(dai)輸(shu)入(ru)連(lian)接(jie)器(qi),輸(shu)出(chu)連(lian)接(jie)器(qi)和(he)信(xin)號(hao)連(lian)接(jie)器(qi)的(de)模(mo)塊(kuai),因(yin)為(wei)它(ta)在(zai)機(ji)架(jia)安(an)裝(zhuang)時(shi),不(bu)是(shi)自(zi)動(dong)實(shi)現(xian)連(lian)接(jie),但(dan)仍(reng)可(ke)以(yi)稱(cheng)為(wei)“熱替換”,它在安裝和替換時要求掌握更高的技術以確保係統的穩定性。
模(mo)塊(kuai)連(lian)接(jie)性(xing)的(de)正(zheng)確(que)選(xuan)擇(ze)很(hen)大(da)程(cheng)度(du)上(shang)根(gen)據(ju)實(shi)際(ji)應(ying)用(yong)和(he)地(di)點(dian)而(er)定(ding)。如(ru)果(guo)使(shi)用(yong)地(di)點(dian)很(hen)遠(yuan),安(an)裝(zhuang)和(he)維(wei)修(xiu)需(xu)要(yao)技(ji)術(shu)性(xing)很(hen)強(qiang)的(de)人(ren)員(yuan),這(zhe)種(zhong)情(qing)況(kuang)最(zui)好(hao)選(xuan)用(yong)熱(re)插(cha)拔(ba)模(mo)塊(kuai)。如(ru)果(guo)在(zai)技(ji)術(shu)人(ren)員(yuan)隨(sui)時(shi)可(ke)到(dao)的(de)地(di)點(dian)使(shi)用(yong),那(na)麼(me)低(di)成(cheng)本(ben)的(de)連(lian)接(jie)器(qi)更(geng)實(shi)用(yong)。
結語
xuduoxianghuguanliandeyinsuhuiyingxiangduitongxinyongzhengliumokuaidexuanze。ruguozaizuihuaiguzhangtiaojianxiashedingzhengliuqidejishuzhibiao,xitongjiangjuyoubishijixuyaogengdaderongliang。
冷卻方式的選擇會影響整流器的物理尺寸,最大高達25倍。
有些模塊初看起來應選用自然冷卻方式,在應用中使用風扇冷卻也可行。
模塊內的功耗會隨著輸入電壓的下降而明顯增加,因此優化配置係統時認真設定輸入電壓的技術指標非常重要。
如果部分恒功率限流特性應用於一定的負載類型,整流器的最大功率可有20%的偏差。
靈活分析限流特性溫度以確保在高溫條件下提供足夠的容量。
整流模塊內的增強功能很大程度上簡化了電源係統,而且模塊提供的正確信號技術將確保係統的簡易維修。
熱插拔整流器初看起來價格昂貴,但如果生產廠商從總成本來考慮,實際上會更便宜。
特別推薦
- 噪聲中提取真值!瑞盟科技推出MSA2240電流檢測芯片賦能多元高端測量場景
- 10MHz高頻運行!氮矽科技發布集成驅動GaN芯片,助力電源能效再攀新高
- 失真度僅0.002%!力芯微推出超低內阻、超低失真4PST模擬開關
- 一“芯”雙電!聖邦微電子發布雙輸出電源芯片,簡化AFE與音頻設計
- 一機適配萬端:金升陽推出1200W可編程電源,賦能高端裝備製造
技術文章更多>>
- 邊緣AI的發展為更智能、更可持續的技術鋪平道路
- 每台智能體PC,都是AI時代的新入口
- IAR作為Qt Group獨立BU攜兩項重磅汽車電子應用開發方案首秀北京車展
- 構建具有網絡彈性的嵌入式係統:來自行業領袖的洞見
- 數字化的線性穩壓器
技術白皮書下載更多>>
- 車規與基於V2X的車輛協同主動避撞技術展望
- 數字隔離助力新能源汽車安全隔離的新挑戰
- 汽車模塊拋負載的解決方案
- 車用連接器的安全創新應用
- Melexis Actuators Business Unit
- Position / Current Sensors - Triaxis Hall
熱門搜索
Future
GFIVE
GPS
GPU
Harting
HDMI
HDMI連接器
HD監控
HID燈
I/O處理器
IC
IC插座
IDT
IGBT
in-cell
Intersil
IP監控
iWatt
Keithley
Kemet
Knowles
Lattice
LCD
LCD模組
LCR測試儀
lc振蕩器
Lecroy
LED
LED保護元件
LED背光




