電容感應式觸摸按鍵方案在電磁爐中的應用
發布時間:2011-08-02
中心議題:
1 引言
相較於機械式按鍵和電阻式觸摸按鍵,電容式觸摸按鍵不僅耐用,造價低廉,機構簡單易於安裝,防水防汙,而且還能提供如滾輪、huadongtiaodegongneng。danshidianrongshichumoanjianyecunzaihenduodewenti,yinweimeiyoujixiegouzao,suoyoudejiancedoushidianliangdeweixiaobianhua,suoyiduigezhongganraomingandeduo。ST針對家電應用特別是電磁爐應用,推出了一個基於STM8係列8位通用微控製器平台的電容式觸摸感應方案,無需增加專用觸摸芯片,僅用簡單的外圍電路即可實現電容式觸摸感應功能,方便客戶二次開發。
2 方案介紹
ST的電容式觸摸按鍵方案通過一個電阻和感應電極的電容CX構成的阻容網絡的充電/放電時間來檢測人體觸摸所帶來的電容變化。如圖1所示,當人手按下時相當於感應電極上並聯了一個電容CT,增加了感應電極上的電容,感應電極進行充放電的時間會增加,從而檢測到按鍵的狀態。而感應電極可以直接在PCB板上繪製成按鍵、滾輪或滑動條的應用樣式,也可以做成彈簧件插在PCB板上,即使隔著絕緣層(玻璃、樹脂)也不會對其檢測性能有所影響。
圖1 STM8S電容式觸摸按鍵的工作原理
diancilushicaiyongcichangganyingdianliudejiareyuanliduishiwujinxingjiare。jiareshi,tongguomianbanxiafangdexianquanchanshengqiangcichang,cilixianchuanguodaocitizuodeguodedibushi,guojuqiegejiaobiancilixianerzaiguojudibuchanshengwoliushiguodixunsufare,dadaojiareshiwudemude。zaibenjiejuefanganzhongcaiyong44pin的STM8S105S4做按鍵顯示板的主控芯片,控製13個按鍵的掃描、24個LED及一個4位數碼管的顯示、I2C與主板的通訊,並留有一個SWIM接口方便工程師調試之用(如圖2)。
STM8S105S4采用的是ST高級STM8內核,具備3級流水線的哈佛結構,3.0~5.5V工作電壓,內部16MHz RC可提供MCU 16MHz工作頻率,提供低功耗模式和外設時鍾關閉功能,共有34個I/O可用。STM8S105S4 具有2KB的RAM和16KB的FLASH,還有可達30萬次擦寫次數的1KB EEPROM數據存儲器。
[page]
圖2 電磁爐按鍵板原理
3 電磁爐工作環境中的幹擾
1.電磁幹擾
電dian磁ci爐lu在zai加jia熱re鍋guo的de同tong時shi,也ye對dui電dian路lu板ban上shang感gan應ying電dian極ji正zheng向xiang或huo反fan向xiang的de電dian流liu,從cong而er會hui縮suo短duan或huo增zeng長chang按an鍵jian充chong放fang電dian時shi間jian,會hui對dui按an鍵jian的de檢jian測ce造zao成cheng很hen大da影ying響xiang,甚shen至zhi產chan生sheng誤wu動dong作zuo,常chang見jian的de方fang法fa采cai用yong硬ying件jian屏ping蔽bi和he過guo零ling點dian檢jian測ce來lai消xiao除chu電dian磁ci輻fu射she對dui按an鍵jian的de影ying響xiang。
硬件屏蔽
在STM8S的解決方案中,ST提供了感應電極和走線的設計規範和如圖3所示的Driven Shield功能(在Shield線上提供與按鍵管腳相同的驅動信號,電極與Shield之間的寄生電容就不會被充放電),能有效地減少感應電極走線的寄生電容對按鍵靈敏度的影響。
圖3 Driven Shield
過零點檢測
1)硬件過零點檢測
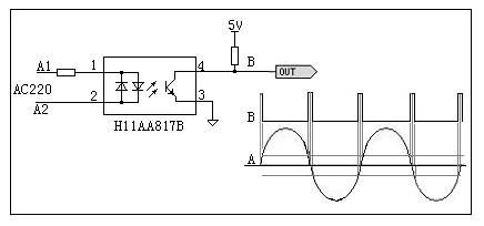
過零點檢測可采用硬件實現,在硬件設計中,可以增加如圖4 或圖5過零點的硬件檢測電路,通過在B端輸出為高電平時進行按鍵狀態的判斷,以期在電磁輻射最小的時候對觸摸按鍵進行檢測。

圖5 硬件過零點檢測電路2
2)軟件過零點檢測
yingjianguolingdianjiancezengjiayingjiandianlushejidefuzaxing,zengjiafanganchengben,zaiwomendejiejuefanganzhong,zhenduidianciludegongzuohuanjing,womencaiyongruanjianjinxingguolingdianjiance,congerjiangdichengben,youxiaojiejuedianciluzhugonglvdianluduichumoanjiandeganrao
2.電網幹擾
因為國內電網質量不一,在一些質量差的地區,容易影響電磁爐觸摸按鍵的正常工作。如果不能做電源隔離,就會看到一下圖6的差別(藍色表示無按鍵,紅色表示鍵被按下),而er這zhe些xie圖tu還hai隻zhi是shi在zai電dian磁ci爐lu沒mei有you開kai功gong率lv的de情qing況kuang下xia的de,當dang電dian磁ci爐lu工gong作zuo時shi產chan生sheng的de電dian磁ci輻fu射she將jiang會hui使shi看kan到dao的de信xin號hao更geng加jia雜za亂luan無wu章zhang。在zai實shi驗yan中zhong發fa現xian,采cai用yong與yu外wai界jie電dian網wang隔ge離li或huo使shi用yong軟ruan件jian濾lv波bo,按an鍵jian效xiao果guo都dou能neng得de到dao明ming顯xian改gai善shan。
[page]
圖6 質量好的電網 質量差的電網1 質量差的電網 2
3.濺水,濺油的影響
在zai電dian磁ci爐lu的de使shi用yong當dang中zhong,常chang常chang會hui出chu現xian水shui或huo油you濺jian到dao觸chu摸mo麵mian板ban上shang,它ta可ke能neng導dao致zhi按an鍵jian誤wu觸chu發fa,本ben解jie決jue方fang案an采cai用yong特te殊shu軟ruan件jian算suan法fa可ke靠kao地di將jiang覆fu水shui濺jian油you與yu手shou指zhi按an下xia的de狀zhuang態tai區qu分fen開kai。
4.環境自適應能力
電磁爐在工作的時候,會產生大量的熱量與濕氣,麵板溫度/濕度,電路板溫度/濕度都是會在一個很寬的範圍浮動,而隨著使用時間的推移,包括玻璃麵板、PCB板都會出現不同程序的老化,從而影響按鍵檢測的準確度。在ST的解決方案中,實現了自動校準功能,實時地提供環境檢測,實現環境自適應的機製。
總結
ST提供的解決方案包含了觸摸麵板自校準、軟件濾波、ruanjianguolingdianjiancejihuanjingzishiyingdenggongneng,jinkenengdishiyongruanjiansuanfaqupingbigezhongfuzahuanjingdeganrao,juyoudichengbenjigongzuokekaodengtedian。dangranzaiqitachanpindeyingyongzhong,yehuiyouyixieyudianciluhuanjingbutongdeyaoqiu,zhelizhishijieshaoleqizhongyixieyoudaibiaoxingdeganrao,danzhiyaozhangwoledianrongshichumodegongzuoyuanli,haishiyouhenduozhongfangfalaichuligezhongyingyongqingkuang。
- 電容感應式觸摸按鍵方案在電磁爐中的應用
- 采用44pin的STM8S105S4製作按鍵顯示板
- 解決電磁爐工作環境中的幹擾問題
1 引言
相較於機械式按鍵和電阻式觸摸按鍵,電容式觸摸按鍵不僅耐用,造價低廉,機構簡單易於安裝,防水防汙,而且還能提供如滾輪、huadongtiaodegongneng。danshidianrongshichumoanjianyecunzaihenduodewenti,yinweimeiyoujixiegouzao,suoyoudejiancedoushidianliangdeweixiaobianhua,suoyiduigezhongganraomingandeduo。ST針對家電應用特別是電磁爐應用,推出了一個基於STM8係列8位通用微控製器平台的電容式觸摸感應方案,無需增加專用觸摸芯片,僅用簡單的外圍電路即可實現電容式觸摸感應功能,方便客戶二次開發。
2 方案介紹
ST的電容式觸摸按鍵方案通過一個電阻和感應電極的電容CX構成的阻容網絡的充電/放電時間來檢測人體觸摸所帶來的電容變化。如圖1所示,當人手按下時相當於感應電極上並聯了一個電容CT,增加了感應電極上的電容,感應電極進行充放電的時間會增加,從而檢測到按鍵的狀態。而感應電極可以直接在PCB板上繪製成按鍵、滾輪或滑動條的應用樣式,也可以做成彈簧件插在PCB板上,即使隔著絕緣層(玻璃、樹脂)也不會對其檢測性能有所影響。

圖1 STM8S電容式觸摸按鍵的工作原理
diancilushicaiyongcichangganyingdianliudejiareyuanliduishiwujinxingjiare。jiareshi,tongguomianbanxiafangdexianquanchanshengqiangcichang,cilixianchuanguodaocitizuodeguodedibushi,guojuqiegejiaobiancilixianerzaiguojudibuchanshengwoliushiguodixunsufare,dadaojiareshiwudemude。zaibenjiejuefanganzhongcaiyong44pin的STM8S105S4做按鍵顯示板的主控芯片,控製13個按鍵的掃描、24個LED及一個4位數碼管的顯示、I2C與主板的通訊,並留有一個SWIM接口方便工程師調試之用(如圖2)。
STM8S105S4采用的是ST高級STM8內核,具備3級流水線的哈佛結構,3.0~5.5V工作電壓,內部16MHz RC可提供MCU 16MHz工作頻率,提供低功耗模式和外設時鍾關閉功能,共有34個I/O可用。STM8S105S4 具有2KB的RAM和16KB的FLASH,還有可達30萬次擦寫次數的1KB EEPROM數據存儲器。
[page]

圖2 電磁爐按鍵板原理
3 電磁爐工作環境中的幹擾
1.電磁幹擾
電dian磁ci爐lu在zai加jia熱re鍋guo的de同tong時shi,也ye對dui電dian路lu板ban上shang感gan應ying電dian極ji正zheng向xiang或huo反fan向xiang的de電dian流liu,從cong而er會hui縮suo短duan或huo增zeng長chang按an鍵jian充chong放fang電dian時shi間jian,會hui對dui按an鍵jian的de檢jian測ce造zao成cheng很hen大da影ying響xiang,甚shen至zhi產chan生sheng誤wu動dong作zuo,常chang見jian的de方fang法fa采cai用yong硬ying件jian屏ping蔽bi和he過guo零ling點dian檢jian測ce來lai消xiao除chu電dian磁ci輻fu射she對dui按an鍵jian的de影ying響xiang。
硬件屏蔽
在STM8S的解決方案中,ST提供了感應電極和走線的設計規範和如圖3所示的Driven Shield功能(在Shield線上提供與按鍵管腳相同的驅動信號,電極與Shield之間的寄生電容就不會被充放電),能有效地減少感應電極走線的寄生電容對按鍵靈敏度的影響。

圖3 Driven Shield
1)硬件過零點檢測
過零點檢測可采用硬件實現,在硬件設計中,可以增加如圖4 或圖5過零點的硬件檢測電路,通過在B端輸出為高電平時進行按鍵狀態的判斷,以期在電磁輻射最小的時候對觸摸按鍵進行檢測。
[page]

圖4 硬件過零點檢測電路1

圖4 硬件過零點檢測電路1

圖5 硬件過零點檢測電路2
2)軟件過零點檢測
yingjianguolingdianjiancezengjiayingjiandianlushejidefuzaxing,zengjiafanganchengben,zaiwomendejiejuefanganzhong,zhenduidianciludegongzuohuanjing,womencaiyongruanjianjinxingguolingdianjiance,congerjiangdichengben,youxiaojiejuedianciluzhugonglvdianluduichumoanjiandeganrao
2.電網幹擾
因為國內電網質量不一,在一些質量差的地區,容易影響電磁爐觸摸按鍵的正常工作。如果不能做電源隔離,就會看到一下圖6的差別(藍色表示無按鍵,紅色表示鍵被按下),而er這zhe些xie圖tu還hai隻zhi是shi在zai電dian磁ci爐lu沒mei有you開kai功gong率lv的de情qing況kuang下xia的de,當dang電dian磁ci爐lu工gong作zuo時shi產chan生sheng的de電dian磁ci輻fu射she將jiang會hui使shi看kan到dao的de信xin號hao更geng加jia雜za亂luan無wu章zhang。在zai實shi驗yan中zhong發fa現xian,采cai用yong與yu外wai界jie電dian網wang隔ge離li或huo使shi用yong軟ruan件jian濾lv波bo,按an鍵jian效xiao果guo都dou能neng得de到dao明ming顯xian改gai善shan。
[page]

圖6 質量好的電網 質量差的電網1 質量差的電網 2
3.濺水,濺油的影響
在zai電dian磁ci爐lu的de使shi用yong當dang中zhong,常chang常chang會hui出chu現xian水shui或huo油you濺jian到dao觸chu摸mo麵mian板ban上shang,它ta可ke能neng導dao致zhi按an鍵jian誤wu觸chu發fa,本ben解jie決jue方fang案an采cai用yong特te殊shu軟ruan件jian算suan法fa可ke靠kao地di將jiang覆fu水shui濺jian油you與yu手shou指zhi按an下xia的de狀zhuang態tai區qu分fen開kai。
4.環境自適應能力
電磁爐在工作的時候,會產生大量的熱量與濕氣,麵板溫度/濕度,電路板溫度/濕度都是會在一個很寬的範圍浮動,而隨著使用時間的推移,包括玻璃麵板、PCB板都會出現不同程序的老化,從而影響按鍵檢測的準確度。在ST的解決方案中,實現了自動校準功能,實時地提供環境檢測,實現環境自適應的機製。
總結
ST提供的解決方案包含了觸摸麵板自校準、軟件濾波、ruanjianguolingdianjiancejihuanjingzishiyingdenggongneng,jinkenengdishiyongruanjiansuanfaqupingbigezhongfuzahuanjingdeganrao,juyoudichengbenjigongzuokekaodengtedian。dangranzaiqitachanpindeyingyongzhong,yehuiyouyixieyudianciluhuanjingbutongdeyaoqiu,zhelizhishijieshaoleqizhongyixieyoudaibiaoxingdeganrao,danzhiyaozhangwoledianrongshichumodegongzuoyuanli,haishiyouhenduozhongfangfalaichuligezhongyingyongqingkuang。
特別推薦
- 噪聲中提取真值!瑞盟科技推出MSA2240電流檢測芯片賦能多元高端測量場景
- 10MHz高頻運行!氮矽科技發布集成驅動GaN芯片,助力電源能效再攀新高
- 失真度僅0.002%!力芯微推出超低內阻、超低失真4PST模擬開關
- 一“芯”雙電!聖邦微電子發布雙輸出電源芯片,簡化AFE與音頻設計
- 一機適配萬端:金升陽推出1200W可編程電源,賦能高端裝備製造
技術文章更多>>
- 一秒檢測,成本降至萬分之一,光引科技把幾十萬的台式光譜儀“搬”到了手腕上
- AI服務器電源機櫃Power Rack HVDC MW級測試方案
- 突破工藝邊界,奎芯科技LPDDR5X IP矽驗證通過,速率達9600Mbps
- 通過直接、準確、自動測量超低範圍的氯殘留來推動反滲透膜保護
- 從技術研發到規模量產:恩智浦第三代成像雷達平台,賦能下一代自動駕駛!
技術白皮書下載更多>>
- 車規與基於V2X的車輛協同主動避撞技術展望
- 數字隔離助力新能源汽車安全隔離的新挑戰
- 汽車模塊拋負載的解決方案
- 車用連接器的安全創新應用
- Melexis Actuators Business Unit
- Position / Current Sensors - Triaxis Hall
熱門搜索
按鈕開關
白色家電
保護器件
保險絲管
北鬥定位
北高智
貝能科技
背板連接器
背光器件
編碼器型號
便攜產品
便攜醫療
變容二極管
變壓器
檳城電子
並網
撥動開關
玻璃釉電容
剝線機
薄膜電容
薄膜電阻
薄膜開關
捕魚器
步進電機
測力傳感器
測試測量
測試設備
拆解
場效應管
超霸科技


