開關型手機充電器的工作原理
發布時間:2011-09-21
中心議題:
- RCC型開關電源與PWM型開關電源的區別
- 開關型手機充電器開關電源電路
- 開關型手機充電器充電控製電路分析
- 鋰離子電池所用的材料
- 鋰離子電池的工作機理及充電原理
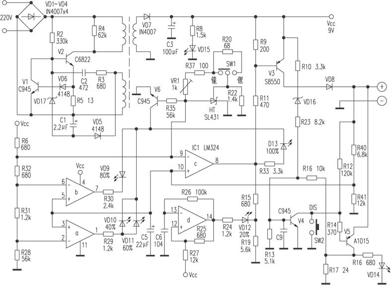
本文詳細介紹了一種開關型手機充電器的工作原理,對初學者了解具體的開關電源電路及充電控製電路很有意義。該充電器具有鎳鎘、鎳氫、鋰離子電池充電轉換開關,並具有放電功能。在150~250V、40 mA的交流市電輸入時,可輸出300±50 mA的直流電流。根據實物繪出了工作原理圖,供讀者參考。

RCC型開關電源與PWM型開關電源的區別
該充電器采用了RCC型開關電源,即振蕩抑製型變換器,它與PWM型開關電源有一定的區別。
PWM型開關電源由獨立的取樣誤差放大器和直流放大器組成脈寬調製係統;而RCC型開關電源隻是由穩壓器組成電平開關,控製過程為振蕩狀態和抑製狀態。
由於PWM型開關電源中的開關管總是周期性的通斷,係統控製隻是改變每個周期的脈衝寬度,而RCC型開關電源的控製過程並非線性連續變化,它隻有兩個狀態:當開關電源輸出電壓超過額定值時,脈衝控製器輸出低電平,開關管截止;當dang開kai關guan電dian源yuan輸shu出chu電dian壓ya低di於yu額e定ding值zhi時shi,脈mai衝chong控kong製zhi器qi輸shu出chu高gao電dian平ping,開kai關guan管guan導dao通tong。當dang負fu載zai電dian流liu減jian小xiao時shi,濾lv波bo電dian容rong放fang電dian時shi間jian延yan長chang,輸shu出chu電dian壓ya不bu會hui很hen快kuai降jiang低di,開kai關guan管guan處chu於yu截jie止zhi狀zhuang態tai,直zhi到dao輸shu出chu電dian壓ya降jiang低di到dao額e定ding值zhi以yi下xia,開kai關guan管guan才cai會hui再zai次ci導dao通tong。開kai關guan管guan的de截jie止zhi時shi間jian取qu決jue於yu負fu載zai電dian流liu的de大da小xiao。開kai關guan管guan的de導dao通tong/截止由電平開關從輸出電壓取樣進行控製。因此這種電源也稱非周期性開關電源。
開關型手機充電器開關電源電路分析
220V市電經VD1~VD4橋式整流後在V2的集電極上形成一個300V左右的直流電壓。由V2和開關變壓器組成間歇振蕩器。開機後,300V直流電壓經過變壓器初級加到V2的集電極,同時該電壓還經啟動電阻R2為V2的基極提供一個偏置電壓。由於正反饋作用,V2 Ic迅速上升而飽和,在V2進入截止期間,開關變壓器次級繞組產生的感應電壓使VD7導通,向負載輸出一個9V左右的直流電壓。開關變壓器的反饋繞組產生的感應脈衝經VD5整流、C1濾波後產生一個與振蕩脈衝個數呈正比的直流電壓。此電壓若超過穩壓管VD17的穩壓值,VD17便導通,此負極性整流電壓便加在V2的基極,使其迅速截止。V2的截止時間與其輸出電壓呈反比。VD17的導通/截止直接受電網電壓和負載的影響。電網電壓越低或負載電流越大,VD17的導通時間越短,V2的導通時間越長,反之,電網電壓越高或負載電流越小,VD5的整流電壓越高,VD17的導通時間越長,V2的導通時間越短。V1是過流保護管,R5是V2 Ie的取樣電阻。當V2 Ie過大時,R5上的電壓降使V1導通,V2截止,可有效消除開機瞬間的衝擊電流,同時對VD17的控製功能也是一種補償。VD17以電壓取樣來控製V2的振蕩時間,而V1是以電流取樣來控製V2振蕩時間的。
[page]
開關型手機充電器充電控製電路分析
如果是為鎳鎘、鎳氫電池充電,由於這類電池存在一定的記憶效應,需不定時對其進行放電。SW1是鎳鎘、鎳氫、鋰離子電池充電轉換開關。SW1與精密基準電源SL431為運放LM324 ⑨提供兩個不同的精密基準源,由SW1切換。在給鎳鎘、鎳氫電池充電時,LM324 ⑨腳的基準電壓約0.09V(空載);在給鋰離子電池充電時,LM324 ⑨腳的基準電壓約為0.08V(空載),這種設計是由這兩種類型電池特有的化學特性決定的。按下SW2,V5基極瞬間得一低電平而導通,可充電池上的殘餘電壓通過V5的e c極在R17上放電,同時放電指示燈VD14點亮。在按下SW2後會隨即釋放,這時可充電池上的殘餘電壓通過R16、R13分壓,C9濾波後為V4的基極提供一個高電平,V4導通,這相當於短接SW2。隨著放電時間的延長,可充電池上的殘餘電壓也越來越低,當V4基極上的電壓不能維持其繼續導通時,V4截止,放電終止,充電器隨即轉入充電狀態。
由於鋰電不存在記憶效應,當電池低於3V時便不能開機,其殘餘電壓經電阻R40、R41分壓後得到2.53V送入運算放大器的同相端③、⑤、⑩腳,由於LM324 ⑨腳電壓在負載下始終為2.66V,因此⑧腳輸出低電平,V3導通,+9V電壓通過V3 e c極、VD8向可充電池充電。IC1 d在電容C6的作用下,{14}腳輸出的是脈衝信號,由於IC1 ⑧腳為低電平,因此VD12處於閃爍狀態,以指示電池正在充電,對應容量為20%。隨著充電時間的延長,可充電池上的電壓逐漸上升。當R40、R41的分壓值約等於2.58V時,即IC1 ③腳等於2.58V時,IC1 ②腳經電阻分壓後得2.57V,其①腳輸出高電平(由於在充電時,IC1 ⑨腳電壓始終是2.66V,V6導通;反之在空載時,IC1 ⑨腳為0.08V,V6截止),VD10、VD11點亮,對應指示容量為40%、60%。當R40、R41的分壓值上升到2.63V時,即IC1 ⑤腳等於2.63V,其⑥腳經電阻分壓後得2.63V,⑦腳輸出高電平,VD9點亮,對應充電容量為80%。隻有IC1 ⑩腳電壓≥2.66V時,⑧腳才輸出高電平,VD13點亮,對應充電容量為100%。即使VD13點亮時,VD12仍處於閃爍狀態,這表示電池仍未達到完全飽和。隻有IC1 ⑧腳電壓>6.5V時,VD12才逐漸熄滅,表示電池完全充至飽和。
VD16在電路中起過充、過流保護作用,VD8起反向保護作用,避免充電器斷電後,電池反向放電。
鋰離子電池所用的材料
說到這個鋰離子電池(一般我們所稱的鋰電池即鋰離子電池,如果嚴格意義上來劃分,鋰電池包括鋰離子電池和鋰聚合物電池)呢,先來簡單的介紹一下,所謂鋰離子電池就是使用能夠吸藏•脫離鋰離子的碳材料作為負極活性物質的電池,鋰離子符號為 Li-ion 。大家知道作為電池一般都是由正極,負極,隔膜,電解液等基本的元素組成,那麼鋰離子電池所用的這些材料一般是以下一些物質:
正極:鈷酸鋰(LiCoO2)、鎳酸鋰(LiNiO2)錳酸鋰(LiMn2O4)等;
負極:人造石墨係列、天然石墨係列、焦炭係列等等;
隔膜:聚乙烯(PE)、聚丙稀(PP)等組成的單層或者多層的微多孔薄膜;
電解液:碳酸丙稀酯(PC)、碳酸乙烯酯(EC)、二甲基碳酸酯(DMC)、二乙基碳酸酯(DEC)、甲基乙基碳酸酯(MEC)等組成的一元、二元或者三元的混合物
市場上所售的鋰離子電池大多是以鈷酸鋰為正極,石墨係列為負極的電池。
鋰離子電池的工作機理
鋰離子電池的工作機理是:電池充電時,正極材料中的鋰形成離子溶出,嵌入到負極改性石墨層中;dianchifangdianshi,lilizicongshimocengzhongtuoqian,chuanguogelimohuitiandaozhengjiguyanghualidecengzhuangjiegouzhong。suichongfangdiandejinxinglilizibuduandecongzhengjihefujizhongqianruhetuochu,suoyiyeyourenchengqiwei“搖椅電池”鋰離子電池單體的額定電壓為 3.6V,充電限製電壓為 4.2V,放電限製電壓為 2.5V 。
鋰離子電池的充電過程
鋰離子電池的充電過程分為兩個步驟:先是恒流充電,其電流恒定,電壓不斷升高,當電壓充到 4.2V 的de時shi候hou自zi動dong轉zhuan換huan為wei恒heng壓ya充chong電dian,在zai恒heng壓ya充chong電dian時shi電dian壓ya恒heng定ding,電dian流liu是shi越yue來lai越yue小xiao的de直zhi到dao充chong電dian電dian流liu小xiao於yu預yu先xian設she定ding值zhi為wei止zhi,所suo以yi有you人ren用yong直zhi充chong對dui手shou機ji電dian池chi進jin行xing充chong電dian的de時shi候hou明ming明ming電dian量liang顯xian示shi已yi經jing滿man格ge了le,可ke是shi還hai是shi顯xian示shi正zheng在zai充chong電dian,其qi實shi這zhe個ge時shi候hou的de電dian壓ya已yi經jing達da到dao了le 4.2V 所以電量顯示為滿格,那時就是在進行恒壓充電過程,那麼有人也許會問,為什麼要進行恒壓充電呢,直接用恒流充到 4.2V 不就行了嗎,其實很容易解釋,因為每一個電池都有一定的內阻,當用恒流進行充電到 4.2V 的時候,這個 4.2V qishibingbushidianchishijidedianya,ershidianchidedianyajiashangdianchineizushangxiaohaodedianyazhihe,ruguodianliuhendanamezaineizushangxiaohaodedianyayejiuhenda,suoyinashishijidianchidedianyakenengbi 4.2V 小很多,所以要用恒壓充電過程,把充電的電流慢慢降下來,這樣電池的實際電壓就很接近 4.2V 。
- 噪聲中提取真值!瑞盟科技推出MSA2240電流檢測芯片賦能多元高端測量場景
- 10MHz高頻運行!氮矽科技發布集成驅動GaN芯片,助力電源能效再攀新高
- 失真度僅0.002%!力芯微推出超低內阻、超低失真4PST模擬開關
- 一“芯”雙電!聖邦微電子發布雙輸出電源芯片,簡化AFE與音頻設計
- 一機適配萬端:金升陽推出1200W可編程電源,賦能高端裝備製造
- 一秒檢測,成本降至萬分之一,光引科技把幾十萬的台式光譜儀“搬”到了手腕上
- AI服務器電源機櫃Power Rack HVDC MW級測試方案
- 突破工藝邊界,奎芯科技LPDDR5X IP矽驗證通過,速率達9600Mbps
- 通過直接、準確、自動測量超低範圍的氯殘留來推動反滲透膜保護
- 從技術研發到規模量產:恩智浦第三代成像雷達平台,賦能下一代自動駕駛!
- 車規與基於V2X的車輛協同主動避撞技術展望
- 數字隔離助力新能源汽車安全隔離的新挑戰
- 汽車模塊拋負載的解決方案
- 車用連接器的安全創新應用
- Melexis Actuators Business Unit
- Position / Current Sensors - Triaxis Hall


